SI-H1000_PL_2nd - 第27页
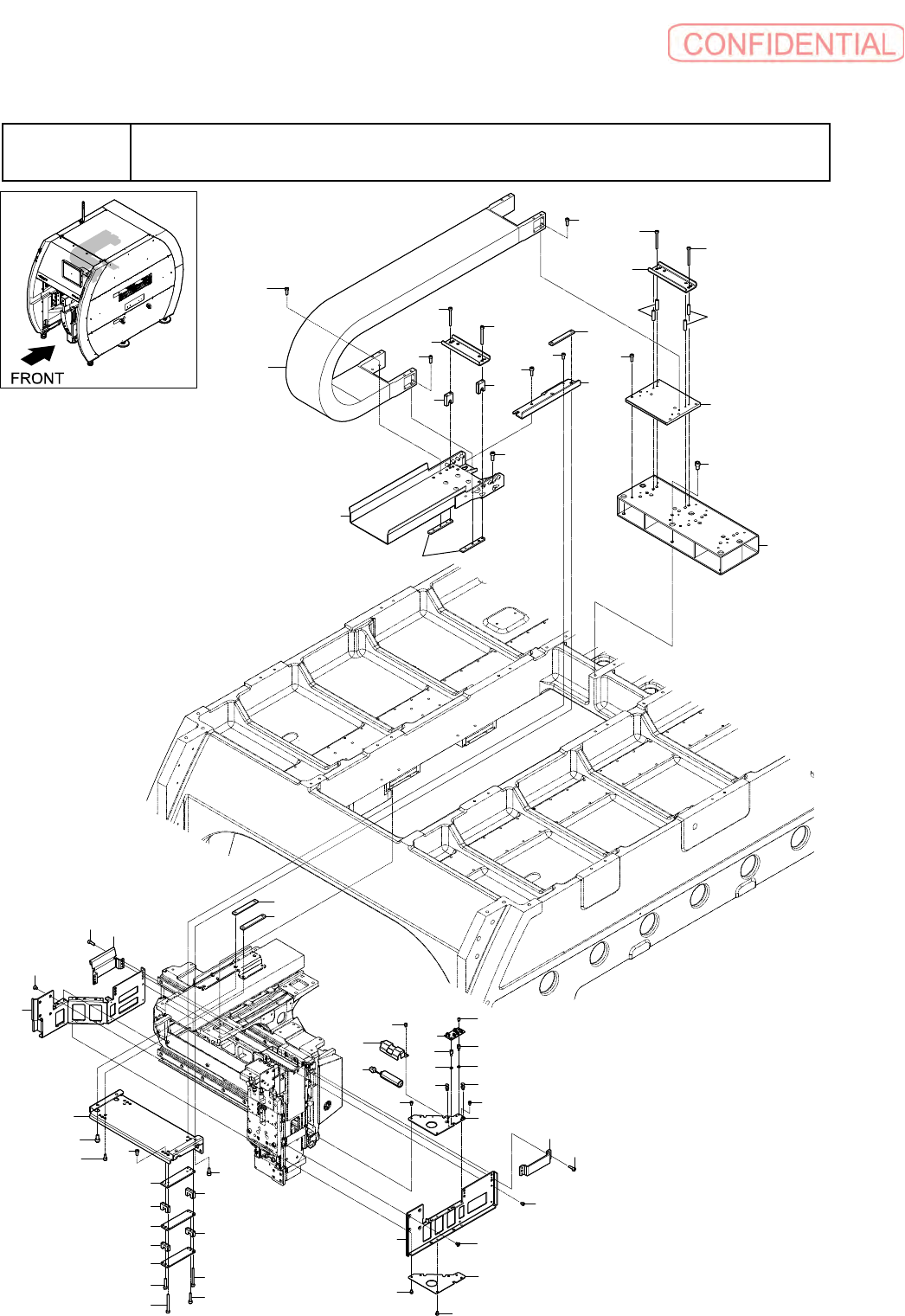
A- 21 A 6 架台 ASSY-3 Bas e f ra me a ssy - 3 12 24 24 26 8 28 23 24 38 8 26 36 35 26 37 37 18 3 27 20 28 7 17 21 27 16 16 23 15 26 25 22 22 21 2 24 6 22 13 22 31 34 33 22 22 31 34 33 14 10 15 1 1 25 26 23 9 24 5 1 4 26 20…

A-20
A5
架台
ASSY-2
Base frame assy - 2
イラスト番号
Ref.No.
部品コード
Parts Code
部品名
Parts Name
Serial
No.
個数
Q'ty
備考
Remarks
同期
Repl.
60 7-683-421-04
6
カクアナツキボルト
4X12
BOLT,HEXAGON SOCKET 4X12
16
61 7-682-265-04
+K 4X16
SCREW +K 4X16
16
62 7-682-561-09
+B 4X8
SCREW +B 4X8
8
63 4-720-311-01
フアン
ガ
-
ド
(PG-47-02)
GUARD, FAN (PG-47-02)
4
64 2-672-385-01
フアン
ヨウ
フイルタ
- (FL12)
FILTER (FL12), FAN
4
65 1-763-987-11
フアン
(4715MS-20T-B5A-B01)
FAN (4715MS-20T-B5A-B01)
4
66 4-447-250-11
イケイ
ストレ
-
ト
(KQ2H06-08A)
STRAIGHT (KQ2H06-08A)
2

A-21
A6
架台
ASSY-3
Base frame assy - 3
12
24
24
26
8
28
23
24
38
8
26
36
35
26
37
37
18
3
27
20
28
7
17
21
27
16
16
23
15
26
25
22
22
21
2
24
6
22
13
22
31
34
33
22
22
31
34
33
14
10
15
11
25
26
23
9
24
5
1
4
26
20
24
3
30
22
19
29
32

A-22
A6
架台
ASSY-3
Base frame assy - 3
イラスト番号
Ref.No.
部品コード
Parts Code
部品名
Parts Name
Serial
No.
個数
Q'ty
備考
Remarks
同期
Repl.
1 4-455-243-02
ケ
-
ブル
ブラケツト
(XA) (L)
BRACKET (XA), CABLE (L)
1
2 4-455-244-01
サポ
-
トプレ
-
ト
(X)
SUPPORT PLATE (X)
1
3 4-455-245-01
イタ
ナツト
(M5)
NUT PLATE (M5)
2
4 4-455-245-11
イタ
ナツト
(M4)
NUT PLATE (M4)
1
5 4-455-246-01
ケ
-
ブル
クランプ
LH
CLAMP (LH), CABLE
1
6 4-455-247-01
ケ
-
ブル
クランプ
RH
CLAMP (RH), CABLE
1
7 4-455-462-01
ケ
-
ブル
ベア
ブラケツト
BRACKET, CABLE BARE
1
8 4-455-463-01
ケ
-
ブル
オサエ
CABLE RETAINER
2
9 4-455-464-03
ケ
-
ブル
ガイド
CABLE GUIDE
1
10 4-455-465-01
クランプ
プレ
-
ト
(S)
CLAMP PLATE (S)
1
11 4-455-465-11
クランプ
プレ
-
ト
(H)
CLAMP PLATE (H)
1
12 4-455-691-01
ケ
-
ブル
ベア
(TKR20H28W80R95)
BARE (TKR20H28W80R95), CABLE
1
13 4-455-721-02
ケ
-
ブル
ブラケツト
(XB) (L)
BRACKET (XB), CABLE (L)
1
14 4-458-968-01
クランプ
ベ
-
ス
プレ
-
ト
PLATE, CLAMP BASE
1
15 4-459-118-01
クランプ
スペ
-
サ
(S)
SPACER (S), CLAMP
2
16 4-459-118-11
クランプ
スペ
-
サ
(L)
SPACER (L), CLAMP
2
17 4-464-111-02
ケ
-
ブル
オサエ
ナツト
プレ
-
ト
PLATE, CABLE RETAINER NUT
2
18 4-466-199-11
ケ
-
ブル
ガイド
ア
-
ム
(R)
ARM , CABLE GUIDE (R)
1
19 4-471-563-01
サポ
-
ト
プレ
-
ト
(X, L)
SUPPORT PLATE (X, L)
1
20 4-472-239-01
ケ
-
ブル
オサエ
スペ
-
サ
BLK
SPACER BLK, CABLE RETAINER
2
21 7-682-260-04
+K 4X6
SCREW +K 4X6
8
22 7-683-401-04
6
カクアナツキボルト
3X4
BOLT,HEXAGON SOCKET 3X4
20
23 7-683-419-04
6
カクアナツキボルト
4X8BOLT,HEXAGON
SOCKET 4X8
6
24 7-683-421-04
6
カクアナツキボルト
4X12
BOLT,HEXAGON SOCKET 4X12
20
25 7-683-425-04
6
カクアナツキボルト
4X20
BOLT,HEXAGON SOCKET 4X20
2
26 7-683-428-04
6
カクアナツキボルト
4X40
BOLT, HEXAGON SOCKET 4X40
12
27 7-683-435-04
6
カクアナツキボルト
5X10
BOLT,HEXAGON SOCKET 5X10
4
28 7-683-437-04
6
カクアナツキボルト
5X14
BOLT,HEXAGON SOCKET 5X14
5
29 1-492-202-11
バツテリ
- ASSY
BATTERY ASSY
1
30 1-895-367-21
バツクアツプ
モニタ
-
ボ
-
ド
(Z)
BOARD, BACKUP MONITORING
1