SI-H1000_PL_2nd - 第31页
A- 25 A 7 架台 ASSY-4 Bas e f ra me a ssy - 4 24 12 7 17 24 38 26 26 20 28 23 28 18 3 38 37 8 39 37 39 36 40 20 24 8 6 22 21 13 4 3 32 35 30 33 34 31 31 19 1 5 24 21 2 22 22 27 23 9 23 27 14 16 15 26 25 16 10 15 1 1 25 26 …

A-24
A6
架台
ASSY-3
Base frame assy - 3
イラスト番号
Ref.No.
部品コード
Parts Code
部品名
Parts Name
Serial
No.
個数
Q'ty
備考
Remarks
同期
Repl.
22 7-683-401-04
6
カクアナツキボルト
3X4
BOLT,HEXAGON SOCKET 3X4
20
23 7-683-419-04
6
カクアナツキボルト
4X8BOLT,HEXAGON
SOCKET 4X8
6
24 7-683-421-04
6
カクアナツキボルト
4X12
BOLT,HEXAGON SOCKET 4X12
20
25 7-683-425-04
6
カクアナツキボルト
4X20
BOLT,HEXAGON SOCKET 4X20
2
26 7-683-428-04
6
カクアナツキボルト
4X40
BOLT, HEXAGON SOCKET 4X40
12
27 7-683-435-04
6
カクアナツキボルト
5X10
BOLT,HEXAGON SOCKET 5X10
4
28 7-683-437-04
6
カクアナツキボルト
5X14
BOLT,HEXAGON SOCKET 5X14
5
29 1-492-202-11
バツテリ
- ASSY
BATTERY ASSY
1
30 1-895-367-21
バツクアツプ
モニタ
-
ボ
-
ド
(Z)
BOARD, BACKUP MONITORING
1
31 4-056-942-11
ミニ
カ
-
ド
スペ
-
サ
-
SPACER, MINIATURE CARD
2
32 4-468-642-01
バツテリ
- BOX (Z, L)
BATTERY BOX (Z, L)
1
33 4-705-584-01
スペ
-
サ
(SQ-7)
SPACER (SQ-7)
2
34 7-623-208-22
SW 3,TYPE 2
SW 3,TYPE 2
2
35 4-455-628-01
ケ
-
ブル
キヤリア
ブラケツト
BRACKET, CABLE CARRIER
1
36 4-459-119-01
ケ
-
ブル
クランプ
ベ
-
ス
BASE, CABLE CLAMP
1
37 4-472-252-01
ケ
-
ブル
オサエ
スペ
-
サ
カラ
-
COLLAR, CABLE RETAINER
SPACER
4
38 7-683-452-04
6
カクアナツキボルト
6X10
BOLT,HEXAGON SOCKET 6X10
3

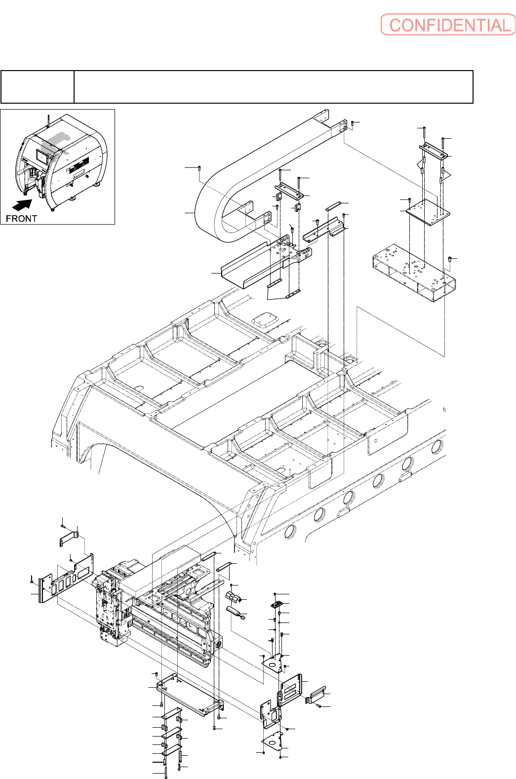
A-25
A7
架台
ASSY-4
Base frame assy - 4
24
12
7
17
24
38
26
26
20
28
23
28
18
3
38
37
8
39
37
39
36
40
20
24
8
6
22
21
13
4
3
32
35
30
33
34
31
31
19
1
5
24
21
2
22
22
27
23
9
23
27
14
16
15
26
25
16
10
15
11
25
26
22
22
34
33
35
29

A-26
A7
架台
ASSY-4
Base frame assy - 4
イラスト番号
Ref.No.
部品コード
Parts Code
部品名
Parts Name
Serial
No.
個数
Q'ty
備考
Remarks
同期
Repl.
1 4-455-243-12
ケ
-
ブル
ブラケツト
(XA) (R)
BRACKET (XA), CABLE (R)
1
2 4-455-244-01
サポ
-
トプレ
-
ト
(X)
SUPPORT PLATE (X)
1
3 4-455-245-01
イタ
ナツト
(M5)
NUT PLATE (M5)
2
4 4-455-245-11
イタ
ナツト
(M4)
NUT PLATE (M4)
1
5 4-455-246-01
ケ
-
ブル
クランプ
LH
CLAMP (LH), CABLE
1
6 4-455-247-01
ケ
-
ブル
クランプ
RH
CLAMP (RH), CABLE
1
7 4-455-462-01
ケ
-
ブル
ベア
ブラケツト
BRACKET, CABLE BARE
1
8 4-455-463-01
ケ
-
ブル
オサエ
CABLE RETAINER
2
9 4-455-464-03
ケ
-
ブル
ガイド
CABLE GUIDE
1
10 4-455-465-01
クランプ
プレ
-
ト
(S)
CLAMP PLATE (S)
1
11 4-455-465-11
クランプ
プレ
-
ト
(H)
CLAMP PLATE (H)
1
12 4-455-691-01
ケ
-
ブル
ベア
(TKR20H28W80R95)
BARE (TKR20H28W80R95), CABLE
1
13 4-455-721-12
ケ
-
ブル
ブラケツト
(XB) (R)
BRACKET (XB), CABLE (R)
1
14 4-458-968-01
クランプ
ベ
-
ス
プレ
-
ト
PLATE, CLAMP BASE
1
15 4-459-118-01
クランプ
スペ
-
サ
(S)
SPACER (S), CLAMP
2
16 4-459-118-11
クランプ
スペ
-
サ
(L)
SPACER (L), CLAMP
2
17 4-464-111-02
ケ
-
ブル
オサエ
ナツト
プレ
-
ト
PLATE, CABLE RETAINER NUT
2
18 4-466-199-01
ケ
-
ブル
ガイド
ア
-
ム
(
L
)
ARM , CABLE GUIDE (
L
)
1
19 4-471-563-11
サポ
-
ト
プレ
-
ト
(X, R)
SUPPORT PLATE (X, R)
1
20 4-472-239-01
ケ
-
ブル
オサエ
スペ
-
サ
BLK
SPACER BLK, CABLE RETAINER
2
21 7-682-260-04
+K 4X6
SCREW +K 4X6
8
22 7-683-401-04
6
カクアナツキボルト
3X4
BOLT,HEXAGON SOCKET 3X4
16
23 7-683-419-04
6
カクアナツキボルト
4X8BOLT,HEXAGON
SOCKET 4X8
6
24 7-683-421-04
6
カクアナツキボルト
4X12
BOLT,HEXAGON SOCKET 4X12
10
25 7-683-425-04
6
カクアナツキボルト
4X20
BOLT,HEXAGON SOCKET 4X20
2
26 7-683-428-04
6
カクアナツキボルト
4X40
BOLT, HEXAGON SOCKET 4X40
8
27 7-683-435-04
6
カクアナツキボルト
5X10
BOLT,HEXAGON SOCKET 5X10
4
28 7-683-437-04
6
カクアナツキボルト
5X14
BOLT,HEXAGON SOCKET 5X14
5
29 1-492-202-11
バツテリ
- ASSY
BATTERY ASSY
1
30 1-895-367-21
バツクアツプ
モニタ
-
ボ
-
ド
(Z)
BOARD, BACKUP MONITORING
1