SI-H1000_PL_2nd - 第91页
A- 85 A27 PC UNIT PC UNIT イラスト 番号 Ref.No. 部品コード Parts Code 部品名 Parts Name Serial No. 個数 Q'ty 備考 Remarks 同期 Repl. 30 7- 684 - 023 - 04 N 3, TY PE 2 N 3, TY PE 2 2 31 4 - 453 - 764 - 11 DIN レ - ル (NS35/7, 5PER F40MM /…

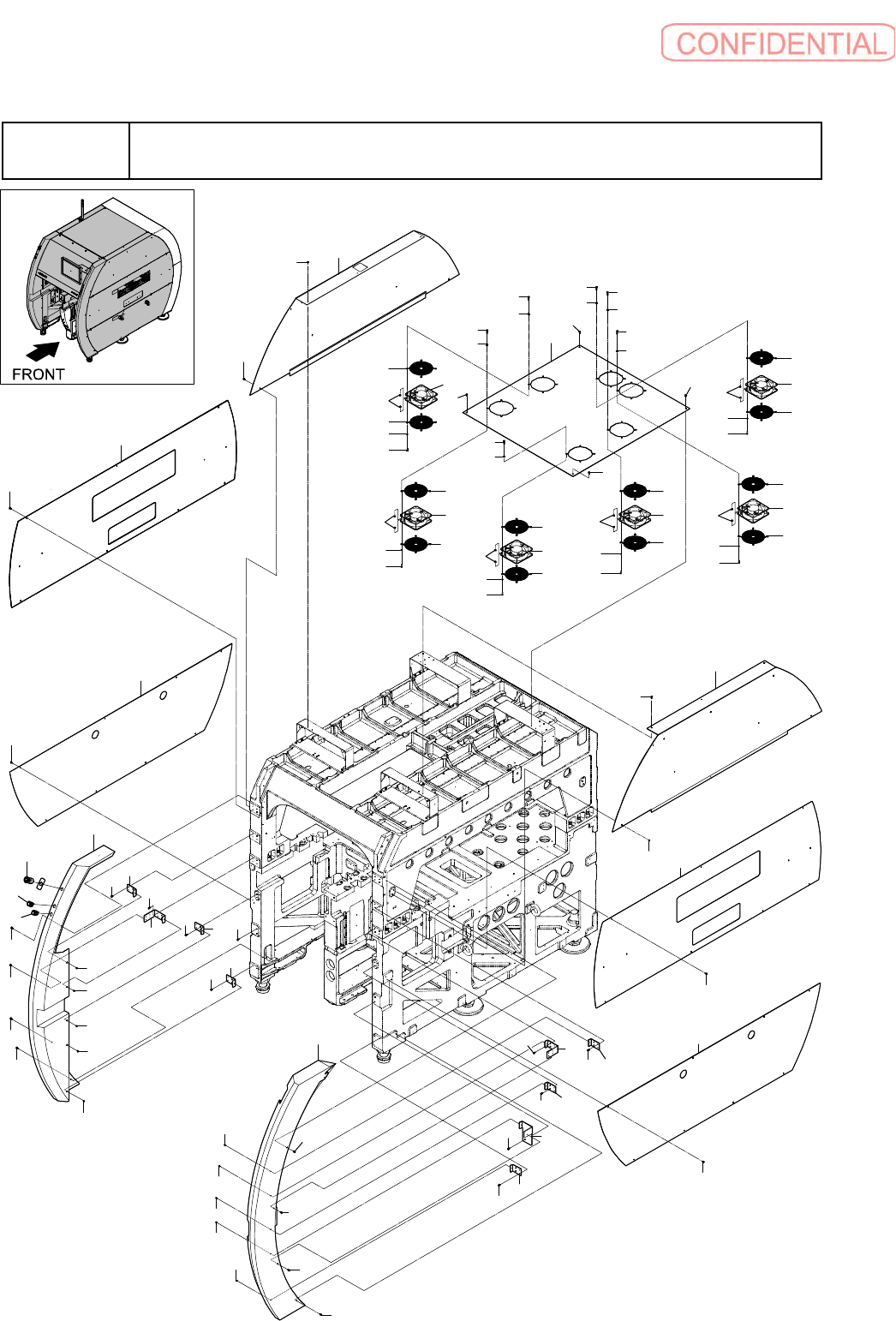
A-84
A27
PC UNIT
PC UNIT
イラスト番号
Ref.No.
部品コード
Parts Code
部品名
Parts Name
Serial
No.
個数
Q'ty
備考
Remarks
同期
Repl.
1 1-458-642-11
メモリ
4GB (TS512MLK64V3N)
MEMORY 4GB
1
2 1-474-020-11
ATX
デンゲン
(ENSP3-450P-S20-H1V)
POWER, ATX (ENSP3-450P-S20-
H1V)
1
3 1-492-163-11
フアン
ASSY (109P0912H4D01)
FAN ASSY
1
4 1-756-676-11
バツテリ
(BS10A-H24/2.0L)
BATTERY (BS10A-H24/2.0L)
1
5 1-786-766-11
オシボタン
スイツチ
(FB-15ANP2)
SWITCH, PUSH BUTTON (FB-
15ANP2
1
6 1-805-664-11
LED
ヒヨウジトウ
(UP06-67G)
INDICATOR LIGHT, LED (UP06-67G
1
7 1-805-664-21
LED
ヒヨウジトウ
(UP06-67R)
NDICATOR LIGHT, LED (UP06-67R
1
8 1-845-155-11
ハ
-
ド
デイスク
(WD2500AAKX)
HARD DISK
1
9 1-895-353-11
ATX
マザ
-
ボ
-
ド
(FB18-L2S)
MOTHER BOARD
1
10 6-720-331-01
IC CM8062301044204S-R05Y
IC CM8062301044204S-R05Y
1
11 2-149-019-01
ケ
-
ブル
ロツク
カナグ
(KT01S-KTN6)
BRACKET, CABLE LOCK (KT01S-
KTN
1
12 3-659-757-02
スペ
-
サ
- 4X8.5
SPACER (4X8.5)
4
13 4-453-747-02
PC
ユニツト
メイン
パネル
PANEL, PC UNIT (MAIN)
1
14 4-453-748-01
PCI
キバン
コテイ
ブラケツト
BRACKET, PCI PC BOARD FIXED
1
15 4-453-749-01
HDD
ソクメン
ブラケツト
L
BRACKET (L), HDD SIDE
1
16 4-453-750-02
PC
ユニツト
シタガワ
ブラケツト
BRACKET, PC UNIT (LOWER SIDE)
1
17 4-453-751-01
HDD
ソクメン
ブラケツト
R
BRACKET (R), HDD SIDE
1
18 4-453-752-02
シヨウメン
パネル
(PC)
PANEL (PC), FRONT COVER
1
19 4-453-753-01
HDD
トリツケ
ブラケツト
BRACKET, HDD FITTING
1
20 4-453-754-02
HDD FAN
トリツケ
ブラケツト
BRACKET, HDD FAN FITTING
1
21 4-453-755-01
キバン
オサエ
ブラケツト
BRACKET, PC BOARD RETAINER
1
22 4-462-937-01
ボウシン
ゴム
(VB-1209-80BK)
RUBBER (VB-1209-80BK)
4
23 4-613-955-01
(+) B 6-32
ユニフアイ
コネジ
SCREW
6
24 4-969-071-01
エツジ
ホルダ
- (EHP-6U)
HOLDER (EHP-6U), EDGE
4
25 7-682-948-01
+PSW 3X8
SCREW +PSW 3X8
43
26 7-682-961-01
+PSW 4X8
SCREW +PSW 4X8
24
27 7-682-965-01
+PSW 4X16
SCREW +PSW 4X16
4
28 7-682-968-01
+PSW 4X30
SCREW +PSW 4X30
4
29 7-682-973-11
+PSW 5X10
SCREW +PSW 5X10
5

A-85
A27
PC UNIT
PC UNIT
イラスト番号
Ref.No.
部品コード
Parts Code
部品名
Parts Name
Serial
No.
個数
Q'ty
備考
Remarks
同期
Repl.
30 7-684-023-04
N 3, TYPE 2
N 3, TYPE 2
2
31 4-453-764-11
DIN
レ
-
ル
(NS35/7, 5PERF40MM/Z)
RAIL, DIN
1
32 1-755-675-11
セ
-
フテイリレ
-
ユニツト
(G9SX-NSA222-T03*)
RELAY, SAFTY
1
33 1-474-492-11
スイツチング
レギユレ
-
タ
(LFA30F-24-J1)
REGULATOR, SWITCHING
1
34 1-755-538-11
リレ
- (RU4S-D-D24)
RELAY (RU4S-D-D24)
1
35 1-755-539-11
リレ
-
ソケツト
(SY4S-05B)
SOCKET, RELAY (SY4S-05B)
1
36 1-857-162-13
CAN IO BOARD ASSY (CART)
BOARD ASSY, CAN IO (CART)
2
37 4-453-736-02
ソクメン
パネル
(PC)
PANEL (PC), SIDE
1
38 7-682-167-01
+P 4X25
SCREW +P 4X25
2
39 2-149-018-01
ホジ
カナグ
(SFA-101)
BRACKET, HOLDING (SFA-101)
2
40 1-969-103-11
ハ
-
ネス
(CAN1, 2-CONV)
HARNESS
1
41 1-837-828-11
PC
ユニツト
MC3
シリアル
ケ
-
ブル
CABLE, PC UNIT MC3 SERIAL
1
42 1-855-270-11
CPU
ク
-
ラ
- (RR-V211-15FK-R2)
CPU COOLER
1
43 4-184-128-01
PC
ユニツト
USB
コネクト
パネル
PANEL, PC UNIT (USB) CONNECT
1
44 1-895-351-11
フレ
-
ム
グラバ
- (ASP-8514X-SMD4)
FRAME GRABBER
2
45 1-895-352-11
モ
-
シヨン
コントロ
-
ラ
(MR-MC210-S05)
CONTROLLER, MOTION
1
46 A-1922-216-A
(M) MC3 COMPL
(M) MC3 COMPL
1

A-86
A28
カバー
ASSY1
Cover assy - 1
3
16
13
13
21
22
19
20
20
18
16
16
15
2
1
14
14
15
15
17
10
12
10
11
17 10
6
17
17
17
15
16
16 7
15
14
14
14
23
24
25
15
17
10
17
11
17
10
17
17
10
15
15
15
14
14
5
8
19
9
19
20
16
16
16
16
20
19
20
21
13
22
13
20
18
19
20
19
20
13
22
13
13
22
13
13
22
13
13
22
13
21
20
18
21
20
18
21
20
18
21
20
18
14
14
14
15
4
16