JUKI_KE-3010A_MAINTE_CH.pdf - 第350页

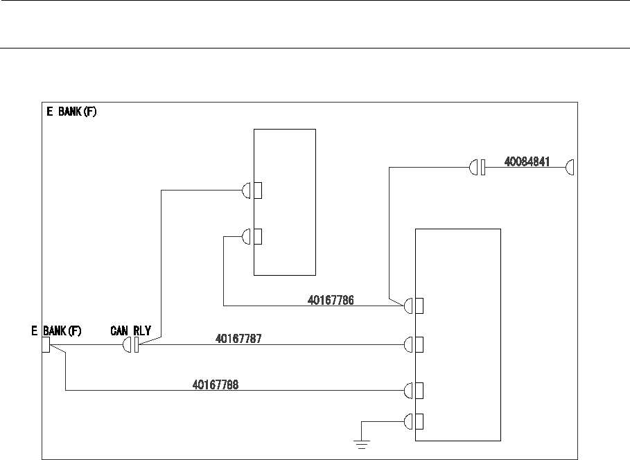
维护调整要领书 25 -2 CN41 CN43 CN42 CN4 CN10 40169045 BANK ID  PCB ASM  RLY ELEC BANK 10   PCB ASM  40071185 FG 40084840 连接图 电动更换台车

100%1 / 372
维护调整要领书
25-1
25 IFS-NX
选购项
25-1
连接图
IFS-NX 的连接如下所示。
ETF POWER UNIT
40114533
CN69
CN70
FEEDER PCB
40047560
SWITCING HUB
40073033
X1
X2
X3
to PLACEMENT 
MONITOR(OPTION)
DC INPUT
10A:40149489
(40149490)
20VA/VRA:40149556
(40149559)
LAN
LAN
to HLC
ETHER
DC INPUT
FG
MPC-CAN
40169048
MPC-CAN
HUB BOX
LAN
40073740
FG-TAP
MPC-CAN(F)
MPC-CAN(R)
MTS1
MTC1
MTS2
MTC2
CH3
CH4
为了防止外启动导致的事故,请切断电源后进行操作
连接图
HUB BOX
维护调整要领书
25-2
CN41
CN43
CN42
CN4
CN10
40169045
BANK ID
PCB ASM
RLY
ELEC BANK 10 
PCB ASM
40071185
FG
40084840
连接图 电动更换台车
维护调整要领书
25-3
25-2 MPC
HUB
的更换方法
MPC HUB 分别被安装在主机内侧的以下位置。
装置正面
KE3010A/3020VA/3020VRA
上面图
40073033
SWITCHING HUB
40169048
MPC
CAN