JUKI_KE-3010A_MAINTE_CH.pdf - 第127页

维修调整要领书 5- 14 5-9 . 支撑台原点传感器( BU 原点传感器)的更换 1 ) 从三传感器架卸下传感器。 2 ) AW C 的原点和 BU 的原点传感器使用相同的传感器组件( 40129042 )。连接器标记上有与双方 传感器对应的刻印,所以请在要更换的传感器之标记 “CN10 66 67” 的刻印中,涂没 “66” 的部分作 为 “CN1067” 。 3 ) 把传感器和传感器配件之间的距离调整为 1mm 。 图 5-9-…

100%1 / 372
维修调整要领书
5-13
5-8
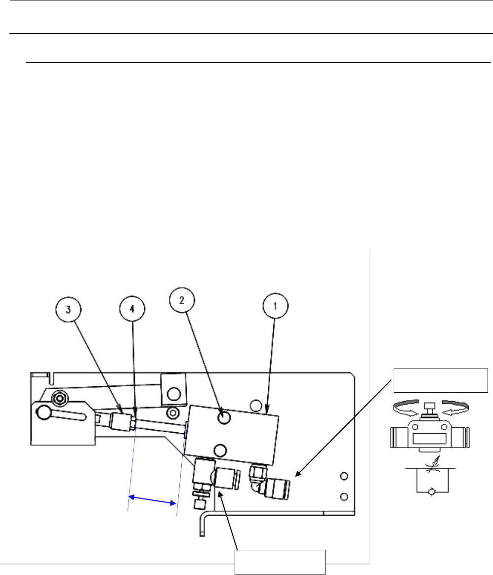
止动器缸筒的更换
1 卸下的六角螺母。
2 拧下缸筒固定螺丝。
3 转动缸筒的轴部,从止动器插头卸下缸筒
4 请按照(3)~(1)的顺序进行组装。
此时,请注意缸筒和止动器架的长孔应该在一条直线上,动作顺畅。
缸筒的端面到止动器插头的端面的距离如下图所示那样安装。
5 调整速度控制器。
A (安装在缸筒) 从全闭开 1 圈。
B 从全闭开 2.5 圈。
6 组装后,接入空气(0.50Mpa),确认动作是否顺畅。
5-8-1
A
侧的速度控制器
B
侧的速度控制器
27±0.2mm
维修调整要领书
5-14
5-9
支撑台原点传感器(
BU
原点传感器)的更换
1 从三传感器架卸下传感器。
2 AWC 的原点和 BU 的原点传感器使用相同的传感器组件(40129042)。连接器标记上有与双方
传感器对应的刻印,所以请在要更换的传感器之标记“CN10 66 67”的刻印中,涂没“66”的部分作
“CN1067”
3 把传感器和传感器配件之间的距离调整为 1mm
5-9-1 BU
原点传感器
40146994
BU_SENSOR_BR
SM4030801SCM3X8
40129042
AWC/BU ORG SENSOR CABLE
ASM
维修调整要领书
5-15
5-10
T-PIN
传感器的更换(选购品)
1 卸下调整螺丝,卸下传感器架,更换传感器。
安装时,把中心销只下降 1.5
- 0
.5mmz(下图尺寸 A)的状态下,拧松调节螺丝上下移动传感器架
把TPIN传感器调整到ON。
2 进行电缆线的处理。
5-10-1 T-PIN
传感器
SL6030692TN
带垫片内六角螺栓 M3×6
40092576
T-PIN传感器组件
調整ねじ
ブラケ
T・IN
PIN传感器
调整螺丝
传感器架