JUKI_KE-3010A_MAINTE_CH.pdf - 第139页

维修调整要领书 7-1 7 ATC 当更换了 ATC 底座时,必须重新取得 MS 参数「 ATC 偏差」。 (参照 4-7 项 MS 参数) 7-1 . 气缸的更换 1 ) 请关闭主体左下放的阀门。 2 ) 卸下ATC接头、六脚孔螺栓,再卸下气缸。 (空气软管φ4也卸下。) 3 ) 请将速度控制器换装到新的气缸上。 图 7- 1- 1 气缸的更换 为了防止突然的起动造成事故,请关掉电源之后再进行操作。 气缸 内六角螺栓 ATC 接头 速…

100%1 / 372
维修调整要领书
6-3
6-3
测力传感器的更換
1 请从测力传感器放大器上拔下线束。
2 取下固定螺丝(2 个),卸下测力传感器组。
3 装配时请按相反的顺序进行。
更換测力传感器后,请重新取得 MS 参数的测力传感器装配位置和高度、测力传感器参数。
固定螺丝
测力传感器组
维修调整要领书
7-1
7
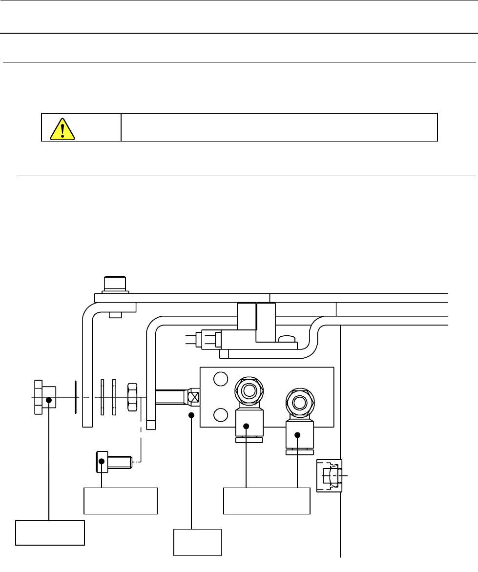
ATC
当更换了 ATC 底座时,必须重新取得 MS 参数「ATC 偏差」。
(参照 4-7 MS 参数)
7-1
气缸的更换
1 请关闭主体左下放的阀门。
2 卸下ATC接头、六脚孔螺栓,再卸下气缸。
(空气软管φ4也卸下。)
3 请将速度控制器换装到新的气缸上。
7-1-1 气缸的更换
为了防止突然的起动造成事故,请关掉电源之后再进行操作。
气缸
内六角螺栓
ATC 接头
速度控制器
危险
维修调整要领书
7-2
4 请进行气缸杆部的固定位置调整。
在打开滑板的状态,用目视调整位置,让 ATC 座的孔和滑板圆弧中心调成一致,调整 ATC 气缸
的附属螺母和 ATC 接头。
此时,在 ATC 接头的螺丝部涂上锁定漆 242
7-1-2 固定时调整位置
5 请调整传感器配件的位置。
OPEN 逐渐打开滑板,在 LED 熄灭之后进入 1mm 的地方固定传感器碰块。
CLOSE 逐渐关闭滑板,在 LED 点亮之后离开 1mm 的地方滑板应停止。
7-1-3 OPEN 7-1-4 CLOSE
ATC开启传感器组件
ATC关闭传感器组件
LED 熄灭之后再向左 1mm LED 点亮之后再向右 1mm
OPEN
传感器
CLOSE
传感器
传感器碰块
传感器碰块