JUKI JX-300LED - 第50页
第 1 部 基本篇 第 1 章 设备概要 1-34 表1-2-8-1 主机正面左侧的接口表 No. 信号名称 传送方向 右向 信号名称 传送方向 左向 使用的接口 1 READY OUT + READY IN + 2 READY OUT - READY IN - (GND) AMP 3 BOARD A V AILABLE IN + BOARD A V AILABLE OUT + 206043-1 4 BOARD A V AILABLE …

第 1 部 基本篇 第 1 章 设备概要
1-33
1-2-8 与外部设备的接口
① 本设备与其它设备连线操作时的Ready Out(In) 用的接口(14针)。传送方向“左→右”及“右
→左”时,Ready Out(In)接口的针配置相反。(参见表1-2-8-1及表1-2-8-2。)
② USB接口,相当于USB2.0。
③ 以太网接口(模块接口8P)。
图1-2-8-1 主机正面左侧 图1-2-8-2 主机正面右侧
⑥ 轨迹球用接口(9 pin)。
⑦ 键盘用接口(5 pin)。
⑧ 手控操作盘(HOD)接口(50 pin)。
(选项)
轨迹球与键盘的接口形状相同。
请勿连接错误,否则设备系统将无法启动。
图1-2-8-3 主机正面右侧
注意
⑥
⑦
⑧

第 1 部 基本篇 第 1 章 设备概要
1-34
表1-2-8-1 主机正面左侧的接口表
No.
信号名称 传送方向 右向 信号名称 传送方向 左向 使用的接口
1
READY OUT + READY IN +
2
READY OUT - READY IN - (GND)
AMP
3
BOARD AVAILABLE IN + BOARD AVAILABLE OUT +
206043-1
4
BOARD AVAILABLE IN-(GND) BOARD AVAILABLE OUT -
5 N.C. N.C.
6 N.C. N.C.
电缆侧
7 N.C. N.C.
连接用的插头
8 N.C. N.C. 206044-1
9 N.C. N.C.
10 N.C. N.C.
11 N.C. N.C.
12 N.C. N.C.
13 N.C. N.C.
14 N.C. N.C.
表1-2-8-2 主机正面右侧的接口表
No.
信号名称 传送方向 右向 信号名称 传送方向 左向 使用的接口
1
READY IN + READY OUT +
2
READY IN - (GND) READY OUT -
AMP
3
BOARD AVAILABLE OUT + BOARD AVAILABLE IN +
206043-1
4
BOARD AVAILABLE OUT - BOARD AVAILABLE IN - (GND)
5 N.C. N.C.
6 N.C. N.C.
电缆侧
7 N.C. N.C.
连接用的插头
8 N.C. N.C. 206044-1
9 N.C. N.C.
10 N.C. N.C.
11 N.C. N.C.
12 N.C. N.C.
13 N.C. N.C.
14 N.C. N.C.

第 1 部 基本篇 第 1 章 设备概要
1-35
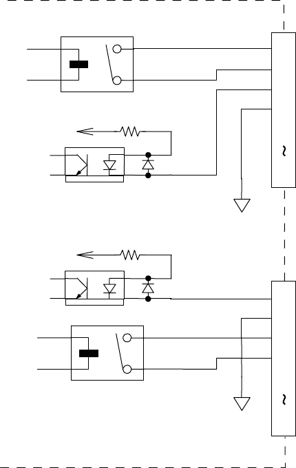
◇ READY OUT(IN)信号与 BOARD AVAILABLE 信号的接口电路图示 1-2-8-4 如下。
依据SMEMA规格。
图1-2-8-4
GND(24V)
+
+ 24V
3.3K 1/4W
READY OUT +
BOARD AVAILABLE IN +
READY OUT -
BOARD AVAILABLE IN -
N.C.
1
2
3
4
5
14
READY IN +
BOARD AVAILABLE OUT +
READY IN -
BOARD AVAILABLE OUT -
N.C.
1
2
3
4
5
14
+ 24V
3.3K 1/4W
+
GND(24V)