PTS-XP141E-05JE - 第100页
93

FEEDER SETTING JIG(WPJ)
リールセット台(WPJ) AWPJ9022
番号 図番 & コード番号 個数 品名 規格 材質 備考
No. Drg.No. & Code No. QTY Description Rating Materials Remarks
1 WPJ0681 1 BASE ベース FE
2 WPJ0690 1 PLATE, REFERENCE プレート 基準 FE
3 WPJ0700 1 PLATE, REFERENCE プレート 基準 FE
4 WPJ0710 1 CLAMPER クランパ FE
5 WPJ0722 1 GUIDE, HOLDER ガイド 受け FE
6 WSD0014 2 CLAMPER クランパ FE
7 WSD0641 2 BOLT ボルト FE
8 WSD0652 2 SPRING スプリング FE
9 H4435T 2 BEARING, MINIATURE ベアリング ミニチュア L-1150ZZ FE
10 R5025T 2 ROLLER, NEEDLE ローラ ニードル 5゚X10 FE
11 W1013A 2 WASHER, CONICAL ワッシャ 皿 M-6-H FE
12 W1012A 2 WASHER, CONICAL ワッシャ 皿 M-5-L FE
13 W1011A 12 WASHER, CONICAL ワッシャ 皿 M-4-L FE
14 H5321A 2 BOLT, HEX SOCKET ボルト 六角穴 M6X12 FE
15 H5300A 2 BOLT, HEX SOCKET ボルト 六角穴 M5X15 FE
16
H5289A
12
BOLT, HEX SOCKET
ボルト 六角穴
M4X12
FE
92

93

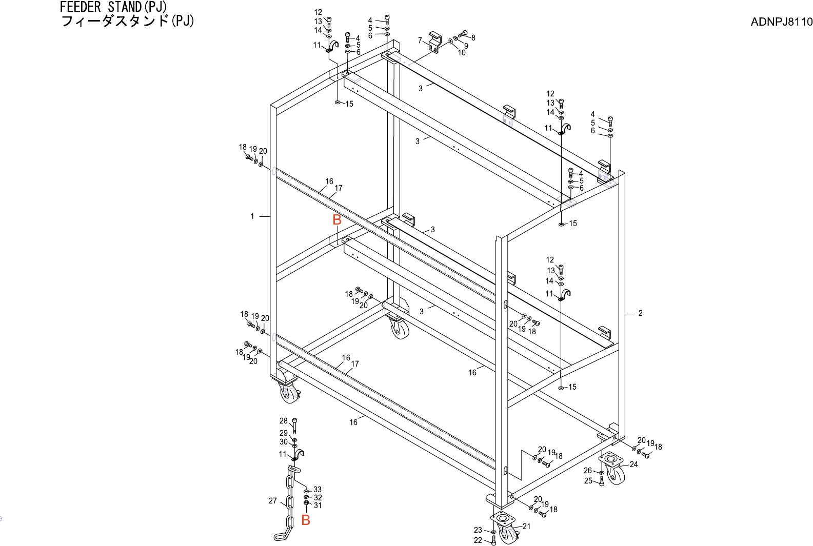
FEEDER STAND(PJ)
フィーダスタンド(PJ) ADNPJ8110
番号 図番 & コード番号 個数 品名 規格 材質 備考
No. Drg.No. & Code No. QTY Description Rating Materials Remarks
1 DNPJ1500 1 STAND スタンド FE
2 DNPJ1510 1 STAND スタンド FE
3 WCY0363 4 BAR バー FE
4 H5341A 8 BOLT, HEX SOCKET ボルト 六角穴 M08X020 1ハコ100ケ FE
5 W1025A 8 WASHER, LOCK ワッシャ スプリング 8M/M FE
6 W1052A 8 WASHER, FLAT ワッシャ 平 8M/MX1.6X17(1W-8) FE
7 WCY0352 6 STOPPER ストッパ FE
8 H5300A 12 BOLT, HEX SOCKET ボルト 六角穴 M05X015 1ハコ400ケ FE
9 W1023A 12 WASHER, LOCK ワッシャ スプリング 5M/M 1ハコ8000ケイリ ハコガイ FE
10 W1044A 12 WASHER, FLAT ワッシャ 平 4W- 5 FE
11 IPJ8180 4 BAND バンド FE
12 H5299A 3 BOLT, HEX SOCKET ボルト 六角穴 M05X012 1ハコ400ケ FE
13 W1023A 3 WASHER, LOCK ワッシャ スプリング 5M/M 1ハコ8000ケイリ ハコガイ FE
14 W1044A 3 WASHER, FLAT ワッシャ 平 4W- 5 FE
15 W1050A 3 WASHER, FLAT ワッシャ 平 5M/MX1.0X10(1W-5) FE
16 WCY0370 4 JOINT ジョイント FE
17 DNPJ1520 2 HOSE ホース FE
18 K5263T 8 SCREW, HEX SOCKET BUTTON 小ネジ 六角穴ボタン M12X025 FE
19 W1027A 8 WASHER, LOCK ワッシャ スプリング 12M/M FE
20 W1057A 8 WASHER, FLAT ワッシャ 平 12M/MX2.5X24(1W-12) FE
21 K2024R 2 CASTER キャスタ NO.105-N OT
22 H5321A 8 BOLT, HEX SOCKET ボルト 六角穴 M06X012 1ハコ200ケ FE
23 W1024A 8 WASHER, LOCK ワッシャ スプリング 6M/M 1ハコ3000ケイリ ハコガイ FE
24 K2024W 2 CASTER, UNIVERSAL キャスタ 自在 NO.105-N-S OT
25 H5321A 8 BOLT, HEX SOCKET ボルト 六角穴 M06X012 1ハコ200ケ FE
26 W1024A 8 WASHER, LOCK ワッシャ スプリング 6M/M 1ハコ3000ケイリ ハコガイ FE
27 T2043W 1 CHAIN チェーン TM-103SUS-11 L=540 OT
28 H5304A 1 BOLT, HEX SOCKET ボルト 六角穴 M05X025 1ハコ400ケ FE
29 W1023A 1 WASHER, LOCK ワッシャ スプリング 5M/M 1ハコ8000ケイリ ハコガイ FE
30 W1044A 1 WASHER, FLAT ワッシャ 平 4W- 5 FE
31 N1082A 1 NUT, HEX ナット 六角 M 5 P=0.8 1ハコ1000ケイリ ハコガイ FE
32 W1023A 1 WASHER, LOCK ワッシャ スプリング 5M/M 1ハコ8000ケイリ ハコガイ FE
33
W1044A
1
WASHER, FLAT
ワッシャ 平
4W- 5
FE
94