PTS-XP141E-05JE - 第32页
25
24

25

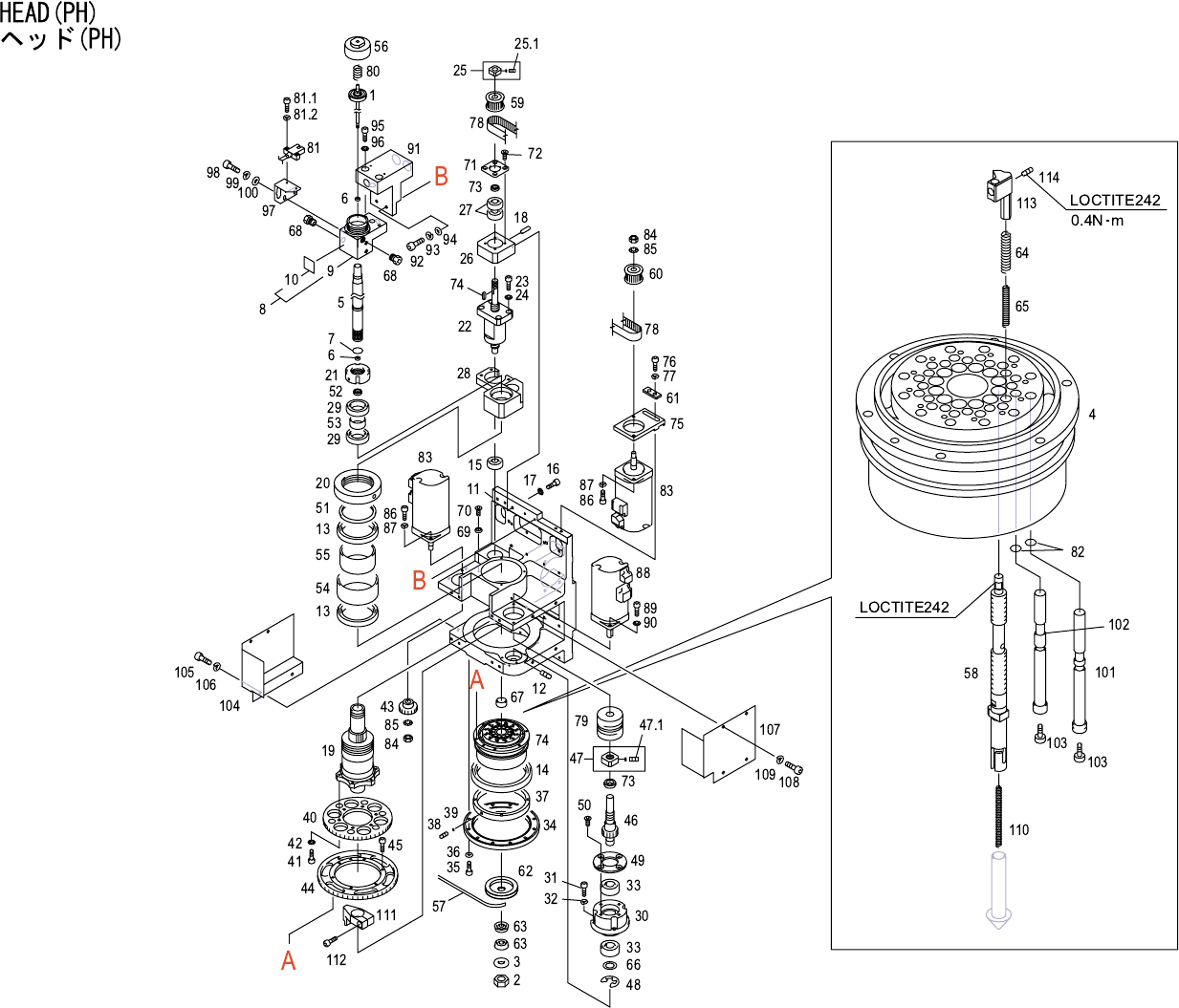
HEAD(PH)
ヘッド(PH)
番号 図番 & コード番号 個数 品名 規格 材質 備考
No.
Drg.No. & Code No.
QTY Description Rating Materials Remarks
1 ADEPH8102 1 PISTON ピストン OT
2 N1076A 1 NUT, HEX ナット 六角 M 3 P=0.5 FE
3 W10396 1 WASHER, FLAT ワッシャ 平 3M/MX0.5X6 FE
4 ADEPH8203 1 BODY 本体 OT
5 ADEPH8400 1 PIPE, PIPING パイプ 配管 OT
6 S3011Z 2 SCRAPER スクレーパ SER-4 OT
7 A5133A 1 O RING Oリング S 11.2 OT
8 ADEPH8011 1 BKT, PIPE BKT パイプ OT
9 DEPH1512 1 BKT, PIPE BKT パイプ AL
10 DEPH1590 1 SEAL シール PL
11 DEPH1017 1 BODY 本体 AL
12 N4021A 2 SCREW, HEX SOCKET SET ネジ 六角穴止め M03X006 クボミサキ FE
13 H4044M 2 BEARING ベアリング B71809C-TPA-P4-UL OT
14 H42253 1 BEARING ベアリング RA7008UUCSP5TS OT
15 H4130E 1 BEARING ベアリング 608ZZ OT
16 H5289A 1 BOLT, HEX SOCKET ボルト 六角穴 M04X012 FE
17 W1011A 1 WASHER, CONICAL ワッシャ 皿 M- 4-L FE
18 H2093B 1 PIN, PARALLEL ピン 平行 ゚4X8 Aシュ (M6) OT
19 DEPH1020 1 SHAFT, SPLINE シャフト スプライン OT
20 N1029A 1 NUT, LOCK ナット ロック ZM045 OT
21 N1025Z 1 NUT, LOCK ナット ロック ZM020 OT
22 DEPH1031 1 BALL SCREW ボールネジ OT
23 H5290A 4 BOLT, HEX SOCKET ボルト 六角穴 M04X015 FE
24 W1011A 4 WASHER, CONICAL ワッシャ 皿 M- 4-L FE
25 N1040N 1 NUT, LOCK ナット ロック RN 8 OT
25.1 N4019A 1 SCREW, HEX SOCKET SET ネジ 六角穴止め M03X004 クボミサキ FE
26 DEPH1040 1 HOLDER, BEARING ホルダ ベアリング AL
27 H4269H 1set BEARING, ANGULAR ベアリング アンギュラ 708ATYDFC8P5 OT
28 DEPH1050 1 BKT, BALL SCREW BKT ボールネジ AL
29 H4197Z 2 BEARING ベアリング 6804ZZ P5 OT
30 DEPH1063 1 HOLDER, BEARING ホルダ ベアリング AL
31 H5276A 3 BOLT, HEX SOCKET ボルト 六角穴 M03X010 FE
32 W1021A 3 WASHER, LOCK ワッシャ スプリング 3M/M FE
33 H4131D 2 BEARING ベアリング 698ZZ P5 OT
34 DEPH1082 1 RETAINER, BEARING 押え ベアリング AL
35 H5288A 12 BOLT, HEX SOCKET ボルト 六角穴 M04X010 FE
36 W1041A 12 WASHER, FLAT ワッシャ 平 4M/MX0.8X9(1W-4) FE
37 DEPH1091 1 NUT, ROUND ナット 丸 AL
26