PTS-XP141E-05JE - 第38页
φ φ φ φ φ φ φ → 右→左 時に追加 コンベア逆流れ 使用時 基板吸着バキューム 基板吸着バキューム オプション 不要時 基板吸着バキューム パーツ吸着 ステーションリフター上昇 排気 ステーションリフター上昇 ステーションストッパ入り ステーションリフター下降 ゲージチップバキューム 上昇 下降 上昇 下降 テープカット前進 テープカット後退 テープカット前進 予備 テープカット後退 リセットシリンダ上昇 エアーブロー パ…
30

φ
φ
φ
φ
φ
φ
φ
→
右→左 時に追加
コンベア逆流れ
使用時
基板吸着バキューム
基板吸着バキューム オプション
不要時
基板吸着バキューム
パーツ吸着
ステーションリフター上昇
排気
ステーションリフター上昇
ステーションストッパ入り
ステーションリフター下降
ゲージチップバキューム
上昇
下降
上昇
下降
テープカット前進
テープカット後退
テープカット前進
予備
テープカット後退
リセットシリンダ上昇
エアーブロー
パーツピックアップ真空破壊
φ
φ
φ
φ
φ
φ
φ
φ
φ
φ
φ
φ
φφ
φ
φ
φ
φ
φ
φ
φ
φφ
φ
φ
φ
φ
φ
φ
φ
φ
φ
φ
φ
φ
φ
φ
φ
φ
φ
φ
φ
φ φ
φ
φ
φ
φ
φ
φ
φ
φ
φ
φ
φ
φ
φ
φ
φ
φ
φ
φ
φ
φ
φ
φ
φ
φ
φ
φ
φ
φ
φ
φ
φ
φ
φ
φ
φ
φ
φ
φ
φ
φ
φ
φ
φ
φ
φ
φ
φ
φ
φ
φ
φ
φ
φ
φ
φ
φ
φ
φ
φ
φ
φ
φ
φ
φ
φ
φφ
φ
5Kg cm
31

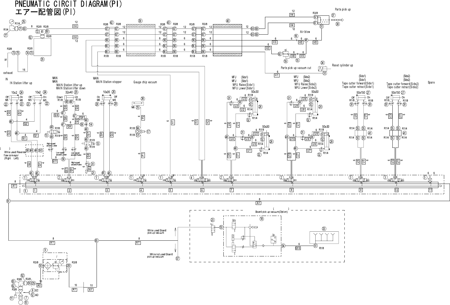
PNEUMATIC CIRCUIT DIAGRAM(PI)
エアー配管図(PI)
番号 図番 & コード番号 個数 品名 規格 材質 備考
No. Drg.No. & Code No. QTY Description Rating Materials Remarks
1 H1331A 4 VALVE
バルブ
VQ1101-5 DC24V OT
2 H1332A 3 VALVE
バルブ
VQ1201-5 DC24V OT
3 H1333Z 2 VALVE
バルブ
VQ1301-5 OT
4 H13331 1 VALVE
バルブ
VQ1401-5 OT
5 H3051E 1 COVER, BLIND
蓋 盲
VVQ1000-10A-1 OT
6 DEPI1010 1 VALVE UNIT バルブユニット VV5Q11-11-X955 OT
7 K1086T 1 COUPLER
カプラ
30PM OT
8 H1059T 1 VALVE, BALL
バルブ ボール
RP-LL-3/8 ロックハンドルツキ OT
9 H3033G 1 FILTER REGULATOR
フィルタレギュレータ
C4000-UN-00014 OT
10 S5023H 1 SOCKET
ソケット
30SH OT
11 K2027R 1 KEY
キー
C1000-50 OT
12 H1046A 1 VALVE, STOP
バルブ ストップ
A3/8X100 OT
13 H1063G 2 VALVE, MECHANICAL
バルブ メカニカル
VM121-01-01 OT
14 H1050K 1 VALVE, CHECK
バルブ チェック
C250-01-32W OT
15 H10519 1 VALVE, CHECK
バルブ チェック
AKH06A-M5 OT
16 H10518 1 VALVE, CHECK
バルブ チェック
AKH06-00 OT
17 H1009H 1 GENERATOR, VACUUM
発生器 真空
VP-05HS OT
18 A4001B 1 EJECTOR
エジェクタ
VDBL10R6-08SA-D-1.0 OT
19 H1028A 1 VALVE, PRESSURE REDUCING
バルブ 減圧
AR1000-M5BG OT
21 S1053B 1 SILENCER
サイレンサ
KM-J6 (10コ/フクロ) OT
22 H1039A 4 VALVE, THROTTLING
バルブ 絞り
JNC4-M5 10ケ/ロット OT
23 H1037T 1 VALVE, MANUAL
バルブ 手動
HV8-8-2 10ケ/ロット OT
24 DEQC0760 2 CYLINDER, AIR
シリンダ エアー
CXSL10-R7789-2 OT
25 S2125T 1 CYLINDER, AIR
シリンダ エアー
CQ2D32-40DCM ナットツキ OT
26 S2126L 1 CYLINDER, AIR
シリンダ エアー
CXSM10-K6869-35 OT
27 S2088Y 2 CYLINDER, AIR
シリンダ エアー
FCD-KL-50-150-M0V-H-N-FL25 OT
28 S20975 4 CYLINDER, AIR
シリンダ エアー
CDLQB50-30D-B-F9NL OT
29 K5337H 2 CONTROLLER, SPEED
コントローラ スピード
AS1201F-M5-04 OT
30 K5342D 4 CONTROLLER, SPEED
コントローラ スピード
AS2201F-01-06S(シロ) OT
31 K5340Y 4 CONTROLLER, SPEED
コントローラ スピード
AS2001F-06(シロ) OT
32 K5343C 4 CONTROLLER, SPEED
コントローラ スピード
AS2201F-02-06S (シロ) OT
33 DBPP0113 1 PLATE
プレート
AL
34 . 1 CYLINDER, RESET シリンダ リセット 25゚X6 FE
35 H5447W 1 PUMP, VACUUM
ポンプ バキューム
KHA750A-305-G1 OT
36 . 1 GAUGE, CHIP ゲージチップ FE
37 A5706DEPH463* 1 VALVE, AIR
バルブ エアー
OT
38 . 1 NOZZLE
ノズル
FE
39 K4196D 1 FIEXIBLE TRACK
ケーブルベア
340.075.075-11-3075.12PZ OT
32