hdf.pdf - 第58页

HDF 服务手册 4.3 Robot 头:驱动部 4.3-3 D45SCC-W 1-B00-A0 10. 拆卸螺栓 A ( 4 个)。 11. 拆卸电机和杆。 = 注意 注意 注意 注意 = 拔出杆,则支持架和弹簧被释放,请注意不要 让其掉下。 12. 拧松杆一侧的固定螺丝 B 。 13. 更换杆。 14. 拧紧杆一侧的固定螺丝 B 。 15. 安装电机和杆。 16. 安装螺栓 A ( 4 个)。 17. 安装喷嘴部。 18. 插入空气…

100%1 / 146
HDF
服务手册
4.3 Robot 头:驱动部
D45SCC-W1-B00-A0 4.3-2
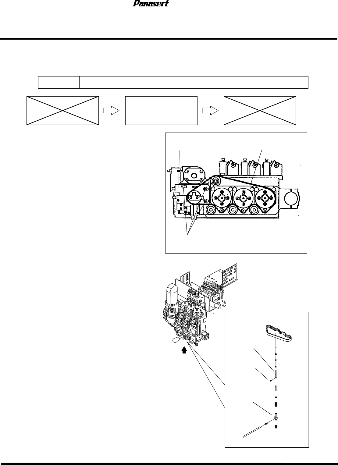
4.3.2 更换
更换更换
更换胶旋转用轴
胶旋转用轴胶旋转用轴
胶旋转用轴
Unit No.
1048509000
=准备
准备准备
准备=
1. 涨钳(C环用)
更换胶旋转用轴
更换胶旋转用轴更换胶旋转用轴
更换胶旋转用轴
1. 打开电源,返回原点。
2. 将主操作盘上的“SERVO MOTOR
(伺服电机)置于 [OFF]
3. 卸下安装在行程轴上的所有空气软管。
4. 拧松θ轴电机机架螺栓(3个)。.
5. 移动电机机架,卸下θ轴同步皮带。
6. 把着喷嘴托架,拆卸喷嘴部。
7. 拧松内六角形固定螺丝。
8. 更换轴。
9. 拧紧内六角形固定螺丝
θ
机托架
嘴部
内六角形
固定螺
嘴托架
[
A
看的视图
]
A
机托架螺栓
HDF
服务手册
4.3 Robot 头:驱动部
4.3-3 D45SCC-W1-B00-A0
10. 拆卸螺栓A4个)。
11. 拆卸电机和杆。
=注意
注意注意
注意=
拔出杆,则支持架和弹簧被释放,请注意不要
让其掉下。
12. 拧松杆一侧的固定螺丝B
13. 更换杆。
14. 拧紧杆一侧的固定螺丝B
15. 安装电机和杆。
16. 安装螺栓A4个)。
17. 安装喷嘴部。
18. 插入空气软管。
19. 调整喷嘴高度。
=参考
参考参考
参考=
请参照“4.4.1 调整喷嘴高度”。
20. 调整喷嘴平行度。
=参考
参考参考
参考=
请参照“4.4.2 调整喷嘴平行度”。
螺栓
A
支持架
固定螺
B
嘴部
HDF
服务手册
4.3 Robot 头:驱动部
D45SCC-W1-B00-A0 4.3-4
4.3.3 更换
更换更换
更换θ
θθ
θ轴电机
轴电机轴电机
轴电机
Unit No.
1048509000
θ
轴电动
更换θ轴电机
更换θ轴电机更换θ轴电机
更换θ轴电机
1. 打开电源,返回原点。
2. 将主操作盘上的“SERVO MOTOR”(伺服电
机)置于 [OFF]
3. 卸下θ轴电机的配线。
4. 拧松电机机架螺栓(3个)。
5. 拧松张力调整螺栓。
6. 取下同步皮带。
7. 拆卸θ轴的(+)极限传感器和(-)极限传感器的配线。
8. 卸下电机机架螺栓(3个),朝下卸下电机机架。
9. 拧松电机皮带轮螺栓,卸下电机皮带轮。
=提示
提示提示
提示=
请务必标记皮带轮位置。
10. 卸下电机螺栓(4个),拆卸θ轴电机。
11. 将θ轴电机安装到电机机架上,以标记为基
准,安装皮带轮。
12. 从下部将θ轴电机安装到原位置处,暂时拧紧
机架螺栓。
13. 安装同步皮带,暂时拧紧电机机架螺栓。
=确认
确认确认
确认=
请确认传感器和传感器挡片不互相干扰。
14. 调整喷嘴平行度。
=参考
参考参考
参考=
请参照“4.4.2调整喷嘴平行度”
=参考
参考参考
参考=
将皮带轮安装到电机时,请确认电机和皮带
轮之间的间隙为0.5 mm
(
)
螺栓
0.5 mm
感器托架
机机架
机皮
带轮
感器
机螺栓
θ
轴电
机机架螺栓
θ
轴电
机皮
带轮
机机架
感器
片螺栓