hdf.pdf - 第62页

HDF 服务手册 4.3 Robot 头:驱动部 4.3-7 D45SCC-W 1-B00-A0 4.3.5 H 轴原点调整 轴原点调整 轴原点调整 轴原点调整 Unit No. H 轴 原点 调 整 4.3.6 H 轴 极 限 调 整 = 准备 准备 准备 准备 = 1. 百分表 2. 磁性表座 3. 块规 (13 mm) 4. (-) 螺丝刀 5. 聚氯乙烯绝缘带 6. 胶带 7. 喷嘴平行调整治具 8. 弹簧压紧用托架 9. 塞规…

100%1 / 146
HDF
服务手册
4.3 Robot 头:驱动部
D45SCC-W1-B00-A0 4.3-6
4.3.4 调整
调整调整
调整θ
θθ
θ轴同步皮带张力
轴同步皮带张力轴同步皮带张力
轴同步皮带张力
Unit No.
θ
带张
=准备
准备准备
准备=
1.音波式皮带张力计
调整
调整调整
调整θ
θθ
θ轴同步皮带张力
轴同步皮带张力轴同步皮带张力
轴同步皮带张力
1. 打开电源,返回原点。
2. 将主操作盘上的“SERVO MOTOR”(伺服
电机)置于 [OFF]
3. 向音波式皮带张力计输入如下数值。
=提示
提示提示
提示=
W :皮带宽度:9 mm
S :皮带跨度:121mm
M :单位重量: 0.25 gf/cm
2
4. 确认θ轴同步皮带张力
=规格值
规格值规格值
规格值=
张力:45.1 ±4.9N
(4.6 ± 0.5kgf)
5. 规格值以外时,拧松电机托架螺栓(3)
6. 拧松锁紧螺母。
7. 用张力调整螺栓调整张力。
8. 拧紧电机托架螺栓。
9. 拧紧锁紧螺母。
=注意
注意注意
注意=
让头托架侧面和电机板侧面平行。
10. 再次确认θ轴同步皮带张力
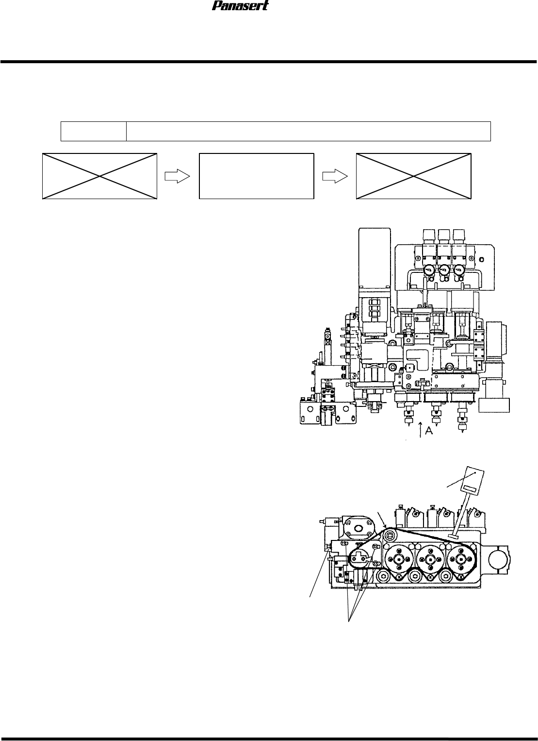
A
看的视图
音波式皮
带张
θ
整螺栓
机板螺栓
HDF
服务手册
4.3 Robot 头:驱动部
4.3-7 D45SCC-W1-B00-A0
4.3.5 H 轴原点调整
轴原点调整轴原点调整
轴原点调整
Unit No.
H
原点
4.3.6 H
=准备
准备准备
准备=
1. 百分表
2. 磁性表座
3. 块规(13mm)
4. (-) 螺丝刀
5. 聚氯乙烯绝缘带
6. 胶带
7. 喷嘴平行调整治具
8. 弹簧压紧用托架
9. 塞规
H 轴原点调整
轴原点调整轴原点调整
轴原点调整
1. 打开电源,返回原点。
2. 插入支撑销。
3. 将基板安装到工作台上。
4. 将副操作盘上的“SUPPORT UP”(支撑台
上升)置于[ON]
=确认
确认确认
确认=
确认支撑台处于上升状态。
5. 将喷嘴平行调整治具安装到要检查的头上。
6. 将块规(13.0 mm)安装到基板上。
7. 把头组件移动块规上。
8. 用塞规确认喷嘴平行调整治具和块规之间
的间隙。
=规格值
规格值规格值
规格值=
间隙: 0 ~ 0.05 mm
9. 规格值以外时,用胶带保护压力计。
10. 切断电缆扎匝,拆卸盖。
11. 切断相机部的电缆扎匝。
12. 卸下六角螺栓(4个),举起前板,用胶带
固定。
=提示
提示提示
提示=
偏心凸轮从动轮被固定在从最低点
开始向回旋转90°的位置上。
0 to 0.05 mm
块规
正面
嘴平行整治具
基板治具
压紧用托架
H
原点感器
感器挡块
0~0.05mm
HDF
服务手册
4.3 Robot 头:驱动部
D45SCC-W1-B00-A0 4.3-8
13. 使用弹簧压紧用托架,释放LVS喷嘴。
=提示
提示提示
提示=
在点胶状态下调整。
14. 调整S喷嘴高度的时候,拧松H轴电机联轴
节,调整块规和喷嘴平行调整治具之间的
间隙。
15. 调整LVS喷嘴高度的时候,拧松螺母,
(-) 螺丝刀旋转偏心凸轮从动轮。
16. 拧紧螺母。
17. 再次确认喷嘴平行调整治具和块规的间隙。
18. 用乙烯绝缘带遮H轴原点传感器的光。
19. NCJOG 确认使其返回原点。
20. H轴原点传感器卸下乙烯绝缘带。
21. 使传感器挡片对准H轴原点传感器。
=确认
确认确认
确认=
确认H 轴原点传感器的LED处于关灯状
态。
偏心凸动轮
螺母
H
原点
感器
H
轴电
感器
机盖
螺母
偏心凸动轮