hdf.pdf - 第67页

HDF 服务手册 4.4 Robot 头:喷嘴 D45SCC-W 1-D00-A0 4.4-2 12. 卸下六角形螺栓( 4 个),抬起前板,用胶带 将其固定。 13. 安装弹簧支压紧托架,释放 L 、 VS 喷嘴。 = 提示 提示 提示 提示 = 在点胶状态下调整。 14. 调整 S 喷嘴高度时,拧松 H 轴电机联轴节, 调整块规和治具之间的间隙。 = 提示 提示 提示 提示 = 偏心凸轮从动轮从最低点开始旋转 90 °,然后将其固定…

100%1 / 146
HDF
服务手册
4.4 Robot 头:喷嘴
4.4-1 D45SCC-W1-D00-A0
4.4 Robot 头:喷嘴
头:喷嘴头:喷嘴
头:喷嘴
Sentence No. D45SCC-W1-D00-A0
4.4.1 喷嘴高度调整
喷嘴高度调整喷嘴高度调整
喷嘴高度调整
Unit No.
1048309000
嘴高度
4.4.2
嘴平行度
=准备
准备准备
准备=
1. 喷嘴平行调整治具
2. 块规(13.0 mm)
3. 塞尺
4. (-) 螺丝刀
5. 弹簧支架用托架
6. 胶带
喷嘴高度调整
喷嘴高度调整喷嘴高度调整
喷嘴高度调整
1. 打开电源,返回原点。
2. 插入支撑销。
3. 将基板安装到工作台上。
4. 将副操作盘上的“SUPPORT UP”(支撑台上升)置于
[ON]
=确认
确认确认
确认=
确认支撑台处于上升状态。
5. 将喷嘴平行调整治具安装到要检查的头上。
6. 将块规(13.0 mm)安装到基板上面
7. 移动块规上的头组件。
8. 用塞尺确认喷嘴平行调整治具和块规之间的间隙。
=规格值
规格值规格值
规格值=
间隙: 0 ~ 0.05 mm
9. 规格值以外时,用胶带保护压力计。
10. 切断通信电缆,拆卸机盖。
11. 切断相机部的通信电缆。
压紧
用托架
机盖
0~ 0.05 mm
块规
正面
嘴平行
整治具
基板治具
HDF
服务手册
4.4 Robot 头:喷嘴
D45SCC-W1-D00-A0 4.4-2
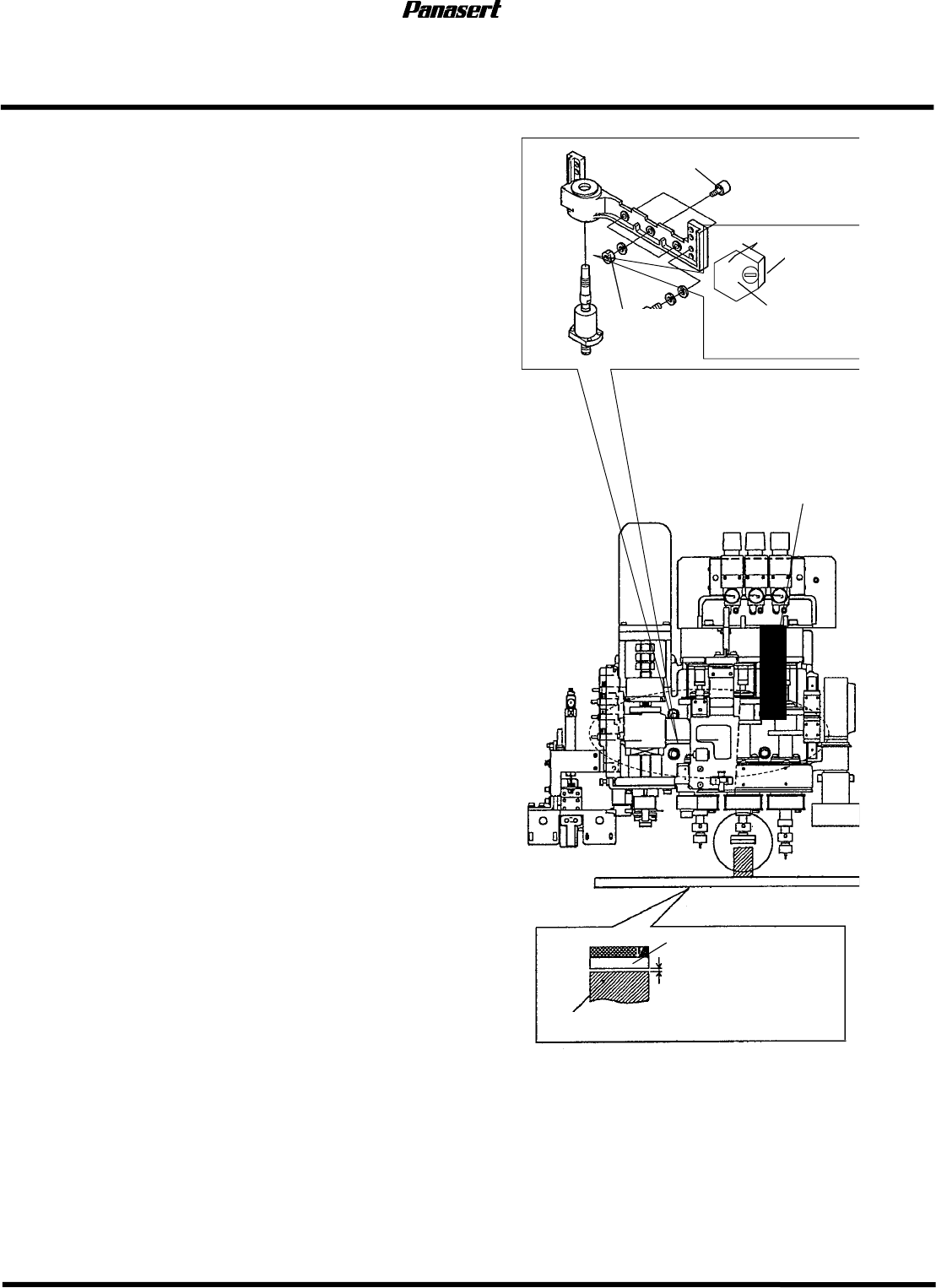
12. 卸下六角形螺栓(4个),抬起前板,用胶带
将其固定。
13. 安装弹簧支压紧托架,释放L VS喷嘴。
=提示
提示提示
提示=
在点胶状态下调整。
14. 调整S喷嘴高度时,拧松H轴电机联轴节,
调整块规和治具之间的间隙。
=提示
提示提示
提示=
偏心凸轮从动轮从最低点开始旋转
90°,然后将其固定。
15. 调整LVS 喷嘴高度时,拧松螺母,用(-)
螺丝刀旋转偏心凸轮从动轮进行调整。
16. 拧紧螺母。
17. 再次确认平行调整治具和块规之间的间隙。
18. 安装前面托架。
偏心凸
动轮
偏心凸动轮
簧支架用托架
0~0.05 mm
块规
正面
嘴平行整治具
基板治具
螺母
螺母
HDF
服务手册
4.4 Robot 头:喷嘴
4.4-3 D45SCC-W1-D00-A0
4.4.2喷嘴平行度调整
喷嘴平行度调整喷嘴平行度调整
喷嘴平行度调整
Unit No.
嘴平行度
=准备
准备准备
准备=
1. 喷嘴平行调整治具
2. 百分表
3. 磁性表架
喷嘴平行度调整
喷嘴平行度调整喷嘴平行度调整
喷嘴平行度调整
1. 打开电源,返回原点。
2. 将喷嘴平行调整治具安装到S喷嘴前端上。
3. Y工作台导轨的宽度设置为最小值。
4. 将磁性表架安装到导轨上面,使百分表与治具侧面
接触。
5. 将百分表设置为0
6. 确认平行度。
=规格值
规格值规格值
规格值=
平行度: 0.1 mm以内
7. 拆卸喷嘴平行调整治具,安装喷嘴,确认平行度。
=规格值
规格值规格值
规格值=
平行度: 0.1 mm以内
8. 按同样的方法把喷嘴平行调整治具安装到VS喷嘴
上,确认平行度。
=规格值
规格值规格值
规格值=
平行度: 0.1 mm以内
9. 拆卸喷嘴平行调整治具,安装VS喷嘴,确认平
行度。
10. 规格值以外时,拧松各个喷嘴的皮带轮螺栓
3个),调整。
11. 拧紧螺栓。
正面
嘴平行
整治具
带轮螺栓
带轮
螺栓
带轮
嘴平行整治具