KE-3010A_KE-3020VA_KE-3020VRA-Rev15 - 第191页
- - REF.NO NOTE PARTNO DESCRIPTION Qty 1 HK-0651200-80 CONNECTOR 1 2 400-73738 RFIDLA NCABLE(4.5M)ASM 2 3 400-73033 SWITCHINGHUB 1 4 401-23242 CPUBO ARD 2 5 401-02825 COPLA CPULANCABLEASM 1 6…

- -
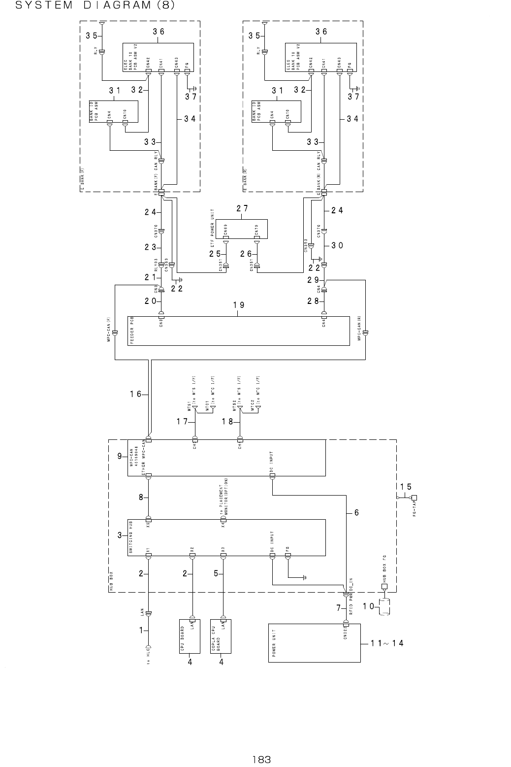
92.SYSTEMDIAGRAM(8)

- -
REF.NO NOTE PARTNO DESCRIPTION Qty
1 HK-0651200-80 CONNECTOR 1
2 400-73738 RFIDLANCABLE(4.5M)ASM 2
3 400-73033 SWITCHINGHUB 1
4 401-23242 CPUBOARD 2
5 401-02825 COPLACPULANCABLEASM 1
6 400-72814 MPCPOWERCABLEASM 1
7 401-13663 RFIDPWRCABLEASM 1
8 401-76606 LANCABLEASM 1
9 401-69048 MPC-CAN 1
10 400-03305 SHIELDINGTUBE 1
11 401-49489 POWERSUPPLYUNIT10ASM 1
12
#01
401-49490 POWERSUPPLYUNIT10(EN)ASM 1
13 401-49556 POWERSUPPLYUNIT20ASM 1
14
#02
401-49559 POWERSUPPLYUNIT20(EN)ASM 1
15 400-73740 RFIDCONTROLBOXFGCABLEASM 1
16 401-67791 MPCCANRLYCABLEASM 1
17 401-13666 RFIDBRANCH3CBLASM 1
18 401-13667 RFIDBRANCH4CBLASM 1
19 400-47560 FEEDERPCBASM 1
20 400-47481 FEEDERIFRELAY(F)CABLEASM 1
21 401-67784 FEEDERIFRELAY-03CABLEASM 1
22 401-13687 ELECBANKFGWIREASM 1
23 401-46392 E-FDRIFFCABLEASM 1
24 401-11734 ELECBANKRELAYWIREASM 1
25 401-09983 ETF(F)PWRCABLEASM 1
26 401-09984 ETF(R)PWRCABLEASM 1
27 401-14533 ETF_POWER_ASM 1
28 400-47482 FEEDERIFRELAY(R)CABLEASM 1
29 401-67785 FEEDERIFRELAY-04CABLEASM 1
30 401-46393 E-FDRIFRCABLEASM 1
31 401-69045 BANKIDPCBASM 1
32 401-67786 EFCPINPUTCABLEASM 1
33 401-67787 CANRLYBANKCABLEASM 1
34 401-92745 ELECBANKIFCABLEASMIFSV2 1
35 400-84841 EFARRANGECBL1BLACKETASM 1
36 401-87551 ELECBANK10PCBASMV2 1
37 400-84840 ELECBANKTOROLYFGWIREASM 1

- -
93.SYSTEMDIAGRAM(9)