KE-3010A_KE-3020VA_KE-3020VRA-Rev15 - 第176页
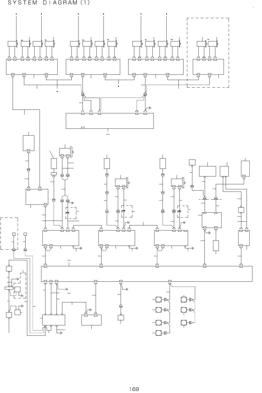
- - 85. SYSTEMDIAG RAM(1) 3 4 4 0 3 8 7 7 7 8 7 8 7 8 8 3 7 9 7 9 7 9 7 9 7 9 7 9 7 8 8 3 7 7 8 2 7 6 7 6 7 6 7 6 7 7 8 2 3 8 8 0 1 8 2 1 3 8 3 9 3 6 3 5 3 7 4 0 3 9 4 9 5 3 5 1 5 2 5 0 3 7 5 4 5 7 3 7 5 9 5 8 5 6 3 9…

- -
REF.NO NOTE PARTNO DESCRIPTION Qty
1 401-72826 TROLLEY_ASM 1
2
#01
401-79202 TROLLEY_ASM_EN 1
3
#02
401-79205 TROLLEY_ASM_950 1
4 401-72827 TROLLEY_UPPER_ASM (1)
5 400-94881 TROLLEY_SHAFT_L70 (1)
6 401-77434 TROLLEY_UPPER (1)
7 400-01730 SCALEMARKSSEAL (2)
8 400-89239 E_TROLLEY_PLATE (4)
9 401-75735 TROLLEY_STOPPER_BLOCK_R (1)
10 401-75734 TROLLEY_STOPPER_BLOCK_L (1)
11 SL-6082092-TN SCREWM8L=20 (6)
12 WP-0621036-SP WASHER (4)
13 SM-3061052-TN SCREWM6L=10 (4)
14 E2703-721-000 TROLLEYSHAFT (1)
15 SB-8160005-C0 BEARING (4)
16 SM-6040602-TN SCREW (16)
17 400-01748 TROLLEYSUBGUIDE (2)
18 SL-6062592-TN SCREWM6L=25 (2)
19 401-22302 ASM_TROLLEY_BOTTOM (1)
20 401-10302 TROLLEY_BOTTOM (1)
21 NM-6060001-SC NUTM6X1TYPE1 (4)
22 400-94859 CASTER_107N (4)
23 SL-6082092-TN SCREWM8L=20 (16)
24 SL-6061492-TN SCREWM6L=14 (4)
25 E2711-721-000 TROLLEYSTOPPER (2)
26 SL-6041292-TN SCREWM4L=12 (1)
27 400-23476 FGGUMSHEET (1)
28 WP-0430801-SC WASHERM4 (1)
29 SL-6083092-TN SCREWM8L=30 (6)
30 400-94928 TROLLEY_HANDLE_ASM (2)
31 SL-6030642-TN SCREWM3L=6 (1)
32 SL-6040642-TN SCREWM4L=6 (1)
33 E2641-729-000 HANDLECLIP (1)
34 400-94854 HANDLE_SHAFT_ET
(1)
35 400-21920 TROLLEYHANDLE (1)
36 PS-0400122-KP SPRINGPINTYPEW4X12 (2)
37 PS-0600182-KP SPRINGPINTYPEW6X18 (1)
38 E2635-729-000 HANDLESLIDER (1)
39 CM-3002000-03 FINGERINJURYCAUTIONLABEL(31.5) (1)
40 SM-6125052-TR SCREWM12L=150 (2)
41 WP-1052001-SC WASHER10 (4)
42 SL-6102042-TN SCREWM10L=20 (4)
43 401-72828 TROLLEY_BANK_PL_ASM (1)
44 401-75709 REGURATION_BR (2)
45 SL-6061092-TN SCREWM6L=10 (4)
46 401-81438 REGURATION_BAR (1)
47 SL-4040891-SC SCREWM4X8 (4)
48 401-19292 ETF_POSITION_LABEL(40)_2 (1)
49 E5721-729-000 LABEL (1)
50 401-75713 BANK_PLATE_L (1)
51 401-75714 BANK_PLATE_R (1)
52 401-28047 LINEAR_SHAFT (2)
53 400-98942 SUPPORT_SHAFT (2)
54 SM-8060552-TP SCREWM6L=5 (4)
55 401-72829 TROLLEY_SAFTY_COVER 1
56 401-75727 TROLLEY_SAFETY_COVER_R (1)
57 401-75726 TROLLEY_SAFETY_COVER_L (1)
58 SL-6061092-TN SCREWM6L=10 (2)
59 400-94723 TOROLLEY_COV_BR (2)
60 SL-6061092-TN SCREWM6L=10 (4)
61 SL-4040891-SC SCREWM4X8 (4)
62 CM-3002000-03 FINGERINJURYCAUTIONLABEL(31.5) (2)
63 401-75728 TROLLEY_SAFETY_COVER_R_A (1)
64 SL-6040892-TN SCREWM4L=8 (2)
65 401-72830 TROLLEY_TAPE_GUIDE_ASM_REV_B 1
66 401-63525 TAPE_GUIDE_A (1)
67 SM-6061202-TN SCREW (2)
68 WP-0641601-SC WASHERM6 (4)
69 401-11174 TGI_POST (2)
70 401-26049 TAPE_GUIDE_B_ASM_TROLLEY (1)
71 401-61919 TAPE_GUIDE_B (1)
72 401-26047 SHUTER_ASM (1)
73 401-38829 SHUTTER_PLATE (1)
74 401-38835 MAGNET_RUBBER_SHEET (2)
75 401-38837 UPDC_HANDLE_BR (1)
76 SM-3030552-TN SCREWM3L=5 (4)
77 SL-6030692-TN SCREWM3L=6 (2)
78 401-38507 WSHER_TM-147-1 (2)
79 401-26048 SLIDE_GUIDE_ASM_TROLLEY (1)
80 401-38830 SLIDE_GUIDE (1)
81 401-38838 SHUTTER_FILM (1)
82 E2732-721-000 BANKGUIDEROLLER (2)
83 WP-0641601-SC WASHERM6 (2)
84 WS-0610002-KN SPRINGWASHERM6 (2)
85 NM-6060001-SC NUTM6X1TYPE1 (2)
86 401-50864 GUIDE_SPACER_55 (2)
87 400-98072 SLIDE_WASHER (4)
88 WP-0451016-SP WASHER4.5X20X1 (2)
89 400-56921 SPRINGSTUD (2)
90 WP-0430801-SC WASHERM4 (2)
91 WS-0410002-KN SPRINGWASHERM4 (2)
92 NM-6040001-SC NUTM4X0.7TYPE1 (2)
93 401-11184 SLIDE_GUIDE_SP
(2)
94 401-75732 BASE_GUIDE_BR_A (1)
95 401-75731 BASE_GUIDE_BR_B (1)
96 SL-6061292-TN SCREWM6L=12 (4)
97 401-50866 BRG_SUPPORT (2)
98 E2732-721-000 BANKGUIDEROLLER (2)
99 WP-0641601-SC WASHERM6 (2)
100 WS-0610002-KN SPRINGWASHERM6 (2)
101 NM-6060001-SC NUTM6X1TYPE1 (2)
102 401-50865 GUIDE_SPACER_135 (2)
103 SL-6061292-TN SCREWM6L=12 (6)
104 401-75729 BASE_GUIDE_BR_L (1)
105 401-75730 BASE_GUIDE_BR_R (1)
106 SL-6061492-TN SCREWM6L=14 (4)
107 400-94856 TH_LOCK_BR 2
108 SL-4030691-SC SCREWM3L=6 4
109 401-19277 ST_COVER 2
110 SL-6040892-TN SCREWM4L=8 3
111 400-94860 TH_CASTER 4
112 SL-4040891-SC SCREWM4X8 16
113 400-94861 SLIDE_BOLT 2
114 SL-4030691-SC SCREWM3L=6 8
115 HX-0029400-00 FIXEDBASE 3
116 SM-4040601-SC SCREWM4X0.7L=6 3
117 EA-9500B02-00 CABLEBAND150 3
118 NM-6040001-SC NUTM4X0.7TYPE1 1
119 WP-0430801-SC WASHERM4 1
120 WS-0410002-KN SPRINGWASHERM4 1

- -
85.SYSTEMDIAGRAM(1)
3 4
4 0
3 8
7 7
7 87 8
7 8 8 3
7 9 7 9 7 97 97 97 9
7 8 8 3
7 7 8 2
7 6
7 6
7 6
7 6
7 7 8 23 8
8 0
1 8 2 1
3 8
3 9
3 6
3 5
3 7
4 0
3 9
4 9
5 3
5 1
5 2
5 0
3 7
5 4
5 7
3 7
5 9
5 8
5 6
3 9
5 3
4 0
6 5
6 6
6 7
6 8 7 4
7 5
6 0
6 4
6 3
7 2
7 1
7 3
6 9
7 0
6 2
6 1
5 54 6
2 9
3 0
3 0
3 0
3 0
3 0
3 0
3 0
2 8
2 6
2 7
2 5
4 1
4 2
4 3
4 4
3 2
3 3
8 1
3 1
4 7
4 54 5
4 7
2 4
2 3
2 2
1 8 2 1
1 7
1 3 1 5
1 6
1 2
1 1
1 0
9
8
7
6
8 4
4
3
2
1
F A NF A NF A NF A N
F A NF A NF A N
I N P U T
N F B
S U R G E
P R O T E C T O R
T F 1
L F 1
B L O C K C A P A C I T O R
5
E N O N L Y
M A I N S W 1 / 2
1 - 3 D
C N 0 6
C N 0 6
C N 0 7
C N 0 7
M T S P W R ( L )
M T C P W R ( R )
2 0 0 V
2 0 0 V
3 4 V
1 0 0 V
E T F P O W E R U N I T
1 / 2
C N 0 4
G N D
3 - 3 B
P O W E R U N I T
1 / 5
C N 0 1
C N 0 3
C N 1 1
C N 0 4
G N D
C N 1 2
C N 2 0 0 3
V A C U U M P U M P
C O P L A - P S
1 - 4 B
P W R 2 9
[ C T R L U N I T ]
[ B A S E R S I D E ]
[ P O W E R U N I T ]
[ B A S E L S I D E ]
C N 0 6 3
C N 1 3
X S E R V O A M P
M R - J 4 - 7 0 B - K M 0 1 2
1 / 2
C N P 1
2 C H N E T
C N 1 A
C N P 2
C N 2
C N 1 B
C N P 3
4 - 1 D
E
Y L S E R V O A M P
M R - J 4 - 2 0 0 B - K M 0 1 2
1 / 2
C N P 2
C N P 1
C N 1 A
C N 2
C N P 3
C N 1 B
4 - 5 A
E
Y R S E R V O A M P
M R - J 4 - 2 0 0 B - K M 0 1 2
1 / 2
C N P 1
C N 1 A
C N P 2
C N 2
C N P 3
C N 1 B
E
P O S I T I O N B O A R D
1 C H D I
2 C H N E T
1 C H N E T
C N 1 6 5
C N 1 5 1
E N C X
3 T u r n
E N O N L Y
E N C Y L
M O T O R Y L C N 2
S C A L E Y L C N 2 L
S E N S Y L
Y M O T O R
Y L 1 5 0 0 W
S E N S Y L
E N O N L Y
3 T u r n
E N C Y R
S E N S Y R
S C A L E Y R C N 2 L
M O T O R Y R C N 2
Y M O T O R
Y R 1 5 0 0 W
Y R M T R
3 T u r n
E N O N L Y
P S - O N
A T X 1 3
C N 3
B A T T E R Y
C N 3
C P
I N L E T
M A I N
A T X - P O W E R
1 / 2
B A T T
1 2 V
4 - 5 C
C N 2
C N 1
C O P L A - P O W E R
S C A L E H E A D Y
M A I N S W 2 / 2
C P C I
B A C K
B O A R D
X Y 1 1
C P C I B A C K
B O A R D ( C O P L A )
4 - 5 A
C O P L A M O N I T O R
S W I T C H B O A R D
1 / 2
4 - 5 A
C N 4
1 - 2 A
2 - 5 B
C N 1 1
S - X Y R E L A Y P C B
1 / 3
S E N S X
X E N C
X M T R
S C A L E H E A D X
S E R V O M O T O R
7 5 0 W
S C A L E H E A D Y
P O W E R U N I T 2 / 5
1 - 2 D
C N 2 1
C N 1 3
C N 3 7
C N 1 4
C N 1 5
C N 3 8
2 - 3 B
Z T P W R 2
2 - 2 B
C N P 2 C
C N 2 C
C N P 2 D
C N 2 D
C N 1 A
C N P 1
4 A X I S S E R V O A M P ( 4 )
1 / 2
2 - 2 B
C N 1 B
C N 1 A
C N P 1
C N P 2 A
C N 2 B
C N P 2 B
C N 2 A
C N P 2 C
C N 2 D
C N P 2 D
C N 2 C
2 - 2 A
C N 1 B
C N 1 A
C N P 1
C N P 2 A
C N 2 B
C N P 2 B
C N 2 A
C N P 2 C
Z T P W R 1
Z 2 M O T O R
H C - B P 0 3 3 6 L W 4 - S 1 0
2 M O T O R
H C - B P 0 1 3 6 D - S 8
4 A X I S S E R V O A M P ( 3 )
1 / 2
4 A X I S S E R V O A M P ( 2 )
1 / 2
4 A X I S S E R V O A M P ( 1 )
1 / 2
Z 1 M O T O R
H C - B P 0 3 3 6 L W 4 - S 1 0
1 M O T O R
H C - B P 0 1 3 6 D - S 8
O N L Y 3 0 2 0 V 3 0 2 0 V R
7 M O T O R
H C - B P 0 3 3 6 L W 4 - S 1 0
Z 7 M O T O R
H C - B P 0 3 3 6 L W
4 - S 1 0
6 M O T O R
H C - B P 0 1 3 6 D - S 8
Z 6 M O T O R
H C - B P 0 3 3 6 L W 4 - S 1 0
5 M O T O R
H C - B P 0 1 3 6 D - S 8
Z 5 M O T O R
H C - B P 0 3 3 6 L W 4 - S 1 0
Z 3 M O T O R
H C - B P 0 3 3 6 L W 4 - S 1 0
Z 4 M O T O R
H C - B P 0 3 3 6 L W 4 - S 1 0
3 M O T O R
H C - B P 0 1 3 6 D - S 8
4 M O T O R
H C - B P 0 1 3 6 D - S 8
C N 2 D
C N P 2 D
C N 2 C
C N P 2 C
C N P 2 B
C N 2 B
C N 2 A
C N P 2 A
2 - 2 B
C N 1 A
C N P 1
C N 1 B
7 8 8 3 7 8 8 3 7 8 8 3 7 8 8 3
O N L Y 3 0 1 0 A / 2 0 V A / 2 0 V R A

- -
REF.NO NOTE PARTNO DESCRIPTION Qty
1 401-46386 NFB-LFCABLEASM 1
2 401-33966 MAINSWINPUTCABLEASM 1
3 401-48269 ACINPUTUNITFGCABLEASM 1
4 401-29262 ACINPUTSURGEPROTECTORASM 1
5 400-92401 ACINPUTNO.26CABLEASM 1
6 401-46437 MTC/MTSPWRCONNECTORASM 1
7 401-46387 MAINSW-TFCABLEASM 1
8 401-46436 MTC/MTSPWRCABLEASM 1
9 401-35052 TRANSFORMER 1
10 401-33971 TFINPUTCABLE(DELTA)ASM 1
11 401-09925 TFFGCABLEASM 1
12 401-09926 TF200VOUTPUTCABLEASM 1
13 401-09927 TF34VOUTPUTCABLEASM 1
14
#01
401-13637 SAFETYU34VINCABLEASM(EN) 1
15
#01
401-13638 SAFETYU34VOUTCABLEASM(EN) 1
16 401-09928 TF100VAOUTPUTCABLEASM 1
17 401-09929 TF200VBOUTPUTCABLEASM 1
18
#06
401-49489 POWERSUPPLYUNIT10ASM 1
19
#03
401-49490 POWERSUPPLYUNIT10(EN)ASM 1
20
#04
401-49556 POWERSUPPLYUNIT20ASM 1
21
#05
401-49559 POWERSUPPLYUNIT20(EN)ASM 1
22 401-09930 XPWRCABLEASM 1
23 401-29652 XAXISDRIVER 1
24 401-09933 XDRVFGCABLEASM 1
25 401-14533 ETF_POWER_ASM 1
26 401-13635 GNDCOMMONCABLEASM 1
27 401-29244 VACUUMPUMPASM 1
28 401-46409 VACUUMPUMPRELAYCABLEASM 1
29 401-48286 FANCABLEASM 1
30 401-33768 DCFAN 1
31 400-44540 16AXIS2CHSERVOCONTROLLER 1
32 401-09948 POSBOARD11CHCABLEASM 1
33 400-97614 XY-RELAYPOSRELAYCABLEASM 1
34 400-48070 OPTICALFIBERCABLE7M 1
35 401-46367 XENCCABLEASM 1
36 401-09943 XMOTORCABLEASM 1
37
#01
HN-0015500-00 CORE 1
38 401-46388 XYBEARCABLESASM 1
39 401-46380 YBEARCABLESASM 1
40 401-29630 XYLINEARSCALEHEAD 1
41 400-44545 XMOTORENCODERCABLE 1
42 400-44546 XMTRPOWERCABLE 1
43 401-29653 XAXISMOTOR 1
44 401-06795 S-XYRELAYPCBASM 1
45 401-29654 YAXISDRIVER 1
46 401-09931 YLPOWRCABLEASM 1
47 400-92416 DRVFGCABLEASM 1
48 401-29627 OPTICALFIBERCABLE1M 1
49 401-46383 YLLINEARSENSCABLEASM 1
50 401-46368 YLENCCABLEASM 1
51 401-46381 YLENCODERCABLEASM 1
52 401-46439 YLMOTORCABLEASM 1
53 401-46348 YAXISSERVOMOTOR 1
54 401-29628 OPTICALFIBERCABLE0.15M 1
55 401-09932 YRPWRCABLEASM 1
56 401-46384 YRLINEARSENSERCABLEASM 1
57 401-46369 YRENCCABLESAM 1
58 401-46382 YRENCODERCABLEASM 1
59 401-46440 YRMOTORCABLEASM 1
60 401-46346 ATXPSU 1
61 401-46431 ATXPOWERCABLEASM 1
62 401-46347 BATTERY 1
63 401-63313 ATXMAINCABLEASM 1
64 401-46426 ATX12VCABLEASM 1
65 401-31764 ATXCTRLCABLEASM 1
66 401-63314 CPCIPOWERCABLEASM 1
67 401-05681 MONITORSWITCHPCBPWRCABLEASM 1
68 401-29625 CPCIBACKBOARD6SLOT 1
69 HX-0057700-00 POWERSUPPLY 1
70 400-97430 COPLAINPUTRELAYCABLEASM 1
71 400-97428 COPLACPUPOWERCABLEASM 1
72 400-97433 COPLACPUGNDCABLEASM 1
73 400-97432 COPLACPUCPCABLEASM 1
74 400-97423 CPCIBACKBOARD 1
75 401-32154 COPLAMONITORSWITCHINGBOARD 1
76 401-29650 4AXISINTEGRALTYPETAXISDRIVER 1
77
#04
401-29628 OPTICALFIBERCABLE0.15M 1
78
#04
401-49143 SERVOMOTOR30W 1
79 401-46452 SERVOMOTOR10W 1
80 401-46396 LZTPWRRELAYCABLEASM 1
81 401-18621 OPTICALFIBERCABLE2M 1
82
#02
401-29628 OPTICALFIBERCABLE0.15M 1
83
#02
401-49143 SERVOMOTOR30W 1
84
#07
401-46437 MTC/MTSPWRCONNECTORASM 1