KE-3010A_KE-3020VA_KE-3020VRA-Rev15 - 第178页
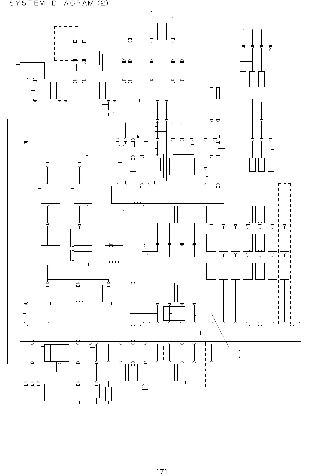
- - 86. SYSTEMDIAG RAM(2) F A N C N 8 C N 1 2 2 3 X + L I M X N E A R X - L I M X N E A R S E N S O R X + L I M I T S E N S O R X - L I M I T S E N S O R H E A D I O 2 2 6 2 6 2 5 2 2 1 8 1 6 1 4 1 2 1 0 4 5 3 6 7 8 6…

- -
REF.NO NOTE PARTNO DESCRIPTION Qty
1 401-46386 NFB-LFCABLEASM 1
2 401-33966 MAINSWINPUTCABLEASM 1
3 401-48269 ACINPUTUNITFGCABLEASM 1
4 401-29262 ACINPUTSURGEPROTECTORASM 1
5 400-92401 ACINPUTNO.26CABLEASM 1
6 401-46437 MTC/MTSPWRCONNECTORASM 1
7 401-46387 MAINSW-TFCABLEASM 1
8 401-46436 MTC/MTSPWRCABLEASM 1
9 401-35052 TRANSFORMER 1
10 401-33971 TFINPUTCABLE(DELTA)ASM 1
11 401-09925 TFFGCABLEASM 1
12 401-09926 TF200VOUTPUTCABLEASM 1
13 401-09927 TF34VOUTPUTCABLEASM 1
14
#01
401-13637 SAFETYU34VINCABLEASM(EN) 1
15
#01
401-13638 SAFETYU34VOUTCABLEASM(EN) 1
16 401-09928 TF100VAOUTPUTCABLEASM 1
17 401-09929 TF200VBOUTPUTCABLEASM 1
18
#06
401-49489 POWERSUPPLYUNIT10ASM 1
19
#03
401-49490 POWERSUPPLYUNIT10(EN)ASM 1
20
#04
401-49556 POWERSUPPLYUNIT20ASM 1
21
#05
401-49559 POWERSUPPLYUNIT20(EN)ASM 1
22 401-09930 XPWRCABLEASM 1
23 401-29652 XAXISDRIVER 1
24 401-09933 XDRVFGCABLEASM 1
25 401-14533 ETF_POWER_ASM 1
26 401-13635 GNDCOMMONCABLEASM 1
27 401-29244 VACUUMPUMPASM 1
28 401-46409 VACUUMPUMPRELAYCABLEASM 1
29 401-48286 FANCABLEASM 1
30 401-33768 DCFAN 1
31 400-44540 16AXIS2CHSERVOCONTROLLER 1
32 401-09948 POSBOARD11CHCABLEASM 1
33 400-97614 XY-RELAYPOSRELAYCABLEASM 1
34 400-48070 OPTICALFIBERCABLE7M 1
35 401-46367 XENCCABLEASM 1
36 401-09943 XMOTORCABLEASM 1
37
#01
HN-0015500-00 CORE 1
38 401-46388 XYBEARCABLESASM 1
39 401-46380 YBEARCABLESASM 1
40 401-29630 XYLINEARSCALEHEAD 1
41 400-44545 XMOTORENCODERCABLE 1
42 400-44546 XMTRPOWERCABLE 1
43 401-29653 XAXISMOTOR 1
44 401-06795 S-XYRELAYPCBASM 1
45 401-29654 YAXISDRIVER 1
46 401-09931 YLPOWRCABLEASM 1
47 400-92416 DRVFGCABLEASM 1
48 401-29627 OPTICALFIBERCABLE1M 1
49 401-46383 YLLINEARSENSCABLEASM 1
50 401-46368 YLENCCABLEASM 1
51 401-46381 YLENCODERCABLEASM 1
52 401-46439 YLMOTORCABLEASM 1
53 401-46348 YAXISSERVOMOTOR 1
54 401-29628 OPTICALFIBERCABLE0.15M 1
55 401-09932 YRPWRCABLEASM 1
56 401-46384 YRLINEARSENSERCABLEASM 1
57 401-46369 YRENCCABLESAM 1
58 401-46382 YRENCODERCABLEASM 1
59 401-46440 YRMOTORCABLEASM 1
60 401-46346 ATXPSU 1
61 401-46431 ATXPOWERCABLEASM 1
62 401-46347 BATTERY 1
63 401-63313 ATXMAINCABLEASM 1
64 401-46426 ATX12VCABLEASM 1
65 401-31764 ATXCTRLCABLEASM 1
66 401-63314 CPCIPOWERCABLEASM 1
67 401-05681 MONITORSWITCHPCBPWRCABLEASM 1
68 401-29625 CPCIBACKBOARD6SLOT 1
69 HX-0057700-00 POWERSUPPLY 1
70 400-97430 COPLAINPUTRELAYCABLEASM 1
71 400-97428 COPLACPUPOWERCABLEASM 1
72 400-97433 COPLACPUGNDCABLEASM 1
73 400-97432 COPLACPUCPCABLEASM 1
74 400-97423 CPCIBACKBOARD 1
75 401-32154 COPLAMONITORSWITCHINGBOARD 1
76 401-29650 4AXISINTEGRALTYPETAXISDRIVER 1
77
#04
401-29628 OPTICALFIBERCABLE0.15M 1
78
#04
401-49143 SERVOMOTOR30W 1
79 401-46452 SERVOMOTOR10W 1
80 401-46396 LZTPWRRELAYCABLEASM 1
81 401-18621 OPTICALFIBERCABLE2M 1
82
#02
401-29628 OPTICALFIBERCABLE0.15M 1
83
#02
401-49143 SERVOMOTOR30W 1
84
#07
401-46437 MTC/MTSPWRCONNECTORASM 1

- -
86.SYSTEMDIAGRAM(2)
F A N
C N 8
C N 1 2 2 3X + L I M
X N E A R
X - L I M
X N E A R
S E N S O R
X + L I M I T
S E N S O R
X - L I M I T
S E N S O R
H E A D I O
2
2 62 62 52 21 8
1 61 41 21 0
4
5
3
6
7
8
6
9
1 1 1 3 1 5 1 7 1 9 2 1
2 0
2 82 7
1
6
2 9
3 0 3 0 3 0
3 1
3 2
3 9 4 0
3 7
4 5
3 8
3 3
3 6
3 5
3 4
4 2
4 1
4 3
4 6
6
4 7
5 0 5 1 5 2 5 3
4 8 4 9
5 65 4
5 5 5 7 5 8 5 8
5 9
6 0 6 1
4 4
6 2 6 5
8 4 8 5
8 3
8 2
8 1
8 0
7 2
7 1
7 0
6 8
6 7
6 6
6 9
7 8 7 8 7 9
7 7
7 6
7 5
1 1 0
1 1 0
1 1 0
1 1 1
1 1 2
1 1 3
1 1 3
1 1 4
9 9
1 0 2 1 0 3
1 0 8 1 0 9
1 0 4
1 0 5
1 0 7
1 0 6
1 0 1
1 0 0
8
9 3
9 4
9 5
9 6
9 7
9 8
1 1 5
9 1
9 2
8
8 9
9 0
8
8 6
8 7
8 8
7 47 3
2 3 2 4
E T H E R M A I N P C B
O C C C A M E R A
S L I G H T
C T R L P C B
S - H E A D M A I N
P C B A S M
I P - X 7 P C B
T E M P E R A T U R E
S E N S O R P W B A S M
O C C C L I G H T P C B A S M
O C C A L I G H T P C B A S M
O C C A L I G H T P C B A S M
I E E E 1 3 9 4 a
R E P E A T E R
O N L Y 3 0 2 0 V 3 0 2 0 V R
4 A X I S S E R V O
A M P ( 1 ) 2 / 2
4 A X I S S E R V O
A M P ( 2 ) 2 / 2
4 A X I S S E R V O
A M P ( 3 ) 2 / 2
O N L Y 3 0 2 0 V 3 0 2 0 V R
4 A X I S S E R V O
A M P ( 4 ) 2 / 2
O C C
C A M E R A
O C C C
L I G H T P C B A S M
O C C A
L I G H T P C B A S M
O C C A
L I G H T P C B A S M
O N L Y 3 0 2 0 V 3 0 2 0 V R
I E E E 1 3 9 4
B O A R D
S C M 3 P C B
O N L Y 3 0 2 0 V R
P O W E R U N I T 3 / 5
F E E D E R P C B
1 / 2
8 - P O R T C O M
B O A R D 1 / 3
X Y 0 5
B A S E I / O P C B
1 / 2
X Y - R E L A Y P C B
2 / 3
8 - P O R T C O M
B O A R D 2 / 3
O P E R A T I O N
P C B ( F ) 1 / 2
O P E R A T I O N
P C B ( R ) 1 / 2
L I G H T - A 1 C N 1 0
L I G H T - A 2
E N 3
E N 1
E N 2
C N 8 1 3
E N 2
E N 1
E T H E R
S L A V E
P C B
4 - 2 C
A C 3
4 - 1 D
C N 4 7 8
E N 1
C N 2
C N 3 2
C N 3 3
H M S
H M S
H E A D R
B / M
F I B E R
B / M A M P
C N 1 4
C D S
F I B E R
C D S A M P
C N 2 0
C N 2 3
O C C L
L I G H T - C
C N 1 2
C N 1
C N 9
N Z D W N 1
C N 2 6
Z 1
P R E S S U R E
S E N S O R
C N 1 1
C N 2 7
T 7 S L O W
D O W N
S E N S O R
C N 2 5
C N 4 1
C N 4 0
C N 3 9
C N 3 8
C N 3 7
C N 3 6
C N 3 5
C N 8
C N 7
C N 6
C N 3 1
C N 2 8
C N 1 6
C N 1 3
C N 1 9
C N 1 5
C N 2 4 5
1 - 5 A
C N 4 B C N 5
C N 4 D
C N 4 B
C N 4 D
1 - 5 B
C N 5
C N 4 B
C N 4 D
1 - 5 C
C N 5
C N 2 0 1
L N C 6 0
C N 1
F M L A
C N 4 C C N 5
1 - 5 D
C N 4 D
O C C R
L I G H T - C
L I G H T - A 1
L I G H T - A 2
Z 2
P R E S S U R E
S E N S O R
Z 3
P R E S S U R E
S E N S O R
Z 4
P R E S S U R E
S E N S O R
Z 5
P R E S S U R E
S E N S O R
Z 6
P R E S S U R E
S E N S O R
Z 7
P R E S S U R E
S E N S O R
Z 1 V A C S V
Z 2 V A C S V
Z 3 V A C S V
Z 4 V A C S V
Z 5 V A C S V
Z 6 V A C S V
Z 7 V A C S V
N Z D W N 2
N Z D W N 3
Z 1 B L W S V
Z 2 B L W S V
Z 3 B L W S V
Z 4 B L W S V
Z 5 B L W S V
Z 6 B L W S V
Z 7 B L W S V
C N 0 6 4
C N 3 2
C N 2 0
O N L Y
3 0 2 0 V 3 0 2 0 V R
N O Z Z L E
D O W N
S E N S O R L
N O Z Z L E
D O W N
S E N S O R I C
N O Z Z L E
U P S V A S M
N O Z Z L E
D O W N
S E N S O R R
3 - 3 B
C N 6 2
C N 6 1
C N 1 9
C N 2 6
C N 1 7
C N 0 6 4
I O N I / O
P U M P - I O
C N 6 8
1 - 3 B
1 - 5 B
S I 0 1
C H 1
C O M
J 4
J 8
C H 1C H 2
C N 8 4 8
L N C 6 0
I O N I Z E R
I O N P W R
S A F T Y
U N I T ( E N )
E N 2
E N 1
1 - 3 A
S A F E I O
L E D F
L E D R
R T F U L X
F U L X R L Y
C O P L A L A
P I L O T
L A M P
P I L O T
L A M P
C O P L A
L A S E R K E Y
F U L X P W R
F U L X R L Y 1
F U L X R L Y 2
M O T O R
S W I T C H
C N 9 0 1
X Y 1 0
X Y 0 3
C N 1 6
C N 1 0
M O T O R
S W I T C H
C N 4
4 - 5 A
C N 9
C N 7
C N 3 3
C N 5
X Y E N 2
X Y E N 2
4 - 2 A
E T H E R
S L A V E
P C B
4 - 2 A
C N 2
C N 1
E N 2
E T H E R
S L A V E
P C B
E N 1
E S F
E T H E R
S L A V E
P C B
E N 2
E N 1
3 - 2 A
I / F R
I / F L
M T S I / F
M T C I / F
X Y 0 8
X Y 0 1
X Y 0 2
X Y 0 4
C N 1 2 4 7
C N 1 2 3 9
1 - 4 B
S I 0 2
4 - 4 C
3 - 4 A
3 - 4 B
C N 1 4
C N 1 4
C N 1 2 4 1
C N 1 2 7
Y - L I M I T
S E N S O R
Y + + L I N I T
S E N S O R
Y N E A R
S E N S O R
Y - L I M I T
S E N S O R
Y + + L I N I T
S E N S O R
Y N E A R
S E N S O R
O N L Y 3 0 1 0 A / 2 0 V A / 2 0 V R A

- -
REF.NO NOTE PARTNO DESCRIPTION Qty
1 401-30259 S-HEADMAINPCBASM 1
2 401-49647 ETHER-MAINPCBASM 1
3 401-47903 ETHERCABLEMAIN-XYASM 1
4 401-47904 ETHERHEADCABLEASM 1
5 401-47907 ETHERLIGHTCABLEASM 1
6 401-46388 XYBEARCABLESASM 1
7 401-08607 S-LIGHT_CTRLPCBASM 1
8 400-47557 ETHER-SLAVEPCBASM 1
9 401-46374 OCCCABLEASM 1
10 400-71300 IPX7ASM 1
11 401-46355 HIGHTSENSORRELAYCABLEASM 1
12 401-46354 HMSCABLEASM 1
13 400-47981 BADMARKFIBERAMPASM 1
14 HD-0013100-30 FIBERUNIT 1
15 400-45484 NOZZLESENSORAMPASM 1
16 HD-0026000-10 SENSOR 1
17 401-46370 HDM-TMPSENSORCABLEASM 1
18 401-28883 THERMALSENSORPCBASM 1
19 401-46385 HEADFANRELAYCABLEASM 1
20 401-19461 HEADFANMOTORAASSY 1
21 400-92466 OCCCAMERALCABLEASM 1
22 400-48028 OCCCAMERA 1
23 401-09977 OCCLIGHTCABLEASM 1
24 401-09978 OCCLIGHT3010CABLEASM 1
25 400-47512 OCCCLIGHTPCBASM 1
26 400-47508 OCCALIGHTPCBASM 1
27 401-09979 OCCOPASSLIGHTCABLEASM 1
28
#03
401-13698 T7SLOWDOWNSENSORASM 1
29 401-09976 HEADI/OCABLEASM 1
30 401-29650 4AXISINTEGRALTYPETAXISDRIVER 1
31 401-46398 LNC60I/FCABLEASM 1
32 400-45547 LNC60 1
33 400-44517 1394ROBOTCABLEASM 1
34 400-48078 IEEE1394REPEATERBOARD 1
35 401-13617 1394RELAYCABLEASM 1
36 401-50021 IEEE1394BOARD 1
37 400-03264 FMLASENSOR 1
38 E9345-721-0A0 CABLEASM. 1
39 401-09971 LASENSORRELAYCABLEASM 1
40 401-09972 SCM3PCBPWRCABLEASM 1
41 400-92460 SCM3PCB 1
42 401-46373 FMLASERIALCABLEASM 1
43 401-35433 8-PORTCOMBOARD 1
44 401-46395 XYBEAR1PCABLEASM 1
45 401-29650 4AXISINTEGRALTYPETAXISDRIVER 1
46 401-09974 HEADMAINPWRCABLEASM 1
47 401-46401 NOZZLEUPSVRELAYCABLEASM 1
48
#02
401-46413 NOZZLEDOWNCABLEASM 1
49
#03
401-13703 NOZZLEDOWNCABLEASM 1
50 401-29113 NZL-UPSVCABLEASM 1
51 401-13702 NOZZLEDOWNSENSICASM 1
52 400-92495 NOZZLEDOWNSENSLASM 1
53 401-13701 NOZZLEDOWNSENSRASM 1
54 400-92467 OCCCAMERARCABLEASM 1
55 400-48028 OCCCAMERA 1
56 401-09977 OCCLIGHTCABLEASM 1
57 400-47512 OCCCLIGHTPCBASM 1
58 400-47508 OCCALIGHTPCBASM 1
59 401-09979 OCCOPASSLIGHTCABLEASM 1
60
#02
401-35793 VACUUMCABLEASM(7AXIS) 1
61
#03
401-35790 VACUUMCABLEASM 1
62
#02
401-49489 POWERSUPPLYUNIT10ASM 1
63
#04
401-49490 POWERSUPPLYUNIT10(EN)ASM 1
64
#03
401-49556 POWERSUPPLYUNIT20ASM 1
65
#05
401-49559 POWERSUPPLYUNIT20(EN)ASM 1
66 401-46433 SERV/PMPCTRLCABLEASM 1
67 400-97626 IONIZERCABLEASM 1
68 400-93724 IONIZER 1
69 401-13673 IONIZERPWRCABLEASM 1
70
#01
401-13640 SAFETYU901CABLEASM(EN) 1
71 401-46389 XY-RELAYI/OCABLEASM 1
72 401-09960 XY-RELAYPWRCABLEASM 1
73 400-97616 XY-RELAYI/OREALYCABLEASM 1
74 401-13690 XY-RELAYPWRRELAYCABLEASM 1
75 400-99906 PILOTLAMPCABLEFASM 1
76 400-99907 PILOTLAMPCABLERASM 1
77 401-13714 KEYSWITCHCABLEASM 1
78 400-99903 PILOTLAMP 1
79 400-99902 KEYSWITCH 1
80 401-22784 ROTARYFLUXERI/OCABLEASM 1
81 401-22783 ROTARYFLUXERPWRCABLEASM 1
82 401-22786 ROTARYFLUXERCABLEASM 1
83 401-22787 ROTARYFLUXERMOTORCABLEASM 1
84 401-22788 ROTARYFLUXERMOTORASM 1
85 401-22789 ROTARYFLUXERSWITCHASM 1
86 401-47905 ETHERCABLEFEEDERLR-RFASM 1
87 400-47560 FEEDERPCBASM 1
88 401-47906 ETHERCABLEBASEFEEDERASM 1
89 401-47901 ETHERCABLEXYBASEASM 1
90 400-71680 BASEIOPCBASM 1
91 401-10049 MTCMTSI/FCABLEASM 1
92 401-10050 MTCMTSI/FBRCABLEASM 1
93 401-06795 S-XYRELAYPCBASM 1
94 401-47900 ETHERCABLEXYBASERELAYASM 1
95 401-47902 ETHERCABLEMAIN-XYRELAYASM 1
96 401-13688 XYMTCMTSCABLEASM 1
97 401-13691 XY-RELAYHOD232CRELAYCABLEASM 1
98 401-46372 XY-RELAYHOD232CCABLEASM 1
99 401-35433 8-PORTCOMBOARD 1
100 400-97619 XY-RELAYOPERATIONRELAYCABLEASM 1
101 401-10068 OPERATIONRLYCABLEFASM 1
102 401-48273 OPERATIONPCBFRONT10PCBASM 1
103
#01
401-48277 OPERATIONPCBFRONT10ASM(EN) 1
104 400-97620 XY-RELAYOPERATIONRELAYCABLEASM 1
105 401-10069 OPERATIONRLYCABLERASM 1
106 401-13689 XY-RELAYSENSORRELAYCABLEASM 1
107 401-46403 XY-RELAYSENSORCABLEASM 1
108 401-48275 OPERATIONPCBREAR10ASM 1
109
#01
401-48279 OPERATIONPCBREAR10ASM(EN) 1
110 401-29006 YLMTSENSORCABLEASM 1
111 401-46380 YBEARCABLESASM 1
112 401-46404 XPLUSSENSORRELAYCABLEASM 1
113 401-29000 XLMTSENSORCABLEASM 1
114 401-29002 NEARSENSORCABLEASM 1
115
#06
401-10050 MTCMTSI/FBRCABLEASM 1