OM-1077-002 - 第203页
Tg0531-PM-SO 0309-002A(M756YEV--2101) 5-4 2. 部品配置図 2. 2. 2. 2. 2. 部品配置図 部品配置図 部品配置図 部品配置図 部品配置図 エレベータ全体レイアウト エレベータ全体レイアウト エレベータ全体レイアウト エレベータ全体レイアウト エレベータ全体レイアウト

Tg0531-PM-SO
1.1.
1.1.
1.
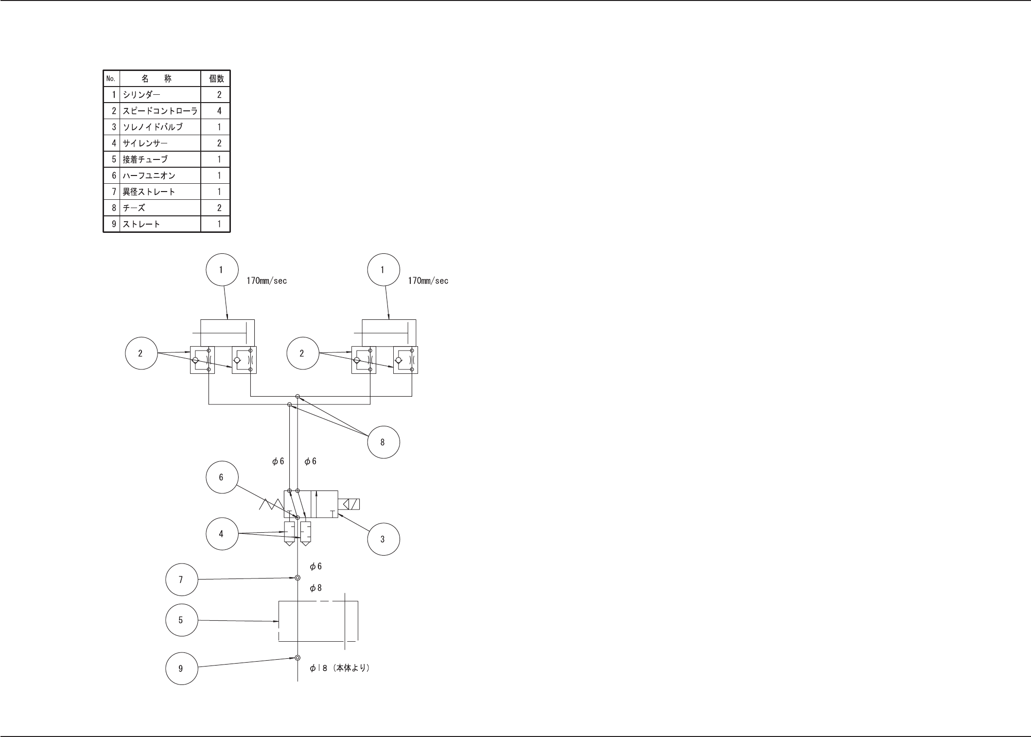
エア配管図 エア配管図
エア配管図 エア配管図
エア配管図
1. エア配管図
0107-001-(M756XER--0002) 5-3

Tg0531-PM-SO0309-002A(M756YEV--2101) 5-4
2. 部品配置図
2.2.
2.2.
2.
部品配置図 部品配置図
部品配置図 部品配置図
部品配置図
エレベータ全体レイアウトエレベータ全体レイアウト
エレベータ全体レイアウトエレベータ全体レイアウト
エレベータ全体レイアウト

Tg0531-PM-SO0309-002A(M756YEV--2102) 5-5
2. 部品配置図
エレベータ電装部レイアウトエレベータ電装部レイアウト
エレベータ電装部レイアウトエレベータ電装部レイアウト
エレベータ電装部レイアウト
#
4
4
#5/&'8
7#
7#
-/'8 -/'8
)'8
-
-'8
#
#
5'%6##