OM-1077-002 - 第210页
Tg0531-PM-SO 0107-001 5-11 4. 電気回路図

Tg0531-PM-SO0107-001 5-10
4. 電気回路図

Tg0531-PM-SO0107-001 5-11
4. 電気回路図

Tg0531-PM-SO0309-002C(M756WEV--2101) 5-12
4.2 各部の電気回路図
4.24.2
4.24.2
4.2
各部の電気回路図 各部の電気回路図
各部の電気回路図 各部の電気回路図
各部の電気回路図
トレイトレイ
トレイトレイ
トレイ
3030
3030
30
段段
段段
段
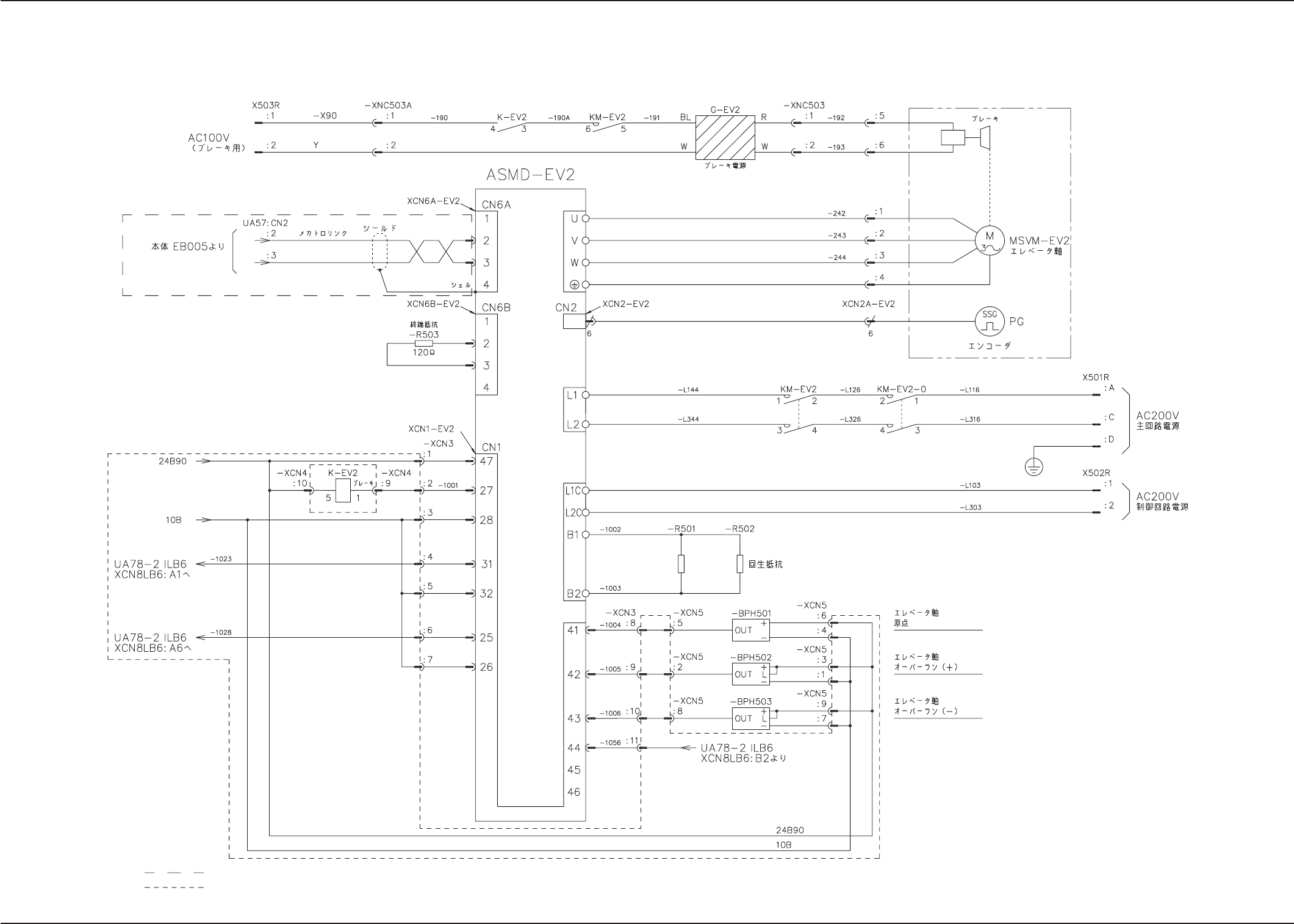
エレベータ回路図エレベータ回路図
エレベータ回路図エレベータ回路図
エレベータ回路図
ᵈ :C
D
⎕✢ౝߪᧄ㈩✢ࠍ␜ߒ߹ߔޕ
⎕✢ౝߪၮ᧼ౝࠍ␜ߒ߹ߔޕ
ᵈC
ᵈD