OM-1077-002 - 第211页
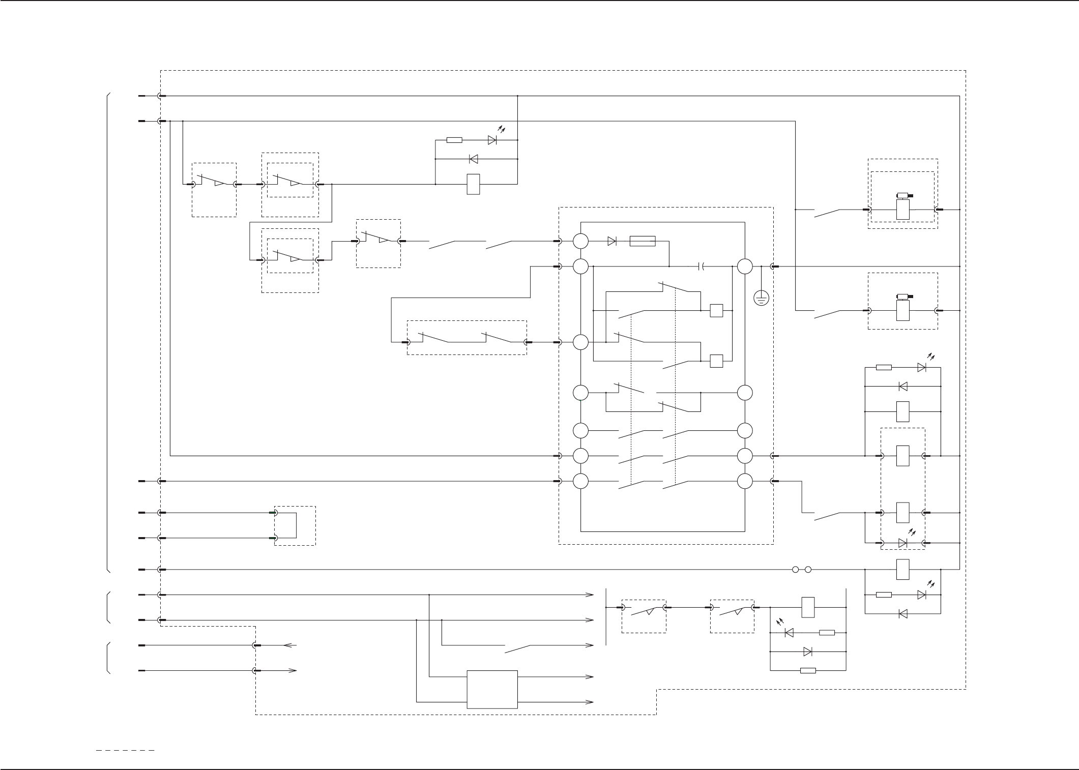
Tg0531-PM-SO 0309-002C(M756WEV--2101) 5-12 4.2 各部の電気回路図 4.2 4.2 4.2 4.2 4.2 各部の電気回路図 各部の電気回路図 各部の電気回路図 各部の電気回路図 各部の電気回路図 トレイ トレイ トレイ トレイ トレイ 30 30 30 30 30 段 段 段 段 段 エレベータ回路図 エレベータ回路図 エレベータ回路図 エレベータ回路図 エレベータ回路図 ᵈ : C …

Tg0531-PM-SO0107-001 5-11
4. 電気回路図

Tg0531-PM-SO0309-002C(M756WEV--2101) 5-12
4.2 各部の電気回路図
4.24.2
4.24.2
4.2
各部の電気回路図 各部の電気回路図
各部の電気回路図 各部の電気回路図
各部の電気回路図
トレイトレイ
トレイトレイ
トレイ
3030
3030
30
段段
段段
段
エレベータ回路図エレベータ回路図
エレベータ回路図エレベータ回路図
エレベータ回路図
ᵈ :C
D
⎕✢ౝߪᧄ㈩✢ࠍ␜ߒ߹ߔޕ
⎕✢ౝߪၮ᧼ౝࠍ␜ߒ߹ߔޕ
ᵈC
ᵈD

Tg0531-PM-SO
4.2 各部の電気回路図
トレイトレイ
トレイトレイ
トレイ
3030
3030
30
段 電源部回路図段 電源部回路図
段 電源部回路図段 電源部回路図
段 電源部回路図
0309-002C(M756WEV--2102) 5-13
$ $
#
-
-
$
$
$
ᵈ :Cࡑࠟࠫࡦኻᔕࠝࡊ࡚ࠪࡦᤨએᄖߪޔ⍴⛊ಣℂߣߒ߹ߔޕ
Dࡑࠟࠫࡦኻᔕࠝࡊ࡚ࠪࡦᤨએᄖߪޔᧂធ⛯ಣℂߣߒ߹ߔޕ
Eޓޓޓޓޓޓޓ⎕✢ౝߪၮ᧼ౝࠍ␜ߒ߹ߔޕ
*&
-
9ǡ
-
4
4
8
:%0 :%0
53 53
8
4 *&
*&4
8
:%0
:%0
:%0
:%0
:%0
:%0
:%0
8
4 *&
,2
:%0
:%0
:4 :%0
176+0
88
:%0
$
$
:4
:%0
:%0
:%0
:%0
:%0
:%0
:%0
:%0:%0
:%0
:%0
:%0
:%0
:%0
:%0
:%0
:%0:%0
:%0:%0
:%0 :%0
:%0:%0
-/
;51.
;51.
*&
-
-
53
53
-
53
53
-
:4
''
㧔53㧕
-
-
㧔53㧕
' '
-
#
-
-/'8
# #
##
'8
#
-
- -
-
-
-
-
-
-
-
-
&
:
-/'8-/'8
:
%
:4
#
#
88
ࡔࡦ࠹࠽ࡦࠬࠞࡃࡔࡦ࠹࠽ࡦࠬࠞࡃ
ࡔࡦ࠹࠽ࡦࠬࠞࡃ㐿ᬌ
7#+.$%0$ࠃࠅ &%ࠦࡦࡃ࠲
+㧛1↪
7#+.$%0#߳
7#+.$:%0.$#߳
7#+.$:%0.$$ࠃࠅ
ᧄࠃࠅ
㧔ᛩ⏕㧕
⽶⩄㔚Ḯ
ㆤᢿᬌ
'8ゲ㚟േ㔚Ḯㆤᢿ
ᧄ㕖Ᏹᱛ
㔚⏛ࡠ࠶ࠢ
ోᚺ
ోᚺ
㔚⏛ࡠ࠶ࠢਅ
㔚⏛ࡠ࠶ࠢ⏕ਅ
ోᚺ
⽶⩄㔚Ḯᛩోᚺ
ోᚺਅ
ోᚺࡠ࠶ࠢਅోᚺࡠ࠶ࠢ
㔚Ḯࡦࡊ
ᵈD
ᧄࠃࠅ
ᧄࠃࠅ
ᵈE
ᵈC
ᵈC