OM-1077-002 - 第216页
Tg0531-PM-SO 0309-002B(M756WEV--2106) 5-17 4.2 各部の電気回路図 I/O I/O I/O I/O I/O ボード ボード ボード ボード ボード 1016 (2/2) 1016 (2/2) 1016 (2/2) 1016 (2/2) 1016 (2/2) ᵈ F ᵈ : Cធ⌕ᐔဳࠤࡉ࡞⧌㈩✢ޕᄖ⦡↪ Dធ⌕ᐔဳࠤࡉ࡞ࡍࠕ㈩✢ޕ Dޓޓޓ…

Tg0531-PM-SO0309-002B(M756WEV--2105) 5-16
4.2 各部の電気回路図
I/OI/O
I/OI/O
I/O
ボードボード
ボードボード
ボード
1016 (1/2)1016 (1/2)
1016 (1/2)1016 (1/2)
1016 (1/2)
ᵈ D
ᵈ : Cធ⌕ᐔဳࠤࡉ࡞⧌㈩✢ޕౝ⦡↪
Dޓޓޓޓޓޓޓ⎕✢ౝߪ⛎59ၮ᧼ౝࠍ␜ߒ߹ߔޕ
Eޓޓޓޓޓޓޓ⎕✢ౝߪၮ᧼ౝࠍ␜ߒ߹ߔޕ
F㔚Ḯ┵ሶߪ#ߦㄭᣇޔ㔚Ḯ┵ሶߪ#ߦㄭᣇޕ
Gធ⌕ᐔဳࠤࡉ࡞⧌㈩✢ޕᄖ⦡↪
ᵈ C
ᵈ E
ᵈ E
ᵈ G
ᵈ F

Tg0531-PM-SO0309-002B(M756WEV--2106) 5-17
4.2 各部の電気回路図
I/OI/O
I/OI/O
I/O
ボードボード
ボードボード
ボード
1016 (2/2)1016 (2/2)
1016 (2/2)1016 (2/2)
1016 (2/2)
ᵈ F
ᵈ : Cធ⌕ᐔဳࠤࡉ࡞⧌㈩✢ޕᄖ⦡↪
Dធ⌕ᐔဳࠤࡉ࡞ࡍࠕ㈩✢ޕ
Dޓޓޓޓޓޓޓ⎕✢ౝߪၮ᧼ౝࠍ␜ߒ߹ߔޕ
Dޓޓޓޓޓޓޓ⎕✢ౝߪ⛎59ၮ᧼ౝࠍ␜ߒ߹ߔޕ
G⛎59*&52$㨪*&52$ߩᒻᑼ␜߇
ၮ᧼ታⵝ㕙⌀߆ࠄ߃ࠆࠃ߁ߦขઃߌࠆߎߣޕ
ᵈ G
ᵈ D
ᵈ F
ᵈ Eᵈ C

Tg0531-PM-SO
㧔C㧕
C
ᵈ㧦
0107-001C(M756WTV--2101) 5-18
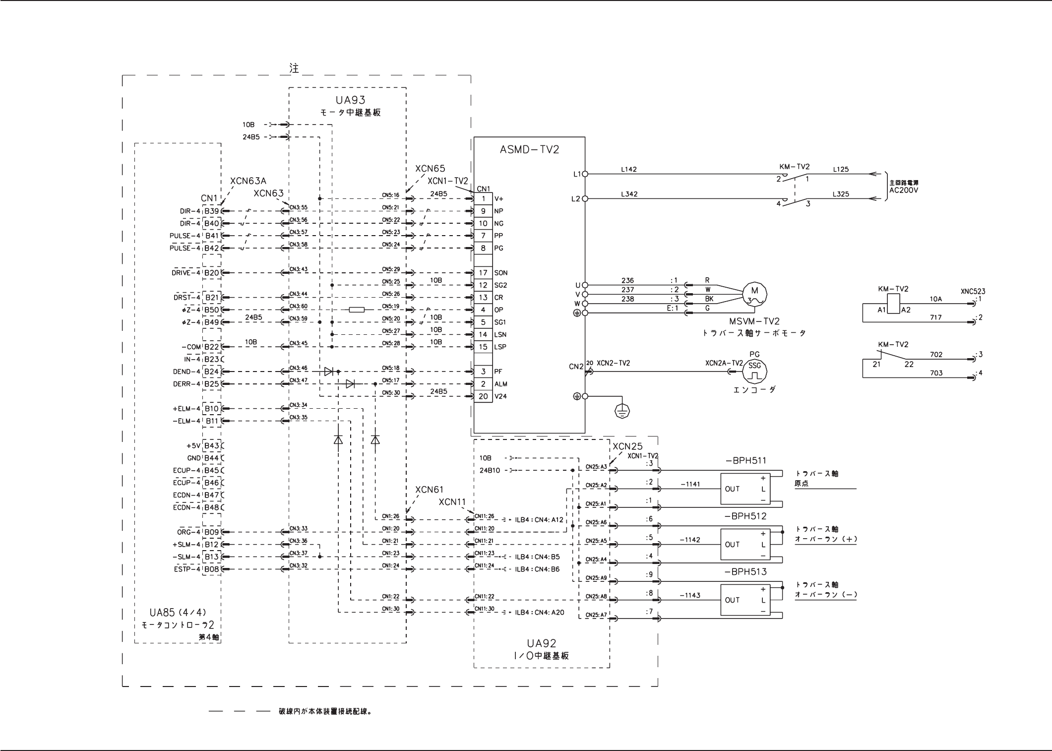
4.2 各部の電気回路図
トレイトレイ
トレイトレイ
トレイ
3030
3030
30
段 段
段 段
段
TV2TV2
TV2TV2
TV2
軸 モータ回路図軸 モータ回路図
軸 モータ回路図軸 モータ回路図
軸 モータ回路図