4. SM411F_Introduction(Kor_Ver5) - 第61页
3-3 장비의 명칭 및 구성 3.2. 시스템 구성 3.2.1. 기구부 구성 그림 3.2 기구부 구성도

3-2
Samsung Component Placer SM411/411N Introduction
No. Name No. Name
1
SMEMA 케이블 연결부
6
후면 조작패널
2
MCCB (주 전원 차단기)
7
키보드
3 Motor Driver AMP 8
공기흡입구 (Air Inlet)
4
회로보호차단기
9 Air Filter & Mist Filter
5
후면 LCD모니터

3-3
장비의
명칭
및
구성
3.2. 시스템 구성
3.2.1. 기구부 구성
그림
3.2
기구부
구성도

3-4
Samsung Component Placer SM411/411N Introduction
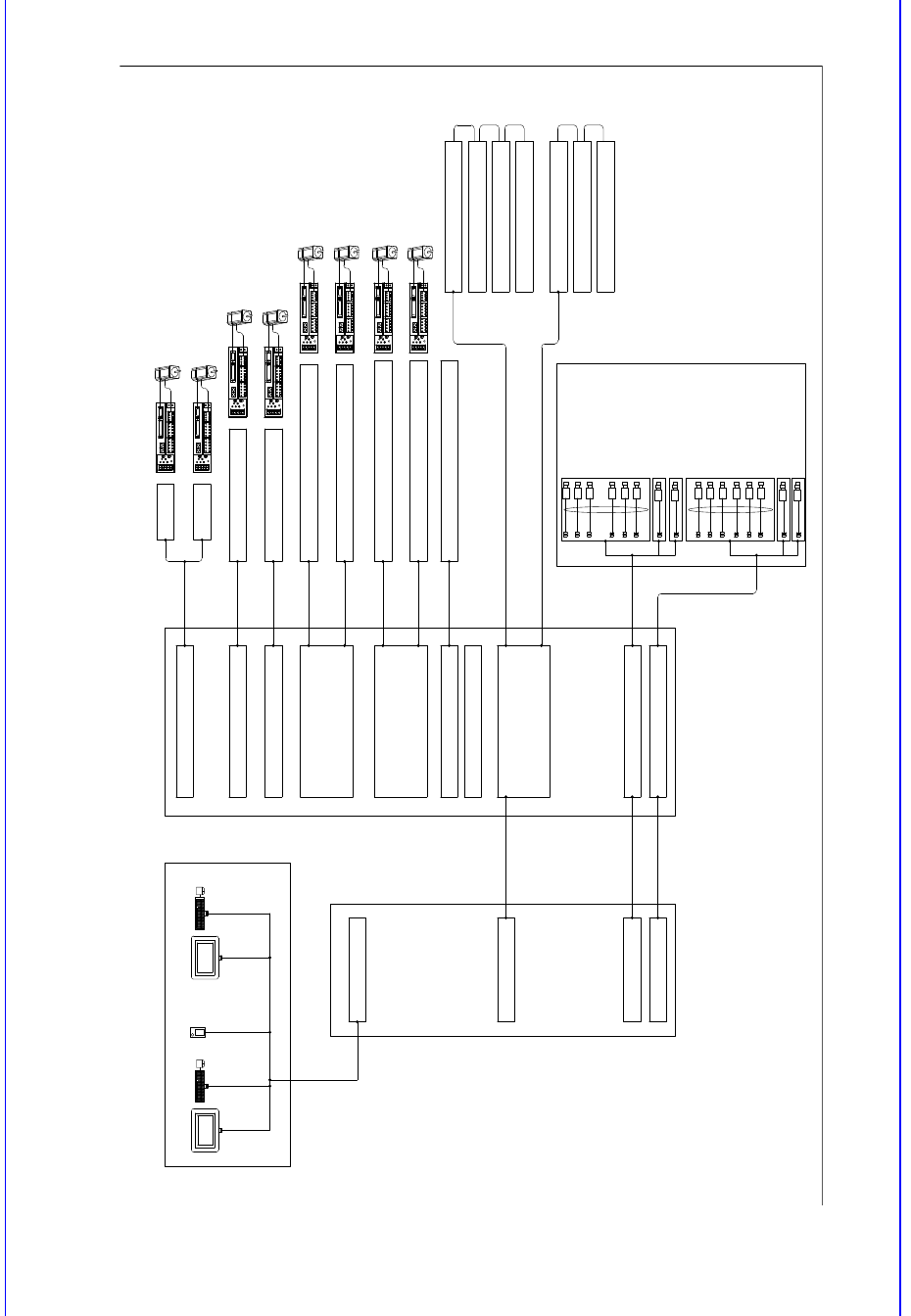
3.2.2. 제어부 구성
그림
3.3
제어부
구성도
Panasonic AC servo
SET
MODE
Panasonic AC servo
SET
MODE
Panasonic AC servo
SET
MODE
Panasonic AC servo
SET
MODE
Panasonic AC servo
SET
MODE
Panasonic AC servo
SET
MODE
Panasonic AC servo
SET
MODE
Panasonic AC servo
SET
MODE
MON.
KBD MOUSE
T- BO X
MON.
KBD MOUSE
SBC
INDUSTRIAL PC
PCI IO B/D
SAMC-62 B/D #1
SAMC-62 B/D #2
VME RACK ASSY
X7043-SEDES B/D
VM E IO B/ D
VISION I/F B/D #1
VISION I/F B/D #2
X7043 NEW TWIN SERVO B/D
X7043-STEP CONTROL B/D
X7043-STEP CONTROL B/D
X7043-SEDES B/D
FY1-FY2
(4AXIS )
RY1-RY2
WD, CB1, CB2, WB1, WB2
CB3, CB4
FZ1, FZ2, FZ3, FZ4, FZ5, FZ6 (HEAD1)
FS, FX, FR1, FR3, FR5 (GANTRY1)
RZ1, RZ2, RZ3, RZ4, RZ5, RZ6 (HEAD2)
RS, RX, RR1, RR3, RR5 (GANTRY2)
HEAD1, 2 VAC/BLOW ON/OFF CONTROL
VME 3100 B/D
CAN MASTER B/D CAN1
CAN2
CAN CO NVEYOR I/ F B/ D (#2)
FRONT FEEDER IO B/D (#1)
HEAD IO B/D (#3)
HEAD IO B/D (#4)
CAN CO NVEYOR I/ F B/ D (#2)
FRONT FEEDER IO B/D (#1)
HEAD IO B/D (#3)
CAN1
CAN2
FLY CAMERA1~6
FIDUCIAL CAMERA #1
FLY CAMERA7~12
FIDUCIAL CAMERA #2
VISION PART
USER I/F
CAN1
CAN1
CAN1
CAN2
CAN2
FRONT FIX CAMERA
REAR FIX CAMERA