KE2020取扱説明書VER.2.01.和文Rev.08.pdf - 第380页
5 - 64 ⑤「配置検査」 ⑤「配置検査」 ⑤「配置検査」 ⑤「配置検査」 現在は、使用しません。 ⑥「欠落エレメント」 ⑥「欠落エレメント」 ⑥「欠落エレメント」 ⑥「欠落エレメント」 例題の部品では第 エレメントグループには、ボール ( ランド 欠けが有ります。 BGA/FGBAと同様ボール ( ランド 欠けがあればボール ( ランド 欠けの指定が可能です。 1エ…

5 -
63
③「第一エレメンントの配置」で、例題が第
③「第一エレメンントの配置」で、例題が第③「第一エレメンントの配置」で、例題が第
③「第一エレメンントの配置」で、例題が第1
11
1リードの先端位置が(−
リードの先端位置が(−リードの先端位置が(−
リードの先端位置が(−6.0mm
6.0mm6.0mm
6.0mm、−
、−、−
、−5.0mm
5.0mm5.0mm
5.0mm)の場合
)の場合)の場合
)の場合、
X オフセット: -6.0
Y オフセット: -5.0
Z オフセット: 0 (使用せず)
θオフセット: 0
と入力します。
・トレランスは、通常 “0(ゼロ)” に設定します。
● 次にエレメントグループの配列を
次にエレメントグループの配列を次にエレメントグループの配列を
次にエレメントグループの配列を設定
設定設定
設定します。
します。します。
します。
配列データには、次元(ディメンジョン)と列・行のピッチ、数があります。
④
④④
④「ディメンション」
「ディメンション」「ディメンション」
「ディメンション」
ボール/ランドエレメントの場合は次元となるので、「ディメンジョン」で2Dを選択し
ます。
(注)1列、1行のみの配列でも2次元を指定します。
◆各エレメントグループのピッチを(図
(図(図
(図5
55
5-
--
-2
22
2-
--
-4
44
4-
--
-4
44
4-
--
-3
33
3)
))
)に示します。
・例題の部品では第エレメントグループは9列なので、「列」の「数:9」と入力します。
(注)1行のみの配列の時は、“1”を入力します。
・ピッチが1.5mmとすると「列」の「ピッチ:1.5」と入力します。
(注)1行のみの配列の時は、同じ1.5を入力します。
・トレランスは、通常“0(ゼロ)” に設定します。
・また行は、例題の部品では第エレメントグループは6行なので、「列」の「数:6」と入
力します。
(注)1列のみの配列の時は、1を入力します。
・ピッチが1.27mmとすると、「列」の「ピッチ:1.27」と入力します。
(注)1行のみの配列の時は、同じ1.27を入力します。
・トレランスは、通常“0(ゼロ)” に設定します。
◆各エレメントグループのピッチを(図
(図(図
(図5
55
5-
--
-2
22
2-
--
-4
44
4-
--
-4
44
4-
--
-16
1616
16)
))
)に示します。
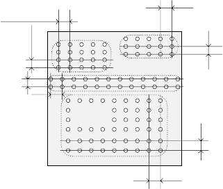
図
図図
図5
55
5-
--
-2
22
2-
--
-4
44
4-
--
-4
44
4-
--
-16
1616
16.
..
.
Bottom View
第 2 エレメントグループ
行ピッチ
第 2 エレメントグループ
列ピッチ
第 3 エレメントグループ
列ピッチ
第 3 エレメントグループ
行ピッチ
第 1 エレメントグループ
列ピッチ
第 1 エレメントグループ
行ピッチ
第 4 エレメントグループ
列ピッチ
第 4 エレメントグループ
行ピッチ

5 -
64
⑤「配置検査」
⑤「配置検査」⑤「配置検査」
⑤「配置検査」
現在は、使用しません。
⑥「欠落エレメント」
⑥「欠落エレメント」⑥「欠落エレメント」
⑥「欠落エレメント」
例題の部品では第エレメントグループには、ボール(ランド欠けが有ります。
BGA/FGBAと同様ボール(ランド欠けがあればボール(ランド欠けの指定が可能です。
1エレメントグループ当たりつのボール(ランド欠けが指定できます。
指定の方法はBGA/FBGAと同様でボール(ランド欠けの列と行の開始点と連続して欠けている
行列数を指定します。
・例題の部品は2列目から3列、4行目から2行欠けているとすると
「列」の「開始」:2
「列」の「数」 :3
「行」の「開始」:4
「行」の「数」 :2
と入力します。
(注)ボール(ランド欠けが5個所以上ある場合は、エレメントグループを分割して定義し
て下さい。
● 以上でエレメントグループの設定が終了しました。
● 続いてこのエレメントグループの認識要素(エレメント)を定義します。
1エレメントグループには1エレメントしか定義できません。複数定義しても無効となりま
す。
「エレメント」で追加を選択します。
5 -
65
3.「エレメント画面」
3.「エレメント画面」3.「エレメント画面」
3.「エレメント画面」
①「種類」
①「種類」①「種類」
①「種類」
ボール部品類のエレメントは、ボールとランドが指定できます。
カラムは現在使用できません。
ランドエレメントは、円形ランドと四角形ランドを指定することが出来ます。
バンプはボールと指定、電極全体が平らなものはランドと指定します。
・例題は、ボールなので、「種類」でボールを選択します。
②「基準位置」
②「基準位置」②「基準位置」
②「基準位置」
エレメントの基点位置はボール/ランドエレメントの場合、エレメント中心位置となります。
・「基準位置」でエレメントの中心を選択します。
③「エレメント極性」
③「エレメント極性」③「エレメント極性」
③「エレメント極性」
画像でのエレメントの映り方の明暗を指定します。
・通常はボール部品類は、ボール/ランドエレメントは明るく映る照明を用いますので、
「エレメント極性」で明るいを選択します。
(注)CBGAは、ボールの周辺を光らせるので、暗いを選択する。
④「オフセット
④「オフセット④「オフセット
④「オフセット」
」」
」
通常使用しないので、“0(ゼロ)” に設定します。
⑤「エレメント寸法」
⑤「エレメント寸法」⑤「エレメント寸法」
⑤「エレメント寸法」
エレメントのサイズを入力します。
角ランドは現在は正方形状のランドまでなので、ボール、ランド共にX,Y寸法は同じ寸法を入
力します。
・例題では、φ0.5mmとすると
寸法 X:0.5
Y:0.5
・通常トレランスは使用しないので、“0(ゼロ)” に設定します。
⑥「ボール・ランド」
⑥「ボール・ランド」⑥「ボール・ランド」
⑥「ボール・ランド」
ランドの場合は、丸ランド/角ランドを選択できます。該当する方のチェックボックスをク
リックします。
・例題では、ボールエレメントなので、選択チェックボックスは現われません。
⑦「検査」
⑦「検査」⑦「検査」
⑦「検査」
検査する項目のチェックボックスをクリックします。
直径、面積検査は、BGA/FBGAと同じ検査項目で、“%”で指定します。
(デフォルトは50%)
ボール有無検査も“%”で指定しますが、これは内部の評価特性のパーセンテージなので通
常は、デフォルト値の30%のままを使用します。ランドエレメントの場合、有無検査を指定
しても無効扱いで、認識で実行しません。
・直径平均は、通常使用しません。
・例題では、直径、面積、ボール有無検査をデフォルトで実施するとすると
「検査」 レ面積 :50%(デフォルト)
レ 直径 :50%(デフォルト)
レ ボール有無 :30%(デフォルト)
直径平均 :
とチェックボックスをクリックのみとなります。
● 以上で、エレメントのデータ入力完了なので、右下の「OK」を選択すると、「エレメントグル
ープ」画面に戻ります。
これで第1エレメントグループの定義が終了ですので、右下の「OK」を選択すると、「拡張ビ
ジョン」画面に戻ります。
ここで、次のエレメントグループがある場合は、更に追加を選択して同様にデータを入力しエ
レメントグループを定義していきます。例題では第4エレメントグループまであるので、4回エ
レメントグループを追加定義します。
全てのエレメントグループの定義が終わったところで、左下の「OK」を選択し拡張ビジョンデ
ータ入力を完了となります。