CM401-L Mechanical Parts - 第13页
Kit Name Rank Q'ty 番 号 Part No. キット名 品番 数量 ランク 頁 Page No. 1 CM401-L:高速モジュラーマウンタ CM401-L :Modular H igh Speed Placement Machine キットリスト Model No. 製品品番 Model Name 製品名称 NM-EJM1A KIT LIST 1 1 N610000705AA Main Body 本体部 M…

1
CM401-L:高速モジュラーマウンタ
CM401-L:Modular High Speed Placement Machine
キットレイアウト
Model No.
製品品番
Model Name
製品名称
NM-EJM1A
KIT LAYOUT
U1
( KEJM1AM-05-1 )

Kit Name
RankQ'ty
番
号
Part No.
キット名
品番
数量 ランク
頁
PageNo.
1
CM401-L:高速モジュラーマウンタ
CM401-L:Modular High Speed Placement Machine
キットリスト
Model No.
製品品番
Model Name
製品名称
NM-EJM1A
KIT LIST
1
1
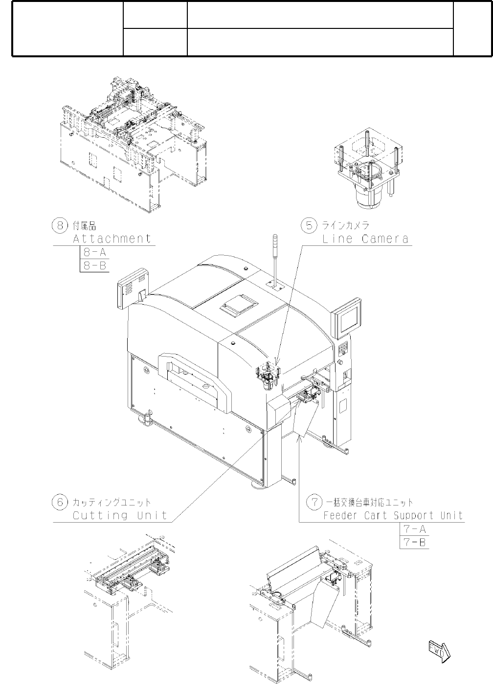
N610000705AA Main Body
本体部
M1
1
2
N610000706AA Whole Cover
全体カバー
M19
2
3
KXFX0454A00 X-Axis Unit
X軸ユニット
M27
1
4
KXFX04H2A00 X-Axis Connection Unit
X軸接続ユニット
M33
U2

2
CM401-L:高速モジュラーマウンタ
CM401-L:Modular High Speed Placement Machine
キットレイアウト
Model No.
製品品番
Model Name
製品名称
NM-EJM1A
KIT LAYOUT
U3
( KEJM1AM-05-2 )