RX-7-Rev07PDFA - 第147页
A- 125 A 49 ISLITE (ISM /MES 連携 ) ISLITE (ISM /MES Cooperation) イラスト番号 Ref.No. 品番 Part Number Description 品名 個数 Q'ty 備考 Remarks 1 EZ1- 458 - 644 - 11 READER BAR CODE バ - コ - ド リ - ダ (GD4430-BK) 1 2 EZ4- 456 - 319…

A-124
A49
ISLITE (ISM/MES 連携)
ISLITE (ISM/MES Cooperation)
1
2

A-125
A49
ISLITE (ISM/MES 連携)
ISLITE (ISM/MES Cooperation)
イラスト番号
Ref.No.
品番
Part Number
Description
品名
個数
Q'ty
備考
Remarks
1
EZ1-458-644-11
READER BAR CODE
バ-コ-ド リ-ダ (GD4430-BK)
1
2
EZ4-456-319-01
BRACKET BAR CODE READER
バ-コ-ド リ-ダ ブラケット
1

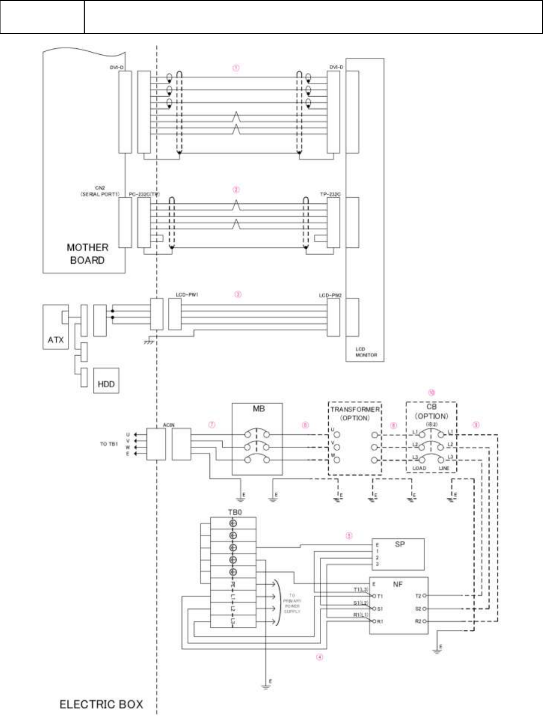
B-1
B1
主電源・タッチパネル配線図
Main power supply wiring diagram