RX-7-Rev07PDFA - 第152页
B-5 B3 電装 BOX 配線 -2 Electrical box w iring diagram - 2

B-4
B2
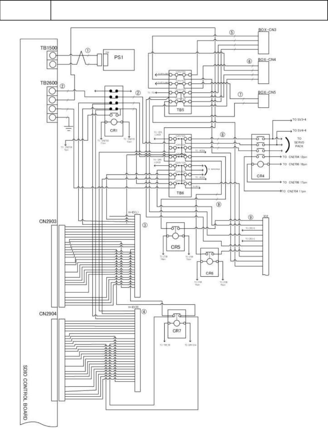
電装 BOX 配線-1
Electrical box wiring diagram - 1
イラスト番号
Ref.No.
品番
Part Number
Description
品名
個数
Q'ty
備考
Remarks
1
EZ1-969-065-12
HARNESS (ACIN-TB1)
ハ-ネス (ACIN-TB1)
1
2
EZ1-969-066-12
HARNESS (TB1-MC1)
ハ-ネス (TB1-MC1)
1
3
EZ1-969-067-13
HARNESS (TB1-PS1)
ハ-ネス (TB1-PS1)
1
4
EZ1-969-068-13
HARNESS (TB1-CP1)
ハ-ネス (TB1-CP1)
1
5
EZ1-969-069-12
HARNESS (CP1-ATX)
ハ-ネス (CP1-ATX)
1
6
EZ1-969-070-13
HARNESS (TB1-CP2)
ハ-ネス (TB1-CP2)
1
7
EZ1-969-071-13
HARNESS (CP2-TB3)
ハ-ネス (CP2-TB3)
1
8
EZ1-969-072-12
HARNESS (TB3-FAN1)
ハ-ネス (TB3-FAN1)
1
9
EZ1-969-072-22
HARNESS (TB3-FAN2)
ハ-ネス (TB3-FAN2)
1
10
EZ1-969-072-32
HARNESS (TB3-FAN3)
ハ-ネス (TB3-FAN3)
1
11
EZ1-969-072-42
HARNESS (TB3-FAN4)
ハ-ネス (TB3-FAN4)
1
12
EZ1-969-073-12
HARNESS (MC1-MC2, TB2)
ハ-ネス (MC1-MC2, TB2)
1
13
EZ1-969-074-11
HARNESS (MC2-MC3)
ハ-ネス (MC2-MC3)
1
14
EZ1-969-691-13
HARNESS (MC3-PS2 CP5)
ハ-ネス (MC3-PS2,CP5)
1
15
EZ1-969-063-12
HARNESS (TB2-PS4)
ハ-ネス (TB2-PS4)
1
16
EZ1-969-689-11
HARNESS (TB2-PS3)
ハ-ネス (TB2-PS3)
1
17
EZ1-969-064-13
HARNESS (TB2-CP4)
ハ-ネス (TB2-CP4)
1
18
EZ1-969-077-12
HARNESS (TB2-SV1)
ハ-ネス (TB2-SV1)
1
19
EZ1-969-077-22
HARNESS (TB2-SV2)
ハ-ネス (TB2-SV2)
1
20
EZ1-969-078-13
HARNESS (CP5-SV1 SV2)
ハ-ネス (CP5-SV1 SV2)
1
21
EZ1-969-079-13
HARNESS (CP4-SV1 SV2)
ハ-ネス (CP4-SV1 SV2)
1
22
EZ1-969-080-13
HARNESS (TB2-MR1)
ハ-ネス (TB2-MR1)
1
23
EZ1-969-081-13
HARNESS (MR1-CP3)
ハ-ネス (MR1-CP3)
1
24
EZ1-969-092-12
HARNESS (CP3-VAC)
ハ-ネス (CP3-VAC)
1
25
EZ1-969-690-11
HARNESS (PS2-CP9)
ハ-ネス (PS2-CP9)
1
26
EZ1-969-094-13
HARNESS (CP9-SV3, 4, 5)
ハ-ネス (CP9-SV3, 4, 5)
1
27
EZ1-969-777-11
HARNESS (PS3, 4-CP6, CR3)
ハ-ネス (PS3, 4-CP6, CR3)
1
28
EZ1-969-778-11
HARNESS (PS4-CP6,7,8,CR2,TB5)
ハ-ネス (PS4-CP6,7,8,CR2,TB5)
1
29
EZ1-969-711-11
HARNESS (CP7, 8-TB5, 6)
ハ-ネス (CP7, 8-TB5, 6)
1
30
EZ1-969-798-11
HARNESS (CR2 2-4)
ハ-ネス (CR2 2-4)
1
31
EZ1-969-798-21
HARNESS (CR3 2-4)
ハ-ネス (CR3 2-4)
1
32
EZ1-969-520-11
HARNESS (TB3-EX FAN(F))
ハ-ネス (TB3-EX FAN(F))
1
33
EZ1-969-521-12
HARNESS (BOX FAN (F)-FAN)
ハ-ネス (BOX FAN (F)-FAN)
1
34
EZ1-969-387-12
HARNESS (TB3-EX FAN1)
ハ-ネス (TB3-EX FAN1)
1
35
EZ1-969-387-22
HARNESS (TB3-EX FAN2)
ハ-ネス (TB3-EX FAN2)
1
36
EZ1-969-994-11
HARNESS (TB3-EX FAN (CF))
ハ-ネス (TB3-EX FAN (CF))
1
37
EZ1-969-994-21
HARNESS (TB3-EX FAN (CR))
ハ-ネス (TB3-EX FAN (CR))
1
38
EZ1-969-989-11
HARNESS (BOX FAN (CF)-FAN)
ハ-ネス (BOX FAN (CF)-FAN)
1
39
EZ1-969-989-21
HARNESS (BOX FAN (CR)-FAN)
ハ-ネス (BOX FAN (CR)-FAN)
1

B-5
B3
電装 BOX 配線-2
Electrical box wiring diagram - 2

B-6
B3
電装 BOX 配線-2
Electrical box wiring diagram - 2
イラスト番号
Ref.No.
品番
Part Number
Description
品名
個数
Q'ty
備考
Remarks
1
EZ1-969-105-12
HARNESS(SDIO POW-PS1)
ハ-ネス (SDIO POW-PS1)
1
2
EZ1-969-776-11
HARNESS (SDIO POW-TB6, CR1)
ハ-ネス (SDIO POW-TB6, CR1)
1
3
EZ1-969-084-14
HARNESS (SDIO CN2903-H-IO)
ハ-ネス (SDIO CN2903-H-IO)
1
4
EZ1-969-084-24
HARNESS (SDIO CN2904-H-IO)
ハ-ネス (SDIO CN2904-H-IO)
1
5
EZ1-969-779-11
HARNESS (TB5-BOX CN3)
ハ-ネス (TB5-BOX CN3)
1
6
EZ1-969-780-11
HARNESS (TB5-BOX CN4)
ハ-ネス (TB5-BOX CN4)
1
7
EZ1-969-083-13
HARNESS (TB5-CONV, POW3)
ハ-ネス (TB5-CONV, POW3)
1
8
EZ1-969-108-12
HARNESS (TB6-CR4)
ハ-ネス (TB6-CR4)
1
9
EZ1-969-099-16
HARNESS (SDIO CN2800-2 ECT-IF)
ハ-ネス (SDIO CN2800-2 ECT-IF)
1