RX-7-Rev07PDFA - 第157页
B- 10 B5 電装 BOX 配線 -4 Electrical box wiring diagram - 4 イラスト番号 Ref.No. 品番 Part Number Description 品名 個数 Q'ty 備考 Remarks 1 EZ1- 969 - 091 - 13 HARNESS (SDIO CN2700-SFR) ハ - ネス (SDIO CN2700-SFR) 1 2 EZ1- 969 - 099 - 1…

B-9
B5
電装 BOX 配線-4
Electrical box wiring diagram - 4

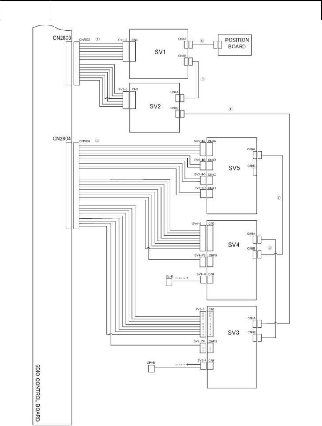
B-10
B5
電装 BOX 配線-4
Electrical box wiring diagram - 4
イラスト番号
Ref.No.
品番
Part Number
Description
品名
個数
Q'ty
備考
Remarks
1
EZ1-969-091-13
HARNESS (SDIO CN2700-SFR)
ハ-ネス (SDIO CN2700-SFR)
1
2
EZ1-969-099-16
HARNESS (SDIO CN2800-2 ECT-IF)
ハ-ネス (SDIO CN2800-2 ECT-IF)
1
3
EZ1-969-085-12
HARNESS (SDIO CN2701-IO1)
ハ-ネス (SDIO CN2701-IO1)
1

B-11
B6
電装 BOX 配線-5
Electrical box wiring diagram - 5