RX-7-Rev07PDFA - 第160页
B- 13 B7 電装 BOX 配線 -6 Electrical box w iring diagram - 6

B-12
B6
電装 BOX 配線-5
Electrical box wiring diagram - 5
イラスト番号
Ref.No.
品番
Part Number
Description
品名
個数
Q'ty
備考
Remarks
1
EZ1-969-086-12
HARNESS (SDIO CN2803-YX CN3)
ハ-ネス (SDIO CN2803-YX CN3)
1
2
EZ1-969-087-13
HARNESS (SDIO CN2804-MR-MD)
ハ-ネス (SDIO CN2804-MR-MD)
1
3
400-44541
OPTICAL FIBER CABLE 0.15M
ヒカリファイバケーブル 0.15M
2
4
401-18620
OPTICAL FIBER CABLE 1M
ヒカリファイバケーブル 1M
2
5
EZ1-846-588-21
CABLE, SSCNET3 (MR-J3BUS03M)
SSCNET3 ケ-ブル (MR-J3BUS03M)
1

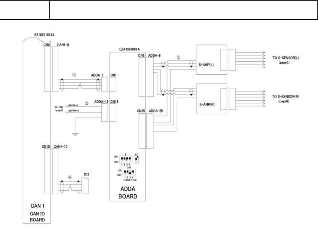
B-13
B7
電装 BOX 配線-6
Electrical box wiring diagram - 6

B-14
B7
電装 BOX 配線-6
Electrical box wiring diagram - 6
イラスト番号
Ref.No.
品番
Part Number
Description
品名
個数
Q'ty
備考
Remarks
1
EZ1-969-114-11
HARNESS (CAN-ADDA)
ハ-ネス (CAN-ADDA)
1
2
EZ1-969-115-12
HARNESS (TB6-ADDA)
ハ-ネス (TB6-ADDA)
1
3
EZ1-492-162-15
AMPLIFIER ASSY SENSOR
センサ アンプ ASSY (ZX2-LDA11)
1
4
EZ1-969-099-16
HARNESS (SDIO CN2800-2 ECT-IF)
ハ-ネス (SDIO CN2800-2 ECT-IF)
1