RX-7-Rev07PDFA - 第162页
B- 15 B8 PC 配線 PC wiring diagram

B-14
B7
電装 BOX 配線-6
Electrical box wiring diagram - 6
イラスト番号
Ref.No.
品番
Part Number
Description
品名
個数
Q'ty
備考
Remarks
1
EZ1-969-114-11
HARNESS (CAN-ADDA)
ハ-ネス (CAN-ADDA)
1
2
EZ1-969-115-12
HARNESS (TB6-ADDA)
ハ-ネス (TB6-ADDA)
1
3
EZ1-492-162-15
AMPLIFIER ASSY SENSOR
センサ アンプ ASSY (ZX2-LDA11)
1
4
EZ1-969-099-16
HARNESS (SDIO CN2800-2 ECT-IF)
ハ-ネス (SDIO CN2800-2 ECT-IF)
1

B-15
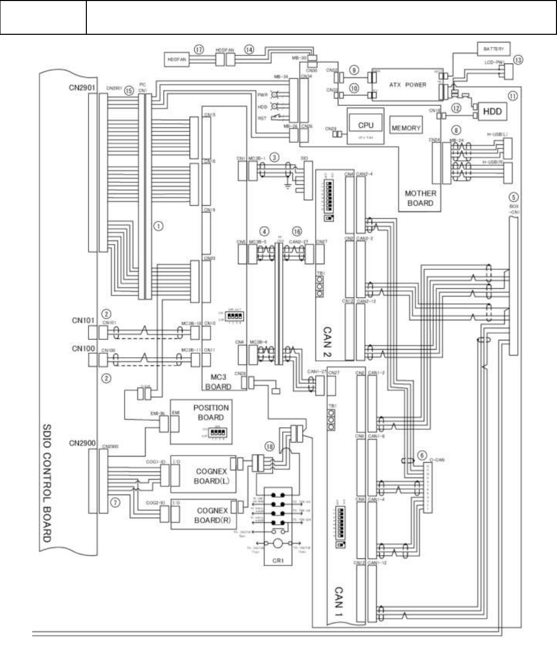
B8
PC 配線
PC wiring diagram

B-16
B8
PC 配線
PC wiring diagram
イラスト番号
Ref.No.
品番
Part Number
Description
品名
個数
Q'ty
備考
Remarks
1
EZ1-969-088-12
HARNESS (PC CN1-MB, MC3B, CAN)
ハ-ネス (PC CN1-MB, MC3B, CAN)
1
2
EZ1-969-784-11
HARNESS (SDIO CN100, 101-MC3B)
ハ-ネス (SDIO CN100, 101-MC3B)
1
3
EZ1-837-828-11
CABLE, PC UNIT MC3 SERIAL
PC ユニツト MC3 シリアル ケ-ブル
1
4
EZ1-969-111-11
HARNESS (MC3B-MCAN)
ハ-ネス (MC3B-MCAN)
1
5
EZ1-969-099-16
HARNESS (SDIO CN2800-2 ECT-IF)
ハ-ネス (SDIO CN2800-2 ECT-IF)
1
6
EZ1-969-103-11
HARNESS (CAN1, 2-CONV)
ハ-ネス (CAN1, 2-CONV)
1
7
EZ1-969-109-12
HARNESS SDIO CN2900-EMI, COG)
ハ-ネス (SDIO CN2900-EMI, COG)
1
8
EZ1-970-006-11
HARNESS (USB-MB24)
ハ-ネス (USB-MB24)
1
9
EZ1-838-009-11
CABLE, ATX POWER (WH-M2424-500)
ATX デンゲン ケ-ブル (WH-M2424-500)
1
10
EZ1-833-193-11
CABLE, ATX POWER (WH-V0408-500)
ATX デンゲン ケ-ブル (WH-V0408-500)
1
11
EZ1-838-010-11
CABLE, ATX POWER (WH-PS610-850)
ATX デンゲン ケ-ブル (WH-PS610-850)
1
12
EZ1-838-914-11
CABLE SATA (OWL-CBSATA-SS70#)
SATA ケ-ブル (OWL-CBSATA-SS70#)
1
13
EZ1-969-102-11
HARNESS (ATX-TP, POW)
ハ-ネス (ATX-TP, POW)
1
14
EZ1-969-113-12
HARNESS (MB-HDDFAN)
ハ-ネス (MB-HDDFAN)
1
15
EZ1-969-110-15
HARNESS (SDIO CN2901-PC CN1)
ハ-ネス (SDIO CN2901-PC CN1)
1
16
EZ1-969-112-11
HARNESS (MCAN-CAN1, 2)
ハ-ネス (MCAN-CAN1, 2)
1
17
EZ1-492-163-11
FAN ASSY (109P0912H4D01)
フアンクミ (109P0912H4D01)
1
18
EZ1-969-799-11
HARNESS (COG-CR1)
ハ-ネス (COG-CR1)
1