RX-7-Rev07PDFA - 第165页
B- 18

B-17
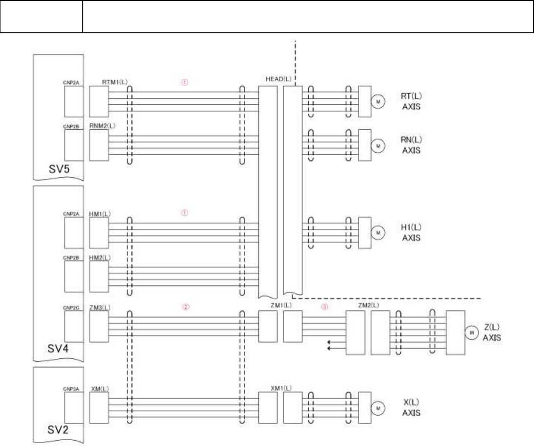
B9
サーボモーター配線-左ヘッド
Wiring diagram servo motor - Left

B-18

B-19
B9
サーボモーター配線-左ヘッド
Wiring diagram servo motor - Left
イラスト番号
Ref.No.
品番
Part Number
Description
品名
個数
Q'ty
備考
Remarks
1
EZ1-969-129-16
HARNESS (HEAD,ETC-H1M,H1E,ETC)
ハ-ネス (HEAD,ETC-H1M,H1E,ETC)(L)
1
2
EZ1-969-127-12
HARNESS (YM YE ETC-YM1 YS ETC)
ハ-ネス (YM YE ETC-YM1 YS ETC)(L)
1
3
EZ1-969-122-13
HARNESS (ZM1-ZM2)
ハ-ネス (ZM1-ZM2)
1
4
EZ1-969-135-12
HARNESS (BCSEN-AMP)
ハ-ネス (BCSEN-AMP) (L)
1
5
401-58057
HARNESS (BAT-BACKUP MONITOR 2)
ハ-ネス(BAT-BACKUP MONITOR 2)
2
6
EZ1-969-505-12
HARNESS (BACKUP MONITORING)
ハ-ネス (バツクアツプ モニタ-)
1
7
EZ1-458-773-11
USB EXTENSION (USB-EX50)
USB EXTENSION (USB-EX50)
1