RX-7-Rev07PDFA - 第170页
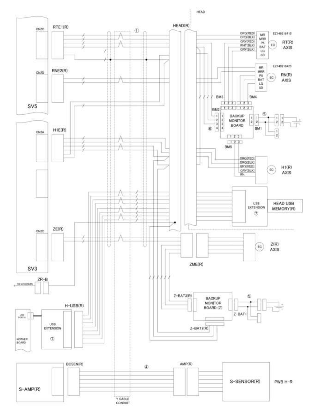
B- 22 B10 サーボモーター配線 - 右ヘッド Wiring diagra m servo motor - Right イラスト番号 Ref.No. 品番 Part Number Description 品名 個数 Q'ty 備考 Remarks 1 EZ1- 969 - 134 - 16 HARNESS (HEAD ETC-H1M H1E ETC) ハ - ネス (HEAD ETC-H1M H1E ETC)(R) 1 …

B-21

B-22
B10
サーボモーター配線-右ヘッド
Wiring diagram servo motor - Right
イラスト番号
Ref.No.
品番
Part Number
Description
品名
個数
Q'ty
備考
Remarks
1
EZ1-969-134-16
HARNESS (HEAD ETC-H1M H1E ETC)
ハ-ネス (HEAD ETC-H1M H1E ETC)(R)
1
2
EZ1-969-127-22
HARNESS (YM YE ETC-YM1 YS ETC)
ハ-ネス (YM YE ETC-YM1 YS ETC)(R)
1
3
EZ1-969-122-13
HARNESS (ZM1-ZM2)
ハ-ネス (ZM1-ZM2)
1
4
EZ1-969-135-22
HARNESS (BCSEN-AMP)
ハ-ネス (BCSEN-AMP) (R)
1
5
401-58057
HARNESS (BAT-BACKUP MONITOR 2)
ハ-ネス (BAT-BACKUP MONITOR 2)
2
6
EZ1-969-505-12
HARNESS (BACKUP MONITORING)
ハ-ネス (バツクアツプ モニタ-)
1
7
EZ1-458-773-11
USB EXTENSION (USB-EX50)
USB EXTENSION (USB-EX50)
1