RX-7-Rev07PDFA - 第173页
B- 24 B1 1 ヘッド吸装着・真空 ポンプ配線 Wiring diagra m Head/Pump イラスト番号 Ref.No. 品番 Part Number Description 品名 個数 Q'ty 備考 Remarks 1 EZ1- 969 - 383 - 12 HARNESS (BOX IO2-AIRSUP , MNT) ハ - ネス (BOX IO2-AIRSUP, MNT) 1 2 EZ1- 969 - 3…

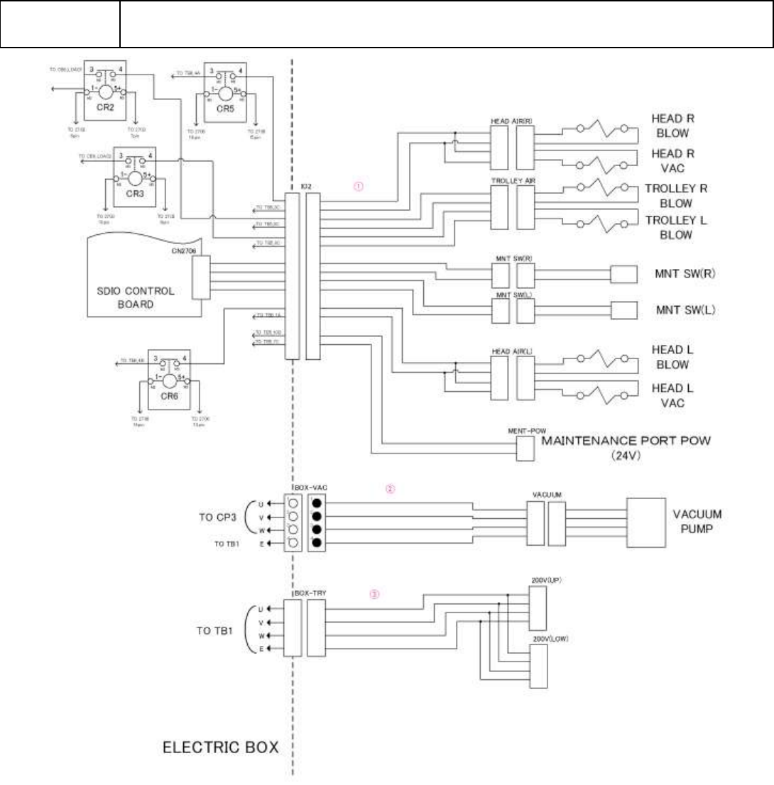
B-23
B11
ヘッド吸装着・真空ポンプ配線
Wiring diagram Head/Pump

B-24
B11
ヘッド吸装着・真空ポンプ配線
Wiring diagram Head/Pump
イラスト番号
Ref.No.
品番
Part Number
Description
品名
個数
Q'ty
備考
Remarks
1
EZ1-969-383-12
HARNESS (BOX IO2-AIRSUP, MNT)
ハ-ネス (BOX IO2-AIRSUP, MNT)
1
2
EZ1-969-360-13
HARNESS (BOX VAC-VACUUM)
ハ-ネス (BOX VAC-VACUUM)
1
3
EZ1-969-783-12
HARNESS (200V OUTPUT)
ハ-ネス (200V OUTPUT)
1

B-25
B12
ヘッド LED・バルブモーター配線-左ヘッド
Wiring diagram Head LEFT
E L E C T R I C B O X
C N 2 7 0 5
C R 7
T O S F R - S 1 4
S D I O C O N T R O L
B O A R D
H - I O ( L ) - 3 0
T O T B 6 _ 1 B
S D I O C O N T R O L
B O A R D
C N 2 7 0 3
C N 2 9 0 3
C R 1
T B 6 _ 1 D ( G 2 4 V )
T B 6 _ 4 D ( + 2 4 V )
T B 6 _ 2 D ( G 2 4 V )
T B 6 _ 5 D ( + 2 4 V )
H - I O ( L )
Y C A B L E
C O N D U I T
H - I O 1 ( L )
H - I O 1 ( L )
H - F A N 1 ( L )
F A N ( L )
H - F A N 2 ( L )
V D B L - 1
V D B L - 4 C N 4
C N 1
C N 3
C N 2
V D B L - 3
V D B L - 2
V A L V E C O N T R O L
B O A R D
H - I O 2 ( L )
R E S E R V E D
R E S E R V E D
H - D E T ( L )
H - D E T ( L )
T O Z A X I S M O T O R
Z - B R K ( L )
p a g e 5
L E D - B ( L )
B O A R D
L E D
H - I O 3 ( L )
H E A D ( L )
R E C
T R D
T R D
R E C
V A L V E
S E N S O R 1
( V A C )
V A L V E
M O T O R
S H A F T
D E T E C T
N O Z Z L E
D E T E C T
V A L V E
S E N S O R 2
( B L O W )
B L O W
V A L V E 1
( N O R M A L )
B L O W
V A L V E 2
( C L E A N I N G )
L E D
H E A D
H E A D
L E D
M
4
3
2
1