RX-7-Rev07PDFA - 第212页
C-1 C1 全体配管図 P ip e diagram

B-62
B30
ISLITE (ISM/MES 連携)配線図
System diagram ISLITE (ISM/MES Cooperation)
イラスト番号
Ref.No.
品番
Part Number
Description
品名
個数
Q'ty
備考
Remarks
1
EZ1-969-295-15
HARNESS (BOX-TROLLEY IF)
ハ-ネス (BOX-TROLLEY IF)
1
2
EZ1-969-384-12
HARNESS (S/I JP)
ハ-ネス (S/I JP)
1
3
EZ1-771-841-11
SWITCH POWER (D2D-2000)
デンゲン スイツチ (D2D-2000)
1
4
EZ1-492-199-22
SAFETY SW ASSY
SAFETY SW ASSY (ダイシヤ) R
1
5
EZ1-492-199-32
SAFETY SW ASSY
SAFETY SW ASSY (ダイシヤ) L
1
6
EZ1-969-294-12
HARNESS (PRESS-SW)
ハ-ネス (PRESS-SW)
1
7
EZ1-798-472-11
SWITCH PRESSURE (ISE30A-C6H)
アツリヨク スイツチ (ISE30A-C6H)
1
8
EZ1-798-473-11
SWITCH PRESSURE (ZSE30A-C6H)
アツリヨク スイツチ (ZSE30A-C6H)
1
9
EZ1-520-538-12
METER HOUR (H7ET-NFV-300)
アワ- メ-タ- (H7ET-NFV-300)
1
10
401-58790
FD-FLOAT(R)SENS CABLE2-2 ASM
FD-FLOAT(R)センサ ケーブル 2-2 クミ
1
11
401-58787
SENSOR ASSY A (FEEDER FLOAT JAM)
SENSOR ASSY A (FEEDER FLOAT JAM)
1
12
401-58788
SENSOR ASSY B (FEEDER FLOAT JAM)
SENSOR ASSY B (FEEDER FLOAT JAM)
1
13
401-58789
FD-FLOAT(L)SENS CABLE2-2 ASM
FD-FLOAT(L)SENS CABLE2-2 クミ
1
14
EZ1-969-296-12
HARNESS (BOX-TROLLEY POW)
ハ-ネス (BOX-TROLLEY POW)
1
15
EZA-194-422-7B
TROLLEY CONTACT(M)B MOUNT
トロリー CONTACT(M)B MOUNT
1
16
EZA-194-422-6B
TROLLEY CONTACT(M)A MOUNT
トロリー CONTACT(M)A MOUNT
1
17
EZA-194-422-9B
TROLLEY CONTACT(T)B MOUNT
トロリー CONTACT(T)B MOUNT
1
18
EZA-194-422-8B
TROLLEY CONTACT(T)A MOUNT
トロリー CONTACT(T)A MOUNT
1
19
401-42763
POWER CABLE ASM 2
電源ケーブル組 2
1
20
401-42757
POWER CABLE ASM
電源ケーブル組
1
21
401-42758
TROLLEY-IF CABLE ASM
台車 IF ケーブル組
1
22
EZ1-845-148-11
MEMORY USB
USB メモリ (USM4GR B)
1
23
401-42756
TROLLEY-CUTTER CABLE ASM
台車カッターケーブル組
1
24
401-43435
E BANK FG CABLE ASM
E バンク FG ケーブル組
1
25
401-42764
ELEC BANK PCB ASM
エレキバンク基板組
1
26
401-42759
EF IF CBL 1-5 ASM
電動フィーダー IF 1-5 組
1
27
401-42760
EF IF CBL 6-10 ASM
電動フィーダー IF 6-10 組
1
28
401-42761
EF IF CBL 11-15 ASM
電動フィーダー IF 11-15 組
1
29
401-42762
EF IF CBL 16-20 ASM
電動フィーダー IF 16-19 組
1
30
401-73481
USB REPEATER CABLE
USB リピーターケーブル
1
31
EZ1-846-560-11
CABLE BARCODE READER
バーコードリーダケーブル (CAB-426E)
1
32
EZ1-458-644-11
READER BAR CODE
バ-コ-ド リ-ダ (GD4430-BK)
1
33
401-56753
FD-FLOAT(R) SENS CABLE2 ASM
FD-FLOAT(R)センサ ケーブル 2-2 クミ
1
34
401-56752
FD-FLOAT(L) SENS CABLE2 ASM
FD-FLOAT(L) センサ ケーブル 2 クミ
1

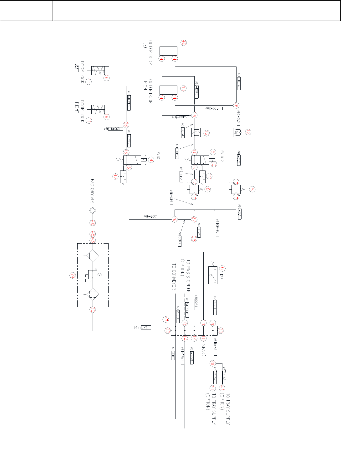
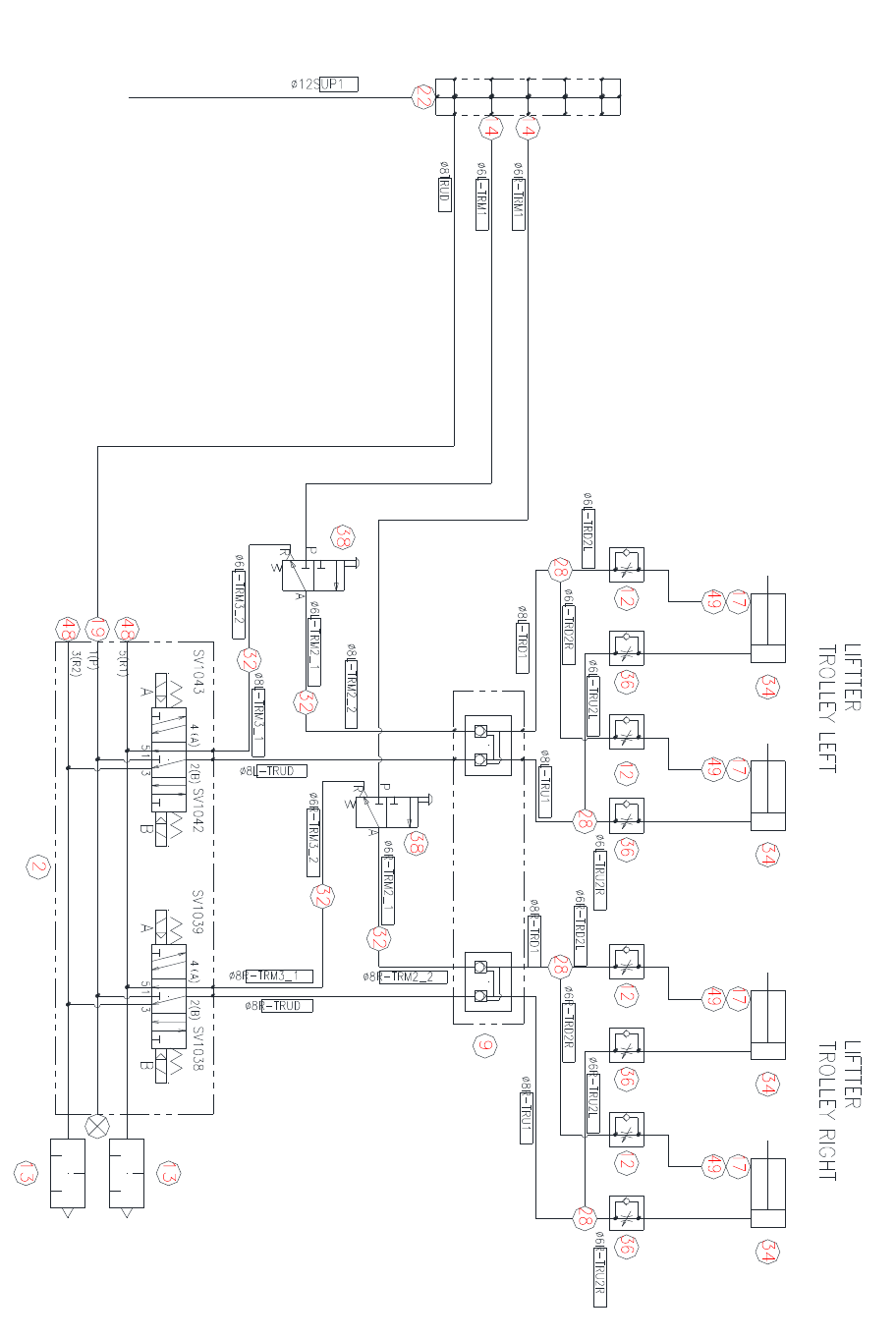
C-1
C1
全体配管図
Pipe diagram

C-2