RX-7-Rev07PDFA - 第215页
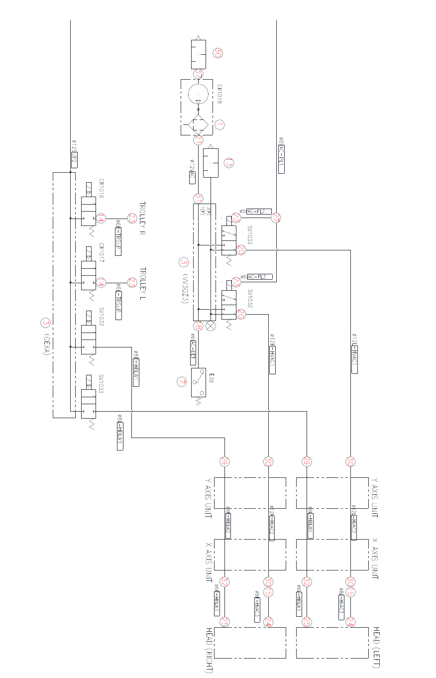
C-4 C1 全体配管図 Pipe diagram イラスト番号 Ref.No. 品番 Part Number Description 品名 個数 Q'ty 備考 Remarks 1 EZ1- 492 - 203 - 11 V ACUUM PUMP ASSY シンクウ ポンプ ASSY 1 2 EZ1- 492 - 241 - 12 SOLENOID ASSY (TROLLEY LOCK) ソレノイド ASSY ( ダ…

C-3

C-4
C1
全体配管図
Pipe diagram
イラスト番号
Ref.No.
品番
Part Number
Description
品名
個数
Q'ty
備考
Remarks
1
EZ1-492-203-11
VACUUM PUMP ASSY
シンクウ ポンプ ASSY
1
2
EZ1-492-241-12
SOLENOID ASSY (TROLLEY LOCK)
ソレノイド ASSY (ダイシャ ロック)
1
3
EZ1-492-242-13
SOLENOID ASSY (AIR SUPPLY)
ソレノイド ASSY (AIR SUPPLY)
1
4
EZ1-492-357-11
ELECTROMAGNETIC ASSY
デンジベン ASSY (ドア ロック)
1
5
EZ1-492-358-11
ELECTROMAGNETIC ASSY
デンジベン ASSY (ウチ カバ- カイヘイ)
1
6
EZ1-798-472-11
SWITCH PRESSURE (ISE30A-C6H)
アツリヨク スイツチ (ISE30A-C6H)
1
7
EZ1-798-473-11
SWITCH PRESSURE (ZSE30A-C6H)
アツリヨク スイツチ (ZSE30A-C6H)
1
8
EZ2-023-682-31
REGULATOR, PRECISION (IR1010-01-BG)
セイミツ レギユレ-タ (IR1010-01-BG)
2
9
EZ2-108-828-01
MANIFOLD (VVQ2000-FPG-02-X9)
マニホ-ルド(VVQ2000-FPG-02-X9)
1
10
EZ2-672-089-31
PLUG (KQ2P-08), BLANKING
ブランキング プラグ (KQ2P-08)
2
11
EZ4-271-381-01
CYLINDER (SSD-X-20-10), AIR
エア シリンダ (SSD-X-20-10)
2
12
EZ4-294-534-01
CONTROLLER (AS2002F-06) SPEED
スピ-ド コントロ-ラ (AS2002F-06)
6
13
EZ4-436-830-11
SILENCER (AN15-02)
サイレンサ (AN15-02)
3
14
EZ4-446-715-21
REJUICER (KQ2R06-08A)
レジユ-サ (KQ2R06-08A)
6
15
EZ4-446-715-51
REJUICER (KQ2R08-12A)
レジユ-サ (KQ2R08-12A)
2
16
EZ4-447-053-11
UNION (KQ2H06-M5N) HALF
ハ-フ ユニオン (KQ2H06-M5N)
7
17
EZ4-447-063-21
UNION (KQ2L06-01AS), ELBOW
エルボ ユニオン (KQ2L06-01AS)
8
18
EZ4-447-063-31
UNION (KQ2L06-02AS), ELBOW
エルボ ユニオン (KQ2L06-02AS)
1
19
EZ4-447-063-51
UNION (KQ2L08-02AS), ELBOW
エルボ ユニオン (KQ2L08-02AS)
1
20
EZ4-447-063-71
UNION (KQ2L12-02AS), ELBOW
エルボ ユニオン (KQ2L12-02AS)
3
21
EZ4-447-063-91
UNION (KQ2L12-04AS), ELBOW
エルボ ユニオン (KQ2L12-04AS)
1
22
EZ4-447-107-21
ELBOW (KQ2L12-99A), STREET
ストリ-ト エルボ (KQ2L12-99A)
2
23
EZ4-447-109-11
UNION (KQ2L06-M5A), ELBOW
エルボ ユニオン (KQ2L06-M5A)
4
24
EZ4-447-063-41
UNION (KQ2L08-01AS), ELBOW
エルボ ユニオン (KQ2L08-01AS)
2
25
EZ1-482-181-11
FERRITE CLAMP (GRFC-13)
FERRITE CLAMP (GRFC-13)
2
26
EZ4-447-182-11
JOINT (KQ2T06-00A), TEE
チ-ズ (KQ2T06-00A)
4
27
EZ4-447-186-11
WYE (KQ2U06-00A), UNION
ユニオン ワイ (KQ2U06-00A)
2
28
EZ4-447-213-21
WYE (KQ2U06-08A), UNION
イケイ ユニオン ワイ (KQ2U06-08A)
6
29
EZ4-447-247-21
STRAIGHT (KQ2H08-00A)
ストレ-ト (KQ2H08-00A)
2
30
EZ4-447-247-41
STRAIGHT (KQ2H12-00A)
ストレ-ト (KQ2H12-00A)
2
31
EZ4-447-248-61
UNION (KQ2H12-02AS), HALF
ハ-フ ユニオン (KQ2H12-02AS)
1
32
EZ4-447-250-11
STRAIGHT (KQ2H06-08A)
イケイ ストレ-ト (KQ2H06-08A)
6
33
EZ4-453-569-01
PLUG (CYP025-08B29449)
プラグ (CYP025-08B29449)
4
34
EZ4-454-729-01
CYLINDER(CXSM32-100), DUAL ROD
デュアル ロッド シリンダ (CXSM32-100)
4
35
EZ4-454-742-01
SILENCER (ANA1-03)
サイレンサ (ANA1-03)
1
36
EZ4-454-743-01
CONTROLLER (AS2201F-01-06SA)
スピ-ド コントロ-ラ (AS2201F-01-06SA)
4
37
EZ4-455-483-01
ELBOW (3/8), STREET
ストリ- ト エルボ (3/8)
1
38
EZ4-457-358-01
VALVE (MVP63-J), MECHANICAL
メカニカル バルブ (MVP63-J)
2
39
EZ4-458-430-01
AIRCOMBINATION(AC30D-02DG-R-A)
エア コンビネ-ション (AC30D-02DG-R-A)
1
40
EZ4-460-696-01
CYLINDER (CJ2D16-150A)
シリンダ (CJ2D16-150A)
2
41
EZ4-462-965-01
COUPLER (MC-04SHB), MICRO
マイクロ カプラ (MC-04SHB)
2
42
EZ4-463-167-01
SILENCER (AN05-M5)
サイレンサ (AN05-M5)
2
43
EZ4-701-316-01
ELBOW, STREET
ストリ-ト エルボ
1
44
EZ4-702-324-11
ELBO (M-5HL-6), HOSE
ホ-ス エルボ (M-5HL-6)
4
45
EZ4-703-607-02
COUPLER, HIGH (20PM)
ハイ カプラ- (20PM)
1
46
EZ4-703-619-01
SOCKET
ハイ カプラ- (20SH)
1
47
EZ4-705-238-11
MANIFOLD (KM11-08-12-10)
マニホ-ルド (KM11-08-12-10)
1
48
EZ4-707-030-21
PLUG, TAPER SCREW (MSWT2)
ハイカンヨウ テ-パ-スクリュ-プラグ (MSWT2)
2
49
EZ4-719-971-01
NIPPLE, JOINT (KQ2N06-99)
ツギテ ニップル (KQ2N06-99)
4

C-5
C2
ヘッド部配管図
Head pipe diagram