RX-7-Rev07PDFA - 第35页
A- 29 A13 ヘッド ASSY -4 Head assy - 4 イラスト番号 Ref.No. 品番 Part Number Description 品名 個数 Q'ty 備考 Remarks 1 EZ1- 843 - 626 - 11 CONNECTO R (DL2-96R) コネクタ (DL2-96R) 1 2 401 -63295 USB MEMORY (SP0 08GBUF3J06V1D) USB メモリ - (…

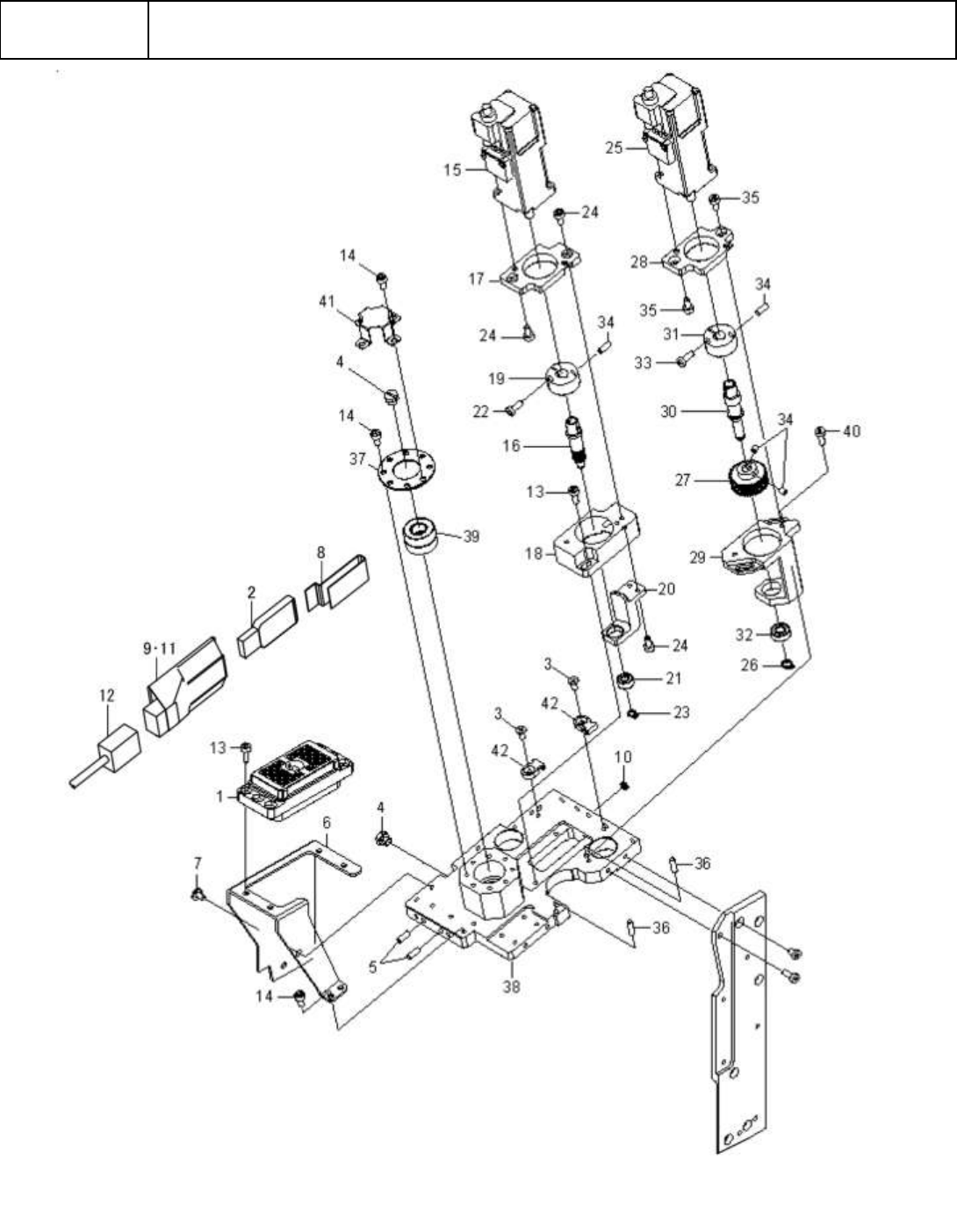
A-28
A13
ヘッド ASSY-4
Head assy - 4

A-29
A13
ヘッド ASSY-4
Head assy - 4
イラスト番号
Ref.No.
品番
Part Number
Description
品名
個数
Q'ty
備考
Remarks
1
EZ1-843-626-11
CONNECTOR (DL2-96R)
コネクタ (DL2-96R)
1
2
401-63295
USB MEMORY (SP008GBUF3J06V1D)
USB メモリ- (SP008GBUF3J06V1D)
1
3
EZ7-682-247-04
SCREW +K 3X6
+K 3X6
2
4
EZ2-023-770-01
PLUG (M-5P)
プラグ (M-5P)
2
5
EZ3-703-360-03
PIN PARALLEL (DIA. 3X10)
ヘイコウピン (フアイ 3X10)
2
6
EZ4-454-041-03
BRACKET, CONNECTOR
コネクタ ブラケツト
1
7
EZ4-454-078-01
BOLT (SET-M3X6-NI)
テイトウボルト (SET-M3X6-NI)
22
8
EZ4-457-931-01
TAPE (80) FIXED
コテイ テ-プ (80)
1
9
EZ1-458-773-11
USB EXTENSION (USB-EX50)
USB EXTENSION (USB-EX50)
1
10
EZ4-465-278-01
O RING (SS3.5)
O リング (SS3.5)
1
11
EZ7-632-355-40
TUBE HEAT SHRINKING (25X0.4)
ネツ シユウシユク チユ-ブ
0.052
12
EZ1-970-003-11
HARNESS (USB LAN)
ハ-ネス (USB LAN)
1
13
EZ7-683-404-04
BOLT,HEXAGON SOCKET 3X8
6 カクアナツキボルト 3X8
7
14
EZ7-683-403-04
BOLT,HEXAGON SOCKET 3X6
6 カクアナツキボルト 3X6
33
15
401-61107
MOTOR ASSY(RT)
モータ ASSY(RT ジク)
1
16
EZ4-453-921-02
GEAR (RT) (DRIVING)
ギア- (RT) (クドウ)
1
17
EZ4-453-928-01
BASE (RT), MOTOR
モ-タ ベ-ス (RT)
1
18
EZ4-453-930-01
HOLDER (RT), BEARING
ベアリング ホルダ (RT)
1
19
EZ4-453-944-02
COLLAR, SET
セツト カラ-
1
20
EZ4-454-027-01
HOLDER (TR-2), BEARING
ベアリング ホルダ (TR-2)
1
21
EZ4-454-054-01
BEARING (684AZZ)
ベアリング (684AZZ)
1
22
EZ4-454-723-01
LOW HEAD SCREW (M3X8)
テイトウ ロツカク アナツキ ボルト (M3X8)
1
23
EZ4-454-724-01
RING,SHAFT C TYPE RETAINING(4)
ジクヨウ C ガタ トメワ (4)
1
24
EZ7-683-403-04
BOLT,HEXAGON SOCKET 3X6
6 カクアナツキボルト 3X6
6
25
EZ1-492-164-25
MOTOR ASSY
モ-タ- ASSY (RN ジク)
1
26
EZ2-023-130-11
RING, SHAFT C TYPE RETAINING
ジクヨウ C ガタ トメワ (STWN5)
1
27
EZ4-453-922-01
GEAR (RN) (DRIVING)
ギア- (RN) (クドウ)
1
28
EZ4-453-929-01
BASE (RN), MOTOR
モ-タ ベ-ス (RN)
1
29
EZ4-453-931-01
HOLDER (RN), BEARING
ベアリング ホルダ (RN)
1
30
EZ4-453-943-02
SHAFT, GEAR
ギア- シヤフト
1
31
EZ4-453-944-02
COLLAR, SET
セツト カラ-
1
32
EZ4-454-066-01
BEARING (MR115ZZ)
ベアリング (MR115ZZ)
1
33
EZ4-454-723-01
LOW HEAD SCREW (M3X8)
テイトウ ロツカク アナツキ ボルト (M3X8)
1
34
EZ4-718-766-01
SET-SCREW (M3X4 SUS), HEAD
ロツカク アナツキ トメネジ (M3X4 SUS)
4
35
EZ7-683-403-04
BOLT,HEXAGON SOCKET 3X6
6 カクアナツキボルト 3X6
4
36
EZ2-022-865-01
PIN, PARALLEL (DIA. 3M6X10)
ヘイコウ ピン (フアイ 3M6X10)
2
37
EZ4-453-925-01
RETAINER, BEARING
ベアリング オサエ
1
38
EZ4-453-949-02
HEAD TOP PLATE
ヘツド トツプ プレ-ト
1
39
EZ4-454-052-01
BEARING (AC8-18DF)
アンギユラ ベアリング (AC8-18DF)
1
40
EZ4-454-723-01
LOW HEAD SCREW (M3X8)
テイトウ ロツカク アナツキ ボルト (M3X8)
2
41
EZ4-457-779-01
MAIN SHAFT COVER
メイン シヤフト カバ-
1
42
EZ4-701-529-01
TIE MOUNT (MB1)
タイマウント (MB1)
2

A-30
A14
ヘッド ASSY-5
Head assy - 5