RX-7-Rev07PDFA - 第63页
A- 52 A22 搬送レーン 1 Conveyor lan e - 1 イラスト番号 Ref.No. 品番 Part Number Description 品名 個数 Q'ty 備考 Remarks 1 EZ4- 454 - 322 - 01 RET AINER (SLIDE LOWER L) キバン オサエ ( スライド シタ L) 1 2 EZ4- 454 - 519 - 01 SOLENOID (SBP5), BA…

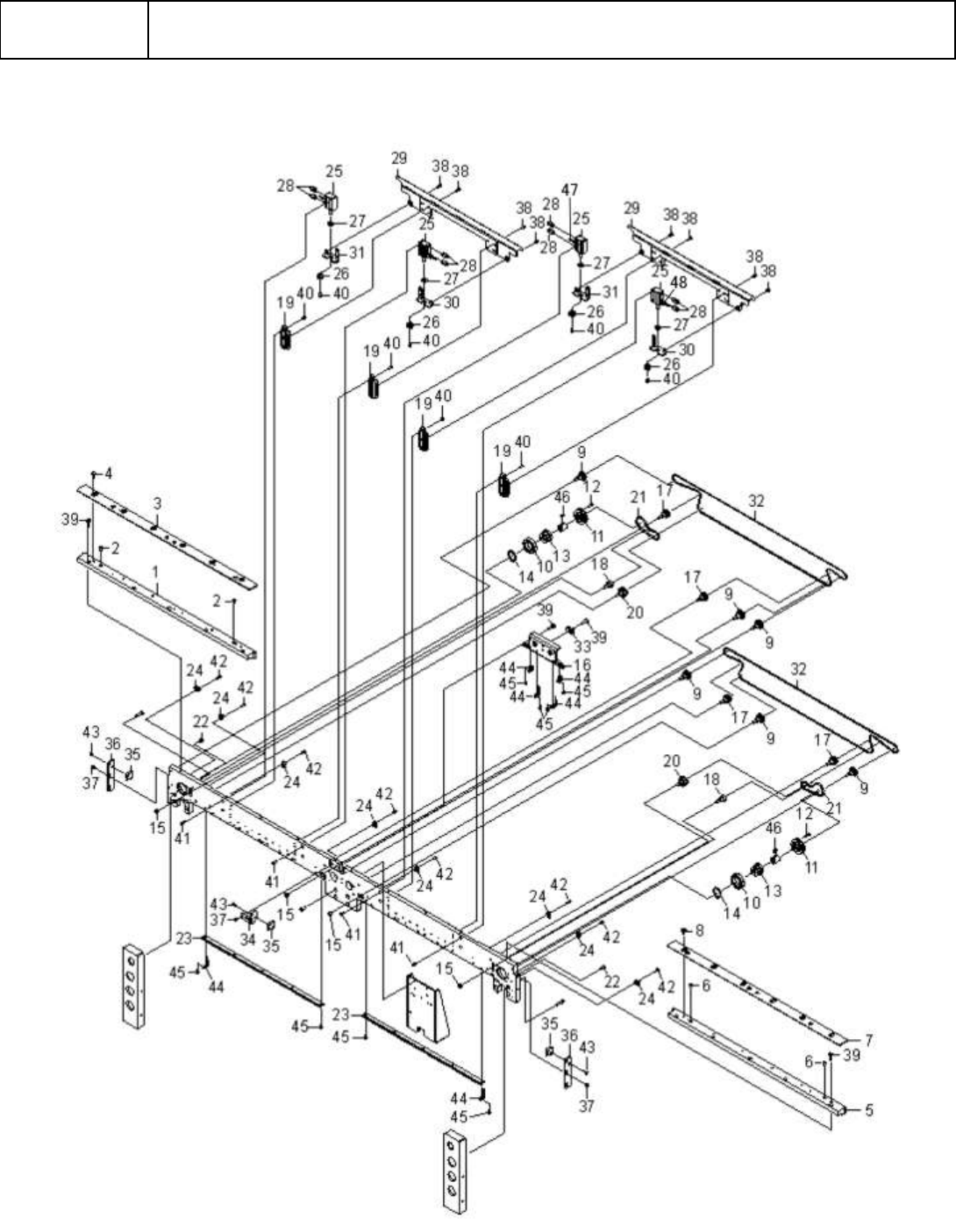
A-51
A22
搬送レーン 1
Conveyor lane - 1

A-52
A22
搬送レーン 1
Conveyor lane - 1
イラスト番号
Ref.No.
品番
Part Number
Description
品名
個数
Q'ty
備考
Remarks
1
EZ4-454-322-01
RETAINER (SLIDE LOWER L)
キバン オサエ (スライド シタ L)
1
2
EZ4-454-519-01
SOLENOID (SBP5), BALL
ボ-ル プランジヤ (SBP5)
2
3
EZ4-454-323-01
RETAINER (SLIDE UPPER L),BOARD
キバン オサエ (スライド ウエ L)
1
4
EZ4-454-319-01
PIN, STEP
ダンツキ ピン
6
5
EZ4-454-322-11
RETAINER (SLIDE LOWER R)
キバン オサエ (スライド シタ R)
1
6
EZ4-454-519-01
SOLENOID (SBP5), BALL
ボ-ル プランジヤ (SBP5)
2
7
EZ4-454-323-11
RETAINER (SLIDE UPPER R),BOARD
キバン オサエ (スライド ウエ R)
1
8
EZ4-454-319-01
PIN, STEP
ダンツキ ピン
6
9
EZ4-454-511-01
PULLEY (P30-2GT) (A)
プ-リ (P30-2GT) A
6
10
EZ4-453-832-01
BEARING (6804ZZ)
ベアリング (6804ZZ)
2
11
EZ4-453-825-01
PULLEY (P1110-012-1) (D)
タイミング プ-リ (P1110-012-1) D
2
12
EZ2-679-468-01
BOLT (CBSTS3-10)
ゴク テイトウ ボルト (CBSTS3-10)
8
13
EZ4-454-327-01
HOUSING, NUT
ナツト ハウジング
2
14
EZ2-022-680-11
RING, C TYPE RETAINING (STWS*)
C ガタ トメワ (STWS20)
2
15
EZ4-718-724-05
NUT(1TYPE),HEXAGON(M4X0.7 SUS)
ロツカク ナツト (1 シユ) (M4X0.7 SUS)
4
16
EZ4-454-362-02
BRACKET (2R), REINFORCEMENT
ホキヨウ ブラケツト (2R)
1
17
EZ4-454-504-01
IDLER (AS-5A39A) (A)
アイドラ- (AS-5A39A) A
4
18
EZ4-454-505-01
IDLER (AS-5A40) (B)
アイドラ- (AS-5A40) B
2
19
EZ4-454-501-01
GUIDE (LWLG9C1R52BS1EB09)
ガイド (LWLG9C1R52BS1EB09)
4
20
EZ4-454-512-01
PULLEY (P30-2GTX2) (B)
プ-リ (P30-2GTX2) B
2
21
EZ4-453-829-01
BELT (162-2GT-3), TIMING
タイミング ベルト (162-2GT-3)
2
22
EZ2-915-937-11
BOLT (M4 SUS), SOCKET BUTTON
ロツカク アナツキ ボタン ボルト (M4 SUS)
4
23
EZ4-455-706-01
COVER HARNESS
カバ-ハ-ネス
2
24
EZ4-701-529-01
TIE MOUNT (MB1)
タイマウント (MB1)
8
25
EZ4-454-500-01
CYLINDER (CDUJB8-11-DCP6468P)
シリンダ (CDUJB8-11-DCP6468P)
4
26
EZ4-454-324-01
JOINT, CYLINDER
シリンダ ジヨイント
4
27
EZ4-454-328-01
STOPPER, CLAMP
クランプ ストツパ
4
28
EZ4-447-052-11
UNION (KQ2H02-M3G), HALF
ハ-フ ユニオン (KQ2H02-M3G)
8
29
EZ4-454-360-01
PLATE (0.5), CLAMP
クランプ プレ-ト (0.5)
2
30
EZ4-454-361-01
JOINT (L), CLAMP
クランプ ジヨイント (L)
2
31
EZ4-454-361-11
JOINT (R), CLAMP
クランプ ジヨイント (R)
2
32
EZ4-459-595-01
BELT (1110-2GT-2), TIMING
タイミング ベルト (1110-2GT-2)
2
33
EZ4-706-151-11
CLAMP (KR5G5)
ハイセンドメ (KR5G5)
1
34
EZ4-454-326-01
BRACKET (C), SENSOR
センサ ブラケツト (C)
1
35
EZ1-492-207-11
SENSOR, FIBER (FT-AL05)
フアイバ センサ (FT-AL05)
3
36
EZ4-454-325-01
BRACKET (LR), SENSOR
センサ ブラケツト (LR)
1
37
EZ3-282-481-31
BOLT (CBSA3-6)
ゴク テイトウ ボルト (CBSA3-6)
6
38
EZ7-683-402-04
BOLT,HEXAGON SOCKET 3X5
6 カクアナツキボルト 3X5
28
39
EZ7-683-421-04
BOLT HEXAGON SOCKET 4X12
6 カクアナツキボルト(C4X12)
16
40
EZ7-683-403-04
BOLT,HEXAGON SOCKET 3X6
6 カクアナツキボルト 3X6
16
41
EZ7-683-404-04
BOLT,HEXAGON SOCKET 3X8
6 カクアナツキボルト 3X8
8
42
EZ7-682-248-09
SCREW +K 3X8
+K 3X8
8
43
EZ4-702-261-02
BOLT, HEXAGON SOCKET (M3X6)
ロツカク アナツキ サラ ボルト (M3X6)
6
44
EZ2-595-270-01
HOLDER WIRE
ホルダーワイヤー
6
45
EZ7-682-247-09
SCREW +K 3X6
SCREW +K 3X6
8
46
EZ4-454-762-01
KEY (K03008), PARALLEL
ヘイコウ キ- (K03008)
2
47
EZ1-492-216-12
SENSOR ASSY
センサ ASSY (クランプ 1)
1
48
EZ1-492-216-22
SENSOR ASSY
センサ ASSY (クランプ 2)
1

A-53
A23
搬送レーン 2
Conveyor lane - 2