RX-7-Rev07PDFA - 第65页
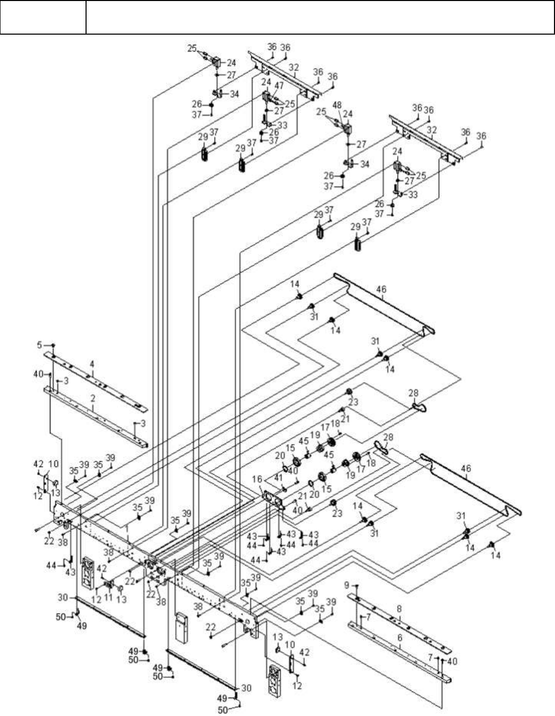
A- 54 A23 搬送レーン 2 Conveyor lan e - 2 イラスト番号 Ref.No. 品番 Part Number Description 品名 個数 Q'ty 備考 Remarks 1 EZ4- 454 - 296 - 02 PLA TE (L1), RAIL レ - ル プレ - ト (L1) 1 2 EZ4- 454 - 321 - 01 RET AINER (L), PC BOARD キバン オサ…

A-53
A23
搬送レーン 2
Conveyor lane - 2

A-54
A23
搬送レーン 2
Conveyor lane - 2
イラスト番号
Ref.No.
品番
Part Number
Description
品名
個数
Q'ty
備考
Remarks
1
EZ4-454-296-02
PLATE (L1), RAIL
レ-ル プレ-ト (L1)
1
2
EZ4-454-321-01
RETAINER (L), PC BOARD
キバン オサエ (L)
1
3
EZ4-454-321-11
RETAINER (R), PC BOARD
キバン オサエ (R)
1
4
EZ4-454-511-01
PULLEY (P30-2GT) (A)
プ-リ (P30-2GT) A
6
5
EZ4-454-362-02
BRACKET (2R), REINFORCEMENT
ホキヨウ ブラケツト (2R)
1
6
EZ4-454-325-01
BRACKET (LR), SENSOR
センサ ブラケツト (LR)
2
7
EZ1-492-207-11
SENSOR, FIBER (FT-AL05)
フアイバ センサ (FT-AL05)
3
8
EZ4-453-832-01
BEARING (6804ZZ)
ベアリング (6804ZZ)
2
9
EZ4-453-825-01
PULLEY (P1110-012-1) (D)
タイミング プ-リ (P1110-012-1) D
2
10
EZ2-679-468-01
BOLT (CBSTS3-10)
ゴク テイトウ ボルト (CBSTS3-10)
8
11
EZ4-454-327-01
HOUSING, NUT
ナツト ハウジング
2
12
EZ2-022-680-11
RING, C TYPE RETAINING (STWS*)
C ガタ トメワ (STWS20)
2
13
EZ4-718-724-05
NUT(1TYPE),HEXAGON(M4X0.7 SUS)
ロツカク ナツト (1 シユ) (M4X0.7 SUS)
6
14
EZ3-282-481-31
BOLT (CBSA3-6)
ゴク テイトウ ボルト (CBSA3-6)
6
15
EZ4-454-504-01
IDLER (AS-5A39A) (A)
アイドラ- (AS-5A39A) A
4
16
EZ4-454-505-01
IDLER (AS-5A40) (B)
アイドラ- (AS-5A40) B
2
17
EZ4-454-501-01
GUIDE (LWLG9C1R52BS1EB09)
ガイド (LWLG9C1R52BS1EB09)
4
18
EZ4-454-512-01
PULLEY (P30-2GTX2) (B)
プ-リ (P30-2GTX2) B
2
19
EZ4-453-829-01
BELT (162-2GT-3), TIMING
タイミング ベルト (162-2GT-3)
2
20
EZ2-915-937-11
BOLT (M4 SUS), SOCKET BUTTON
ロツカク アナツキ ボタン ボルト (M4 SUS)
4
21
EZ4-455-706-01
COVER HARNESS
カバ-ハ-ネス
2
22
EZ4-701-529-01
TIE MOUNT (MB1)
タイマウント (MB1)
8
23
EZ4-454-500-01
CYLINDER (CDUJB8-11-DCP6468P)
シリンダ (CDUJB8-11-DCP6468P)
4
24
EZ4-454-324-01
JOINT, CYLINDER
シリンダ ジヨイント
4
25
EZ4-454-328-01
STOPPER, CLAMP
クランプ ストツパ
4
26
EZ4-447-052-11
UNION (KQ2H02-M3G), HALF
ハ-フ ユニオン (KQ2H02-M3G)
8
27
EZ4-454-360-01
PLATE (0.5), CLAMP
クランプ プレ-ト (0.5)
2
28
EZ4-454-361-01
JOINT (L), CLAMP
クランプ ジヨイント (L)
2
29
EZ4-454-361-11
JOINT (R), CLAMP
クランプ ジヨイント (R)
2
30
EZ4-459-595-01
BELT (1110-2GT-2), TIMING
タイミング ベルト (1110-2GT-2)
2
31
EZ4-706-151-11
CLAMP (KR5G5)
ハイセンドメ (KR5G5)
1
32
EZ7-683-402-04
BOLT,HEXAGON SOCKET 3X5
6 カクアナツキボルト 3X5
28
33
EZ7-683-421-04
BOLT HEXAGON SOCKET 4X12
6 カクアナツキボルト(C4X12)
16
34
EZ7-683-403-04
BOLT,HEXAGON SOCKET 3X6
6 カクアナツキボルト 3X6
16
35
EZ7-683-404-04
BOLT,HEXAGON SOCKET 3X8
6 カクアナツキボルト 3X8
8
36
EZ7-682-248-09
SCREW +K 3X8
+K 3X8
8
37
EZ4-702-261-02
BOLT, HEXAGON SOCKET (M3X6)
ロツカク アナツキ サラ ボルト (M3X6)
6
38
EZ2-595-270-01
HOLDER WIRE
ホルダーワイヤー
6
39
EZ7-682-247-09
SCREW +K 3X6
SCREW +K 3X6
6
40
EZ4-454-762-01
KEY (K03008), PARALLEL
ヘイコウ キ- (K03008)
2
41
EZ4-454-326-02
BRACKET (CF), SENSOR
センサ ブラケツト (CF)
1
42
EZ2-595-270-01
HOLDER WIRE
ホルダーワイヤー
4
43
EZ7-682-247-09
SCREW +K 3X6
SCREW +K 3X6
4

A-55
A24
搬送レーン 3
Conveyor lane - 3