FX-3-Rev13(-J)J.pdf - 第109页
- - REF.NO NOT E PART NO D E S C R I P T I O N Qty 1 PF-0154010-A0 AIR FILTER 1 2 PF-9010070-00 FILTER ELEMENT (1) 3 BT-1200801-EF TUBE 0.8 4 PJ-3041200-01 ELBOW D=12 1 5 BT-1200801-EF TUBE 1 6 BT-1000651-EB POLYURETHA…

- -
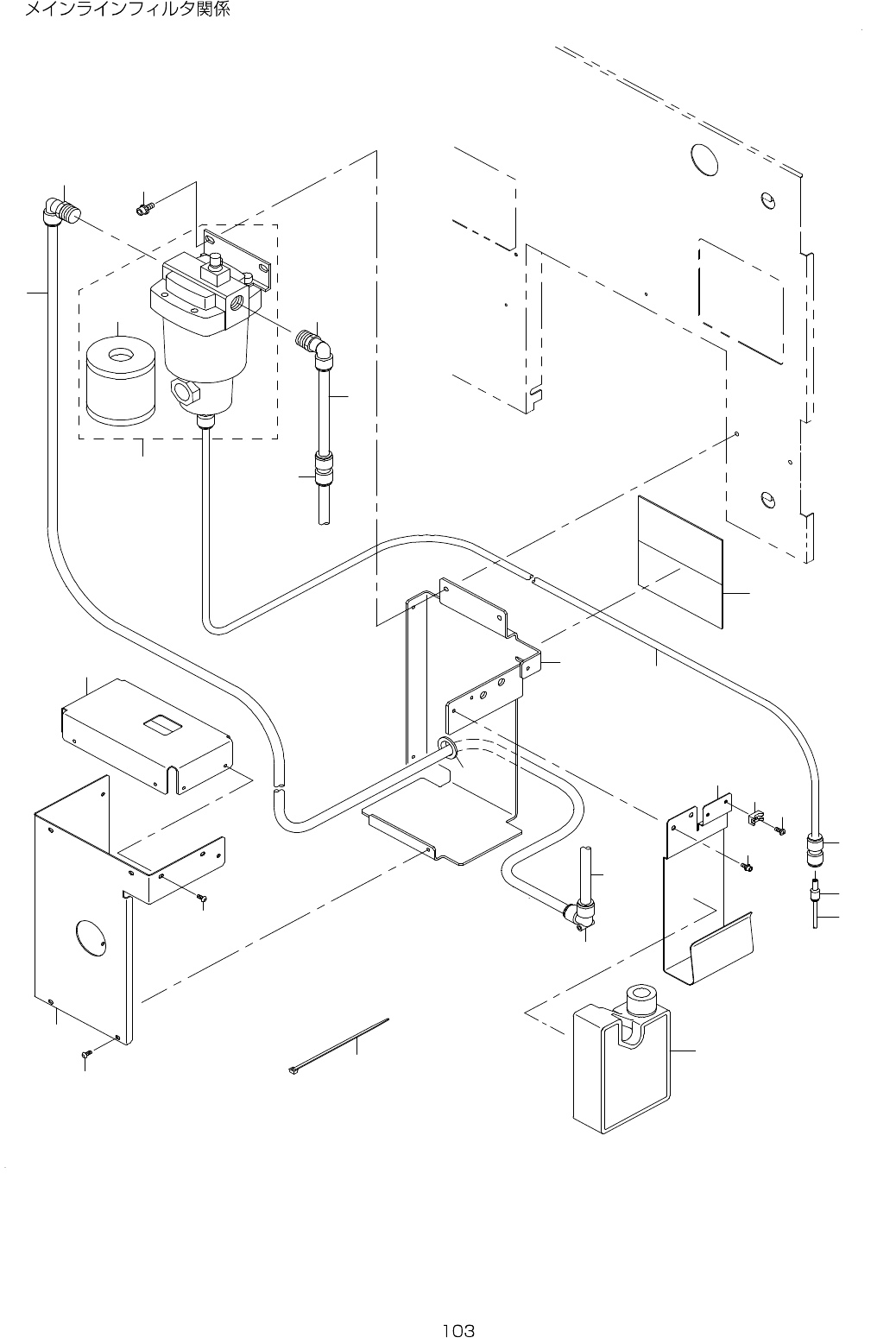
52.MAIN LINE FILTER COMPONENTS
2 4
1 5
1 4
1 6
1 7
2 1
2 0
7
8
1 1
9
3
4
6
1 8
1 9
1 2
5
2
1
1 0
2 4
2 3
2 2
2 5
1 3
2 6

- -
REF.NO NOTE PART NO D E S C R I P T I O N Qty
1 PF-0154010-A0 AIR FILTER 1
2 PF-9010070-00 FILTER ELEMENT (1)
3 BT-1200801-EF TUBE 0.8
4 PJ-3041200-01 ELBOW D=12 1
5 BT-1200801-EF TUBE 1
6 BT-1000651-EB POLYURETHANE TUBE 0.7
7 PJ-3031000-02 STRAGHT 1
8 PJ-3090400-03 STRAGHT 1
9 BT-0400251-EA TUBE HOSE, BLUE 0.16
10 SL-6061692-TN BOLT 2
11 400-31183 FILTER BRACKET 1
12 HX-0005500-0J RUBBER BUSHING 1
13 E1387-700-000 HOD MAGNET 2
14 400-17146 DRAIN TANK STAY B 1
15 SL-6040892-TN BOLT 2
16 HX-0029400-00 FIXED BASE 1
17 SM-4040601-SC SCREW M4X0.7 L=6 1
18 EA-9500B01-00 CABLE BAND 1
19 400-16815 DRAIN TANK 1
20 400-31184 FILTER COVER U 1
21 SM-3040652-TN SCREW M4 L=6 6
22 400-31185 FILTER COVER B 1
23 SM-3040652-TN SCREW M4 L=6 4
24 PJ-3041254-01 ELBOW UNION D=12 2
25 BT-1200801-EF TUBE 0.2
26 400-73368 STRAIGHT UNION 12 1

- -
53.FCS COMPONENTS
2 0
2 0
1 8
4
1 6
1 9
3
6
1 5
1 7
1 5
1 6
2 1 2 3
1 4
2
1
1 0
1 1
8
5
2 4
2 5
1 3
1 2
1 1
9
7