FX-3-Rev13(-J)J.pdf - 第149页
- - REF.NO NOTE PART NO D E S C R I P T I O N Qty 1 400-44535 4AXIS SERVO AMP 12 2 #01 400-48290 Z1-Z2 ENCODER EXTENSION CABLE ASM 4 3 400-47535 MOTOR RELAY PCB ASM 24 4 #03 400-44534 SERVO MOTOR 30W 24 5 400-48287 Z1-…

- -
72.SYSTEM DIAGRAM (Z-THETA MOTOR)
4 - 1 B
C N 2 D
S E R V O A M P
Z ( L F - 1 )
C N P 2 D
C N 2 C
C N P 2 C
C N 2 B
C N P 2 B
C N 2 A
C N P 2 A
C N 5
6 - 2 B
M O T O R - R E L A Y
P C B
Z 1 Z E 1
Z 1
1
1
Z 2
Z 1 M O T O R
C N 1 C N 7
5 - 1 A
Z P 1
Z 1
Z 1
1 M O T O R
Z 2 M O T O R
M O T O R - R E L A Y
P C B
Z E 2
Z 2
Z 2
Z P 2
5 - 1 A
C N 2
C N 8
5 - 2 A
2 M O T O R
Z T A - C N 5
2
2
Z 2
4 - 1 B
C N 2 D
C N P 2 D
C N 2 C
C N P 2 C
C N 2 B
S E R V O A M P
Z ( L F - 2 )
C N P 2 B
C N 2 A
C N P 2 A
C N 5
6 - 2 C
Z T B - C N 5
4
4
Z 4
4 M O T O R
Z P 4
Z 4
Z 4
Z E 4
Z 4
Z 4 M O T O R
M O T O R - R E L A Y
P C B
3
3
Z 3
Z 3 Z E 3
5 - 2 A
C N 3 C N 9
5 - 2 A
M O T O R - R E L A Y
P C B
Z 3 M O T O R
Z 3
Z 3
Z P 3
3 M O T O R
5 - 2 A
C N 4
C N 1 0
5 - 3 A
4 - 2 B
C N 2 D
C N P 2 D
C N 2 C
C N P 2 C
C N 2 B
S E R V O A M P
Z ( L F - 3 )
Z 5
Z 5
5
5
Z 6
C N P 2 B
C N 2 A
C N P 2 A
C N 5
6 - 2 C
Z T C - C N 5
6
6
Z 6
6 M O T O R
Z P 6
Z 6
Z E 6
M O T O R - R E L A Y
P C B
5 - 3 A
C N 6
C N 1 2
Z 6
Z 6 M O T O R
5 M O T O R
Z E 5
5 - 2 A
C N 5
C N 1 1
5 - 3 A
Z 5
Z 5
Z P 5
Z 5 M O T O R
M O T O R - R E L A Y
P C B
L N C 6 0 ( L F )
L N C 6 0
C N 1
L N C 6 0 - C N 1
I E E E 1 3 9 4 a
R E P E A T E R
C H 1
C H 2
I E E E 1 3 9 4
B O A R D
S 5 - 1
1 - 4 C
C N 6
C H 1
5 - 4 B
A T X P O W E R
1 - 3 C
C N 3
9 - 4 A
4 - 1 D
C N 2 D
C N P 2 D
C N 2 C
S E R V O A M P
Z ( R F - 1 )
C N P 2 C
C N 2 B
C N P 2 B
C N 2 A
C N P 2 A
C N 5
7 - 2 B
Z T A - C N 5
2
2 M O T O R
2
Z 2
Z P 2
Z 2
5 - 2 C
C N 5
C N 1 1
5 - 1 C
Z E 2
Z 2
1
Z 2
Z 2 M O T O R
M O T O R - R E L A Y
P C B
1 M O T O R
1
Z 1
Z 1 Z E 1
Z 1 M O T O R
Z 1
Z 1
Z P 1
C N 1 2
C N 6
5 - 1 C
M O T O R - R E L A Y
P C B
4 - 1 D
C N 2 D
C N P 2 D
C N 2 C
C N P 2 C
S E R V O A M P
Z ( R F - 2 )
Z 3
Z 3
3
3
Z 4
Z 4
4
4
Z T B - C N 5
C N 5
C N P 2 A
C N 2 A
C N P 2 B
C N 2 B
7 - 2 C
4 M O T O R
Z P 4
Z 4
Z 4 M O T O R
Z 4
C N 3
5 - 3 C
C N 9
5 - 2 C
Z E 4
M O T O R - R E L A Y
P C B
3 M O T O R
Z P 3
Z 3
Z 3
5 - 2 C
C N 4
C N 1 0
5 - 1 C
Z E 3
M O T O R - R E L A Y
P C B
Z 3 M O T O R
4 - 2 C
C N 2 D
S E R V O A M P
Z ( R F - 3 )
C N P 2 D
C N 2 C
C N P 2 C
Z 5
Z 5
5
5
Z 6
Z 6
6
6
Z T C - C N 5
C N 5
C N P 2 A
C N 2 A
C N P 2 B
C N 2 B
7 - 2 C
L N C 6 0
C N 1
L N C 6 0 - C N 1
L N C 6 0 ( R F )
6 M O T O R
Z P 6
Z 6
Z 6
Z 6 M O T O R
5 - 3 C
C N 7
C N 1
Z E 6
M O T O R - R E L A Y
P C B
5 M O T O R
Z 5 M O T O R
Z 5
Z 5
Z P 5
5 - 3 C
C N 2
C N 8
5 - 2 C
Z E 5
M O T O R - R E L A Y
P C B
I E E E 1 3 9 4 a
R E P E A T E R
C H 1
C H 2
C H 3
5 - 4 D
5 - 5 B
I E E E 1 3 9 4
B O A R D
4 - 3 B
C N 2 D
S E R V O A M P
Z ( L R - 1 )
C N P 2 D
C N 2 C
C N P 2 C
C N 2 B
C N P 2 B
C N 2 A
C N P 2 A
6 - 4 B
C N 5
Z T A - C N 5
2
2
2 M O T O R
Z 2
Z 2 Z E 2
Z P 2
Z 2
Z 2
Z 2 M O T O R
5 - 3 A
C N 1 1
C N 5
5 - 4 A
M O T O R - R E L A Y
P C B
1
1
Z 1
Z P 1
Z 1
1 M O T O R
Z 1
Z E 1
C N 1 2
C N 6
5 - 3 A
Z 1
Z 1 M O T O R
M O T O R - R E L A Y
P C B
4 - 4 B
C N 2 D
S E R V O A M P
Z ( L R - 2 )
C N P 2 D
C N 2 C
C N P 2 C
C N 2 B
C N P 2 B
C N 2 A
C N P 2 A
C N 5
6 - 4 C
Z T B - C N 5
4
4
Z 4
Z 4
4 M O T O R
3
3
Z E 4
Z P 4
Z 4
Z 4
5 - 4 A
C N 9
C N 3
5 - 5 A
M O T O R - R E L A Y
P C B
Z 4 M O T O R
3 M O T O R
Z 3
Z 3 Z E 3
M O T O R - R E L A Y
P C B
Z 3
Z 3Z P 3
5 - 4 A
C N 4
C N 1 0
5 - 4 A
Z 3 M O T O R
4 - 4 B
C N 2 D
S E R V O A M P
Z ( L R - 3 )
C N P 2 D
C N 2 C
C N P 2 C
5
5
Z 5
Z 5 Z E 5
M O T O R - R E L A Y
P C B
5 - 4 A
C N 8
C N 2
5 - 5 A
Z 5
Z P 5
Z 5
Z 5 M O T O R
5 M O T O R
Z 6 M O T O R
M O T O R - R E L A Y
P C B
Z 6
Z 6
6
C N 2 B
C N P 2 B
C N 2 A
Z E 6
5 - 5 A
C N 7
C N 1
Z 6
Z 6
Z P 6
6 M O T O R
6
Z T C - C N 5
C N P 2 A
C N 5
6 - 4 C
L N C 6 0 ( L R )
L N C 6 0
C N 1
L N C 6 0 - C N 1
C H 1
C H 2
I E E E 1 3 9 4 a
R E P E A T E R
I E E E 1 3 9 4
B O A R D
C H 2
5 - 2 D
5 - 2 B
4 - 3 D
C N 2 D
S E R V O A M P
Z ( R R - 1 )
C N P 2 D
C N 2 C
C N P 2 C
C N 2 B
C N P 2 B
C N 2 A
C N P 2 A
C N 5
7 - 4 B
Z T A - C N 5
2
2
Z 2
2 M O T O R
Z P 2
Z 2
Z 2
Z 2 M O T O R
5 - 4 C
C N 2
C N 8
5 - 4 C
Z E 2Z 2
1
1
1 M O T O R
M O T O R - R E L A Y
P C B
Z 1
Z 1
Z E 1
M O T O R - R E L A Y
P C B
C N 1
C N 7
5 - 4 C
Z P 1
Z 1
Z 1
Z 1 M O T O R
4 - 4 D
C N 2 D
S E R V O A M P
Z ( R R - 2 )
C N P 2 D
C N 2 C
C N P 2 C
Z 3
Z 3
3
3
Z 4
3 M O T O R
C N 2 B
C N P 2 B
C N 2 A
C N P 2 A
C N 5
7 - 4 C
Z T B - C N 5
4
4
Z 4
4 M O T O R
Z P 4
Z 4
Z 4
Z 4 M O T O R
Z E 4
5 - 4 C
C N 4
C N 1 0
5 - 5 C
M O T O R - R E L A Y
P C B
Z P 3
Z 3
Z 3
Z 3 M O T O R
Z E 3
5 - 4 C
C N 3
C N 9
5 - 4 C
M O T O R - R E L A Y
P C B
4 - 4 C
C N 2 D
C N P 2 D
C N 2 C
C N P 2 C
S E R V O A M P
Z ( R R - 3 )
Z 5
Z 5
5
5
Z 6
C N 2 B
C N P 2 B
C N 2 A
C N P 2 A
C N 5
7 - 4 C
Z T C - C N 5
6
6
Z 6
6 M O T O R
Z P 6
Z 6
Z 6
C N 1 2
C N 6
5 - 5 CZ E 6
Z 6 M O T O R
M O T O R - R E L A Y
P C B
5 M O T O R
M O T O R - R E L A Y
P C B
Z E 5
5 - 4 C
C N 5
C N 1 1
5 - 5 C
Z 5
Z 5 M O T O R
Z 5
Z P 5
L N C 6 0 ( R R )
L N C 6 0 - C N 1
L N C 6 0
C N 1
I E E E 1 3 9 4 a
R E P E A T E R
C H 1
C H 2
1 3 - 5 C
C H 4
5 - 4 B
I E E E 1 3 9 4
B O A R D
2
3
4 1 8 4 1 8
6
6
5
2
5
3
3
8
6
8
6
7 7
4 1 8 4 1 8
3
3
4 1 84 1 8
99
6
1 0
6
1 0
3
3
5
6
5
6
2 2
4 1 8 4 1 8
3
3
4 1 84 1 8
7
7
6
8
6
8
3
3
1 0
6
1 0
6
9 9
4 1 8 4 1 8
3 3
4 1 84 1 8
99
6
1 0
6
1 0
3
3
8
6
8
6
7
7
4 1 8 4 1 8
3
3
4 1 84 1 8
22
6
5
6
5
3
3
1 0
6
1 0
6
9 9
4 1 8 4 1 8
3
3
4 1 84 1 8
77
6
8
6
8
3
3
5
6
5
6
2 2
4 1 8 4 1 8
3
1 1
11
1 1
11
1 1
11
1 7
1 1
1 5
1 3
1 2
1 6
1 4
1 2
1 6
1 1
1 5
1 3
1 4
1 4
1 3
1 5
1 1
1 6
1 21 2
1 6
1 1
1 5
1 3
1 4
N O T E 1 Z M o t o r C o n n e c t i o n
4 0 0 4 8 2 9 0 / 4 0 0 4 8 2 9 1 / 4 0 0 4 8 2 9 2
M o t o r - R e l a y P C B
N o n eN o n e4 0 0 4 8 0 6 5E
4 0 0 4 7 5 3 44 0 0 4 4 5 3 4
R e l a y W i r eZ M o t o r
D
M / C R e v .

- -
REF.NO NOTE PART NO D E S C R I P T I O N Qty
1 400-44535 4AXIS SERVO AMP 12
2
#01
400-48290 Z1-Z2 ENCODER EXTENSION CABLE ASM 4
3 400-47535 MOTOR RELAY PCB ASM 24
4
#03
400-44534 SERVO MOTOR 30W 24
5 400-48287 Z1-Z2 MOTOR EXTENSION CABLE ASM 9
6 400-44533 SERVO MOTOR 10W 24
7
#01
400-48291 Z3-Z4 ENCODER EXTENSION CABLE ASM 4
8 400-48288 Z3-Z4 MOTOR EXTENSION CABLE ASM 4
9
#01
400-48292 Z5-Z6 ENCODER EXTENSION CABLE ASM 4
10 400-48289 Z5-Z6 MOTOR EXTENSION CABLE ASM 4
11 400-70445 LNC60 I/F CABLE ASM A 4
12 400-45547 LNC60 4
13 400-44517 1394 ROBOT CABLE ASM 4
14 400-48078 IEEE1394 REPEATER BOARD 4
15 400-48033 1394 CABLE 4.5M 4
16 400-48003 IEEE1394 BOARD 4
17 400-47704 1394 POWER CABLE ASM 1
18
#02
400-48065 SERVO MOTOR 30W 1

- -
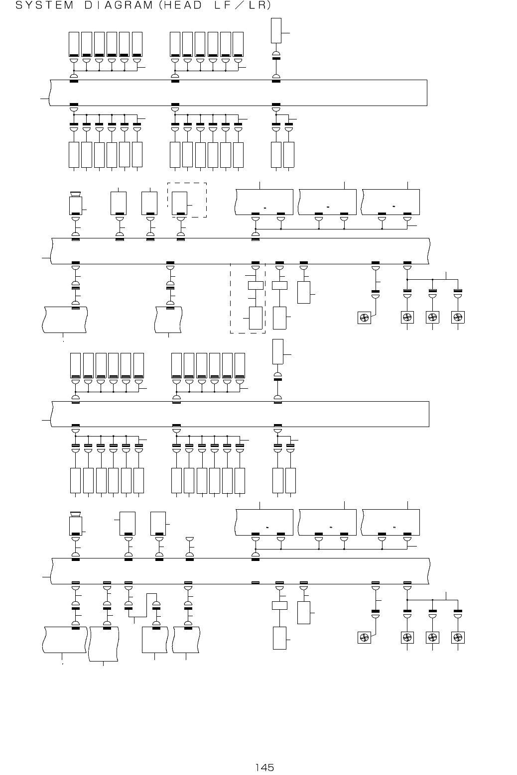
73.SYSTEM DIAGRAM (HEAD LF/LR)
O P T I O N
4 - 5 A
P O W E R U N I T
( L )
C N 0 2 0
6 - 3 A
3 - 1 A
E T H E R - M A I N P C B
E N 1
7 - 1 A
H E A D - M A I N
P C B ( L R )
E N 1
6 - 4 A
1 - 4 C
I P - X 5
P C B
C N 2
6 - 3 B
I P X O C C
L F
E N 1
E N 1
P W R L 0 2 0
C N 8 0 5
C N 4 7 8
C N 4 7 8 L F
C N 8 1 3 L R
C N 8 1 3
C N 8 1 4 L F
C N 8 1 4
E N 2
E N 1
C N 8 1 3
C N 8 1 3 L F
C N 2 0 1
C N 2 4 6 C N 8 0 2
3 - 2 A
C N 1 3
C N 1
H E A D - M A I N
P C B ( L F )
E N 1
E N 2
C N 9
C N 1 0
C N 1 1
C N 2
H E I G H T
S E N S O R
T H E R M A L
S E N S O R P C B
A M P
H E A D
C N 2 2
H E A D
C N 2 3
H E A D F A N ( L F )
H E A D _ C N 1 2
P L A T E _ F
H E A D
C N 2 9
P L A T E _ F
O C C _ F
6 - 2 A
C N 2 9
C N 1 2
C N 2 3
C N 2 2
C N 1 4
C N 1 9
H E A D
C N 1
O C C
O C C C A M E R A ( F )
V I D E O O U T / D C
I N / S Y N C
L I G H T - C
H E A D
C N 9
O C C - C
C N 1
L I G H T - A 1
H E A D
C N 1 0
O C C - A
C N 1
H E A D
C N 1 1
5 - 1 B
C N 4 B
S E R V O A M P
Z ( L F - 1 )
C N 4 D
Z T A
C N 4 B
H E A D
C N 1 9
Z T A
C N 4 D
5 - 1 B
C N 4 B
S E R V O A M P
Z ( L F - 2 )
C N 4 D
Z T B
C N 4 D
Z T B
C N 4 B
5 - 2 B
C N 4 B
S E R V O A M P
Z ( L F - 3 )
C N 4 D
Z T C
C N 4 D
Z T C
C N 4 B
6 - 1 D
C N 2 7
C N 2 5
H E A D - M A I N
P C B ( L F )
H E A D
C N 2 7
S L O W D O W N
Z 1
Z 2
Z 3
Z 4
Z 5
Z 6
Z 1 S L O W D O W N
S E N S O R
Z 2 S L O W D O W N
S E N S O R
Z 3 S L O W D O W N
S E N S O R
Z 4 S L O W D O W N
S E N S O R
Z 5 S L O W D O W N
S E N S O R
Z 6 S L O W D O W N
S E N S O R
H E A D
C N 2 5
Z 1 V
Z 2 V
Z 3 V
Z 4 V
Z 5 V
Z 6 V
Z 1 V A C U U M
S O L E N O I D
Z 2 V A C U U M
S O L E N O I D
Z 3 V A C U U M
S O L E N O I D
Z 4 V A C U U M
S O L E N O I D
Z 5 V A C U U M
S O L E N O I D
Z 6 V A C U U M
S O L E N O I D
H E A D
C N 2 4
P R E S S U R E
Z 1
Z 2
Z 3
Z 4
Z 5
Z 6
Z 1 P R E S S U R E
S E N S O R
Z 2 P R E S S U R E
S E N S O R
Z 3 P R E S S U R E
S E N S O R
Z 4 P R E S S U R E
S E N S O R
Z 5 P R E S S U R E
S E N S O R
Z 6 P R E S S U R E
S E N S O R
C N 2 4
C N 2 6
H E A D
C N 2 6
Z 1 B
Z 2 B
Z 3 B
Z 4 B
Z 5 B
Z 6 B
Z 1 B L O W
S O L E N O I D
Z 2 B L O W
S O L E N O I D
Z 3 B L O W
S O L E N O I D
Z 4 B L O W
S O L E N O I D
Z 5 B L O W
S O L E N O I D
Z 6 B L O W
S O L E N O I D
H E A D
C N 2 8
N Z L D W N
1
2
N O Z Z L E D O W N
S E N S O R L
N O Z Z L E D O W N
S E N S O R R
C N 2 8
C N 1 6
H E A D
C N 1 6
N O Z Z L E U P
S O L E N O I D
6 - 1 A
P O W E R U N I T
( L )
C N 0 2 1
8 - 2 A
P W R L 0 2 1
C N 2 0 2
C N 2 4 6 C N 8 0 2
3 - 2 A
C N 1 3
C N 1
H E A D - M A I N
P C B ( L R )
H E A D
C N 1
O C C
O C C C A M E R A ( F )
V I D E O O U T / D C
I N / S Y N C
C N 9
H E A D
C N 9
L I G H T - C
C N 1
O C C - C
C N 1 0
C N 1 1
H E A D _ C N 1 0
H E A D
C N 1 1
L I G H T - A 1
L I G H T - A 2
O C C - A
C N 1
O P T I O N
C N 2
C N 8 0 5
C N 4 7 8
C N 4 7 8 L R
I P X O C C
L R
6 - 1 B
I P - X 5
P C B
C N 3
7 - 1 B
H E A D
C N 1 4
H E A D
C N 2 2
H E A D
C N 2 3
C N 2 3
C N 2 2
C N 1 4
C N 1 9
A M P
A M P
T H E R M A L
S E N S O R P C B
H E I G H T
S E N S O R
B A D M A R K
S E N S O R
H E A D
C N 1 9
Z T A
C N 4 B
5 - 3 B
C N 4 B
S E R V O A M P
Z ( L R - 1 )
C N 4 D
Z T A
C N 4 D
5 - 4 B
C N 4 B
S E R V O A M P
Z ( L R - 2 )
C N 4 D
Z T B
C N 4 B
Z T B
C N 4 D
5 - 5 B
C N 4 B
S E R V O A M P
Z ( L R - 3 )
C N 4 D
Z T C
C N 4 D
Z T C
C N 4 B
6 - 5 A
C N 2 9
C N 1 2
H E A D F A N ( L R )
H E A D _ C N 1 2
P L A T E _ F
P L A T E _ F
O C C _ F
H E A D
C N 2 9
Z 1 S L O W D O W N
S E N S O R
Z 2 S L O W D O W N
S E N S O R
Z 3 S L O W D O W N
S E N S O R
Z 4 S L O W D O W N
S E N S O R
Z 5 S L O W D O W N
S E N S O R
Z 6 S L O W D O W N
S E N S O R
O C C - A
C N 1
S L O W D O W N
H E A D
C N 2 7
Z 1
Z 2
Z 3
Z 4
Z 5
Z 6
6 - 4 D
C N 2 7
C N 2 5
H E A D - M A I N
P C B ( L R )
H E A D
C N 2 5
Z 1 V
Z 2 V
Z 3 V
Z 4 V
Z 5 V
Z 6 V
Z 1 V A C U U M
S O L E N O I D
Z 2 V A C U U M
S O L E N O I D
Z 3 V A C U U M
S O L E N O I D
Z 4 V A C U U M
S O L E N O I D
Z 5 V A C U U M
S O L E N O I D
Z 6 V A C U U M
S O L E N O I D
Z 1 B L O W
S O L E N O I D
Z 2 B L O W
S O L E N O I D
Z 3 B L O W
S O L E N O I D
Z 4 B L O W
S O L E N O I D
Z 5 B L O W
S O L E N O I D
Z 6 B L O W
S O L E N O I D
Z 1 B
Z 2 B
Z 3 B
Z 4 B
Z 5 B
Z 6 B
H E A D
C N 2 6
C N 2 6
C N 2 4
H E A D
C N 2 4
P R E S S U R E
Z 1
Z 2
Z 3
Z 4
Z 5
Z 6
Z 1 P R E S S U R E
S E N S O R
Z 2 P R E S S U R E
S E N S O R
Z 3 P R E S S U R E
S E N S O R
Z 4 P R E S S U R E
S E N S O R
Z 5 P R E S S U R E
S E N S O R
Z 6 P R E S S U R E
S E N S O R
H E A D
C N 2 8
N Z L D W N
1
2
C N 2 8
C N 1 6
H E A D
C N 1 6
N O Z Z L E U P
S O L E N O I D
N O Z Z L E D O W N
S E N S O R L
N O Z Z L E D O W N
S E N S O R R
1 2
3
5 6
7
8
9
1 0
1 0
1 1
1 2
1 3
8
1 4
1 6 1 8
2 0
1 9
1 5
1 7
2 1
2 2
2 4
2 3
2 5
2 6 2 6 2 7
2 8
2 9
3 03 03 0
3 1
3 2 3 3 3 4
3 5 3 6 3 7 3 8
3 9 4 0 4 1 4 2
4 3 4 4
3 1 3 2 3 3 3 4
3 5 3 6 3 7 3 8
3 9 4 0 4 1 4 2
4 3 4 4
4 74 6
4 5
4 8 4 9
5 0
5
1 2
5 1
8
5 2
8 2 4
2 2
2 1
2 3
2 5
2 6
2 8
2 72 6
4
5 5
5 4
6
3 0 3 0
2 9
3 0
2 01 81 61 4
1 5
5 3
1 9
1 7
4 7
4 8
4 6
4 5
4 9
5 0
5
5
5