FX-3-Rev13(-J)J.pdf - 第152页
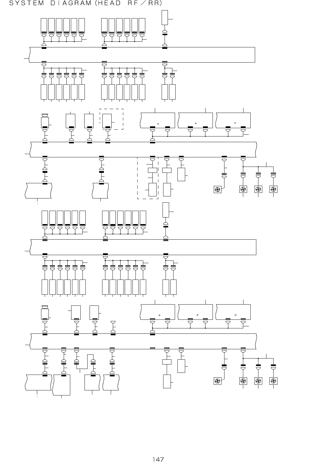
- - 74. SYSTEM DIAG RAM (HEAD RF/ RR) O P T I O N 4 - 5 C P O W E R U N I T ( R ) C N 0 2 0 7 - 3 A H E A D - M A I N P C B ( R R ) E N 1 7 - 4 A 6 - 3 B I P - X 5 P C B C N 5 7 - 3 B I P X O C C R F E N 1 E N 2 P W R …

- -
REF.NO NOTE PART NO D E S C R I P T I O N Qty
1 400-47079 POWER_SUPPRY_ASSY 2
2
#01
400-47139 POWER SUPPRY ASSY L(EN) 2
3 401-49647 ETHER-MAIN PCB ASM 1
4 400-47981 BAD MARK FIBER AMP ASM 1
5 400-47506 HEAD-MAIN PCB ASM 5
6 400-47528 IP-X5 PCB ASM 2
7 400-47784 HEAD MAIN PWR CABLE (LF) ASM 1
8 400-47812 XY BEAR CABLES ASM 4
9 400-47946 ETHER HEAD LF CABLE ASM 1
10 400-47810 Y BEAR A CABLES ASM 2
11 400-47947 ETHER HEAD LR CABLE ASM 1
12 400-47811 Y BEAR B CABLES ASM 1
13 400-47942 OCC CABLE LF ASM 1
14 400-47865 OCC CAMERA CABLE ASM 2
15 400-48028 OCC CAMERA 2
16 400-47866 OCC C LIGHT CABLE ASM 2
17 400-47511 OCC C LIGHT PCB 2
18 400-47867 OCC A1 LIGHT CABLE ASM 2
19 400-47507 OCC A LIGHT PCB 2
20 400-47868 OCC A2 LIGHT CABLE ASM 2
21 HD-0022500-00 SENSOR 2
22 400-29824 TEMPERATURE SENSOR PCB ASM 2
23 400-47874 HIGHT SENSOR UNIT ASM 2
24 400-48272 BASE TEMP CABLE ASM 2
25 400-48271 HEAD FAN CABLE ASM 2
26 400-65160 HEAD PLATE FAN CABLE ASM 4
27 400-65162 OCC FAN CABLE ASM 2
28 400-65161 HEAD FAN RELAY CABLE ASM 2
29 400-47977 Z-THETA SIGNAL CABLE ASM 2
30 400-44535 4AXIS SERVO AMP 6
31 400-48273 Z1 SLOW DOWN SENSOR ASM 2
32 400-48274 Z2 SLOW DOWN SENSOR ASM 2
33 400-48275 Z3 SLOW DOWN SENSOR ASM 2
34 400-48276 Z4 SLOW DOWN SENSOR ASM 2
35 400-48277 Z5 SLOW DOWN SENSOR ASM 2
36 400-48278 Z6 SLOW DOWN SENSOR ASM 2
37 400-48279 Z1 PRESSURE SENSOR ASM 2
38 400-48280 Z2 PRESSURE SENSOR ASM 2
39 400-48281 Z3 PRESSURE SENSOR ASM 2
40 400-48282 Z4 PRESSURE SENSOR ASM 2
41 400-48283 Z5 PRESSURE SENSOR ASM 2
42 400-48284 Z6 PRESSURE SENSOR ASM 2
43 400-48285 NOZZLE DOWN SENSOR1 CABLE ASM 2
44 400-48286 NOZZLE DOWN SENSOR2 CABLE ASM 2
45 400-47875 Z SLOW DOWN RELAY CABLE ASM 2
46 400-47877 Z PRESSURE RELAY CABLE ASM 2
47 400-47980 NOZZLE DOWN RELAY CABLE ASM 2
48 400-47869 VAC CABLE ASM 2
49 400-47870 BLOW CABLE ASM 2
50 400-47982 NOZZLE UP SV ASM 2
51 400-47785 HEAD MAIN PWR CABLE (LR) ASM 1
52 400-47943 OCC CABLE LR ASM 1
53 400-47507 OCC A LIGHT PCB 1
54 E9638-729-000 FIBER LENS 1
55 HD-0013100-30 FIBER UNIT 1

- -
74.SYSTEM DIAGRAM (HEAD RF/RR)
O P T I O N
4 - 5 C
P O W E R U N I T
( R )
C N 0 2 0
7 - 3 A
H E A D - M A I N
P C B ( R R )
E N 1
7 - 4 A
6 - 3 B
I P - X 5
P C B
C N 5
7 - 3 B
I P X O C C
R F
E N 1
E N 2
P W R R 0 2 0
C N 8 0 5
C N 4 7 8
C N 4 7 8 R F
C N 8 1 3 R R
C N 8 1 3
C N 8 1 4 R F
C N 8 1 4
E N 2
E N 1
C N 8 1 3
C N 8 1 3 R F
C N 2 0 3
C N 2 4 6 C N 8 0 2
3 - 2 A
C N 1 3
C N 1
H E A D - M A I N
P C B ( R F )
E N 1
E N 2
C N 9
C N 1 0
C N 1 1
C N 2
H E I G H T
S E N S O R
T H E R M A L
S E N S O R P C B
A M P
H E A D
C N 2 2
H E A D
C N 2 3
H E A D F A N ( R F )
H E A D _ C N 1 2
P L A T E _ F
H E A D
C N 2 9
P L A T E _ F
O C C _ F
7 - 2 A
C N 2 9
C N 1 2
C N 2 3
C N 2 2
C N 1 4
C N 1 9
H E A D
C N 1
O C C
O C C C A M E R A ( R )
V I D E O O U T / D C
I N / S Y N C
L I G H T - C
H E A D
C N 9
O C C - C
C N 1
L I G H T - A 1
H E A D
C N 1 0
O C C - A
C N 1
H E A D
C N 1 1
5 - 1 D
C N 4 B
S E R V O A M P
Z ( R F - 1 )
C N 4 D
Z T A
C N 4 B
H E A D
C N 1 9
Z T A
C N 4 D
5 - 1 D
C N 4 B
S E R V O A M P
Z ( R F - 2 )
C N 4 D
Z T B
C N 4 D
Z T B
C N 4 B
5 - 2 D
C N 4 B
S E R V O A M P
Z ( R F - 3 )
C N 4 D
Z T C
C N 4 D
Z T C
C N 4 B
7 - 1 D
C N 2 7
C N 2 5
H E A D - M A I N
P C B ( R F )
H E A D
C N 2 7
S L O W D O W N
Z 1
Z 2
Z 3
Z 4
Z 5
Z 6
Z 1 S L O W D O W N
S E N S O R
Z 2 S L O W D O W N
S E N S O R
Z 3 S L O W D O W N
S E N S O R
Z 4 S L O W D O W N
S E N S O R
Z 5 S L O W D O W N
S E N S O R
Z 6 S L O W D O W N
S E N S O R
H E A D
C N 2 5
Z 1 V
Z 2 V
Z 3 V
Z 4 V
Z 5 V
Z 6 V
Z 1 V A C U U M
S O L E N O I D
Z 2 V A C U U M
S O L E N O I D
Z 3 V A C U U M
S O L E N O I D
Z 4 V A C U U M
S O L E N O I D
Z 5 V A C U U M
S O L E N O I D
Z 6 V A C U U M
S O L E N O I D
H E A D
C N 2 4
P R E S S U R E
Z 1
Z 2
Z 3
Z 4
Z 5
Z 6
Z 1 P R E S S U R E
S E N S O R
Z 2 P R E S S U R E
S E N S O R
Z 3 P R E S S U R E
S E N S O R
Z 4 P R E S S U R E
S E N S O R
Z 5 P R E S S U R E
S E N S O R
Z 6 P R E S S U R E
S E N S O R
C N 2 4 C N 2 6
H E A D
C N 2 6
Z 1 B
Z 2 B
Z 3 B
Z 4 B
Z 5 B
Z 6 B
Z 1 B L O W
S O L E N O I D
Z 2 B L O W
S O L E N O I D
Z 3 B L O W
S O L E N O I D
Z 4 B L O W
S O L E N O I D
Z 5 B L O W
S O L E N O I D
Z 6 B L O W
S O L E N O I D
H E A D
C N 2 8
N Z L D W N
1
2
N O Z Z L E D O W N
S E N S O R L
N O Z Z L E D O W N
S E N S O R R
C N 2 8
C N 1 6
H E A D
C N 1 6
N O Z Z L E U P
S O L E N O I D
7 - 1 A
P O W E R U N I T
( R )
C N 0 2 1
8 - 2 A
P W R L 0 2 1
C N 2 0 4
C N 2 4 6 C N 8 0 2
3 - 2 A
C N 1 3
C N 1
H E A D - M A I N
P C B ( R R )
H E A D
C N 1
O C C
O C C C A M E R A ( R )
V I D E O O U T / D C
I N / S Y N C
C N 9
H E A D
C N 9
L I G H T - C
C N 1
O C C - C
C N 1 0
C N 1 1
H E A D
C N 1 0
H E A D
C N 1 1
L I G H T - A 1
L I G H T - A 2
O C C - A
C N 1
O P T I O N
C N 2
C N 8 0 5
C N 4 7 8
C N 4 7 8 R R
I P X O C C
R R
7 - 1 B
I P - X 5
P C B
C N 6
9 - 4 C
H E A D
C N 1 4
H E A D
C N 2 2
H E A D
C N 2 3
C N 2 3
C N 2 2
C N 1 4
C N 1 9
A M P
A M P
T H E R M A L
S E N S O R P C B
H E I G H T
S E N S O R
B A D M A R K
S E N S O R
H E A D
C N 1 9
Z T A
C N 4 B
5 - 3 D
C N 4 B
S E R V O A M P
Z ( R R - 1 )
C N 4 D
Z T A
C N 4 D
5 - 4 D
C N 4 B
S E R V O A M P
Z ( R R - 2 )
C N 4 D
Z T B
C N 4 B
Z T B
C N 4 D
5 - 5 D
C N 4 B
S E R V O A M P
Z ( R R - 3 )
C N 4 D
Z T C
C N 4 D
Z T C
C N 4 B
7 - 5 A
C N 2 9
C N 1 2
H E A D F A N ( R R )
H E A D _ C N 1 2
P L A T E _ F
P L A T E _ F
O C C _ F
H E A D
C N 2 9
Z 1 S L O W D O W N
S E N S O R
Z 2 S L O W D O W N
S E N S O R
Z 3 S L O W D O W N
S E N S O R
Z 4 S L O W D O W N
S E N S O R
Z 5 S L O W D O W N
S E N S O R
Z 6 S L O W D O W N
S E N S O R
O C C - A
C N 1
S L O W D O W N
H E A D
C N 2 7
Z 1
Z 2
Z 3
Z 4
Z 5
Z 6
7 - 4 D
C N 2 7
C N 2 5
H E A D - M A I N
P C B ( R R )
H E A D
C N 2 5
Z 1 V
Z 2 V
Z 3 V
Z 4 V
Z 5 V
Z 6 V
Z 1 V A C U U M
S O L E N O I D
Z 2 V A C U U M
S O L E N O I D
Z 3 V A C U U M
S O L E N O I D
Z 4 V A C U U M
S O L E N O I D
Z 5 V A C U U M
S O L E N O I D
Z 6 V A C U U M
S O L E N O I D
Z 1 B L O W
S O L E N O I D
Z 2 B L O W
S O L E N O I D
Z 3 B L O W
S O L E N O I D
Z 4 B L O W
S O L E N O I D
Z 5 B L O W
S O L E N O I D
Z 6 B L O W
S O L E N O I D
Z 1 B
Z 2 B
Z 3 B
Z 4 B
Z 5 B
Z 6 B
H E A D
C N 2 6
C N 2 6
C N 2 4
H E A D
C N 2 4
P R E S S U R E
Z 1
Z 2
Z 3
Z 4
Z 5
Z 6
Z 1 P R E S S U R E
S E N S O R
Z 2 P R E S S U R E
S E N S O R
Z 3 P R E S S U R E
S E N S O R
Z 4 P R E S S U R E
S E N S O R
Z 5 P R E S S U R E
S E N S O R
Z 6 P R E S S U R E
S E N S O R
H E A D
C N 2 8
N Z L D W N
1
2
C N 2 8
C N 1 6
H E A D
C N 1 6
N O Z Z L E U P
S O L E N O I D
N O Z Z L E D O W N
S E N S O R L
N O Z Z L E D O W N
S E N S O R R
1 2
3
5 6
7
8
9
1 0
1 0
1 1
1 2
1 3
8
1 4
1 6 1 8
2 0
1 9
1 5
1 7
2 1
2 2
2 4
2 3
2 5
2 6 2 6 2 7
2 8
2 9
3 03 03 0
3 1 3 2 3 3 3 4
3 5 3 6
3 7
3 8
3 9 4 0 4 1 4 2 4 3 4 4
3 1 3 2 3 3 3 4
3 5 3 6 3 7 3 8
3 9 4 0 4 1 4 2
4 3 4 4
4 74 6
4 5
4 8 4 9
5 0
5
1 2
5 1
8
5 2
8 2 4
2 2
2 1
2 3
2 5
2 6
2 8
2 72 6
4
5 5
5 4
6
3 0
3 0
2 9
3 0
2 01 81 61 4
1 5
5 3
1 9
1 7
4 7
4 8
4 6
4 5
4 9
5 0
5
5
5
E T H E R - M A I N P C B
E N 2
6 - 1 A

- -
REF.NO NOTE PART NO D E S C R I P T I O N Qty
1 400-47079 POWER_SUPPRY_ASSY 2
2
#01
400-47140 POWER SUPPRY ASSY R(EN) 2
3 401-49647 ETHER-MAIN PCB ASM 1
4 400-47981 BAD MARK FIBER AMP ASM 1
5 400-47506 HEAD-MAIN PCB ASM 5
6 400-47528 IP-X5 PCB ASM 2
7 400-47786 HEAD MAIN PWR CABLE (RF) ASM 1
8 400-47812 XY BEAR CABLES ASM 4
9 400-47948 ETHER HEAD RF CABLE ASM 1
10 400-47811 Y BEAR B CABLES ASM 2
11 400-47949 ETHER HEAD RR CABLE ASM 1
12 400-47810 Y BEAR A CABLES ASM 1
13 400-47944 OCC CABLE RF ASM 1
14 400-47865 OCC CAMERA CABLE ASM 2
15 400-48028 OCC CAMERA 2
16 400-47866 OCC C LIGHT CABLE ASM 2
17 400-47511 OCC C LIGHT PCB 2
18 400-47867 OCC A1 LIGHT CABLE ASM 2
19 400-47507 OCC A LIGHT PCB 2
20 400-47868 OCC A2 LIGHT CABLE ASM 2
21 HD-0022500-00 SENSOR 2
22 400-29824 TEMPERATURE SENSOR PCB ASM 2
23 400-47874 HIGHT SENSOR UNIT ASM 2
24 400-48272 BASE TEMP CABLE ASM 2
25 400-48271 HEAD FAN CABLE ASM 2
26 400-65160 HEAD PLATE FAN CABLE ASM 4
27 400-65162 OCC FAN CABLE ASM 2
28 400-65161 HEAD FAN RELAY CABLE ASM 2
29 400-47977 Z-THETA SIGNAL CABLE ASM 2
30 400-44535 4AXIS SERVO AMP 6
31 400-48273 Z1 SLOW DOWN SENSOR ASM 2
32 400-48274 Z2 SLOW DOWN SENSOR ASM 2
33 400-48275 Z3 SLOW DOWN SENSOR ASM 2
34 400-48276 Z4 SLOW DOWN SENSOR ASM 2
35 400-48277 Z5 SLOW DOWN SENSOR ASM 2
36 400-48278 Z6 SLOW DOWN SENSOR ASM 2
37 400-48279 Z1 PRESSURE SENSOR ASM 2
38 400-48280 Z2 PRESSURE SENSOR ASM 2
39 400-48281 Z3 PRESSURE SENSOR ASM 2
40 400-48282 Z4 PRESSURE SENSOR ASM 2
41 400-48283 Z5 PRESSURE SENSOR ASM 2
42 400-48284 Z6 PRESSURE SENSOR ASM 2
43 400-48285 NOZZLE DOWN SENSOR1 CABLE ASM 2
44 400-48286 NOZZLE DOWN SENSOR2 CABLE ASM 2
45 400-47875 Z SLOW DOWN RELAY CABLE ASM 2
46 400-47877 Z PRESSURE RELAY CABLE ASM 2
47 400-47980 NOZZLE DOWN RELAY CABLE ASM 2
48 400-47869 VAC CABLE ASM 2
49 400-47870 BLOW CABLE ASM 2
50 400-47982 NOZZLE UP SV ASM 2
51 400-47787 HEAD MAIN PWR CABLE (RR) ASM 1
52 400-47945 OCC CABLE RR ASM 1
53 400-47507 OCC A LIGHT PCB 1
54 E9638-729-000 FIBER LENS 1
55 HD-0013100-30 FIBER UNIT 1