FX-3-Rev13(-J)J.pdf - 第155页
- - REF.NO N OTE PARTNO DESCRIPTION Qty 1 400-47909 S BR2CABLEASM 5 2 #01 400-47140 POWERSUPPRYASSYR(EN) 4 3 400-47891 BASE-CARRYPWRCABLEASM 1 4 400-47559 BASE-CARRYPCBASM 3 5 400-47926 BULK…

- -
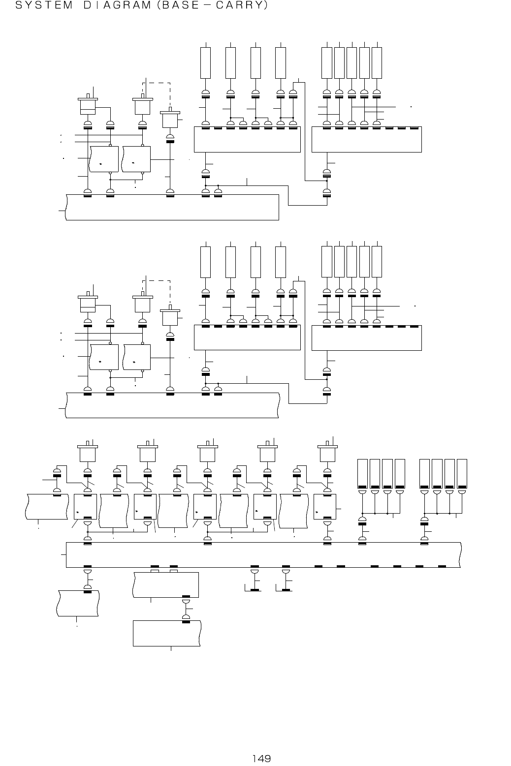
75.SYSTEM DIAGRAM (BASE-CARRY)
SBR1-1
SENSOR
OUT
OUT
CN438
JOINT MOTOR
CENTER MOTOR(R)
CMR-P
OUT MOTOR
PWRR033 OTM-P
CMR-2
OTM-2
JM
CN665
CN656
OTM
CN665
CN656
CMR
CN665
CN656
S H A P E Y ( R )
M T R 1 1 - 1 2
S 2
S 3
S B L 2 - 5
S B L 2 - 3
S O L V .
P C B ( B C )
E T H E R - S L A V E
B U ( R ) L O C K
S B L 2 - 4
S B L 2 - 2
( C E N T E R R )
( J O I N T )
C N 2
9 - 1 A
B A S E - C A R R Y
1 - 3 B
( A W C L )
5 D R I V E R
C N 2 3
E N C 1
C N 1 9
S B L 1 / 2
P O W E R U N I T ( R )
C N 1
C N 0 3 3
8 - 2 B
P O W E R U N I T ( R )
C N 1
C N 9
8 - 2 B
C N 0 3 4
C N 1
J M - 2
8 - 2 B
J M - P
C N 0 2 7
C N 1
C M L - 2
P C B
C M L - P
E N C 1
C N 1
I N M - P
C N 0 3 3
C N 3 2
J 1
S 3
P W R R 0 2 7
8 - 1 A
S M E M A
L O W E R U N I T
O U T
P O W E R U N I T
( R )
7 - 3 A
P O W E R U N I T ( R )
C O V E R
J 2
C N 1 4
A N 2
C N 1 3
A N 1
E V - R
8 - 2 A
B U _ L O C K
E V
B C - 3 2
C N 3 0
C N 3 1
S M E M A - U
I N M - 1
M T 1 - 2
P W R
( I N )
B C P W R
M T R 1 - 2
C N 6
I N
E N C 3
S P W R - L
S B L 2
S E N S O R
B U L K - L
B U - L
C N 4 4 5
1 - 3 C
C N 4 4 2
A W C - L
T P I N - L
C O U T ( L )
S E N S O R
C N 4 4 6
S E N S O R
W A I T ( L )
C N 4 0 9 L
S E N S O R
S T O P ( L )
S 1
S P W R - L
S 2
S 8
C N 2 2
S 7
S 6
E N C 4
S 5
S 4
C N 1 2
S 1
S B L 1
S E N S - L
C N 2 7
S B L 2
C N 2 5
M T 9 - 1 0
C N 1 7
P O W E R U N I T
( L )
C N 6 6 5
C O V E R
I N
S M E M A - L
S M E M A
U P P E R U N I T
S M E M A _ U
S M E M A _ L
S H A P E _ X
S H A P E _ Y
S T O P
E V
C N 2 4
S T O P P E R ( R )
S O L V .
S H A P E X ( R )
S O L V .
B U _ L O C K
S H A P E _ Y
S O L V .
S H A P E Y ( L )
S O L V .
B U ( L ) L O C K
B C - 2 4
A W C ( L ) O R G
E N C 4
M T 1 1 - 1 2
P C B
S B L 2 - 1
S 6
S 5
S 4
8 - 2 B
( O U T )
S O L V .
S H A P E X ( L )
S O L V .
S T O P P E R ( L )
M T R 6 - 8
C N 1 0
S T O P
S H A P E _ X
E V - L
S P O 2
C N 1 6
S P O 1
C N 2 0
6 - 3 A
I N M O T O R
8 - 2 A
P W R L 0 3 3
C N 6 5 6
C N 6 5 6
P W R L 0 3 5
C M L
5 D R I V E R
5 D R I V E R
P 2
( C E N T E R L )
C M L - 1
5 D R I V E R
M T R 3 - 5
P W R R 0 3 5
C N 2
C N 2 9
S P O 2
S P O 1
C N 2 8
J M - 1
C N 2
M T 3 - 5
5 D R I V E R
O T M - 1
M T 6 - 8
5 D R I V E R
B A S E - C A R R Y
9 - 2 A
I N M - 2
I N M
C N 2
C N 6 6 5
8 - 1 D
E N C 3
P 1
C N 2
C M R - 1
C N 0 3 5
3 - 1 B
S E N S O R
( B U L )
5 D R I V E R
8 - 4 A
S E N S O R
B U ( L ) O R G
S 7
B U ( L ) L O C K
S E N S O R
T P I N ( L )
S E N S O R
8 - 2 C
1 0
1 2
6
8
9
1 4
4
1 5
1 2
1 2
3 33 3
1 3
1 9
1 9
2 6
2 1
1 2
1 6 1 7
1 6 1 7
2 1
2 1
2 1
1 8
2 3
2 5 2 9 3 1
4 9
4
6 0
5 0
4 1 4 2
3 9
3 5 3 6
3 5 3 6
6 1
4 8
3 7 3 8
5 1
4 5
5 5
6 2
6 3
6 4
5 6
2 1
C N 0 3 5
P O W E R U N I T ( L )
8 - 2 A
P W R R 0 3 4
C E N T E R M O T O R ( L )
E N 2
E S - B C
C N 2
E S - F L
C N 1
1 1 - 1 A
E N 1
P C B ( F E E D E R _ L )
E T H E R - S L A V E
C N 1 5
M T R 9 - 1 0
B A S E - C A R R Y
P C B
S E N S - L
S B L 1
S 8
C O N V D E T E C T
S E N S O R
C S - 8B P I N - L
S B L 1 - 1
S B L 1 - 3 4
S B L 1 - 5 6
S B L 1 - 7 8
I N
W A I T - L
S T O P - L
C O U T - L
P W R 2
C S L - 5
C S L - 4
C S L - 3
C N 4 3 7
B U U P E N C O D E R ( L )
B A C K U P M O T O R ( L )
C N 6 5 7
C N 6 6 7
B U L M
C N 6 5 8
C N 6 6 8B U L E
A U T O W I D T H A D J U S T M E N T
M O T O R ( L )
C N 6 5 9
A W C L E
A W C L M C N 6 6 0
1 - 5 B
5 D R I V E R
( A W C R )
1 - 5 B
5 D R I V E R
( B U R )
E N C 2
C N 1 8
E N C 2
C N 2 1
S P W R - R
C N 2 6
S E N S - R
S P W R - R
S E N S - R
S B R 1
A U T O W I D T H A D J U S T M E N T
M O T O R ( R )
A W C R E
C N 6 5 9
A W C R M
C N 6 6 0
B A C K U P M O T O R ( R )
C N 6 5 7
C N 6 6 7
B U R M
B U R E
C N 6 5 8
C N 6 6 8
B U U P E N C O D E R ( R )
S B R 1
S 1
S 2
S 3
S 4
S 5
S 6
S 7
S 8
S B R 1 - 7 8
S B R 1 - 5 6
S B R 1 - 3 4 W A I T - R C S R - 3
S T O P - R C S R - 4
C O U T - R
C S R - 5
P W R 2
W A I T ( R )
S E N S O R
S T O P ( R )
S E N S O R
C O U T ( R )
S E N S O R
S B R 2
S B R 1 / 2
S B R 2
S B R 2 - 1
S B R 2 - 2
S B R 2 - 3
S B R 2 - 4
S B R 2 - 5
B U - R
B U L K - R
B P I N - R
T P I N - R
A W C - R
C N 4 0 9 L
C N 4 4 6
C S - 8
C N 4 4 2
C N 4 4 5
S 1
S 2
S 3
S 4
S 5
S 6
S 7
S 8
B U ( R ) O R G
S E N S O R
B U ( R ) L O C K
S E N S O R
C O N V D E T E C T
S E N S O R
T P I N ( R )
S E N S O R
A W C ( R ) O R G
S E N S O R
3
6
1 1
1 2
2 4 2 8 3 0
2 2
1 9
1 9
3 4
4 3 4 4
5 2 5 3
5 4
5 7 5 8 5 9
6 7 6 8 6 9 7 0 7 1
6 5 6 6
7 17 0
7 7 7 8
8 5
9 0
8 0
4
1
8 1
7 5 7 6
6 9
3 9
3 5 3 6
3 5 3 6
7
4 8
7 3 7 4
8 2
4 5
8 3 8 4
8 9
8 6
5
2 0
4 0
8 88 7
6 86 7
2 7 4 6
7 2
4 7
7 9
3 2

- -
REF.NO NOTE PARTNO DESCRIPTION Qty
1 400-47909 SBR2CABLEASM 5
2
#01
400-47140 POWERSUPPRYASSYR(EN) 4
3 400-47891 BASE-CARRYPWRCABLEASM 1
4 400-47559 BASE-CARRYPCBASM 3
5 400-47926 BULK-RSENSCABLEASM 1
6 400-47557 ETHER-SLAVEPCBASM 2
7 400-47925 BUORG-RSENSCABLEASM 1
8 400-47952 ETHERCABLEBASECARRYFEEDERLFASM 1
9 400-47845 SMEMAINCABLEASM 1
10 400-47846 SMEMAOUTCABLEASM 1
11 400-47824 MT1-2PULSECABLEASM 1
12 400-47825 MT3-5PULSECABLEASM 1
13 400-47826 MT6-8PULSECABLEASM 1
14 400-47847 SV-LCABLEASM 1
15 400-47848 SV-RCABLEASM 1
16 400-47079 POWER_SUPPRY_ASSY 2
17
#01
400-47139 POWERSUPPRYASSYL(EN) 2
18 400-47792 IN/OUTMOTORPWRCABLE(L)ASM 1
19 400-48074 CENTERMOTORASM 4
20 400-47927 TPN-RSENSCABLEASM 1
21 HM-0013200-00 MOTORDRIVER 5
22 400-47807 IN-MOTORCABLEASM 1
23 400-47795 CENTERMOTORPWRCABLE(L)ASM 1
24 400-47805 CENT-MOTOR(L)CABLEASM 1
25 400-47794 JOINTMOTORPWRCABLEASM 1
26 400-48075 JOINTMOTORASM 1
27 400-65186 CONVSTOPPERDETECTCBLSHORTASM 1
28 400-47808 JOINT-MOTORCABLEASM 1
29 400-47796 CENTERMOTORPWRCABLE(R)ASM 1
30 400-47806 CENT-MOTOR(R)CABLEASM 1
31 400-47793 IN/OUTMOTORPWRCABLE(R)ASM 1
32 400-47809 OUT-MOTORCABLEASM 1
33 400-47849 SVWIREASM 2
34 400-47843 AWC-LENCCABLEASM 1
35 HX-0042000-00 5PHASESTEPDRIVER 4
36
#01
HX-0068900-00 5PHASESTEPDRIVER 4
37 400-47833 AWC-LMOTORCABLEASM 1
38
#01
400-47837 AWC-LMOTORCABLEASM(EN) 1
39 400-48077 AWCMOTORASM 2
40 400-47928 AWC-RSENSCABLEASM 1
41 400-47827 MT9-10PULSECABLEASM 1
42
#01
400-47828 MT9-10PULSECABLEASM(EN) 1
43 400-47831 BU-LMOTORCABLEASM 1
44
#01
400-47835 BU-LMOTORCABLEASM(EN) 1
45 E9432-729-0A0 BUMOTORASM. 2
46
#02
400-65185 CONVSTOPPERDETECTCBLLONGASM 1
47 400-47841 BU-LENCCABLEASM 1
48 E9433-729-0A0 BUENCASM. 2
49 400-47904 SBL1CABLEASM 1
50 400-47902 SBLCABLEASM 1
51 400-47910 INSENSCABLEASM 1
52 400-47912 WAIT-LSENSCABLEASM 1
53 400-47913 STOP-LSENSCABLEASM 1
54 400-47914 COUT-LSENSCABLEASM 1
55 400-47906 SBL2RELAYCABLEASM 1
56 400-02208 IN_SENS_ASM 1
57 402-19320 WAIT-LSENSORASM 1
58 402-19322 STOP-LSENSORASM 1
59 402-19321 COUT-LSENSORASM 1
60 400-47908 SBL2CABLEASM 1
61 400-47915 BUORG-LSENSCABLEASM 1
62 400-47916 BULK-LSENSCABLEASM 1
63 400-47917 TPN-LSENSCABLEASM 1
64 400-47918 AWC-LSENSCABLEASM 1
65 400-65185 CONVSTOPPERDETECTCBLLONGASM 1
66
#02
400-65186 CONVSTOPPERDETECTCBLSHORTASM 1
67 400-02124 BUORGSENSASM 2
68
#01
400-02241 BULOCKSENSASM 2
69 400-65184 CONVSTOPPERDETECTSNSASM 2
70 400-02122 T.PINSENSASM 2
71 400-02120 AWCORGSENSASM 2
72 400-47844 AWC-RENCCABLEASM 1
73 400-47834 AWC-RMOTORCABLEASM 1
74
#01
400-47838 AWC-RMOTORCABLEASM(EN) 1
75 400-47829 MT11-12PULSECABLEASM 1
76
#01
400-47830 MT11-12PULSECABLEASM(EN) 1
77 400-47832 BU-RMOTORCABLEASM 1
78
#01
400-47836 BU-RMOTORCABLEASM(EN) 1
79 400-47842 BU-RENCCABLEASM 1
80 400-47905 SBR1CABLEASM 1
81 400-47903 SBRCABLEASM 1
82 400-47920 OUTSENSCABLEASM 1
83 400-47922 WAIT-RSENSCABLEASM 1
84 400-47923 STOP-RSENSCABLEASM 1
85 400-47924 COUT-RSENSCABLEASM 1
86 400-47907 SBR2RELAYCABLEASM 1
87 400-42210 GUIDEBLOCKRL 1
88 402-19323 WAIT-RSENSORASM 1
89 402-19325 STOP-RSENSORASM 1
90 402-19324 COUT-RSENSORASM 1

- -
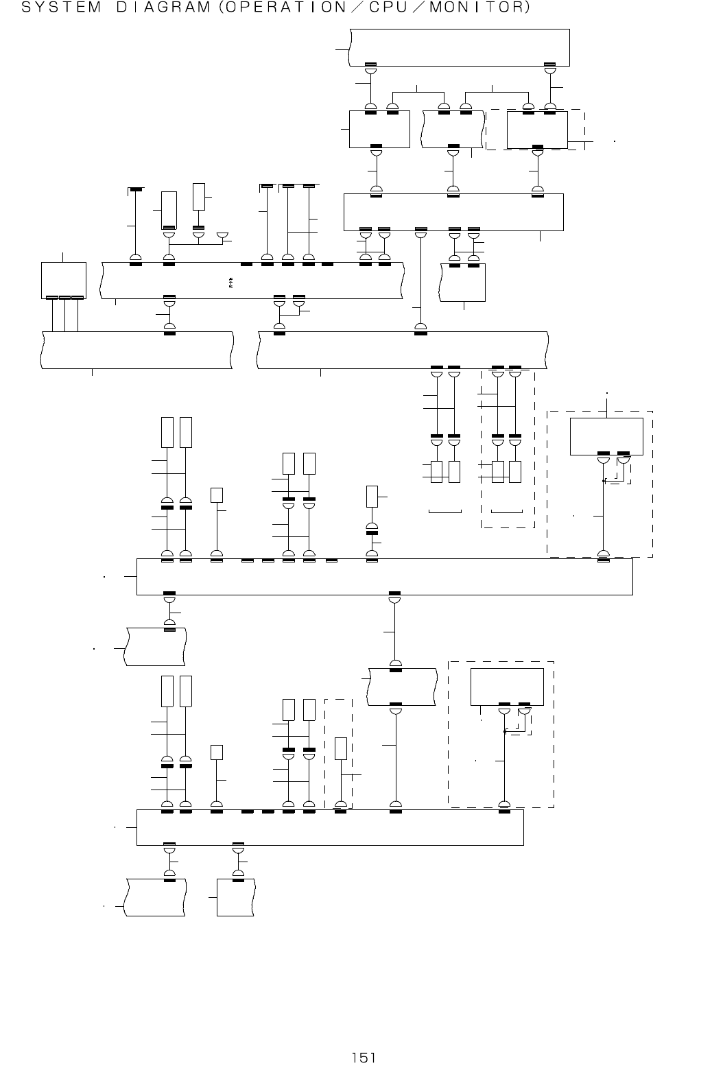
76.SYSTEM DIAGRAM (OPERATION/CPU/MONITOR)
R E A R M O N I T O R O P T I O N
8 - 2 A
P O W E R U N I T ( L )
C N 0 3 0
1 0 - 1 A
P W R L 0 3 0
O P E F 1 3
O P E R A T I O N P C B
( F )
C N 1 3
C N 7
C N 2
O P E F - 7
O P E F - 2
O P E F - 1 2
C N 1 2
C N 2 2
C N 1 9
C N 8
O P C N 8
O P C N 1
C N 2 1
O P E F 2 1
C H G - E XM O U S E / K E Y B O A R D
S E L E C T O R
E X
9 - 4 B
C N 1
C N 1 5
C N 7 1 8
C N 1 4
O P E F - 1 4
C N 2 4
H O D O P T I O N
C N 8
H O D B O X
1 1 - 2 B
C N 9
C N 7
X Y - R E L A Y P C B
3 - 4 D
X Y - 9X Y - 7
K E Y C H A N G E
S W
O P
O P
C N 7 L
C N 7 R
C O V E R O P E N
S W _ L F
C O V E R O P E N
S W _ R F
M N L T _ L F
M N L T _ R F
E M G S W _ F R
M I N I P A T L I T E
M I N I P A T L I T E
8 - 2 C
P O W E R U N I T ( R )
C N 0 3 0
1 0 - 1 B
P W R R 0 3 0
O P E R 1 3
O P E R A T I O N P C B
( R )
C N 1 3
C N 7
C N 2
C N 1 2
C N 2 2
C N 1 9
C N 8
C N 1
C N 1 5
C N 1 0
C N 1 4
O P E R - 1 4
O P E R 1 0
C N 8 0 1
C N 8 0 1
S I G N A L T O W E R
O P C N 8
O P C N 1
O P
O P
C N 7 R
C N 7 L
C O V E R O P E N
S W _ L R
C O V E R O P E N
S W _ R R
O P E R - 7
O P E R - 2
O P E R - 1 2
E M G S W _ R R
M N L T _ R R
M N L T _ L R
M I N I P A T L I T E
M I N I P A T L I T E
F R O N T
K E Y B O A R D
M O U S E
C V - K B F
C V - M S F
K B F
M S F
C V - K B R
C V - M S R
K B R
M S R
C N 2 4
H O D O P T I O N
C N 8
H O D B O X
R E A R
K E Y B O A R D
M O U S E
9 - 5 B
M S 2
K B 2
M S 1
K B 1
R S P C
R S - P C
9 - 1 B
K B / M S P C
M O U S E / K E Y B O A R D
S E L E C T O R
9 - 5 C
C O M
5 - 2 B
A T X P O W E R
B U T T E R Y U N I T
C N 5 5
C N 1 2 3
C N 1 2 5
1 - 4 C
C N 1
L A N
C O M 1
C P U B O A R D
C N 1 3
H D D I / F
C O V E R
H L C
S S D
H D D
H A R D D I S K
A C C E S S L A M P
H D D L A M P
H D D L A M P
H D D - C P
I D E
K B
M O U S E
L P T
U S B 1
U S B 2
F D D
L P T
D V I 1
C O M 2
1 3 - 4 A
C O V E R
C N 1 3
C O V E R
U S B 1
P R I N T E R
U S B 2
H O S T
H O S T
L C D A
E X T 1
C O N S O L E S W
S U P E R I M P O S E
B O A R D
7 - 3 B
N T S C 1
N T S C 2
P C B
I P - X 5
N T S C 1
N T S C 2
I N P S
I N P S
L C D B
A T X - 5
F R O N T M O N I T O R
V I D E O
R S 2 3 2 C
D C 1 2 V
F - L C D
F L C D
R S 2 3 2 C
R S 1
9 - 4 B
A T X P O W E R
C N 5
C N 1 0
C N 8
1 3 - 5 C
A T X - 1 0
F - L C D
R E A R M O N I T O R
V I D E O
D C 1 2 V
R S 2 3 2 C
R L C D
R S 2 3 2 C
R - L C D
R E A R
M O N I T O R
O P T I O N
R S 2
R S 2
M O U S E / K E Y B O A R D
S E L E C T O R
R S 1
9 - 4 C
6 7
4 5
1 1
1 0
1 0
8
9
2 6
2 7 2 8
1 2
1 3
1 4
1 4
3 6
3 1
3 5
3 7
1 2
1 3
1 4
1 4
1 0
1 0
2 9
3 0
1 8 1 9
3 8
3 9
3 4
3 5
3 4
1 5
1 6
1 7
1 8 1 9
2 2
2 0 2 1
2 4 2 5
3 2
3 3
2 0 2 1
4 0
3
4 2
4 1
4 3
4 8
4 5
4 6
4 7
4 9
5 0
5 0
5 3
5 4
5 5
5 4 5 6
5 6
5 1
5 7 5 8 5 9
6 0
5 2
6 0 6 1
6 12 3
6 2
3
4 0
1 2
3
4 4