FX-3-Rev13(-J)J - 第159页
- - REF.NO NOTE PART NO D E S C R I P T I O N Qty 1 400-65163 FRAME FAN LF CABLE ASM 1 2 400-47810 Y BEAR A CABLES ASM 1 3 400-65167 FRAME FAN RELAY CABLE ASM 1 4 400-82676 Y FRAME END FAN CABLE E ASM 1 5 400-82670 Y F…

- -
77.SYSTEM DIAGRAM (FRAME FAN)
9 1 0
3
1 6
1 4
1 9
3 5
1
4
2
5 6 7 8
1 1 1 2 1 3
1 5
1 7
1 8
4 2
4 0
4 1
3 6 3 7 3 8 3 93 0 3 1 3 2 3 3 3 4
2 62 5 2 7 2 8 2 92 0 2 1 2 2 2 3 2 4
4 94 8 5 0 5 1 5 2
4 3 4 4 4 5 4 6 4 7
9 - 1 A
P O W E R U N I T
( L )
C N 0 3 1
1 0 - 3 A
P W R L 0 3 1
F _ F A N _ L F
F _ F A N 0
F _ F A N - 1
F _ F A N - 2
F _ F A N - 3
F _ F A N - 4
F _ F A N - 5
F _ F A N 2
S 1
S 2
S 3
S 4
S 5
S 6
S 7
S 8
Y F R A M E E N D F A N ( E )
Y F R A M E E N D F A N ( B )
X F R A M E E N D F A N ( A )
X F R A M E E N D F A N ( B )
X F R A M E C E N T E R F A N
Y F R A M E E N D F A N ( C )
Y F R A M E E N D F A N ( D )
X F R A M E E N D F A N ( A )
X F R A M E E N D F A N ( B )
X F R A M E C E N T E R F A N
F _ F A N - 1
F _ F A N - 2
F _ F A N - 3
F _ F A N - 4
F _ F A N - 5
F _ F A N 1
S 1
S 2
S 3
S 4
S 5
S 6
S 7
S 8
9 - 2 A
P O W E R U N I T
( R )
C N 0 3 2
1 0 - 4 C
P W R R 0 3 2 F _ F A N _ R R
F _ F A N 0
Y F R A M E E N D F A N ( C )
Y F R A M E E N D F A N ( D )
X F R A M E E N D F A N ( A )
X F R A M E E N D F A N ( B )
X F R A M E C E N T E R F A N
F _ F A N - 1
F _ F A N - 2
F _ F A N - 3
F _ F A N - 4
F _ F A N - 5
F _ F A N 1
S 1
S 2
S 3
S 4
S 5
S 6
S 7
S 8
Y F R A M E E N D F A N ( A )
Y F R A M E E N D F A N ( B )
X F R A M E E N D F A N ( A )
X F R A M E E N D F A N ( B )
X F R A M E C E N T E R F A N
F _ F A N - 1
F _ F A N - 2
F _ F A N - 3
F _ F A N - 4
F _ F A N - 5
F _ F A N 2
S 1
S 2
S 3
S 4
S 5
S 6
S 7
S 8
1 0 - 1 A
P O W E R U N I T
( L )
C N 0 3 2
1 1 - 1 A
P W R L 0 3 2 F _ F A N _ L R
F _ F A N 0
F _ F A N 2
S 1
S 2
S 3
S 4
S 5
S 6
S 7
S 8
F _ F A N - 1
F _ F A N - 2
F _ F A N - 3
F _ F A N - 4
F _ F A N - 5
Y F R A M E E N D F A N ( A )
Y F R A M E E N D F A N ( B )
X F R A M E E N D F A N ( A )
X F R A M E E N D F A N ( B )
X F R A M E C E N T E R F A N
Y F R A M E E N D F A N ( C )
Y F R A M E E N D F A N ( D )
X F R A M E E N D F A N ( A )
X F R A M E E N D F A N ( B )
X F R A M E C E N T E R F A N
F _ F A N 1
S 1
S 2
S 3
S 4
S 5
S 6
S 7
S 8
F _ F A N - 1
F _ F A N - 2
F _ F A N - 3
F _ F A N - 4
F _ F A N - 5
1 0 - 1 C
P O W E R U N I T
( R )
C N 0 3 1
1 1 - 3 A
P W R R 0 3 1
F _ F A N _ R F
F _ F A N 0
Y F R A M E E N D F A N ( E )
Y F R A M E E N D F A N ( B )
X F R A M E E N D F A N ( A )
X F R A M E E N D F A N ( B )
X F R A M E C E N T E R F A N
F _ F A N - 1
F _ F A N - 2
F _ F A N - 3
F _ F A N - 4
F _ F A N - 5
F _ F A N 2
S 2
S 3
S 4
S 5
S 6
S 7
S 8
S 1
Y F R A M E E N D F A N ( C )
Y F R A M E E N D F A N ( D )
X F R A M E E N D F A N ( A )
X F R A M E E N D F A N ( B )
X F R A M E C E N T E R F A N
F _ F A N - 1
F _ F A N - 2
F _ F A N - 3
F _ F A N - 4
F _ F A N - 5
F _ F A N 1
S 1
S 2
S 3
S 4
S 5
S 6
S 7
S 8
5 3 5 4
5 5 5 6
5 3 5 4
5 5 5 6

- -
REF.NO NOTE PART NO D E S C R I P T I O N Qty
1 400-65163 FRAME FAN LF CABLE ASM 1
2 400-47810 Y BEAR A CABLES ASM 1
3 400-65167 FRAME FAN RELAY CABLE ASM 1
4 400-82676 Y FRAME END FAN CABLE E ASM 1
5 400-82670 Y FRAME END FAN CABLE B ASM 1
6 400-82673 X FRAME END FAN CABLE 1 ASM 1
7 400-82674 X FRAME END FAN CABLE 2 ASM 1
8 400-82675 X FRAME CENTER FAN CABLE ASM 1
9 400-82671 Y FRAME END FAN CABLE C ASM 1
10 400-82672 Y FRAME END FAN CABLE D ASM 1
11 400-82673 X FRAME END FAN CABLE 1 ASM 1
12 400-82674 X FRAME END FAN CABLE 2 ASM 1
13 400-82675 X FRAME CENTER FAN CABLE ASM 1
14 400-65166 FRAME FAN RR CABLE ASM 1
15 400-47810 Y BEAR A CABLES ASM 1
16 400-65167 FRAME FAN RELAY CABLE ASM 1
17 400-65164 FRAME FAN LR CABLE ASM 1
18 400-47811 Y BEAR B CABLES ASM 1
19 400-65167 FRAME FAN RELAY CABLE ASM 1
20 400-82669 Y FRAME END FAN CABLE A ASM 1
21 400-82670 Y FRAME END FAN CABLE B ASM 1
22 400-82673 X FRAME END FAN CABLE 1 ASM 1
23 400-82674 X FRAME END FAN CABLE 2 ASM 1
24 400-82675 X FRAME CENTER FAN CABLE ASM 1
25 400-82671 Y FRAME END FAN CABLE C ASM 1
26 400-82672 Y FRAME END FAN CABLE D ASM 1
27 400-82673 X FRAME END FAN CABLE 1 ASM 1
28 400-82674 X FRAME END FAN CABLE 2 ASM 1
29 400-82675 X FRAME CENTER FAN CABLE ASM 1
30 400-82669 Y FRAME END FAN CABLE A ASM 1
31 400-82670 Y FRAME END FAN CABLE B ASM 1
32 400-82673 X FRAME END FAN CABLE 1 ASM 1
33 400-82674 X FRAME END FAN CABLE 2 ASM 1
34 400-82675 X FRAME CENTER FAN CABLE ASM 1
35 400-82671 Y FRAME END FAN CABLE C ASM 1
36 400-82672 Y FRAME END FAN CABLE D ASM 1
37 400-82673 X FRAME END FAN CABLE 1 ASM 1
38 400-82674 X FRAME END FAN CABLE 2 ASM 1
39 400-82675 X FRAME CENTER FAN CABLE ASM 1
40 400-65165 FRAME FAN RF CABLE ASM 1
41 400-47811 Y BEAR B CABLES ASM 1
42 400-65167 FRAME FAN RELAY CABLE ASM 1
43 400-82676 Y FRAME END FAN CABLE E ASM 1
44 400-82670 Y FRAME END FAN CABLE B ASM 1
45 400-82673 X FRAME END FAN CABLE 1 ASM 1
46 400-82674 X FRAME END FAN CABLE 2 ASM 1
47 400-82675 X FRAME CENTER FAN CABLE ASM 1
48 400-82671 Y FRAME END FAN CABLE C ASM 1
49 400-82672 Y FRAME END FAN CABLE D ASM 1
50 400-82673 X FRAME END FAN CABLE 1 ASM 1
51 400-82674 X FRAME END FAN CABLE 2 ASM 1
52 400-82675 X FRAME CENTER FAN CABLE ASM 1

- -
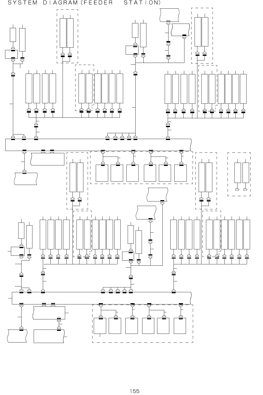
78.SYSTEM DIAGRAM (FEEDER STATION)
1
8 9
2
4
5
8
9
6
7
1 0
1 1 1 2 1 3 1 4 1 5 1 6 1 7 1 8 1 9 2 0
2 1
2 2
2 3
2 4
2 5
2 6
3 1
2 7
2 8
2 9
3 0
3 3 3 4 3 5 3 6 3 7 3 8 3 9 4 0 4 1 4 2
4 3 4 4 4 64 5
4 7
4 8 5 0
4 9 5 1
5 2
5 3
5 5 5 6 5 7 5 8
8 28 1
8 88 7
5 9 6 0 6 1 6 2 6 3 6 4
6 5
8 3
6 6
6 8 7 0 7 16 9 7 2 7 3 7 4 7 5 7 6 7 7
7 8
7 9
8 0
8 4 8 5
8 6
3 2
9 1
6 7
5 4
9 3
9 4
3
F R O A T - F
( R C V )
F R O A T - R
( R C V )
A T C - C L
A T C - O P
B A N K -
U P L
B A N K -
U P R
A T C S . V
F R O A T - F ( E )
F R O A T - R ( E )
S O T - C H K
A T C S . V
F R O A T - R
( R C V )
B A N K -
U P R
B A N K -
U P L
F R O A T - F
( R C V )
S O T - C H K
F R O A T - R ( E )
F R O A T - F ( E )
A T C - C L
A T C - O P
F R O A T - R
( R C V )
F R O A T - F
( R C V )
A T C - C L
A T C - O P
A T C S . V
S O T - C H K
F R O A T - R ( E )
F R O A T - F ( E )
F R O A T - F
( R C V )
F R O A T - R
( R C V )
A T C - O P
A T C - C L
F R O A T - F ( E )
F R O A T - R ( E )
S O T - C H K
A T C S . V
C N 0 2 3
F E E D E R
P C B
( R )
F E E D E R
P C B
( L )
9 0 9 2
B A N K -
U P R
B A N K -
U P L
B A N K -
U P L
B A N K -
U P R
C A L F
F D R L 1 9
F D R L 1 9
C N 4 9 1
C A L F ( R )
C N 6 6 9
E - F R O A T ( R C V )
E - F R O A T ( E )
C N 4 9 2
C N 4 9 1
C N 6 6 9
X Y E M G R
X Y E M G R
P O W E R
U N I T
( R )
P W R L 6 7
E - F R O A T ( E )
E - F R O A T ( R C V )
C A L F ( L )
C A L F
F D R L 1 9
F D R L 1 9
C N 4 9 1
C N 6 6 9
F D R L 2 1
F D R L 2 1
F D R L 2 1
F D R L 2 1
E - F R O A T ( R C V )
E - F R O A T ( E )
E - F R O A T ( R C V )
E - F R O A T ( E )
C A L R
C A L R ( L )
C N 4 9 1
C N 6 6 9
C N 4 9 2
F D L - 1
P W R L 0 2 3
C N 2 0
C N 2 0
C N 5
C N 5
C N 1
C N 1 9
C N 1 9
J 1
J 2
J 1
J 2
F D R - 1
P W R L 0 2 3
C N 2 0
C N 1 5
C N 2 0
C N 5
C N 5
C N 2 8
C N 2 8
C N 2 7
C N 2 7
C N 3 0
C N 3 0
C N 1 6
C N 1 7
C N 2 1
C N 2 1
C N 1 8
1 2 - 1 C
1 2 - 1 C
C N 0 6 7
C N 7
1 3 - 1 B
C N 2
C N 1
1 1 - 3 C
1 1 - 3 A
C N 2
C N 1
1 1 - 1 A
1 1 - 5 C
1 0 - 4 C
C N 5 4 1 F D R 5
C N 5 5 1
C N 5 6 1
F D R 1 6
C N 5 4 1
F D R 1 7
C N 1
C N 1
C N 1
C N 1
C N 1
C N 5 5 1
C N 5 6 1
F L R 1 8
C N 1
1 2 - 1 A
C N 0 6 7
1 1 - 5 C
C N 7
9 - 2 C
1 1 - 1 A
P W R L 6 7
X Y 7
X Y E M G L
X Y E M G L
C N 2
C N 1
C N 2
C N 1
C N 2 0
C N 2 0
C N 5
C N 5
C N 1 9
C N 1 9
C N 1
P 1
P 2
C N 2
J 2
C N 2
8 - 1 B
C N 1
C N 0 2 3
1 0 - 3 A
1 1 - 3 C
C N 1
1 1 - 3 A
J 1
C N 5 4 1
F D L 1 5
C N 1 5
C N 5 5 1
C N 5 6 1
F D L 1 6
C N 1 6
C N 1 7
F D L 1 7C N 5 4 1
C N 5 5 1
C N 2 0
C N 2 0
C N 5
C N 5
C N 2 8
C N 2 8
C N 2 7
C N 2 7
C N 3 0
C N 3 0
F L D 1 8
C N 5 6 1
C N 1
C N 1
C N 1
C N 1
C N 1
C N 1
C N 2 1
C N 2 1
1 2 - 1 A
C N 1 8
B A N K - U P L
B A N K - U P R
P O W E R U N I T ( L )
E T H E R - S L A V E
P C B ( F E E D E R _ L )
E T H E R - S L A V E
P C B ( F E E D E R _ R )
L E D P C B L F 1
L E D P C B L F 2
L E D P C B L F 3
L E D P C B L R 1
L E D P C B L R 2
L E D P C B L R 3
F P I O P T I O N
C A L P C B
C A L S . V . ( L F )
C A L V A C U U M S E N S O R ( L F )
A T C O P E N S E N S O R ( L F )
A T C C L O S E S E N S O R ( L F )
F E E D E R F L O A T S E N S O R ( L F - F )
( R E C E I V I N G )
F E E D E R F L O A T S E N S O R ( L F - R )
( R E C E I V I N G )
i n r h e c a s e o f " F I X E D E L E C B A N K " ,
r e f e r t o 1 1 - 3 D
B A N K U P S E N S O R ( L F - L )
B A N K U P S E N S O R ( L F - R )
A T C S . V ( L F )
F E E D E R F L O A T S E N S O R ( L F - F )
( E M I S S I O N )
F E E D E R F L O A T S E N S O R ( L F - R )
( E M I S S I O N )
S O T C H E C K S . V .
C A L P C B
C A L S . V . ( L R )
C A L V A C U U M S E N S O R ( L R )
A T C O P E N S E N S O R ( L R )
A T C C L O S E S E N S O R ( L R )
F E E D E R F L O A T S E N S O R ( L R - F )
( R E C E I V I N G )
F E E D E R F L O A T S E N S O R ( L R - R )
( R E C E I V I N G )
i n r h e c a s e o f " F I X E D E L E C B A N K " ,
r e f e r t o 1 1 - 3 D
B A N K U P S E N S O R ( L R - L )
B A N K U P S E N S O R ( L R - R )
A T C S . V ( L R )
F E E D E R F L O A T S E N S O R ( L R - F )
( E M I S S I O N )
F E E D E R F L O A T S E N S O R ( L R - R )
( E M I S S I O N )
S O T C H E C K S . V .
F I X E D E L E C B A N K
B U P S E N S S H O R T A S M
B U P S E N S S H O R T A S M
M E C H / E L E C T R O L Y O P T I O N
E T F F O R A S E N S O R ( L R )
( E M I S S I O N )
E T F F O A T S E N S O R ( L R )
( R E C E I V I N G )
L E D P C B R R 3
L E D P C B R R 2
P O W E R U N I T ( L )
L E D P C B R R 1
X Y R E L A Y P C B
L E D P C B R F 1
F P I O P T I O N
L E D P C B R F 2
L E D P C B R F 3
M E C H / E L E C T R O L Y O P T I O N
E T F F O A T S E N S O R ( L F )
( R E C E I V I N G )
E T F F O R A S E N S O R ( L F )
( E M I S S I O N )
E T H E R - S L A V E
P C B ( F E E D E R _ R )
P O W E R U N I T ( R )
A T C O P E N S E N S O R ( R F )
A T C C L O S E S E N S O R ( R F )
F E E D E R F L O A T S E N S O R ( R F - F )
( R E C E I V I N G )
F E E D E R F L O A T S E N S O R ( R F - R )
( R E C E I V I N G )
i n r h e c a s e o f " F I X E D E L E C B A N K " ,
r e f e r t o 1 1 - 3 D
B A N K U P S E N S O R ( R F - L )
B A N K U P S E N S O R ( R F - R )
A T C S . V ( R F )
F E E D E R F L O A T S E N S O R ( R F - F )
( E M I S S I O N )
F E E D E R F L O A T S E N S O R ( R F - R )
( E M I S S I O N )
S O T C H E C K S . V .
C A L R
C A L R ( R )
C A L P C B
C A L S . V . ( L R )
C A L V A C U U M S E N S O R ( L R )
A T C O P E N S E N S O R ( R R )
A T C C L O S E S E N S O R ( R R )
F E E D E R F L O A T S E N S O R ( R R - F )
( R E C E I V I N G )
F E E D E R F L O A T S E N S O R ( R R - R )
( R E C E I V I N G )
i n r h e c a s e o f " F I X E D E L E C B A N K " ,
r e f e r t o 1 1 - 3 D
B A N K U P S E N S O R ( R R - L )
B A N K U P S E N S O R ( R R - R )
A T C S . V ( R F )
F E E D E R F L O A T S E N S O R ( R R - F )
( E M I S S I O N )
F E E D E R F L O A T S E N S O R ( R R - R )
( E M I S S I O N )
S O T C H E C K S . V .
M E C H / E L E C T R O L Y O P T I O N
E T F F O R A S E N S O R ( R R )
( E M I S S I O N )
E T F F O A T S E N S O R ( R R )
( R E C E I V I N G )
X Y 7
X Y R E L A Y P C B
E T F F O A T S E N S O R ( R F )
( R E C E I V I N G )
E T F F O R A S E N S O R ( R F )
( E M I S S I O N )
M E C H / E L E C T R O L Y O P T I O N
C A L S . V . ( R F )
C A L V A C U U M S E N S O R ( R F )
C A L P C B