FX-3-Rev13(-J)J.pdf - 第162页
- - 79. SYSTEM DIAGRAM (MECH TOROLY I/F ) i n t h e c a s e o f " F I X E D B A N K " , r e f e r t o 1 2 - 5 A i n t h e c a s e o f " F I X E D B A N K " , r e f e r t o 1 2 - 5 A COVER (R F) ME C…

- -
REF.NO NOTE PART NO D E S C R I P T I O N Qty
1 400-47888 FEEDER PWR CABLE (LR) ASM 1
2
#01
400-47560 FEEDER PCB ASM 1
3 400-47557 ETHER-SLAVE PCB ASM 1
4 400-47483 FEEDER CAL(F) CABLE ASM 1
5 400-47979 CAL BLOCK CABLE(LF) ASM 1
6 400-07376 CALBLOCK PCB ASM 1
7 400-47986 CAL VACUUM SV ASM 1
8 400-48176 FEEDER SENS RELAY(F) CABLE ASM 1
9 400-47996 FEEDER SENS CABLE(LF) ASM 1
10 400-02126 CAL VACUUM SENSOR ASSY 1
11 400-02128 ATC OPEN SENS ASM 1
12 400-02127 ATC CLOSE SENS ASM 1
13 400-47496 FD-FLOAT(FF)RECEIVE SENS ASM 1
14 400-47498 FD-FLOAT(FR)RECEIVE SENS ASM 1
15 400-02167 BANK UP(F)SENS ASM 1
16 400-02167 BANK UP(F)SENS ASM 1
17 400-47485 ATC SV CABLE ASM 1
18 400-47495 FD-FLOAT(FF)SENS ASM 1
19 400-47497 FD-FLOAT(FR)SENS ASM 1
20 400-47486 SOT CHECK SV CABLE ASM 1
21 E8626-729-0A0 FPI LED BOARD ASM. 1
22 400-47993 FPI-LED 1 CABLE(F) ASM 1
23 400-47994 FPI-LED 2 CABLE(F) ASM 1
24 400-48172 FPI LED1 CABLE(R) ASM 1
25 400-48173 FPI LED2 CABLE(R) ASM 1
26 400-47484 FEEDER CAL(R) CABLE ASM 1
27 400-47181 COVER_SB_R 1
28 400-47986 CAL VACUUM SV ASM 1
29 400-02126 CAL VACUUM SENSOR ASSY 1
30 400-47818 OPERATION RLY CABLE (F) ASM 1
31 400-48177 FEEDER SENS RELAY(R) CABLE ASM 1
32 400-89876 FEEDER SENS CABLE (LR) ASM 1
33 400-02128 ATC OPEN SENS ASM 1
34 400-02127 ATC CLOSE SENS ASM 1
35 400-70398 FD-FLOAT(RF)RECEIVE SENS ASM 1
36 400-70400 FD-FLOAT(RR)RECEIVE SENS ASM 1
37 400-02167 BANK UP(F)SENS ASM 1
38 400-02167 BANK UP(F)SENS ASM 1
39 400-47485 ATC SV CABLE ASM 1
40 400-70397 FD-FLOAT(RF)SENS ASM 1
41 400-70399 FD-FLOAT(RR)SENS ASM 1
42 400-47486 SOT CHECK SV CABLE ASM 1
43 400-84847 ETF-FLOAT RECEIVE SENS ASM 1
44 400-84848 ETF-FLOAT SENS ASM 1
45 400-84847 ETF-FLOAT RECEIVE SENS ASM 1
46 400-84848 ETF-FLOAT SENS ASM 1
47 400-47890 FEEDER PWR CABLE (RR) ASM 1
48 400-47993 FPI-LED 1 CABLE(F) ASM 1
49 400-47994 FPI-LED 2 CABLE(F) ASM 1
50 400-48172 FPI LED1 CABLE(R) ASM 1
51 400-48173 FPI LED2 CABLE(R) ASM 1
52 400-47483 FEEDER CAL(F) CABLE ASM 1
53 400-48176 FEEDER SENS RELAY(F) CABLE ASM 1
54 400-65158 FEEDER SENS CABLE (RF) ASM 1
55 400-02128 ATC OPEN SENS ASM 1
56 400-02127 ATC CLOSE SENS ASM 1
57 400-47496 FD-FLOAT(FF)RECEIVE SENS ASM 1
58 400-47498 FD-FLOAT(FR)RECEIVE SENS ASM 1
59 400-02167 BANK UP(F)SENS ASM 1
60 400-02167 BANK UP(F)SENS ASM 1
61 400-47485 ATC SV CABLE ASM 1
62 400-47495 FD-FLOAT(FF)SENS ASM 1
63 400-47497 FD-FLOAT(FR)SENS ASM 1
64 400-47486 SOT CHECK SV CABLE ASM 1
65 400-47484 FEEDER CAL(R) CABLE ASM 1
66 400-48177 FEEDER SENS RELAY(R) CABLE ASM 1
67 400-47475 FEEDER SENS CABLE (RR) ASM 1
68 400-02128 ATC OPEN SENS ASM 1
69 400-02127 ATC CLOSE SENS ASM 1
70 400-70398 FD-FLOAT(RF)RECEIVE SENS ASM 1
71 400-70400 FD-FLOAT(RR)RECEIVE SENS ASM 1
72 400-02167 BANK UP(F)SENS ASM 1
73 400-02167 BANK UP(F)SENS ASM 1
74 400-47485 ATC SV CABLE ASM 1
75 400-70397 FD-FLOAT(RF)SENS ASM 1
76 400-70399 FD-FLOAT(RR)SENS ASM 1
77 400-47486 SOT CHECK SV CABLE ASM 1
78 400-47477 CAL BLOCK CABLE(RF) ASM 1
79 400-47986 CAL VACUUM SV ASM 1
80 400-02126 CAL VACUUM SENSOR ASSY 1
81 400-84847 ETF-FLOAT RECEIVE SENS ASM 1
82 400-84848 ETF-FLOAT SENS ASM 1
83 400-47478 CAL BLOCK CABLE(RR) ASM 1
84 400-47986 CAL VACUUM SV ASM 1
85 400-02126 CAL VACUUM SENSOR ASSY 1
86 400-47818 OPERATION RLY CABLE (F) ASM 1
87 400-84847 ETF-FLOAT RECEIVE SENS ASM 1
88 400-84848 ETF-FLOAT SENS ASM 1
89 400-47653 PLD REV NOTE(BIOCNT) 1
90 400-95637 BUP SENS SHORT ASM 1
91 400-89675 FD EMG RLY CABLE ASM 1
92 400-95637 BUP SENS SHORT ASM 1
93 400-89675 FD EMG RLY CABLE ASM 1
94 400-47557 ETHER-SLAVE PCB ASM 1

- -
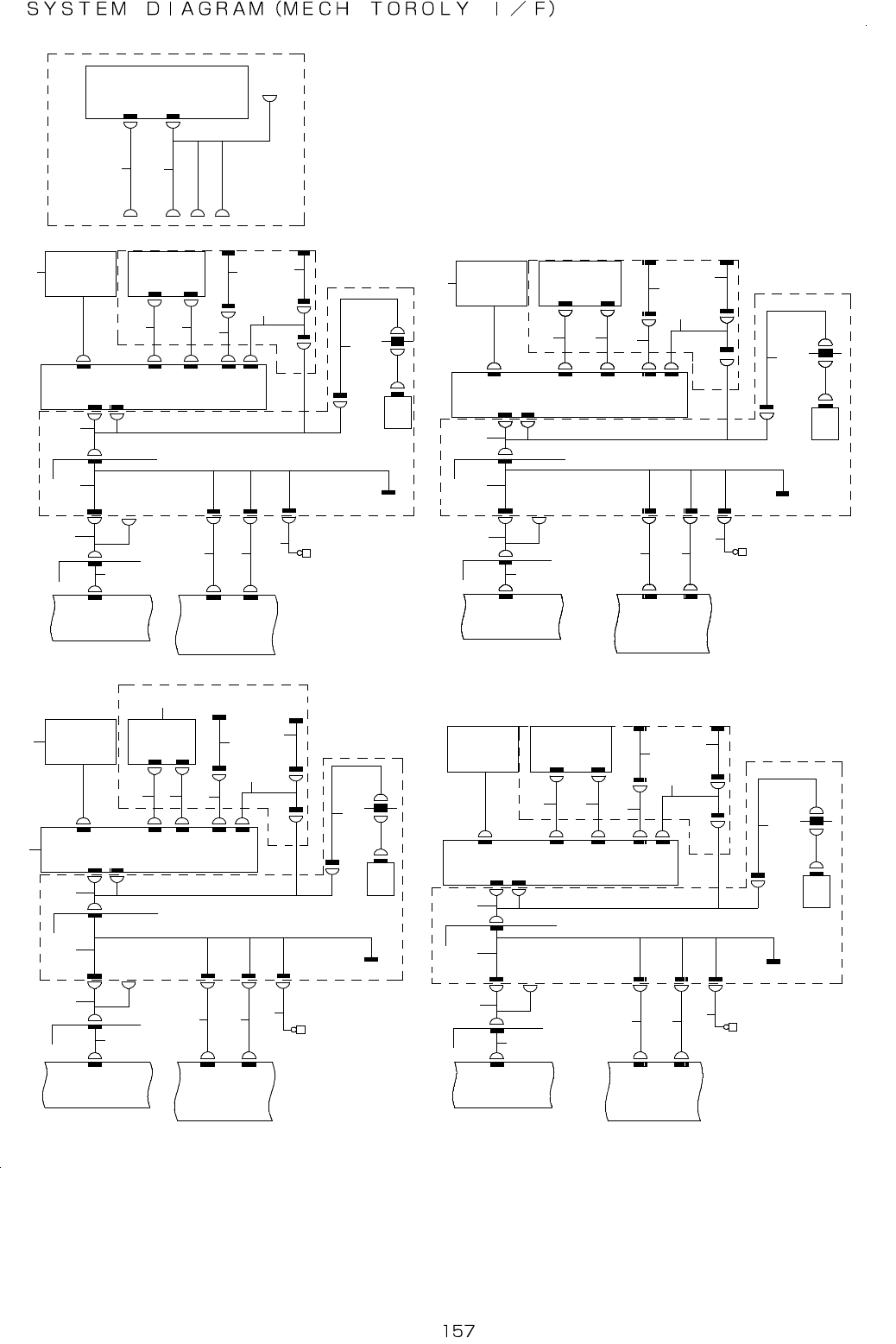
79.SYSTEM DIAGRAM (MECH TOROLY I/F)
i n t h e c a s e o f
" F I X E D B A N K " ,
r e f e r t o 1 2 - 5 A
i n t h e c a s e o f
" F I X E D B A N K " ,
r e f e r t o 1 2 - 5 A
COVER (RF)
MECH BANK PCB
BK31
BK40
FEEDER BANK PCB
1
3
2
4
5
6
7
8 9
1 0
1 1
1 2
1 3
1 4
1 61 5
1 7
1
2 4
1 8
2 3
2 5
2 6 2 7
2 8
2 9
3 0
3 1
3 7
3 2
3 8
3 3
3 6
3 4 3 5
3 9
4 0 4 1
4 2
4 5
4 3
4 6
4 4
2 2
2 0 2 1
1 9
5 0
5 4
5 5
5 7 5 8
5 9
6 2
5 1 5 2
5 3
4 9
6 0
6 1
5 6
4 7
4 8
M
B A N K
BK36
CN36
CN31
1 1 - 1 D
F E E D E R P C B ( L )
C N 3
1 2 - 3 A
C N 3
C N 3
F E E D E R P C B ( L )
F D L 0 3 C N 3 5 0
C N 3 7 0
C N 3 5 0
1 4 - 1 A
E L E C
T O R O L Y
I / F
C O V E R ( L F )
M
B A N K
M E C H B A N K P C B
B K 3 1
B K 4 0
C N 3 1
C N 4 0
C N 3 6
B K 3 6
1 1 - 3 C
P O W E R U N I T ( L )
C N 0 2 4
C N 0 6 5
1 2 - 3 B
P W R L 0 6 5
P W R L 0 2 4
C N 2 0 5 C N 2 0 5
C N 2 0 6C N 2 0 6
C N 3 5 2 C N 3 5 2
F G - T A P
( L F )
i n t h e c a s e o f
" F I X E D B A N K " ,
r e f e r t o 1 2 - 5 A
C V S O P T I O N / R F I D
1 3 - 5 B
C N 3 8 3
R F I D
A N T E N N A
R F I D
O U T
I N
C O N N E C T O R B R A C K E T O P T I ON
C N 5 0 7
C N 5 0 7C N 3 5 7C N 3 5 7
B K 3 8
B K 3 7
B K 3 9
B K 3 4
C N 3 4
C N 3 7
C N 3 8
C N 3 9
C N 6 4 9
C N 6 4 9
C N 1 0
C N 9
C N 9
C N 1 0
K N O C K P I N S . V .
1 2 - 1 A
F E E D E R P C B ( L )
C N 4
1 4 - 1 A
C N 4
C N 4
F E E D E R P C B ( L )
F D L 0 4
C N 3 5 0
C N 3 5 0
C O V E R ( L R )
M
B A N K
B K 3 1
B K 4 0
1 4 - 3 A
E L E C
T O R O L Y
I / F
C N 3 7 0
P O W E R U N I T ( L )
C N 0 2 5
C N 0 6 6
1 3 - 1 A
1 2 - 1 B
P W R L 0 2 5
P W R L 0 6 6
C N 2 0 5
C N 2 0 5
C N 2 0 6
C N 2 0 6
C N 3 5 2
C N 3 5 2
F G - T A P
( L R )
i n t h e c a s e o f
" F I X E D B A N K " ,
r e f e r t o 1 2 - 5 A
C N 3 8 3
1 3 - 5 B
C V S O P T I O N / R F I D
R F I D
A N T E N N A
R F I D
O U T
I N
C O N N E C T O R B R A C K E T O P T I O N
C N 3 5 7
C N 3 5 7
C N 5 0 7
C N 5 0 7
C N 3 8
C N 3 7
C N 3 9
C N 3 4
B K 3 4
B K 3 9
B K 3 7
B K 3 8
C N 6 4 9
C N 6 4 9
C N 1 0
C N 1 0
C N 9
C N 9
F E E D E R B A N K
P C B
M E C H B A N K P C B
C N 3 6
B K 3 6
C N 3 1
C N 4 0
K N O C K P I N S . V .
F I X E D B A N K
M E C H B A N K P C B
C N 3 1
C N 4 0
B K 4 0
B K 3 1
C N 3 5 0
C N 2 0 5
C N 2 0 6
C N 3 5 2
C N 3 5 7
K N O C K P I N S . V .
F E E D E R B A N K
P C B
C N 9
C N 1 0
C N 9
C N 1 0
B K 3 9
B K 3 4
B K 3 6
M E C H B A N K P C B
C N 3 1
C N 3 6
C N 4 0
C N 3 4
C N 3 9
C N 3 7
C N 3 8
B K 3 7
B K 3 8
C N 6 4 9
C N 6 4 9
C N 5 0 7C N 5 0 7
C N 3 5 7
C N 3 5 7
I N
O U T
R F I D
A N T E N N A
R F I D
C N 3 8 3
1 3 - 5 C
C V S O P T I O N / R F I D
F G - T A P
( R F )
C N 3 5 2
C N 2 0 6
C N 2 0 5
C N 2 0 5
C N 2 0 6
C N 3 5 2
P W R R 0 6 5
P W R R 0 2 4
1 1 - 4 C
P O W E R U N I T ( R )
C N 0 2 4
C N 0 6 5
1 2 - 3 C
C O N N E C T O R B R A C K E T O P T I O N
1 2 - 3 C
C N 3
C N 3
C N 3
F E E D E R P C B ( R )
1 1 - 3 D
F D R 0 3 C N 3 5 0 C N 3 5 0
C N 3 7 0
F E E D E R P C B ( R )
1 4 - 1 C
E L E C
T O R O L Y
I / F
C O V E R ( R F )
B K 3 1
M
B A N K
B K 4 0
K N O C K P I N S . V .
F E E D E R B A N K
P C B
C N 9
C N 1 0
C N 9
C N 1 0
B K 3 4
B K 3 9
C N 6 4 9
C N 6 4 9
B K 3 7
B K 3 8
C N 3 8
C N 3 7
C N 3 9
C N 3 4
C N 4 0
C N 5 0 7
C N 5 0 7
C N 3 5 7
C N 3 5 7
C O N N E C T O R B R A C K E T O P T I O N
I N
O U T
R F I D
A N T E N N A
R F I D
C N 3 8 3
1 3 - 5 C
C V S O P T I O N / R F I D
C N 2 0 5
C N 2 0 6
C N 3 5 2
C N 3 5 2
C N 2 0 6
C N 2 0 5
F G - T A P
( R F )
P W R L 0 6 5
P W R L 0 2 4
1 1 - 4 C
P O W E R U N I T ( R )
C N 0 2 4
C N 0 6 5
1 2 - 3 C
1 4 - 1 C
E L E C
T O R O L Y
I / F
C N 3 7 0
C N 3 5 0
C N 3 5 0
F D L 0 3
C N 3
C N 3
F E E D E R P C B ( R )
1 1 - 3 D
F E E D E R P C B ( R )
C N 3
1 2 - 3 C

- -
REF.NO NOTE PART NO D E S C R I P T I O N Qty
1 400-47481 FEEDER IF RELAY(F) CABLE ASM 1
2 400-48179 FEEDER PCB(LF) IF CABLE ASM 1
3 400-48189 MECH BANK RELAY WIRE ASM 1
4 400-48190 MECH BANK IF CABLE ASM 1
5 400-79659 RFID JOINT CABLE ASM 1
6 400-82807 MECHANICAL BANK PCB SET 1
7 400-63859 DRIVE_CYLINDER 1
8 400-48193 CONNECTOR BRACKET IF CABLE ASM 1
9 400-48194 CONNECTOR BRACKET PWR CABLE ASM 1
10 E8615-715-0A0 FEEDER BANK CIRCUIT BOARD ASM. 1
11 400-48194 CONNECTOR BRACKET PWR CABLE ASM 1
12 E9395-721-0A0 IC FULL RELAY CABLE 3 ASM. 1
13 400-48194 CONNECTOR BRACKET PWR CABLE ASM 1
14 E9532-729-0A0 CUTTER POWER SOURCE CABLE ASM. 1
15 400-47788 BANK RLY CABLE (LF) ASM 1
16 400-47788 BANK RLY CABLE (LF) ASM 1
17 400-48183 BANK(F) FG CABLE ASM 1
18 400-48184 FEEDER PCB(RF) IF CABLE ASM 1
19 400-63859 DRIVE_CYLINDER 1
20 400-47790 BANK RLY CABLE (RF) ASM 1
21 400-47790 BANK RLY CABLE (RF) ASM 1
22 400-48183 BANK(F) FG CABLE ASM 1
23 400-48189 MECH BANK RELAY WIRE ASM 1
24 400-48190 MECH BANK IF CABLE ASM 1
25 400-79659 RFID JOINT CABLE ASM 1
26 400-48193 CONNECTOR BRACKET IF CABLE ASM 1
27 400-48194 CONNECTOR BRACKET PWR CABLE ASM 1
28 400-48194 CONNECTOR BRACKET PWR CABLE ASM 1
29 E9395-721-0A0 IC FULL RELAY CABLE 3 ASM. 1
30 400-48194 CONNECTOR BRACKET PWR CABLE ASM 1
31 E9532-729-0A0 CUTTER POWER SOURCE CABLE ASM. 1
32 400-47482 FEEDER IF RELAY(R) CABLE ASM 1
33 400-47479 FEEDER PCB(LR) IF CABLE ASM 1
34 400-47789 BANK RLY CABLE (LR) ASM 1
35 400-47789 BANK RLY CABLE (LR) ASM 1
36 400-48183 BANK(F) FG CABLE ASM 1
37 400-48189 MECH BANK RELAY WIRE ASM 1
38 400-48190 MECH BANK IF CABLE ASM 1
39 400-79659 RFID JOINT CABLE ASM 1
40 400-48193 CONNECTOR BRACKET IF CABLE ASM 1
41 400-48194 CONNECTOR BRACKET PWR CABLE ASM 1
42 400-48194 CONNECTOR BRACKET PWR CABLE ASM 1
43 400-48194 CONNECTOR BRACKET PWR CABLE ASM 1
44 400-63859 DRIVE_CYLINDER 1
45 E9395-721-0A0 IC FULL RELAY CABLE 3 ASM. 1
46 E9532-729-0A0 CUTTER POWER SOURCE CABLE ASM. 1
47 400-48158 BANK CABLE ASM 1
48 400-65159 BANK PCB PWR RELAY CABLE ASM 1
49 400-47482 FEEDER IF RELAY(R) CABLE ASM 1
50 400-47480 FEEDER PCB(RR) IF CABLE ASM 1
51 400-47791 BANK RLY CABLE (RR) ASM 1
52 400-47791 BANK RLY CABLE (RR) ASM 1
53 400-48183 BANK(F) FG CABLE ASM 1
54 400-48189 MECH BANK RELAY WIRE ASM 1
55 400-48190 MECH BANK IF CABLE ASM 1
56 400-79659 RFID JOINT CABLE ASM 1
57 400-48193 CONNECTOR BRACKET IF CABLE ASM 1
58 400-48194 CONNECTOR BRACKET PWR CABLE ASM 1
59 400-48194 CONNECTOR BRACKET PWR CABLE ASM 1
60 E9395-721-0A0 IC FULL RELAY CABLE 3 ASM. 1
61 400-48194 CONNECTOR BRACKET PWR CABLE ASM 1
62 E9532-729-0A0 CUTTER POWER SOURCE CABLE ASM. 1