FX-3-Rev13(-J)J.pdf - 第164页
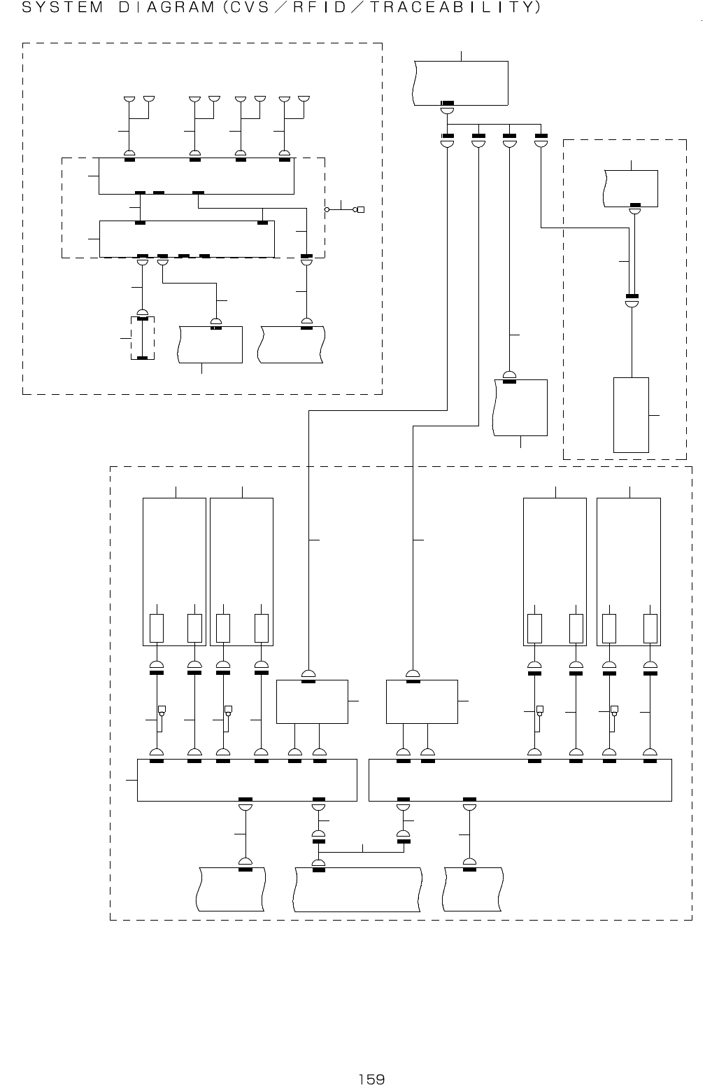
- - 80. SYSTEM DIAGRAM (CVS/RFID/TRACEAB ILITY) C VS O P TI O N X 5 (RF ) FG-T AP 6 1 2 4 5 3 7 8 9 1 0 1 2 1 5 1 1 1 3 1 4 1 6 1 7 1 9 1 8 2 0 2 1 2 2 2 3 2 4 2 9 2 6 2 5 2 7 2 8 3 0 3 1 3 2 3 5 3 4 3 3 3 8 4 0 4 2 4 …

- -
REF.NO NOTE PART NO D E S C R I P T I O N Qty
1 400-47481 FEEDER IF RELAY(F) CABLE ASM 1
2 400-48179 FEEDER PCB(LF) IF CABLE ASM 1
3 400-48189 MECH BANK RELAY WIRE ASM 1
4 400-48190 MECH BANK IF CABLE ASM 1
5 400-79659 RFID JOINT CABLE ASM 1
6 400-82807 MECHANICAL BANK PCB SET 1
7 400-63859 DRIVE_CYLINDER 1
8 400-48193 CONNECTOR BRACKET IF CABLE ASM 1
9 400-48194 CONNECTOR BRACKET PWR CABLE ASM 1
10 E8615-715-0A0 FEEDER BANK CIRCUIT BOARD ASM. 1
11 400-48194 CONNECTOR BRACKET PWR CABLE ASM 1
12 E9395-721-0A0 IC FULL RELAY CABLE 3 ASM. 1
13 400-48194 CONNECTOR BRACKET PWR CABLE ASM 1
14 E9532-729-0A0 CUTTER POWER SOURCE CABLE ASM. 1
15 400-47788 BANK RLY CABLE (LF) ASM 1
16 400-47788 BANK RLY CABLE (LF) ASM 1
17 400-48183 BANK(F) FG CABLE ASM 1
18 400-48184 FEEDER PCB(RF) IF CABLE ASM 1
19 400-63859 DRIVE_CYLINDER 1
20 400-47790 BANK RLY CABLE (RF) ASM 1
21 400-47790 BANK RLY CABLE (RF) ASM 1
22 400-48183 BANK(F) FG CABLE ASM 1
23 400-48189 MECH BANK RELAY WIRE ASM 1
24 400-48190 MECH BANK IF CABLE ASM 1
25 400-79659 RFID JOINT CABLE ASM 1
26 400-48193 CONNECTOR BRACKET IF CABLE ASM 1
27 400-48194 CONNECTOR BRACKET PWR CABLE ASM 1
28 400-48194 CONNECTOR BRACKET PWR CABLE ASM 1
29 E9395-721-0A0 IC FULL RELAY CABLE 3 ASM. 1
30 400-48194 CONNECTOR BRACKET PWR CABLE ASM 1
31 E9532-729-0A0 CUTTER POWER SOURCE CABLE ASM. 1
32 400-47482 FEEDER IF RELAY(R) CABLE ASM 1
33 400-47479 FEEDER PCB(LR) IF CABLE ASM 1
34 400-47789 BANK RLY CABLE (LR) ASM 1
35 400-47789 BANK RLY CABLE (LR) ASM 1
36 400-48183 BANK(F) FG CABLE ASM 1
37 400-48189 MECH BANK RELAY WIRE ASM 1
38 400-48190 MECH BANK IF CABLE ASM 1
39 400-79659 RFID JOINT CABLE ASM 1
40 400-48193 CONNECTOR BRACKET IF CABLE ASM 1
41 400-48194 CONNECTOR BRACKET PWR CABLE ASM 1
42 400-48194 CONNECTOR BRACKET PWR CABLE ASM 1
43 400-48194 CONNECTOR BRACKET PWR CABLE ASM 1
44 400-63859 DRIVE_CYLINDER 1
45 E9395-721-0A0 IC FULL RELAY CABLE 3 ASM. 1
46 E9532-729-0A0 CUTTER POWER SOURCE CABLE ASM. 1
47 400-48158 BANK CABLE ASM 1
48 400-65159 BANK PCB PWR RELAY CABLE ASM 1
49 400-47482 FEEDER IF RELAY(R) CABLE ASM 1
50 400-47480 FEEDER PCB(RR) IF CABLE ASM 1
51 400-47791 BANK RLY CABLE (RR) ASM 1
52 400-47791 BANK RLY CABLE (RR) ASM 1
53 400-48183 BANK(F) FG CABLE ASM 1
54 400-48189 MECH BANK RELAY WIRE ASM 1
55 400-48190 MECH BANK IF CABLE ASM 1
56 400-79659 RFID JOINT CABLE ASM 1
57 400-48193 CONNECTOR BRACKET IF CABLE ASM 1
58 400-48194 CONNECTOR BRACKET PWR CABLE ASM 1
59 400-48194 CONNECTOR BRACKET PWR CABLE ASM 1
60 E9395-721-0A0 IC FULL RELAY CABLE 3 ASM. 1
61 400-48194 CONNECTOR BRACKET PWR CABLE ASM 1
62 E9532-729-0A0 CUTTER POWER SOURCE CABLE ASM. 1

- -
80.SYSTEM DIAGRAM (CVS/RFID/TRACEABILITY)
CVS O P TI ON
X5
(RF)
FG-TAP
6
1
2 4
5
3
7 8 9 1 0
1 2 1 5
1 1 1 3 1 4 1 6
1 7 1 9
1 8 2 0
2 1
2 2
2 3
2 4
2 92 6
2 5 2 7 2 8 3 0
3 1
3 2
3 5
3 4
3 3
3 8
4 0
4 2 4 3 4 4 3 6
3 7
3 9
4 1
4 7
5 0
4 6
4 8
4 9
X Y - 4 9
9 - 4 D
H O S T
S U P E R I MP O S E B O A R D
4 5
1 2 - 3 B
P O W E R U N I T ( L )
P W R L 0 2 8
1 4 - 1 B
C N 0 2 8 L
C V S L C 1
1 1 - 5 C
C N 1 2
X Y - R E L A Y
P C B
X Y C N 1 2
C V S L I O
C V S L C 2
1 3 - 3 C
C V S R I O C V S R C 2
C V S R C 1
C N 0 2 8 R
1 2 - 3 D
P O W E R U N I T ( R )
P W R R 0 2 8
1 3 - 4 B
C N 5
C N 6
C N 7
C N 8
C N 8 / C V S
C N 7 / C V S
C N 6 / C V S
C N 5 / C V S
J 0 4 3 / R F
J 0 4 2 / R F
J 0 4 3 / R R
J 0 4 2 / R R
J 4 2
J 4 3
J 4 2
J 4 3
F G - T A P
( R R )
P R O B E
S U R F A C E V E R I F I C A T I O N U N I T ( R F )
S O L E N O I D V A L V E
S U R F A C E V E R I F I C A T I O N U N I T ( R R )
P R O B E
S O L E N O I D V A L V E
C V S P C B ( R )
C N 3
C N 4
C N 2
C N 1
C N 4
C N 3 C V S
D M M ( R )
C N 2
C N 4
C N 3
C N 8
C N 1
C N 7
C N 6
C N 7 / C V S
C N 8 / C V S
C N 3 C V S
C N 4
D M M ( L )
C N 6 / C V S
C N 5
C V S P C B ( L )
C N 5 / C V S J 0 4 3 / L F J 4 3
J 4 2
J 4 3
J 4 2
J 0 4 2 / L R
J 0 4 3 / L R
J 0 4 2 / L F
F G - T A P
( L R )
F G - T A P
( L F )
P R O B E
S O L E N O I D V A L V E
S U R F A C E V E R I F I C A T I O N U N I T ( L F )
S U R F A C E V E R I F I C A T I O N U N I T ( L R )
P R O B E
S O L E N O I D V A L V E
B A R C O R D R E E D E R
T R A C E A B I L I T Y O P T I O N
B R
C N 6
A T X P O W E R
9 - 5 C
A T X - 6
C O M A
C O M B
C O M C
C O M D
U A R T
5 - 5 D
I E E E 1 3 9 4 B O A R D
U A R T
R F I D O P T I O N
F G - T A P
F R O N T
1 2 - 3 D
M E C H T O R O L Y I / F
1 4 - 3 D
E L E C T O R O L Y I / F
1 2 - 1 B
M E C H T O R O L Y I / F
1 4 - 1 B
E L E C T O R O L Y I /F
1 2 - 1 D
M E C H T O R O L Y I / F
1 4 - 1 D
E L E C T O R O L Y I / F
R R 3 8 3
R R 3 8 2
L F 3 8 3
L F 3 8 2
R F 3 8 3
R F 3 8 2
R F
C H 2
C H 1
C H 4
L F
R R
L R
C N 2
C N 1
C N 4
D C _ I N P U T
P R O G
E T H E R N E T
C N 3
C H 3
1 2 - 3 B
M E C H T O R O L Y I / F
1 4 - 3 B
E L E C T O R O L Y I / F
L R 3 8 3
L R 3 8 2
M P C - 4 C
S W I T C H I N G H U B
H L C
L A N
X 4
X 3
X 2
X 1
D C I N P U T
R F I D _ P W R
P W R R 2 2
1 4 - 1 C
C N 0 2 2
P O W E R U NI T ( R )
1 3 - 1 C
9 - 4 C
C P U B O A R D
L A N
L A N
H U B _ B O X

- -
REF.NO NOTE PART NO D E S C R I P T I O N Qty
1 400-48294 CVS PCB(L) POWER CABLE ASM 1
2 400-48293 CVS IO(L) CABLE ASM 1
3 400-48169 CVS IO CABLE ASM 1
4 400-48295 CVS IO(R) CABLE ASM 1
5 400-48296 CVS PCB(R) POWER CABLE ASM 1
6 400-47537 CVS PCB ASM 1
7 400-77591 CVS LF PROBE CABLE ASM 1
8 400-48297 CVS LF PROBE CABLE ASM 1
9 400-77592 CVS LR PROBE CABLE ASM 1
10 400-48298 CVS LR PROBE CABLE ASM 1
11 400-47886 CVS PROBE CABLE ASM 1
12 400-46825 SURFACE VERIFICATION UNIT 1
13 E9589-705-0A0 VRFY SV CABLE ASM. 1
14 400-47886 CVS PROBE CABLE ASM 1
15 400-46825 SURFACE VERIFICATION UNIT 1
16 E9589-705-0A0 VRFY SV CABLE ASM. 1
17 400-48056 CVS DMM ASM 1
18 400-48057 CVS PROBE I/F CABLE ASM 1
19 400-48056 CVS DMM ASM 1
20 400-48057 CVS PROBE I/F CABLE ASM 1
21 400-77593 CVS RF PROBE CABLE ASM 1
22 400-48299 CVS RF PROBE CABLE ASM 1
23 400-77594 CVS RR PROBE CABLE ASM 1
24 400-48300 CVS RR PROBE CABLE ASM 1
25 400-47886 CVS PROBE CABLE ASM 1
26 400-46825 SURFACE VERIFICATION UNIT 1
27 E9589-705-0A0 VRFY SV CABLE ASM. 1
28 400-47886 CVS PROBE CABLE ASM 1
29 400-46825 SURFACE VERIFICATION UNIT 1
30 E9589-705-0A0 VRFY SV CABLE ASM. 1
31 HK-0651200-80 MODULAR KAPLA 1
32
#01
400-73738 RFID LAN CABLE (4.5M) ASM 1
33 401-07372 CPU BOARD 1
34 400-79652 RFID LAN CABLE ASM 1
35 400-79653 RFID PWR CABLE ASM 1
36 400-79658 RFID BRANCH4 CBL ASM 1
37 400-73033 SWITCHING HUB 1
38 400-72813 MPC RJ45 CABLE ASM 1
39 400-73032 4 PORT MPC 1
40 400-72814 MPC POWER CABLE ASM 1
41 400-79656 RFID FG CABLE ASM 1
42 400-79654 RFID BRANCH1 CBL ASM 1
43 400-79655 RFID BRANCH2 CBL ASM 1
44 400-79657 RFID BRANCH3 CBL ASM 1
45 400-48082 SUPER INPAUSE BOARD 1
46 400-47820 HOD RS232C CABLE ASM 1
47 400-48003 IEEE1394 BOARD 1
48 HX-0061000-00 BARCODE READER 1
49 400-48200 BARCODE READER CABLE ASM 1
50 400-48006 ATX PSU 1