FX-3-Rev10(-J) - 第109页
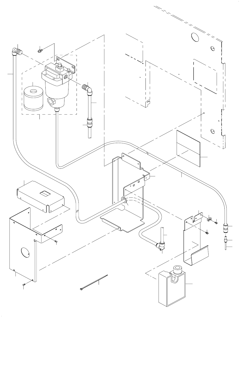
- 104 - REF.NO NOTE PART NO D E S C R I P T I O N 品 名 Qty 1 PF-0154010-A0 AIR FILTER エアフィルター 1 2 PF-9010070-00 FILTER ELEMENT フィルターエレメント (1) 3 BT-1200801-EF TUBE チューブ 0.8 4 PJ-3041200-01 ELBOW D=12 エルボ φ 12 1 5 BT-120080…

- 103 -
52.MAIN LINE FILTER COMPONENTS
メインラインフィルタ関係
24
15
14
16
17
21
20
7
8
11
9
3
4
6
18
19
12
5
2
1
10
24
23
22
25
13
26

- 104 -
REF.NO NOTE PART NO D E S C R I P T I O N
品 名
Qty
1 PF-0154010-A0 AIR FILTER
エアフィルター
1
2 PF-9010070-00 FILTER ELEMENT
フィルターエレメント
(1)
3 BT-1200801-EF TUBE
チューブ
0.8
4 PJ-3041200-01 ELBOW D=12
エルボ φ 12
1
5 BT-1200801-EF TUBE
チューブ
1
6 BT-1000651-EB POLYURETHANE TUBE
ポリウレタン チューブ
0.7
7 PJ-3031000-02 STRAGHT
ストレート
1
8 PJ-3090400-03 STRAGHT
レジューサ(φ 4− φ 10)
1
9 BT-0400251-EA TUBE HOSE, BLUE
ウレタンホース 青
0.16
10 SL-6061692-TN BOLT
座金付き六角穴ボルト
2
11 400-31183 FILTER BRACKET
フィルタブラケット
1
12 HX-0005500-0J RUBBER BUSHING
ゴムブッシュ
1
13 E1387-700-000 HOD MAGNET
HOD マグネット
2
14 400-17146 DRAIN TANK STAY B
ドレインタンクステイ B
1
15 SL-6040892-TN BOLT
座金付き六角穴ボルト
2
16 HX-0029400-00 FIXED BASE
固定ベース
1
17 SM-4040601-SC SCREW M4X0.7 L=6
なべ小ねじ M 4 X 0.7 L =6
1
18 EA-9500B01-00 CABLE BAND
束線バンド
1
19 400-16815 DRAIN TANK
ドレインタンク
1
20 400-31184 FILTER COVER U
フィルターカバー U
1
21 SM-3040652-TN SCREW M4 L=6
丸ねじ M 4 L =6
6
22 400-31185 FILTER COVER B
フィルターカバー B
1
23 SM-3040652-TN SCREW M4 L=6
丸ねじ M 4 L =6
4
24 PJ-3041254-01 ELBOW UNION D=12
エルボユニオン φ 12
2
25 BT-1200801-EF TUBE
チューブ
0.2
26 400-73368 STRAIGHT UNION 12
ストレートユニオン φ 12
1

- 105 -
53.FCS COMPONENTS
FCS 関係
20
20
18
4
16
19
3
6
15
17
15
16
21
23
14
2
1
10
11
8
5
24
25
13
12
11
9
7