FX-3-Rev10(-J) - 第155页
- 150 - NOTE( 注記 ) #01....FOR EN EN 用 #02....CARRY DIRECTION R → L キャリー方向は右→左 REF.NO NOTE PART NO D E S C R I P T I O N 品 名 Qty 1 400-4790 9 SBR2 C ABLE ASM センサブロック R 2束線組 5 2 #01 400-47140 POWER SUPPRY A SSY R(EN) 電源供給組…

- 149 -
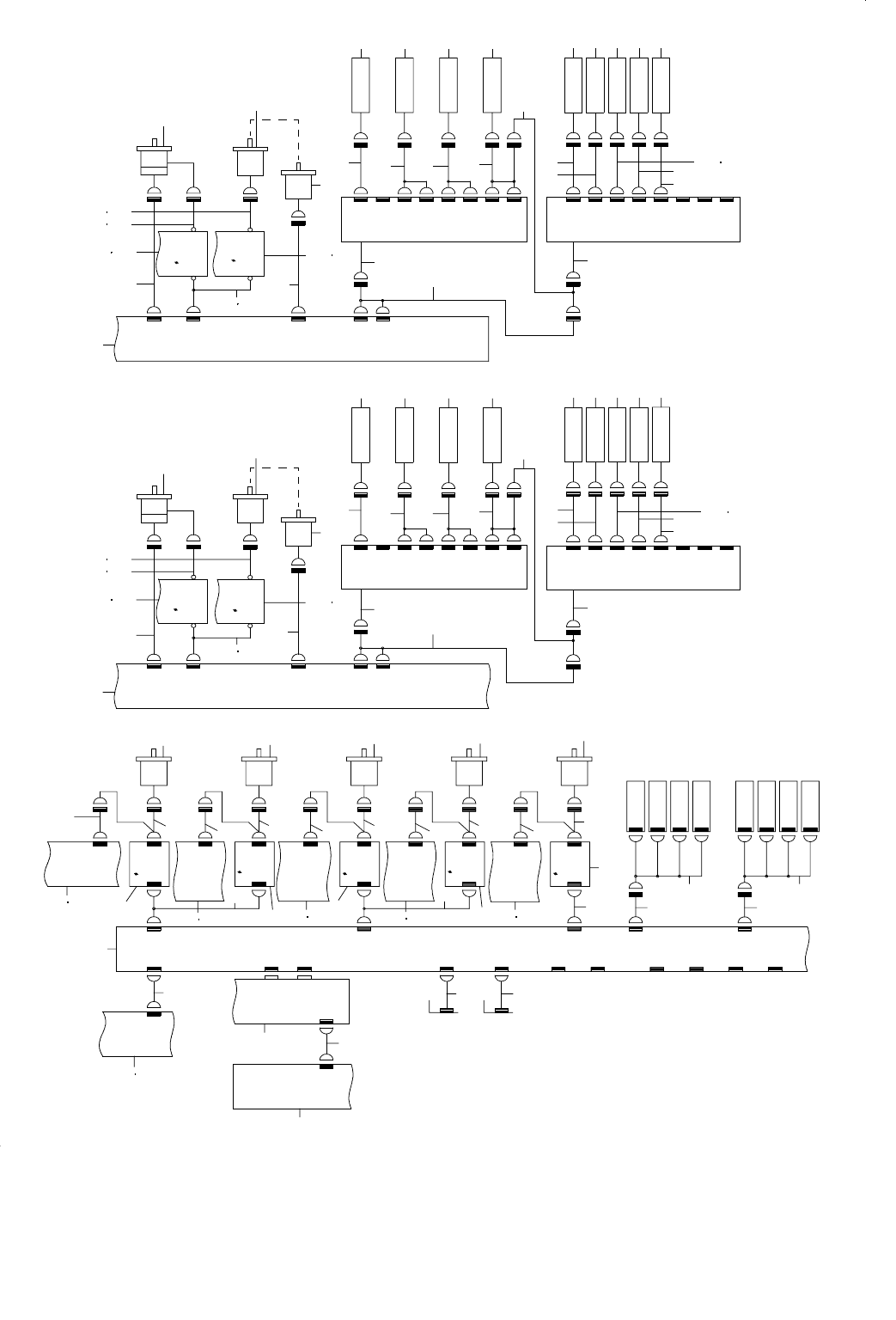
75.SYSTEM DIAGRAM (BASE-CARRY)
SYSTEM DIAGRAM(BASE − CARRY)
SBR1-1
SENSOR
OUT
OUT
CN438
JOINT MOTOR
CE NTER MOTOR(R)
CMR-P
OUT MOTOR
PWRR033 OTM-P
CMR-2
OTM-2
JM
CN665
CN656
OTM
CN665
CN656
CMR
CN665
CN656
SHAPE Y(R)
MTR11-12
S2
S3
SBL2-5
SBL2-3
SOLV.
PCB(BC)
ETHER-SLAVE
BU(R) LOCK
SBL2-4
SBL2-2
(CENTER R)
(JOINT)
CN2
9-1A
BASE -CARRY
1-3B
(AWC L)
5 DRIVER
CN23
ENC1
CN19
SBL1/2
POWER UNIT(R)
CN1
CN033
8-2B
POWER UNIT(R)
CN1
CN9
8-2B
CN034
CN1
JM-2
8-2B
JM-P
CN027
CN1
CML-2
PCB
CML-P
ENC1
CN1
INM-P
CN033
CN32
J1
S3
PWRR027
8-1A
SMEMA
LOWER UNIT
OUT
POWER UNIT
(R)
7-3A
POWER UNIT(R)
COVER
J2
CN14
AN2
CN13
AN1
EV-R
8-2A
BU_LOCK
EV
BC-32
CN30
CN31
SMEMA-U
INM-1
MT1-2
PWR
(IN)
BCPWR
MTR1- 2
CN6
IN
ENC3
SPWR-L
SBL2
SENSOR
BULK-L
BU-L
CN445
1-3C
CN442
AWC-L
TPIN-L
COUT(L)
SENSOR
CN44 6
SENSOR
WAIT(L)
CN409L
SENSOR
STOP(L)
S1
SPWR-L
S2
S8
CN22
S7
S6
ENC4
S5
S4
CN12
S1
SBL1
SENS-L
CN27
SBL2
CN25
MT9- 10
CN17
POWER UNIT
(L)
CN665
COVER
IN
SMEMA-L
SMEMA
UPPER UNIT
SMEMA_U
SMEMA_L
SHAPE_X
SHAPE_Y
STOP
EV
CN24
STOPPER(R)
SOLV.
SHAPE X(R)
SOLV.
BU_LOCK
SHAPE_Y
SOLV.
SHAPE Y(L)
SOLV.
BU(L) LOCK
BC-24
AWC(L) ORG
ENC4
MT11-12
PCB
SBL2-1
S6
S5
S4
8-2B
(OUT)
SOLV.
SHAPE X(L)
SOLV.
STOPP ER(L)
MTR6-8
CN10
STOP
SHAPE_X
EV-L
SPO2
CN16
SPO1
CN20
6-3A
IN MOTOR
8-2A
PWRL033
CN656
CN656
PWRL035
CML
5 DRIVE R
5 DRIVER
P2
(CENTER L)
CML-1
5 DRIV ER
MTR3-5
PWRR035
CN2
CN29
SPO2
SPO1
CN28
JM-1
CN2
MT3- 5
5 DRIVER
OTM-1
MT6-8
5DRIVER
BASE-CARRY
9-2A
INM-2
INM
CN2
CN665
8-1D
ENC3
P1
CN2
CMR-1
CN035
3-1B
SENSOR
(BU L)
5DRIVER
8-4A
SENSOR
BU(L) ORG
S7
BU(L) LOCK
SENSOR
TPIN( L)
SENSOR
8-2C
10
1
2
6
8
9
14
4
15
1
2
1
2
3333
13
19
19
26
21
1
2
16
17
16 17
21
21
21
18
23
25 29 31
49
4
60
50
41
42
39
35
36
35
36
61
48
37
38
51
45
55
62
63
64
56
21
CN035
POWER UNIT(L)
8-2A
PWRR0 34
CENTER MOTOR(L)
EN2
ES-BC
CN2
ES-FL
CN1
11-1A
EN1
PCB(FEEDER_L)
ETHER-SLAVE
CN15
MTR9-10
BASE-CARRY
PCB
SENS-L
SBL1
S8
CONV DETECT
SENSOR
CS-8BPIN-L
SBL1-1
SBL1-34
SBL1-56
SBL1-78
IN
WAIT -L
STOP-L
COUT -L
PWR2
CSL-5
CSL-4
CSL-3
CN437
BU UP ENCODER(L)
BACK UP MOTOR(L)
CN657
CN667
BULM
CN658
CN668BU LE
AUTO WIDTH ADJUSTMENT
MOTO R(L)
CN659
AWCLE
AWCLM
CN660
1-5B
5DRIVER
(AWC R)
1-5B
5DRIVER
(BU R)
ENC2
CN18
ENC2
CN21
SPWR-R
CN26
SENS-R
SPWR-R
SENS-R
SBR1
AUTOWIDTH ADJUSTM ENT
MOTOR(R)
AWCRE
CN659
AWCRM
CN660
BACK UP MO TOR(R)
CN657
CN667
BURM
BURE
CN658
CN668
BU UP ENCODER(R)
SBR1
S1
S2
S3
S4
S5
S6
S7
S8
SBR1-78
SBR1- 56
SBR1-34 WAIT-R CSR-3
STOP-R CSR-4
COUT-R
CSR-5
PWR2
WAIT( R)
SENSOR
STOP(R)
SENSOR
COUT(R)
SENSOR
SBR2
SBR1/2
SBR2
SBR2- 1
SBR2- 2
SBR2-3
SBR2- 4
SBR2 -5
BU-R
BULK-R
BPIN-R
TPIN-R
AWC-R
CN409L
CN446
CS-8
CN442
CN445
S1
S2
S3
S4
S5
S6
S7
S8
BU(R) ORG
SENSOR
BU(R) LOCK
SENSOR
CONV DETECT
SEN SOR
TPIN(R)
SENSOR
AWC(R) O RG
SENSOR
3
6
11
12
24 28 30
22
19
19
34
43
44
52 53
54
57 58 59
6768697071
65
66
7170
77
78
85
90
80
4
1
81
75
76
69
39
35
36
35
36
7
48
73
74
82
45
83 84
89
86
5
20
40
8887
6867
27
46
72
47
79
32

- 150 -
NOTE( 注記 ) #01....FOR EN EN 用
#02....CARRY DIRECTION R → L キャリー方向は右→左
REF.NO NOTE PART NO D E S C R I P T I O N
品 名
Qty
1 400-47909 SBR2 CABLE ASM
センサブロック R 2束線組
5
2
#01
400-47140 POWER SUPPRY ASSY R(EN)
電源供給組(右)EN
4
3 400-47891 BASE-CARRY PWR CABLE ASM
BASE − CARRY 電源ケーブル組
1
4 400-47559 BASE-CARRY PCB ASM
BASE − CARRY 基板組
3
5 400-47926 BU LK-R SENS CABLE ASM
BU LK − R センサ束線組
1
6 400-47557 ETHER-SLAVE PCB ASM
ETHER − SLAV 基板組
2
7 400-47925 BU ORG-R SENS CABLE ASM
BU ORG − R センサ束線組
1
8 400-47952 ETHER CABLE BASECARRY FEEDER LF ASM
イーサケーブル BASECA − FEEDER LF 組
1
9 400-47845 SMEMA IN CABLE ASM
スメマ IN ケーブル組
1
10 400-47846 SMEMA OUT CABLE ASM
スメマ OUT ケーブル組
1
11 400-47824 MT1-2 PULSE CABLE ASM
モータ1−2パルスケーブル組
1
12 400-47825 MT3-5 PULSE CABLE ASM
モータ3−5パルスケーブル組
1
13 400-47826 MT6-8 PULSE CABLE ASM
モータ6−8パルスケーブル組
1
14 400-47847 SV-L CABLE ASM
ソレノイドバルブ L ケーブル組
1
15 400-47848 SV-R CABLE ASM
ソレノイドバルブ R ケーブル組
1
16 400-47079 POWER_SUPPRY_ASSY
電源供給組
2
17
#01
400-47139 POWER SUPPRY ASSY L(EN)
電源供給組(左)EN
2
18 400-47792 IN/OUT MOTOR PWR CABLE (L) ASM
IN / OUT モータ電源ケーブル(L)組
1
19 400-48074 CENTER MOTOR ASM
センタモータ組
4
20 400-47927 TPN-R SENS CABLE ASM
TPIN − R センサ束線組
1
21 HM-0013200-00 MOTOR DRIVER
モータドライバ
5
22 400-47807 IN-MOTOR CABLE ASM
IN モータリレーケーブル組
1
23 400-47795 CENTER MOTOR PWR CABLE (L) ASM
CENTER モータ電源ケーブル(L)組
1
24 400-47805 CENT-MOTOR(L) CABLE ASM
CENT モータ(L)リレーケーブル組
1
25 400-47794 JOINT MOTOR PWR CABLE ASM
ジョイントモータ電源ケーブル組
1
26 400-48075 JOINT MOTOR ASM
ジョイントモータ組
1
27 400-65186 CONV STOPPER DETECT CBL SHORT ASM
搬送ストッパケーブル SHORT 組
1
28 400-47808 JOINT-MOTOR CABLE ASM
ジョイントモータリレーケーブル組
1
29 400-47796 CENTER MOTOR PWR CABLE (R) ASM
CENTER モータ電源ケーブル(R)組
1
30 400-47806 CENT-MOTOR(R) CABLE ASM
CENT モータ(R)リレーケーブル組
1
31 400-47793 IN/OUT MOTOR PWR CABLE (R) ASM
IN / OUT モータ電源ケーブル(R)組
1
32 400-47809 OUT-MOTOR CABLE ASM
OUT モータリレーケーブル組
1
33 400-47849 SV WIRE ASM
ソレノイドバルブワイヤー組
2
34 400-47843 AWC-L ENC CABLE ASM
AWC − L エンコーダケーブル組
1
35 HX-0042000-00 5 PHASE STEP DRIVER
5相ステッピングモータドライバ
4
36
#01
HX-0068900-00 5 PHASE STEP DRIVER
5相ステッピングモータドライバ
4
37 400-47833 AWC-L MOTOR CABLE ASM
幅調モータ L 中継ケーブル組
1
38
#01
400-47837 AWC-L MOTOR CABLE ASM(EN)
AWC モータ L 中継ケーブル組(EN)
1
39 400-48077 AWC MOTOR ASM
幅調モータ組
2
40 400-47928 AWC-R SENS CABLE ASM
AWC ORG − R センサ束線組
1
41 400-47827 MT9-10 PULSE CABLE ASM
モータ9−10パルスケーブル組
1
42
#01
400-47828 MT9-10 PULSE CABLE ASM(EN)
モータ9−10パルスケーブル組(EN)
1
43 400-47831 BU-L MOTOR CABLE ASM
バックアップモータ L 中継ケーブル組
1
44
#01
400-47835 BU-L MOTOR CABLE ASM(EN)
BU モータ L 中継ケーブル組(EN)
1
45 E9432-729-0A0 BU MOTOR ASM.
BU モータ組
2
46
#02
400-65185 CONV STOPPER DETECT CBL LONG ASM
搬送ストッパケーブル LONG 組
1
47 400-47841 BU-L ENC CABLE ASM
BU − L エンコーダケーブル組
1
48 E9433-729-0A0 BU ENC ASM.
BU ENC 組
2
49 400-47904 SBL1 CABLE ASM
センサブロック L 1束線組
1
50 400-47902 SBL CABLE ASM
センサブロック L 束線組
1
51 400-47910 IN SENS CABLE ASM
インセンサ束線組
1
52 400-47912 WAIT-L SENS CABLE ASM
WAIT − L センサ束線組
1
53 400-47913 STOP-L SENS CABLE ASM
STOP − L センサ束線組
1
54 400-47914 COUT-L SENS CABLE ASM
COUT − L センサ束線組
1
55 400-47906 SBL2 RELAY CABLE ASM
センサブロック L 2中継束線組
1
56 400-02208 IN_SENS_ASM
インセンサ組
1
57 400-47772 WAIT-L SENSOR ASM
ウエイト L センサ組
1
58 400-47774 STOP-L SENSOR ASM
STOPL センサ組
1
59 400-47773 COUT-L SENSOR ASM
COUTL センサ組
1
60 400-47908 SBL2 CABLE ASM
センサブロック L 2束線組
1
61 400-47915 BU ORG-L SENS CABLE ASM
BU ORG − L センサ束線組
1
62 400-47916 BU LK-L SENS CABLE ASM
BU LK − L センサ束線組
1
63 400-47917 TPN-L SENS CABLE ASM
TPIN − L センサ束線組
1
64 400-47918 AWC-L SENS CABLE ASM
AWC ORG − L センサ束線組
1
65 400-65185 CONV STOPPER DETECT CBL LONG ASM
搬送ストッパケーブル LONG 組
1
66
#02
400-65186 CONV STOPPER DETECT CBL SHORT ASM
搬送ストッパケーブル SHORT 組
1
67 400-02124 BU ORG SENS ASM
バックアップテーブル原点センサ組
2
68
#01
400-02241 BU LOCK SENS ASM
BU ロックセンサ組
2
69 400-65184 CONV STOPPER DETECT SNS ASM
搬送ストッパ検出センサ組
2
70 400-02122 T.PIN SENS ASM
T ピンセンサ組
2
71 400-02120 AWC ORG SENS ASM
自動幅調原点センサ組
2
72 400-47844 AWC-R ENC CABLE ASM
AWC − R エンコーダケーブル組
1
73 400-47834 AWC-R MOTOR CABLE ASM
幅調モータ R 中継ケーブル組
1
74
#01
400-47838 AWC-R MOTOR CABLE ASM(EN)
AWC モータ R 中継ケーブル組(EN)
1
75 400-47829 MT11-12 PULSE CABLE ASM
モータ11−12パルスケーブル組
1
76
#01
400-47830 MT11-12 PULSE CABLE ASM(EN)
モータ11−12パルスケーブル組(EN)
1
77 400-47832 BU-R MOTOR CABLE ASM
バックアップモータ R 中継ケーブル組
1
78
#01
400-47836 BU-R MOTOR CABLE ASM(EN)
BU モータ R 中継ケーブル組(EN)
1
79 400-47842 BU-R ENC CABLE ASM
BU − R エンコーダケーブル組
1
80 400-47905 SBR1 CABLE ASM
センサブロック R 1束線組
1
81 400-47903 SBR CABLE ASM
センサブロック R 束線組
1
82 400-47920 OUT SENS CABLE ASM
OUT センサ束線組
1
83 400-47922 WAIT-R SENS CABLE ASM
WAIT − R センサ束線組
1
84 400-47923 STOP-R SENS CABLE ASM
STOP − R センサ束線組
1
85 400-47924 COUT-R SENS CABLE ASM
COUT − R センサ束線組
1
86 400-47907 SBR2 RELAY CABLE ASM
センサブロック R 2中継束線組
1
87 400-42210 GUIDE BLOCK RL
ガイドブロック RL
1
88 400-47775 WAIT-R SENSOR ASM
ウエイト R センサ組
1
89 400-47777 STOP-R SENSOR ASM
STOPR センサ組
1
90 400-47776 COUT-R SENSOR ASM
COUTR センサ組
1

- 151 -
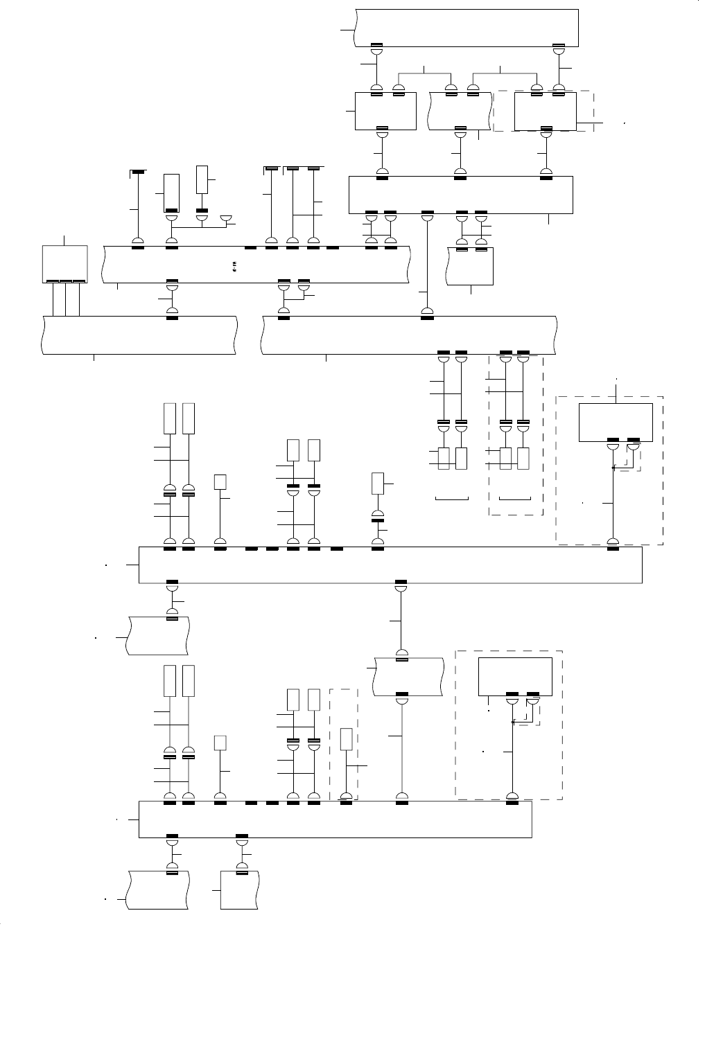
76.SYSTEM DIAGRAM (OPERATION/CPU/MONITOR)
SYSTEM DIAGRAM(OPERATION / CPU / MONITOR)
REAR MO NITOR O PTION
8-2A
POWER UNIT(L)
CN030
10-1A
PWRL030
OPEF13
OPERATION PCB
(F)
CN13
CN7
CN2
OPEF -7
OPEF-2
OPEF-12
CN12
CN22
CN19
CN8
OP CN8
OP CN1
CN21
OPEF21
CHG-EXMOUSE/KEYBOARD
SELECTOR
EX
9-4B
CN1
CN15
CN718
CN14
OPEF-14
CN24
HOD OPTION
CN8
HOD BOX
11-2B
CN9
CN7
XY-RE LAY PCB
3-4D
XY-9XY-7
KEY C HANGE
SW
OP
OP
CN7L
CN7R
COVER OPEN
SW_LF
COVER OPEN
SW_RF
MNLT_LF
MNLT_RF
EMG SW_FR
MINIPATLITE
MINIPATLITE
8-2C
POWER UNIT(R)
CN030
10-1B
PWRR030
OPER13
OPERATION PCB
(R)
CN13
CN7
CN2
CN12
CN22
CN19
CN8
CN1
CN15
CN10
CN14
OPER-14
OPER10
CN801
CN801
SIGNAL TOWER
OP CN8
OP CN1
OP
OP
CN7R
CN7L
COVER OPEN
SW_LR
COVER OPEN
SW_RR
OPER-7
OPER-2
OPER-12
EMG SW_RR
MNLT_RR
MNLT _LR
MINIP ATLITE
MINIPATLITE
FRONT
KEY BOARD
MOUSE
CV-KB F
CV-MS F
KB F
MS F
CV-KB R
CV-MS R
KB R
MS R
CN24
HOD O PTION
CN8
HOD BOX
REAR
KEY BOARD
MOUSE
9-5B
MS2
KB2
MS1
KB1
RS PC
RS-PC
9-1B
KB/MS PC
MOUSE/KEYBOARD
SELECTOR
9-5C
COM
5-2B
ATX P OWER
BUTTERY UNIT
CN55
CN123
CN125
1-4C
CN1
LAN
COM1
CPU BOARD
CN13
HDD I/F
COVE R
HLC
SSD
HDD
HARD DISK
ACCESS LAMP
HDD LAMP
HDD LAMP
HDD-CP
IDE
KB
MOUSE
LPT
USB1
USB2
FDD
LPT
DVI1
COM2
13-4A
COVER
CN13
COVER
USB1
PRINTER
USB2
HOST
HOST
LCD A
EXT 1
CONSOLE SW
SUPER I MPOSE
BOARD
7-3B
NTSC1
NTSC2
PCB
IP-X5
NTSC1
NTSC2
INPS
INPS
LCD B
ATX-5
FRONT MONITOR
VIDEO
RS232C
DC12V
F-LCD
FLCD
RS232C
RS1
9-4B
ATX POWER
CN5
CN10
CN8
13-5C
ATX-10
F-LCD
REAR M ONITO R
VIDEO
DC12V
RS232C
RLCD
RS232C
R-LCD
REAR
MONITOR
OPTION
RS2
RS2
MOUSE/KEYBOARD
SELECTOR
RS1
9-4C
67
4
5
11
10
10
8
9
26
27
28
12
13
14
14
36
31
35
37
12
13
14
14
10
10
29
30
18
19
38
39
34
35
34
15
16
17
18
19
22
20
21
24
25
32
33
20
21
40
3
42
41
43
48
45
46
47
49
50
50
53
54
55
54
56
56
51
57 58 59
60
52
60
61
6123
62
3
40
1
2
3
44