YS12F(H15)_cwd_je - 第5页
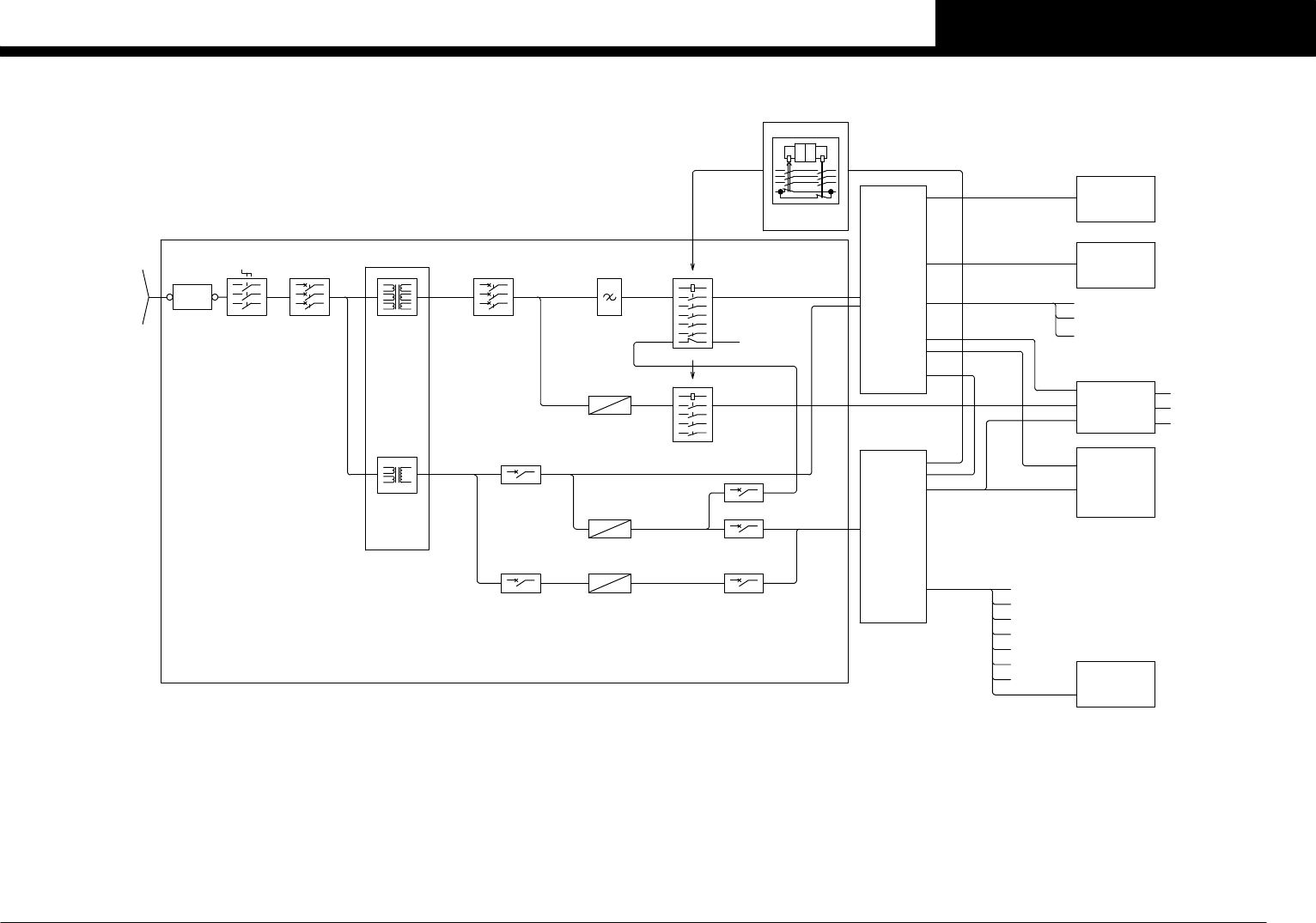
Confidential & Proprietary P A G E READER BARCODE REAR READER BARCODE FRONT CAM1(H ALF) CAM2(F ULL) CAM3(H ALF) CAM4(F ULL) TRG1 TRG2 SRVA SRVB GOOD I/O SYM1 SYM2 CAM2 V1 TRG1 V1 TRG2 I/F SRVA I/F SRVB I/F GOOD IF1 I…

Confidential & Proprietary
PAGE
TERMINAL
1:1.30KW(TOTAL)
STANDARD
2:2.36KW(TOTAL)
AC50/60Hz 11.6A(MAX)
DC24V
COMU
DC24V
DC48V
COMU
COMU
COMU
COMU
COMU
DC24V
DC24V
DC24V
1∼ AC100V
DC24V
Power Supply
CONTROL BOX
(OPTION)
BARCODE READER
USB MEMORY
Each Motors
OPERATION PANEL SEL.
MULTI CAMERA UNIT
IONIZER ASSY(OPTION)
FAN
VALVE
SENSOR
CONVEYOR MOTOR 30W
SIGNAL TOWER
COVER S/W
EMG S/W
3∼ AC230V
1∼ AC100V
KM12/KM12A
FAN
HEAD SENSOR,VALVE
Z,R SERVO MOTOR
I/O HEAD
GS31 600W 7A
1∼ AC230V DC48VDC48V
Contactor
Peak 15.5A 10sec
Power Supply
KM11/KM11A
DRIVER
CONVEYOR MOTOR
DRIVER
OUTPUT:
MOTOR:3∼ 230V
AC50/60Hz 4.0A(MAX)
CONTROL:1∼ 100V
INPUT:
EMERGENCY CIRCUIT
KM10
CH1CH2K2 K1
Safety Relay
POWER CIRCUIT
3∼3∼ 3∼ AC230V
1∼ AC100V
3∼ AC230V 3∼ AC230V 3∼ AC230V
DC24VDC24V
QF23 12A
QF25 4A
Contactor
NF11
TC11
Noise
Filter
Circuit
Protector
TM11 1.7KVA
Transformer
Transformer
POWER TRANSFORMER
XB11
QS11 25A QF11 20A
Main Breaker
Main Switch
Terminal
380/400/416V
200/208/220/240
3∼ 50/60Hz
See Page 4-6
CN1-CN14 …Page 4
CN17-CN20…Page 5
CN21-CN44…Page 6
See Page 7
See Page 3
I/O CONVEYOR BOARD
1∼ AC100V DC24V
GS22 600W 27A
Power Supply
QF41 7A
DC24V
QF24 20A
QF21 7A
1.5KVA(STD)
1.75KVA(with UPS)
See Page 8
See Page 9
3∼ 200V 0-375Hz
Rating 4.9KVA MAX.
GS21 300W 14A
See Page 18
See Page 15
See Page 17
See Page 14
FEEDER
FRONT FIX24
REAR FIX60
FRONT FES24
See Page 13
REAR FIX60
See Page 11
QF31 set5A
(4-6.3A)
CC.V5
2
OVER VIEW for FRONT & REAR FEEDER
YS12F(H15)

Confidential & Proprietary
PAGE
READER
BARCODE
REAR
READER
BARCODE
FRONT
CAM1(HALF)
CAM2(FULL)
CAM3(HALF)
CAM4(FULL)
TRG1
TRG2
SRVA
SRVB
GOOD
I/O
SYM1
SYM2
CAM2
V1 TRG1
V1 TRG2
I/F SRVA
I/F SRVB
I/F GOOD
IF1 I/O
VGA
SERIAL1
SERIAL2
KEY
MOUSE
USB1
USB2
USB3
USB4
SERIAL1
KEY
MOUSE
USB4
LAN
SRV2 GOOD
MO2
SRV2 CMN
PI2
SRV2 BRAKE
TRG1
TRG2
SRV CMN
ENC
BRAKE
GOOD
MO(Y1,Y2,PU1,W1)
(Y1,Y2,PU1,W1)
GOOD
TRG1
TRG2
MO
SRV CMN
ENC
BRAKE
X1M
X1P
X1M
X1P
M01
X-AXIS 750W
□86 MAX 5000rpm
DUCT Y
FLEXIBLE
SRV1 GOOD
MO1
SRV1 CMN
PI1
E.COM BOARD
VISION
INTERFACE
SYSTEM
SERVO2
SERVO1
J0143
J0127
AC100V
AC100V
AC230V
AC230V
EXT POWER
UPS
(OPTION)
POWER CIRCUIT
POWER CIRCUIT
BUZZER
J0119
AIR REGULATOR PANEL
HA01
WIN BUZZER
EXT.PWR
IT OPTION(OPTION)
PE
J0071
AC100V
AC230V
POWER CIRCUIT
CN27 I/O CONVEYOR BOARD
I/O A
I/O B
I/O C
SRV1 TRG1
SRV1 TRG2
J0061
J0892
J0893
J0502
J0507
J0530
J0135
J0121
J0101
J0120
J0142
J0125
J0141
J0124
J0234,J0235
J0751
J0028
J0891
J0007
J0009
J0162
CN12
I/O CONVEYOR BOARD
SI04
SI03
SI02
SI01
A43
A44
J0531
BCR-R SYM
BCR-F SYM
W1-AXIS 60W
□42 MAX 500rpm
M04
M02
M03
W1P
W1M
W1 BK
PU1P
PU1M
PU1 BK
Y1P
Y1M
Y2P
Y2M
E01
E02
W1P
Y2P
Y1P
PU1P
J0131
J0130
J0129
J0128
PU1-AXIS 200W
□54 MAX 1500rpm
Y1-AXIS 1KW
□86 MAX 5000rpm
Y2-AXIS 1KW
□86 MAX 5000rpm
I/O CONVEYOR BOARDJ0102
I/O A
J0103
CN14
J0104
I/O A
ANC STATION(OPTION)
(OPTION)
MULTI CAMERA UNIT SEL.
USB4
USB MEMORY
OPERATION PANEL SEL
AH1P
X1P
J0126
AZP
INTERCONNECTION DIAGRAM
AZ-AXIS
AH-AXIS
I/O TF BOARD
M05
(X1,-,AZ,AH)
(X1,-,AZ,AH)
SS FEEDER F1&F2
SRVB1
SRVB2
I/O HEAD BOARD
See ATS15
SS FEEDER R1J0105
See Page 8
CAMERA SELECTOR
See Page 7
See Page 7
See Page 4
See Page 6
See Page 4
See Page 6
See Page 9
ATS15(OPTION)
See Page 10-13
See Page 11,13
See Page 16,17
See Page 16,17
See Page 16,17
VGA
DC5V
+5V
DC5V
+5V
S/M
PCS/M
CABLE HOST(OPTION)
CONTROL BOX ASSY A1
LCD PWR
DC12V
CC.V5
3
CONTROL BOX
YS12F(H15)

Confidential & Proprietary
PAGE
CN1
CN6
CN1 J0046
CN10
CN9
CN8
CN7
CN3
CN4
CN5
CN2
CN2
CN13
CN13 J0164
CONTROL BOX
POWER CIRCUIT
NF11
POWER CIRCUIT
J0226
KM10
CH2 CH1
K1K2
AC
DC
LOGIC
A1
A2
T11
T12
T22
T31
T32
A1
A2 0V24
T11 EMG0
T12 EMG22
T22 EMG22
T31
T32
13
23
33
13 +24V
23 +24V
33 +24V34
24
1414
24 +24E
34 +24B
S10
U52
V52
W52
A1 A2 0V24
U54
V54
W54
J0165
CN12
CN12 J0162
CN11
CUT COVER
DC24V IN
SPARE DI
NOZZLE SENSOR 4
NOZZLE SENSOR 3
NOZZLE SENSOR 2
NOZZLE SENSOR 1
MULTI CAM UP/LOW
NZL ST
TAPE CUT
CONTACTOR
SPARE
EMG1
EMG2
CUT COVER
TAPE CUTTER(OPTION)
J0227
OPEN/CLOSE
FRONT TAPE CUTTER
T0100080/T0100081
SQ103
FRONT TAPE CUTTER COVER SWITCH
YV045
F.CUTTER
R.CUTTER
4142
1121 T32B 1122 T32A
C/V MOTOR DRIVER
POWER CIRCUITPOWER CIRCUIT
GS21
1153 +24B
CONV+24V
1154+24C
CONV+24E
A2 0V24A1
1221 T32A 1222 T32
1233 +24C 1234 SRV ON
CN14
CN14 J0102
INTERFACE BOARD
CONTROL BOX
I/O A
COM
I/O CONVEYOR BOARD ASSY P025
GS21
QF23
QF24
POWER CIRCUIT
J0228 SQ104
REAR TAPE CUTTER COVER SWITCH
REAR TAPE CUTTER
OPEN/CLOSE
T0100082/T0100083
YV046
Y1ORG
HEAD
Y1OT
HEAD EMG
SRV2 GOOD
CONTROL BOX
SRV1 GOOD
I/F GOOD
CN11 J0163
See Page 3
See Page 3
See Page 7
See Page 16,17
See Page 16,17
See Page 16,17
See Page 16,17
See Page 16,17
J0168COVERF COVER FRONT COVER SW
SQ101
COVER DO1
COVER DO2
F.COVER DO1
F.COVER DO2
EMGF1 EMG J0166
FRONT SIDE
F1 EMG SW
SB31
R.COVER DO1
R.COVER DO2J0767
UP/DOWN DO
FRONT FES VALVE
EMGR1 EMG J167
REAR SIDE
R1 EMG SW
SB32
J0169R COVER COVER REAR COVER SW
SQ102
See Page 6
J0163
I/O CONVEYOR BOARD CN11
FES24 FRONT and FIX FEEDER REAR specification
F1 FDR EMG
F2 FDR EMG
FES24 FEEDER STRUCTURE
See Page 12,13
FDR EMG
FDR EMG
J0176
J0177
R1 FDR EMG
R2 FDR EMG
INTERCONNECTION DIAGRAM
TF EMG
ATS15 EMG
See ATS15
J0169 REAR COVER SW
SQ102
FIX FEEDER FRONT only specification
J0166
FRONT SIDE
F1 EMG SW
SB31
J0168 FRONT COVER SW
SQ101
J0167
REAR SIDE
R1 EMG SW
SB32
F1 FDR EMG
FDR EMG
F2 FDR EMG
FDR EMG
R1 FDR EMG
FDR EMG
R2 FDR EMG
FDR EMG
J0174
J0175
J0176
J0177
COVERR COVER
EMGF1 EMG
COVERF COVER
EMGR1 EMG
COVER(OPTION)
REAR
J0178(STANDARD Spec)
INTERCONNECTION DIAGRAM
TF EMG
ATS15 EMG
See ATS15
J0168 FRONT COVER SW
SQ101
J0166
FRONT SIDE
J0169 REAR COVER SW
SQ102
J0167
REAR SIDE
R1 EMG SW
SB32
F1 EMG SW
SB31
FIX FEEDER FRONT and REAR specification
COVERF COVER
EMGF1 EMG
R COVER COVER
EMGR1 EMG
F1 FDR EMG
FDR EMG
F2 FDR EMG
FDR EMG
R1 FDR EMG
FDR EMG
R2 FDR EMG
FDR EMG
J0174
J0175
J0176
J0177
J0163
I/O CONVEYOR BOARD CN11
INTERCONNECTION DIAGRAM
TF EMG
ATS15 EMG
See ATS15
HEAD SERVO +48V
POWER CIRCUIT
See Page 16,17
GS31
POWER CIRCUIT
See Page 16,17
+48A +48V
KM11/KM11A
KM12/KM12A
A2
2/T1
4/T2
6/T3
22
A1
1/L1
3/L2
5/L3
21
33
41
34
42
3 5 6
ON
OFF
1 2
DIP SW(S1)
43 5 6
ON
OFF
1 2
DIP SW(S1)
4
13
A1
53
73
83
21
63
1/L1
3/L2
5/L3
A2
14
2/T1
4/T2
6/T3
22
54
64
74
84
※In I/O CONVEYOR BOARD
since KJJ-M4580-031,
there is no DIP SW.
CC.V5
4
I/O CONVEYOR -1-
YS12F(H15)