YS12F(H15)_cwd_je - 第9页
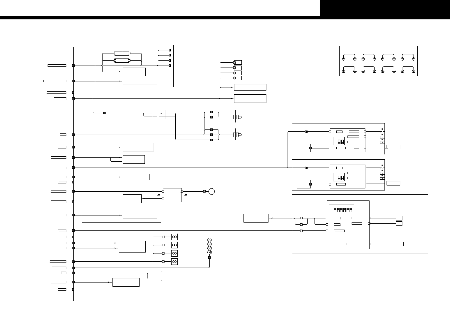
Confidential & Proprietary P A G E J0305 FAN5 FAN6 FAN1 FAN2 XOT XORG CN18 CN19 CN4 CN5 CN2 CN1 CN2 CN2 CN1 CN2 CN2 CN1 CN2 CN4 CN1 CN14 CN15 CN16 CN17 CN18 CN19 FAN1 FAN2 SENS0 SENS1 SENS0 SENS1 SENS0 SENS1 ENC DIFF…

Confidential & Proprietary
PAGE
J0103
CN21
CN32 CN2 CN3
CV1 CN3
CN1
J0064
J0047
CV1
M19
CONVEYOR MOTOR 1 30W
□60 MAX 300rpm
CV1 CN2
DCN1
CN32 J0062
POWER CIRCUIT
KM11A
I/O A
INTERFACE BOARD
CONTROL BOX
ION CN3F
ION CN3R
ION I/F BOARD ASSYJ0871
CN35 J0051
HL11
BUZZER
T01000D6
T0100034
AMF1
T0100035
AMF2
I/O HEAD
I/O HEAD POWER
CN39
CN40
CN41
CN43
J0048
J0221
J0225
J0042
FAN1
FAN2
FAN3
FAN4
TRANS ROOM
REAR BOTTOM COVER
FAN1
FAN2
FAN3
FAN4
SIDE PANEL
SIDE PANEL
N01008B4
N01008B5
N01008B6
N01008B7
T01000D1
ALARM(RED/WHITE)
T01000D0
T01000D2
ERROR(YELLOW/BLUE)
RUN(GREEN)
HL11
IONIZER ASSY(OPTION)
CART UP/DOWN VLV
MCH C/V MOTOR
YTF C/V MOTOR CN33
+24E CN34
+24VF6 CN35
CN36+24VF7
+24VD1
+24VD2 CN38
CN37
CN39
CN40
CN41
FAN LOCK ALARM
SIGNAL TOWER
AMF
CN43
CN44+24VS1
+24VC1,+24VF3
CN24VLV(CONV.)
CN24
CN23MULTI CAM.UP/DOWN
OPERATION PANEL SEL.
ACTIVE CHANGE(T0100027)
EX
CN29 J0045
SS FEEDER CN29
CN28+24VC2,+24VC3
CN27+24VF5
CN27
CN27 J0049
CAMERA UNIT SEL.
MULTI CAMERA POWER
CN30
CN31+24VD4
+24VD3
CN25GATE
CN25
J0112
ANC CN2
ANC CN1
I/O A
I/O A
OFF
ON
5 64
CN1
CN2 COM2
COM1
DIP SW(SW2)
DI00/ANC
DI01/ANC
CN11DO00,DO01/ANC
ANC+24V
J0056 CN3
CN3 DC24V IN
1 2 3
CN11A
SQ061
N0101070
SQ062
N0101071
YV022
T0100800
ANC OPEN NOZZLE STATION OPENJ0196
NOZZLE STATION OPEN
NOZZLE STATION CLOSE
ANC UNIT(OPTION)
J0224
INTERFACE PANEL
PREV
PREVIOUS INTERFACE
BUSY OUT:T01000E4 / LR OUT:T01000E7
BA IN :N0100921 / UR IN :N0100922
LE OUT :T0100031
CN22CART PW.ON/OF SIGNAL
ANC CTRL BOARD ASSY P018
CONVEYOR DRIVER 1
P011
NEXT INTERFACE
J0223
INTERFACE PANEL
NEXT
COUNT RESET:N0100923
BA OUT :T01000E5 / UR OUT:T01000E6
BUSY IN:N0100920 / LR IN :N0100923
I/O CONVEYOR BOARD ASSY P025
R.FDR ST
F.FDR ST FDR ST J0901 CN1
CN1 CN3 SB51
PITCH UP SW
PITCH DOWN SW
SB53
SB55
PITCH SET SW
CN4
CN5
CN6
PITCH UP
PITCH DWN
PITCH SET
FDR
+24V
CN1
CN2CN1 J0903
CN2 LED OUT
SS FEEDER
CN3
CN4
CN5
CN6
J0905
J0907
J0909
J0911
ON
OFF
1 2
DIP SW(S1)
FRONT FEEDER SET STATION(OPTION)
FDR ST BOARD ASSY P107
P108
PITCH LED BOARD ASSY
CN37
CN38
J0771
J0772
YV006
YV005
SUB STOPPER UP
T0100024
EXIT STOPPER UP
T0100025
EXIT ST
SUB ST
YV003
PCB CLAMP
T0100022
CLAMP 1
YV001
T0100020
MAIN STOPPER UPMAIN ST1
MULTI CAMERA UNIT SEL.
CN6A
CN7A
CN7
CN6
CN34
REAR COVER SW
FRONT COVER SW
CN21 J0767
CN22 J0758 FES24 FEEDER STRUCTURE(OPTION)
See Page 4
UP DOWN
UP DOWN
F1 UP
T0100000
F2 UP
T0100002
F1 DOWN
T0100001
F2 DOWN
T0100003
FRONT-1
FRONT-2
YV041
YV042
R2 DOWN
T0100007
R2 UP
T0100006
R1 DOWN
T0100005
R1 UP
T0100004
FES24 FEEDER STRUCTURE(OPTION)
See Page 8
See Page 9
See Page 8
See Page 3
See Page 3
FDR ST CN1
CN1 CN3
PITCH UP SW
PITCH DOWN SW
PITCH SET SW
CN4
CN5
CN6
PITCH UP
PITCH DWN
PITCH SET
FDR
+24V
CN1
CN2CN1
CN2 LED OUT
SS FEEDER
CN3
CN4
CN5
CN6
J0902
J0904
J0906
J0908
J0910
J0912
SB52
SB54
SB56
ON
OFF
1 2
DIP SW(S1)
REAR FEEDER SET STATION(OPTION)
FDR ST BOARD ASSY P109
P110
PITCH LED BOARD ASSY
See Page 7
CN30 J0756
SS FEEDER F1 POWER
SS FEEDER F2 POWER
SS FEEDER R1 POWER
J0198
NEXT A
NEXT B
J0186
PREV
1 0V
5 DO
4 COM
3 OUT5
1 4
3
KA01
J0187
PREV C
J0199
PREV A
PREV B
J0185
CONTROL BOX
SERVO BREAKE +24VEXT.PWR
J0028
J0222
See Page 12,13
See Page 11,13
See Page 16,17
See Page 14
See Page 10-13
COVER EARTH
USB
CONVEYORFRONT RIGHT(F2)
REAR RIGHT(R1)REAR CENTER
FRONT CENTERFRONT LEFT(F1)
REAR LEFT(R2)
J0081
J0086J0085
J0082 J0083
J0087
J0084
J0099
CC.V5
6
I/O CONVEYOR -3-
YS12F(H15)

Confidential & Proprietary
PAGE
J0305
FAN5
FAN6
FAN1
FAN2
XOT
XORG
CN18
CN19
CN4
CN5
CN2
CN1
CN2
CN2
CN1
CN2
CN2
CN1
CN2
CN4
CN1
CN14
CN15
CN16
CN17
CN18
CN19
FAN1
FAN2
SENS0
SENS1
SENS0
SENS1
SENS0
SENS1
ENC DIFF
SENS0
DI0
DI1
OT
ORG
DO0
DO1
N002D005
X1-AXIS ORIGIN
N002D006
X1-AXIS OVER TRAVEL
LINEAR IF BOARD ASSY P048
HEAD SERVO UNIT ASSY
CN3
CN3TXD/RXD
J0123
CN2
CN2+24VOUT
J0302
CN1
CN1POW/EMG
J0044
J0121J0122
SRVB1
SRVB2
SRVB1
SRVB2
SRVB
CONTROL BOX
INTERFACE BOARD
J0042
H+24V
CN43
J0162
Y1ORG
Y1OT
HEAD EMG
CN12
SQ005
SQ001
Y1-AXIS ORG
N0100980
Y1-AXIS OVER TRAVEL
N0100981
J0043 J0055
H+48V
DC48V,0V48
POW/EMG
I/O CONV BOARD
I/O CONV BOARD
KM12,XT31
Y1ORG
Y1OT
J0190
DUCT Y
FLEXIBLE
DUCT X
FLEXIBLE
J0502J0503CAMOUT
CN11
CN10
CN8
DC24V
LIGHT3
CAM3
CN5CAMOUT
DC+24V
LIGHT3
J0321
CAM2 CONTROL BOX
VISION BOARDCAM2
J0072J0073
CN4CAM1
CAM1
CN7LIGHT1
LIGHT1
CN6CAM2
CAM2
CN9LIGHT2
LIGHT2
J0301(STANDARD SPEC.)
J0504
J0300
D.CAM1
FCAM1
CN1
CN2
FID1
FID.LIGHT BRD. ASSY
FIDUCIAL CAMERA 1
J0505
J0301
CN1
CN2
FID2
D.CAM2
FCAM2
FID.LIGHT BRD. ASSY
FIDUCIAL CAMERA 2(OPTION)
I/O HEAD BOARD ASSY P041
CAMERA SELECTOR P082
P086
P087
Z1M
IF1 J0310 SENS1
M14
MAX 1m/s
Z1-AXIS 10W
M16
R1-AXIS 15W
□42 MAX 2000rpm
Z3M
IF3 J0311 SENS3
M12
MAX 1m/s
Z3-AXIS 10W
Z2M
IF2 J0315 SENS2
M15
Z2-AXIS 10W
MAX 1m/s
Z4M
IF4 J0316
Z5M
IF5 J0312 SENS5
M10
MAX 1m/s
Z5-AXIS 10W
SENS4
M13
MAX 1m/s
Z4-AXIS 10W
M0
M0
M0
M1
M1
M1
CN4
CN4
CN4
J0304CN21 VAC
CN1 VACCN21AD0
VAC SENSOR BRD ASSY
P049
HEAD 1
HEAD 2
HEAD 3
HEAD 4
HEAD 5
T002C801/T002C803
HEAD 5(VACUUM/BLOW)
T002CC00/T002CC02
HEAD 4(VACUUM/BLOW)
T002CC01/T002CC03
HEAD 3(VACUUM/BLOW)
T003C000/T003C002
HEAD 2(VACUUM/BLOW)
T003C001/T003C003
HEAD 1(VACUUM/BLOW)
SH BLOW
T003C400
SHAFT BLOW
HEAD SERVO1 P042
HEAD SERVO3 P043
HEAD SERVO5 P044
YV301
YV302
YV303
YV304
YV305
YV311
SQ302
SQ301
See Page 4
See Page 6
See Page 3
See Page 3
See Page 16,17
CC.V5
7
HEAD SERVO UNIT
YS12F(H15)

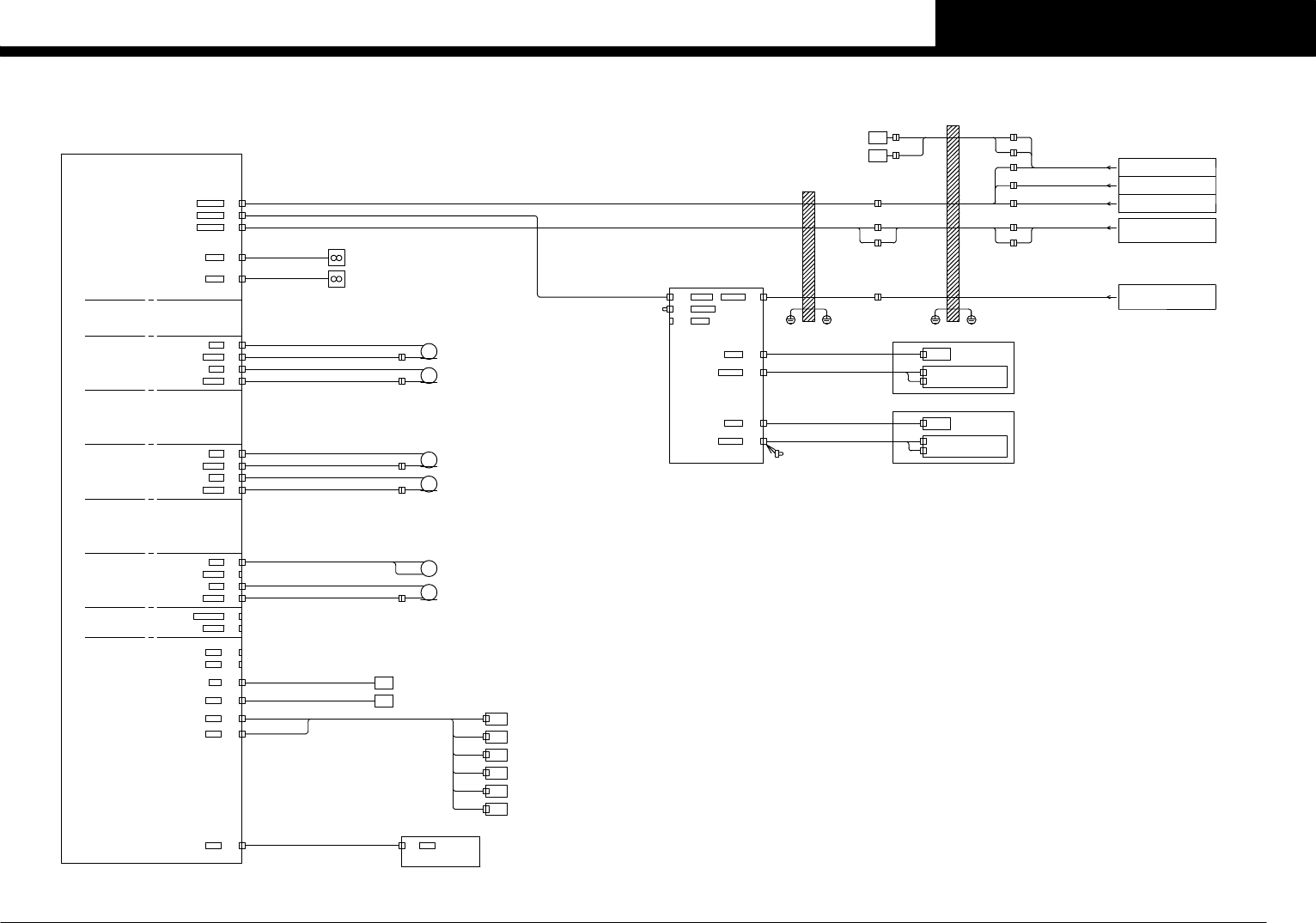
Confidential & Proprietary
PAGE
CN1
SUB COAX
CN1
SUB COAX
CN1
MAIN
CN1
MAIN
CN1
MAIN
CN1
MAIN
CN1
MAIN
CN1
MAIN
P073 P074P075 P076 P077 P078 P079 P080
M.LIGHT SUB CX. ASSYM.LIGHT MAIN ASSY
CN1
SUB COAX
CN1
SUB COAX
CN1
MAIN
CN1
MAIN
CN1
MAIN
CN1
MAIN
CN1
MAIN
CN1
MAIN
P073 P074P075 P076 P077 P078 P079 P080
M.LIGHT SUB CX. ASSYM.LIGHT MAIN ASSY
DIGITAL MULTI CAMERA 2 ASSY(FRONT)
CN28
L+24VJ0049
COAXJ0508
M.CAM
CN8
CN4
CN6
POCL
+24V
LIGHT
CN1
CN5
CN5 DVRI/F CN1
CN3
CN4SIDE
SUB COAX
MAIN
MAIN
SUB CX J0509
J0510
MULTI CAM2 BRD.ASSY
MULTI CAM1 BRD.ASSY
M.LIGHT COAX. ASSY P072
MULTI CAM.SUB ASSY
P092
P071
J0507
COAXJ0508
M.CAM
CN8
CN4
CN6
POCL
+24V
LIGHT
L+24V
CN1
CN5
CN5 DVRI/F CN1
CN3
CN4SIDE
SUB COAX
MAIN
MAIN
SUB CX J0509
J0510
MULTI CAM2 BRD.ASSY
MULTI CAM1 BRD.ASSY
M.LIGHT COAX. ASSY P072
MULTI CAM.SUB ASSY
P092
P071
I/O CONVEYOR BOARD
J0192
CN4
J0222
CAPTURE1 LIGHT UPEND
N01009B0
CAPTURE1 LIGHT LOWEND
N01009B1
LDC1 UP MULTI-CAM1 UP
T0100032
CAPTURE1 LIGHT UPEND
CAPTURE1 LIGHT LOWEND
N01009B2
N01009B3
LDC2 UP MULTI-CAM2 UP
T0100033
CN24
DIGITAL MULTI CAMERA 2 ASSY(REAR)(OPTION)
UP-AND-DOWN TYPE CAPTURE LIGHT(OPTION)
UP-AND-DOWN TYPE CAPTURE LIGHT(OPTION)
YV008
SQ704
SQ703
SQ702
SQ701
YV007
J0501
CONTROL BOX
VISION BOARD
CAM3
CAM1
See Page 6
See Page 3
LDC1 UP UP
LOWLOW
LDC2 UP
LOW
UP
LOW
CC.V5
8
MULTI CAMERA UNIT SEL.(OPTION)
YS12F(H15)