1OM-1513-001_w - 第199页
1OM-1513 6-14 第六章1.支撑治具制作规格 1.5.3 元件部 ( 元件编号 23-2) 的变形图 Counterbore Depth 5 Material : A5052 Processing : None Depth from Back 8 2-M5 Depth 15 (Prepared Hole Not Penetrable) 2- M5 HELISERT 2D (Prepared Hole Penetrabl…

1OM-1513
第六章1.支撑治具制作规格
6-13
1.5.2 元件部 ( 元件编号 23-1) 的变形图
R
V
Counterbore Depth 6
Material : A5052
Processing : None
F1F11
0908-001

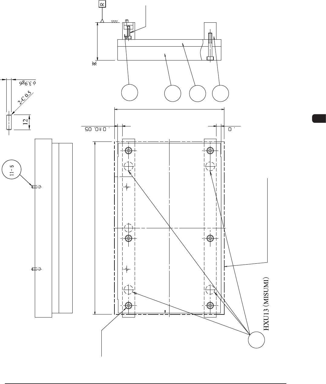
1OM-1513
6-14
第六章1.支撑治具制作规格
1.5.3 元件部 ( 元件编号 23-2) 的变形图
Counterbore Depth 5
Material : A5052
Processing : None
Depth from Back 8
2-M5 Depth 15
(Prepared Hole Not Penetrable)
2- M5 HELISERT 2D (Prepared Hole Penetrable)
F1F12
0908-001

1OM-1513
第六章1.支撑治具制作规格
6-15
1.6 线路板吸取治具 ( 线路板宽W
“
250<=W<=460
”
)
1.6.1 组装图
X2
4-M4L15
W
L
6-M5L35
55.0 ±0.03
11-3
11-1
11-2
11-4
S-1
X1
X1
X1
X1
X4
88
250<W<460
Material : SUS304
Processing : None
(PCB Length)
(PCB Width)
Magnets
两点划线表示线路板定位状态。
Bonding with LOCTITE
1. T元件编号S-1为购入品。
2. 各元件组装后,加工R面,完成※标记的尺寸。
3. 元件编号11-5在加工R面以后安装。
F1F13
0908-001