1OM-1513-001_w - 第204页
1OM-1513 第六章1.支撑治具制作规格 6-19 1.6.5 元件部 ( 元件编号 11-4) 的变形图 3-M5 Depth 15 Counterbore Depth 5 Material : A5052 Processing : None F1F17 0908-001

1OM-1513
6-18
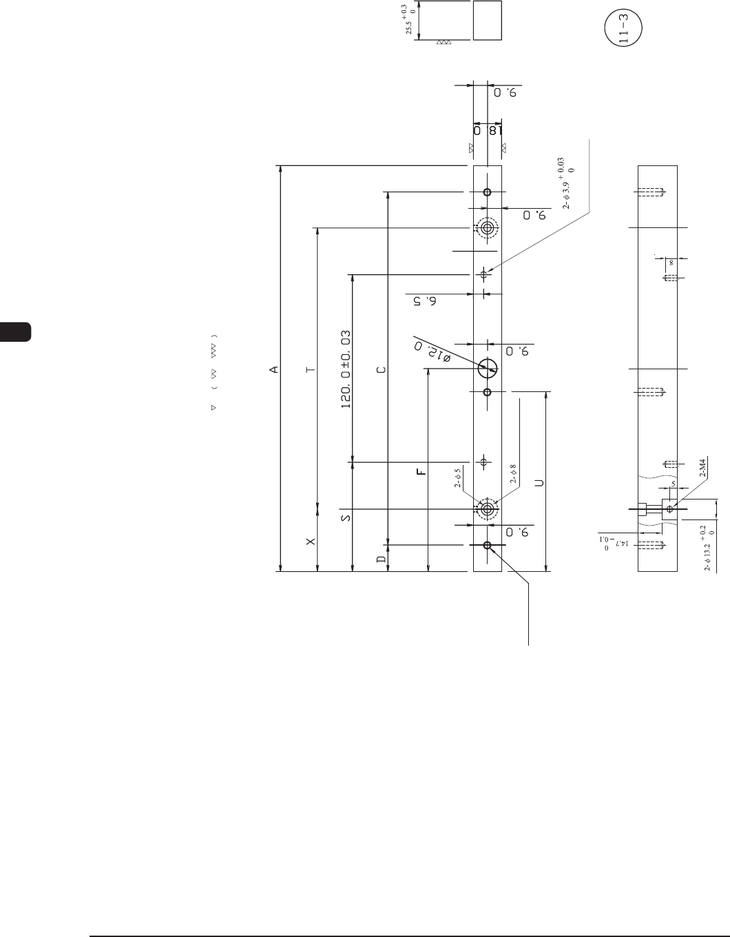
第六章1.支撑治具制作规格
1.6.4 元件部 ( 元件编号 11-3) 的变形图
3-M5 Depth 15
Counterbore Depth 5
Depth from Back 8
Material : A5052
Processing : None
F1F16
0908-001

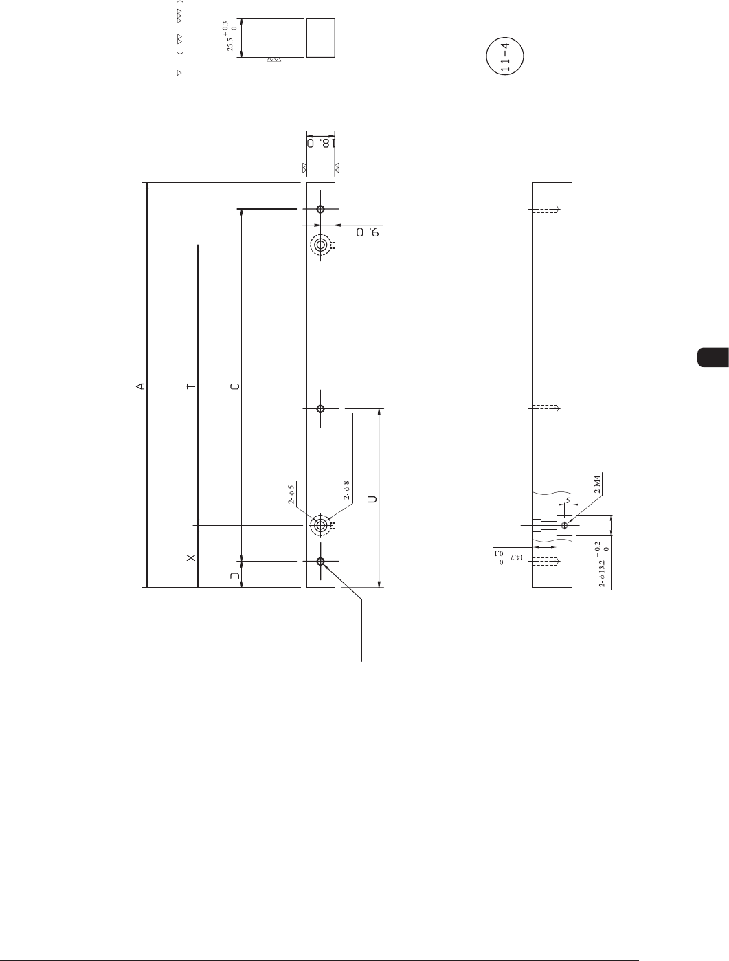
1OM-1513
第六章1.支撑治具制作规格
6-19
1.6.5 元件部 ( 元件编号 11-4) 的变形图
3-M5 Depth 15
Counterbore Depth 5
Material : A5052
Processing : None
F1F17
0908-001

1OM-1513
6-20
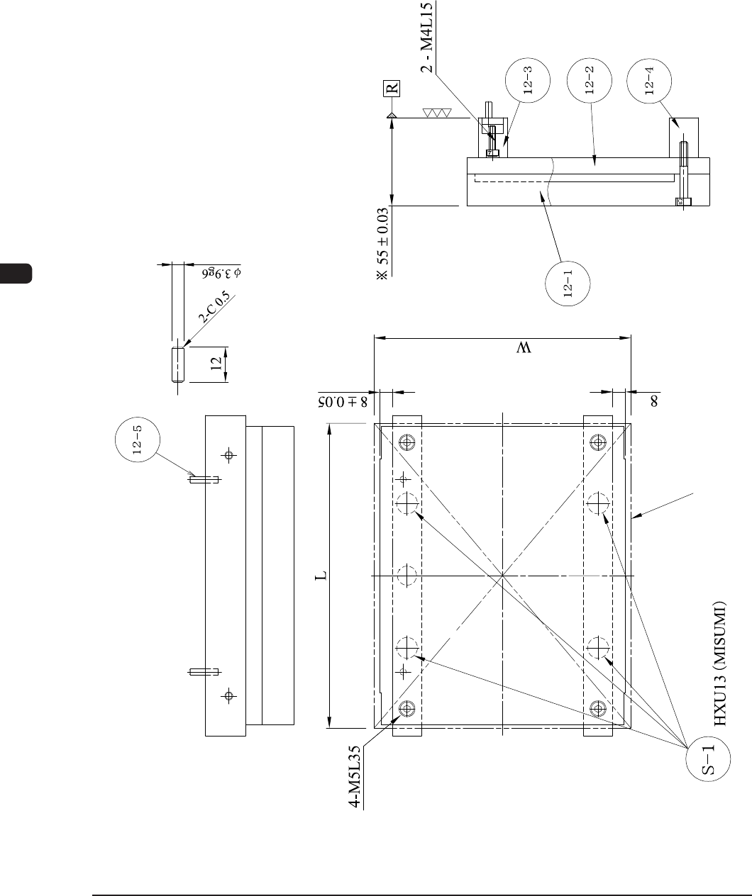
第六章1.支撑治具制作规格
1.7 线路板吸取治具 ( 线路板宽W
“
65<=W<=250
”
)
1.7.1 组装图
X2
X4
X1
X1
X1
X1
65<W<250
Material : SUS304
Processing : None
(PCB Length)
(PCB Width)
Magnets
两点划线表示线路板定位状态。
Bonding with LOCTITE
1. 元件编号S-1为购入品。
2. 各元件组装后,加工R面,完成※标记的尺寸。
3. 元件编号12-5在加工R面以后安装。
F1F18
0908-001