1OM-1513-001_w - 第208页
1OM-1513 第六章1.支撑治具制作规格 6-23 1.7.4 元件部 ( 元件编号 12-3) 的变形图 Counterbore Depth 5 Material : A5052 Processing : None Depth from Back 8 2-M5 Depth 15 (Prepared Hole Not Penetrable) 2- M5 HELISERT 2D (Prepared Hole Penetrabl…

1OM-1513
6-22
第六章1.支撑治具制作规格
1.7.3 元件部 ( 元件编号 12-2) 的变形图
L/2-2
R V
Material : A5052
Processing : None
Fine Chamfering
(Fringe)
F1F20
0908-001

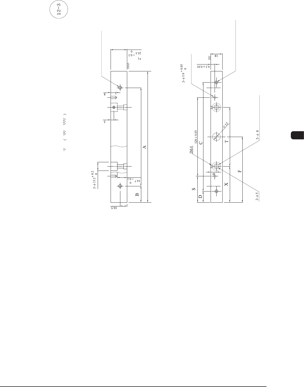
1OM-1513
第六章1.支撑治具制作规格
6-23
1.7.4 元件部 ( 元件编号 12-3) 的变形图
Counterbore Depth 5
Material : A5052
Processing : None
Depth from Back 8
2-M5 Depth 15
(Prepared Hole Not Penetrable)
2- M5 HELISERT 2D
(Prepared Hole Penetrable)
F1F21
0908-001

1OM-1513
6-24
第六章1.支撑治具制作规格
1.7.5 元件部 ( 元件编号 12-4) 的变形图
Counterbore Depth 5
Material : A5052
Processing : None
2-M5 Depth 15
(Prepared Hole Not Penetrable)
F1F22
0908-001